ПЗ Курто (1200653), страница 16
Текст из файла (страница 16)
ч;
ч;
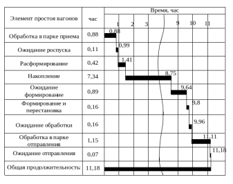
На основании расчетов строится график расчлененного простоя транзитного вагона с переработкой, представленный на рисунке 4.2.
Рис. 4.2. Расчлененный простой транзитного вагона с переработкой
-
Расчет простоя местного вагона
Продолжительность простоя местных вагонов определяется с момента прибытия до отправления. За это время вагоны проходят те же операции, что и транзитные вагоны с переработкой, а также дополнительные операции, связанные с обработкой их на пунктах местной работы. Часть груженых вагонов после выгрузки со станции отправляются в порожнем состоянии.
Простой транзитного вагона с переработкой и время от подачи вагона на грузовой фронт до уборки его в сортировочный парк, рассчитан в таблице 6.11.
Таблица 6.11
Простой местного вагона от подачи до уборки
Время от подачи вагона на грузовой фронт до уборки его в сортировочный парк:
ч.
Простой местного вагона на станции Комсомольск-сортировочный:
ч.
Вагонооборот:
Суммарное количество принятых и отправленных вагонов всех категорий за сутки
рассчитывается по формуле:
.
Коэффициент сдвоенных операций:
.
Норма рабочего парка:
.
Коэффициент загрузки маневровых средств:
Коэффициент загрузки локомотивов
определяется по формуле:
;
;
;
.
-
Организация обеспечения работников станции Комсомольск-Сортировочный средствами индивидуальной защиты
-
Порядок обеспечения работников станции Комсомольск-Сортировочный средствами индивидуальной безопасности
Средства индивидуальной защиты(СИЗ) – средства используемые работником для предотвращения или уменьшения воздействия вредных и (или) опасных производственных факторов, а также для защиты от загрязнения. [5] Используются в тех случаях, когда безопасность работ не может быть обеспечена конструкцией оборудования, организацией производственных процессов, архитектурно-планировочными решениями и средствами коллективной защиты.
Обеспечение работников на железной дороге средствами индивидуальной безопасности производиться в соответствие с приказом Минздравсоцразвития Российской Федерации от 22.10.2008 № 582н «Об утверждении типовых норм бесплатной выдачи сертифицированных специальной одежды, специальной обуви и других средств индивидуальной защиты работникам железнодорожного транспорта Российской Федерации, занятым на работах с вредными и (или) опасными условиями труда, а также на работах, выполняемых в особых температурных условиях или связанных с загрязнением». В документ входят железнодорожные профессии с их спецификой работы, которая определяет какими средствами индивидуальной защиты обеспечиваются работники станции. С учетом преобразований в структуре ОАО РЖД было утверждено распоряжение ОАО «РЖД» от 28.12.2010 № 2744р «Порядок обеспечения работников ОАО «РЖД», определяющее порядок обеспечения, учета, хранения, ухода за СИЗ».
Ответственность за обеспечение работников станции СИЗ, а также их хранение, ремонт, замену возлагается на начальника станции. При заключении трудового договора начальник станции информирует работников о правильном использовании СИЗ и соответствующих его профессии Нормам выдачи СИЗ.
Работники станции правильно применяют и бережно относится к выданным СИЗ, а также своевременно уведомляют начальника станции о необходимости их ремонта, чистки, химчистки, сушки. Выдача и сдача работникам СИЗ записывается в личную карточку работника, для того что бы контролировать сроки их использования.
-
Нормы выдачи СИЗ для работников станции Комсомольск-Сортировочный
Обеспечение СИЗ работников станции Комсомолськ-Сортировочный производиться в соответствие с Типовыми нормами бесплатной выдачи специальной одежды, специальной обуви и других средств индивидуальной защиты. [2] В Типовых нормах указывается профессия или должность работника, наименование СИЗ, а также норма их выдачи.
Типовые нормы выдачи СИЗ на летний период приведены в таблице 5.1
Таблица 5.1
Типовые нормы выдачи СИЗ
| Профессия или должность | Наименование СИЗ | Норма выдачи на год |
| Регулировщик скорости движения поездов; Составитель. | Комплект Движенец-Л | 1 на год |
| Комплект для защиты от воды | 1 на 3 года | |
| Ботинки юфтевые на маслобензостойкой подошве | 1 пара на 9 мес. | |
| Сапоги из поливинилхлоридного пластиката или Сапоги резиновые | 1 пара на год |
Продолжение таблицы 5.1
| Профессия или должность | Наименование СИЗ | Норма выдачи на год |
| Перчатки комбинированные или Перчатки с полимерным покрытием | 12 пар на год | |
| Жилет сигнальный 2 класса защиты | 4 на 2 года | |
| Дежурный по железнодорожной станции; дежурный по сортировочной горке. | Комплект Движенец-Л или комплект Дефектоскопист-Л | 1 на год |
| Ботинки юфтевые на полиуретановой подошве | 1 пара на год | |
| Сапоги из поливинилхлоридного пластиката или Сапоги резиновые | 1 пара на год | |
| Плащ для защиты от воды | 1 на 3 года | |
| Перчатки комбинированные или Перчатки трикотажные | 4 пары на год | |
| Жилет сигнальный 2 класса защиты | 2 на год | |
| Начальник железнодорожной станции; главный инженер станции. | плащ для защиты от воды | 1 на 4 года |
| Ботинки юфтевые на полиуретановой подошве | 1 пара на 2 года | |
| Сапоги из поливинилхлоридного пластиката или Сапоги резиновые | 1 пара на год |
Окончание таблицы 5.1
| Профессия или должность | Наименование СИЗ | Норма выдачи на год |
| Перчатки комбинированные или Перчатки с полимерным покрытием | 6 пар на год | |
| Жилет сигнальный 2 класса защиты | l на 2 года | |
| Приемосдатчик груза и багажа приемосдатчик груза и багажа в поездах; приемщик поездов; бригадир предприятий железнодорожного транспорта и метрополитенов, занятый на пункте коммерческого осмотра | Комплект Электрик-Л или Костюм Приемосдатчик-Л | 1 на год |
| Плащ для защиты от воды | 1 на 3 года | |
| Головной убор сигнальный | 1 на год | |
| Перчатки комбинированные или Перчатки с полимерным покрытием | 12 пар на год | |
| Ботинки юфтевые на маслобензостойкой подошве или Сапоги юфтевые на маслобензостойкой подошве | l пара на год | |
| Каска защитная | 1 на 2 года | |
| Жилет сигнальный 2 класса защиты | 2 на год |
На основании приведенных Типовых норм специалист по охране труда составляет перечень рабочих мест, список работников для которых необходима выдача СИЗ.
-
Обеспечение смывающими и обезвреживающими средствами
В ходе трудового дня работники станции подвержены воздействию различных опасных, вредных факторов, которые могут навредить здоровью работника, вызывая различные повреждения и профессиональные заболевания. Большинство профессиональных заболеваний происходит из-за контакта кожи работника с различными загрязнениями в ходе выполнения работы. Эффективным способом уменьшения количества профессиональных заболеваний являются смывающие и обезвреживающие средства.
Обеспечение смывающими и обезвреживающими средствами происходит на основании «Перечня профессий и должностей и Списка работников, которые подлежат обеспечению смывающими и (или) обезвереживающими средствами». Перечень рабочих мест формируется согласно Норм и специальной оценки рабочих мест по условиям труда. [3]
Выбор вида защитных кремов, смывающих и дезинфицирующих средств зависит от особенностей и характеристик веществ, с которыми контактирует работник. Работники обеспечиваются только теми смывающими и дезинфицирующими средствами, которые прошли государственную гигиеническую регистрацию.
На станции существует постоянный месячный запас смывающих и обезвреживающих средств. Предусмотрены санитарно-бытовые помещения, оборудованные умывальниками, которые обеспечиваются смывающимися веществами и регулярно сменяющимися полотенцами.
-
Порядок выдачи средств индивидуальной защиты
Начальник станции организовывает надлежащий учет и контроль за выдачей работникам средств индивидуальной защиты в установленные сроки, следит за тем чтобы СИЗ соответствовали полу, росту, размерам работника, а также характеру и условиям выполняемой им работы.
Для обеспечения своевременной стирки и химчистки специальной одежды, работникам станции выдается по два комплекта специальной одежды на удвоенный срок носки.
Теплозащитная спецодежда и утепленная спецобувь (полупальто на меховой подкладке мужское, полушубки, теплозащитные куртки с меховой подстежкой, куртки, брюки на утепляющей прокладке, теплозащитные костюмы, валенки, шапки, шлемы зимние, подшлемники, рукавицы для защиты от пониженных температур), выдаются работникам равномерно в течение года по истечении срока носки. С наступлением теплого времени года СИЗ сдаются работниками на хранение до следующего сезона.
Время начала пользования теплозащитной спецодеждой и утепленной спецобувью устанавливает начальник станции с учетом климатических условий.
Сигнальные жилеты выдаются также работникам профессий, не перечисленных в Типовых отраслевых нормах, но выполняющих свои обязанности непосредственно в зоне железнодорожных путей на перегонах и станциях.
Дежурные СИЗ находятся в кладовой станции и выдаются работникам только на время выполнения тех работ, для которых они предусмотрены и закрепляются за определенными рабочими местами. Сроки носки дежурных СИЗ в каждом конкретном случае в зависимости от характера работы и условий труда устанавливает начальник станции по согласованию с профсоюзным комитетом.
-
Порядок пользования средствами индивидуальной защиты СИЗ
Начальник станции следит за тем чтобы работники станции действительно пользовались выданными им СИЗ и не допускает к работе рабочих без специальной одежды и обуви, а также в неотремонтированной, неисправной специальной одеждой, обувью или другими СИЗ. В ходе трудового процесса работодатель осуществляет контроль за правильным использованием СИЗ работниками и отстраняет работников, которые не применяют СИЗ.
.














