Пояснительная записка (1199803), страница 3
Текст из файла (страница 3)
Все вышеуказанные работы производятся при полном обеспечении безопасности движения поездов и личной техники безопасности работников вагонного участка.
2 Размеры движения пассажирских поездов по станции Северобайкальск
Организация работы пассажирской станции вагонного участка Северобайкальск по подготовке и экипировке вагонов в рейс, представляет собой систему взаимосвязанных операций, при которой осуществляется прием, обработка, экипировка, ремонт, формирование и своевременное отправление составов различных категорий пассажирских поездов. На территории Вагонного участка Северобайкальск обрабатываются пассажирские поезда: транзитные, своего формирования, оборотные и пригородные. Из них:
- своего формирования круглогодичные: скорый поезд 91/92 сообщением Москва – Северобайкальск (9 составов);
- своего формирования сезонного обращения: скорый поезд 229/230 сообщением Анапа – Северобайкальск, скорый поезд 273/274 сообщением Адлер – Северобайкальск;
- оборотные круглогодичные: скорый поезд 71/72 сообщением Улан-Удэ – Северобайкальск, пассажирский поезд 347/348 Красноярск – Северобайкальск;
- транзитные круглогодичные: скорый поезд 75/76 сообщением Москва – Нерюнгри, скорый поезд 97/98 сообщением Кисловодск – Тында;
- транзитные сезонного обращения: скорый поезд 235/236 сообщением Анапа – Тында;
- пригородные поезда: 6371/6372 сообщением Северобайкальск – Новый Уоян.
Поезда 8801/8802, 8803/8804 сообщением Северобайкальск – Киренга являются пригородными, но до станции Дабан следуют рабочим порядком, в обратном направлении следуют аналогично. Поезд 8805/8806 сообщением Северобайкальск – Новый Уоян является рабочим и предназначен для перевозки работников железнодорожного транспорта к месту работ и обратно.
Диаграмма пассажирских поездопотоков представлена на плакате 3.
В зависимости от характера, мощности следования пассажиропотока, категории поездов, норм их массы и длины устанавливается композиция пассажирского поезда. Пик пассажирских перевозок по станции Северобайкальск приходится на июль-август месяцы, поэтому летним расписанием предусмотрены дополнительные поезда. Композиции поездов представлены в таблицах 2.1 – 2.3.
Таблица 2.1
Поезда своего формирования
| Род вагона | Число мест | Поезд | |||||
| 91/92 | 229/230 | 273/274 | |||||
| Вагонов | Мест | Вагонов | Мест | Вагонов | Мест | ||
| Багажный (Б) | |||||||
| Почтовый (П) | |||||||
| Вагон-ресторан (ВР) | 1 | 1 | 1 | ||||
| Купейный (К) | 36 | 6 | 216 | 8 | 288 | 5 | 180 |
| Купейный с радио узлом (КР) | 20 | 1 | 20 | 1 | 20 | 1 | 20 |
| Плацкартный (ПЛ) | 54 | 5 | 270 | 7 | 378 | 6 | 324 |
| Общий (О) | 81 | ||||||
| Итого | 13 | 506 | 17 | 686 | 13 | 524 | |
Таблица 2.2
Поезда по обороту
| Род вагона | Число мест | Поезд | ||||
| 347/348 | 71/72 | |||||
| Вагонов | Мест | Вагонов | Мест | |||
| Багажный (Б) | 4 | 1 | ||||
| Почтовый (П) | 1 | |||||
| Вагон-ресторан (ВР) | 1 | 1 | ||||
| Купейный (К) | 36 | 5 | 180 | 6 | 216 | |
| Купейный с радио узлом (КР) | 20 | 1 | 20 | 1 | 20 | |
| Плацкартный (ПЛ) | 54 | 6 | 324 | 6 | 324 | |
| Общий (О) | 81 | 1 | 81 | |||
| Итого | 19 | 605 | 15 | 560 | ||
Таблица 2.3
Транзитные поезда
| Род вагона | Число мест | Поезд | ||||||
| 75/76 | 97/98 | 235/236 | ||||||
| Вагонов | Мест | Вагонов | Вагонов | Вагонов | Мест | |||
| Багажный (Б) | 4 | 5 | 5 | |||||
| Почтовый (П) | 1 | 1 | ||||||
| Вагон-ресторан (ВР) | 1 | 1 | 1 | 1 | ||||
| Купейный (К) | 36 | 7 | 252 | 8 | 8 | 6 | 216 | |
| Купейный с радио узлом (КР) | 20 | 1 | 20 | 1 | 1 | 1 | 20 | |
| Купейный с радио узлом и инвалидным купе (Кри) | 10 | 1 | 10 | |||||
| Плацкартный (ПЛ) | 54 | 7 | 378 | 6 | 6 | 5 | 270 | |
| Межобластной (МО) | 60 | 2 | 120 | |||||
| Итого | 23 | 770 | 21 | 21 | 15 | 516 | ||
Пунктом посадки и высадки указанных пассажирских поездов является железнодорожная станция Северобайкальск. Пассажирские поезда принимаются и отправляются с 1, 2, 3, 5 приемоотправочных путей согласно ТРА станции и в соответствии с действующим графиком движения поездов и ведомости занятия путей пассажирскими поездами. Схема станции Северобайкальск представлена на плакате Д 230504 205 152 17 01.
Анализ парка пассажирского подвижного состава показал, что происходит устаревание пассажирских вагонов. Обновление парка вагонов происходит очень медленно в связи с их высокой ценой. На Вагонном участке Северобайкальск существует дефицит в 5 купейных с радиоузлом, 11 купейных, 6 общих, 9 плацкартных вагонах. Анализ наличного парка подвижного состава представлен на рисунке 2.1.
Рисунок 2.1. Анализ наличного парка подвижного состава
Приобретение подвижного состава достаточно затратное мероприятие для Восточно-Сибирского филиала АО «ФПК». Однако, в настоящее время в условиях конкурентной борьбы за пассажира качественное предоставление услуг перевозки выходит на первый план. Поэтому обновление парка подвижного состава имеет важное значение в оказании качественной и безопасной услуги перевозки.
3 Технология обработки различных категорий поездов на железнодорожной станции и пассажирской технической станции
3.1 Технология обработки на железнодорожной станции Северобайкальск
Станция Северобайкальск является пунктом посадки и высадки пассажиров,
обработки, приписки и оборота пассажирских поездов и вагонов согласно утвержденного графика движения поездов. С пассажирскими поездами на станции выполняется следующие операции:
• отцепка и уборка поездного локомотива;
• высадка пассажиров;
• уборка мусора и шлака;
• технический осмотр вагонов;
• сдача использованного белья и получение чистого;
• снабжение вагонов топливом и водой.
Пассажирские поезда принимаются и отправляются с 1, 2, 3, 5 приемоотправочных путей согласно ТРА станции и в соответствии с действующим графиком движения поездов и ведомости занятия путей пассажирскими поездами.
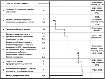
Осмотрщики вагонов встречают прибывающий поезд на специально оборудованных местах и осматривают прибывающие вагоны с ходу. Прибывающий поезд осматривается осмотрщиками вагонов с обеих сторон. Номера вагонов, у которых обнаружены неисправности, осмотрщики передают оператору ПТО и после остановки на пути приема и централизованного ограждения состава поезда, тщательно эти вагоны осматривают, а также проверяют визуально и на ощупь состояние и температуру нагрева буксовых узлов у всех вагонов. На все неисправности на вагонах наносится меловая разметка. Техническое обслуживание состава производится осмотрщиками – ремонтниками 4 человека (две группы). При увеличении количества вагонов в составе время обработки увеличивается с учётом одна минута на один вагон. Технология обработки пассажирских поездов на станции Северобайкальск представлена на рисунках 3.1 – 3.3.
Рисунок 3.1. Технологический график обработки транзитного пассажирского поезда
Рисунок 3.2. Технологический график обработки пассажирского поезда, маршрут которого заканчивается на станции
Рисунок 3.3. Технологический график обработки пассажирского поезда, маршрут которого начинается на станции















