Диплом_Щерба_05_06_17 (1199054), страница 10
Текст из файла (страница 10)
Вилы щебеночные 4 шт.
Рычажные приборы 6 шт.
Комплект сигнальных знаков 1 комп.
Электрошпалоподбойки предназначены для уплотнения балласта под шпалой при подъёмке и выправке пути, в тех случаях, когда невозможно или нецелесообразно использовать путевые машины.
Для работы электрошпалоподбойками необходимо электроснабжение. Питание электрошпалоподбоек электрической энергией производится от передвижных электростанций.
Во время работы на монтера пути воздействуют следующие основные опасные и вредные производственные факторы:
-
повышенная запыленность и загазованность воздуха рабочей зоны;
-
повышенное значение напряжения электрической цепи, замыкание которой может произойти через тело человека;
-
пониженная или повышенная температура поверхностей оборудования, инвентаря, инструмента и металлических частей верхнего строения пути;
-
пониженная или повышенная температура, влажность и подвижность воздуха рабочей зоны;
-
повышенные уровни шума и вибрации на рабочем месте и при работе с механизированным инструментом;
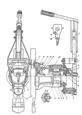
Рисунок 6.1. Схема электрошпалоподбойки ЭШП -6
1 – рукоятка; 2 – рама; 3- резино – металлический амортизатор; 4 – клеммная колодка; 5 – крышка; 6 – кабель; 7 – коробка; 8 и 19 – шарикоподшипники; 9 – ремень; 10 – статор; 11 - ротор; 12 – вал; 13 – корпус; 14 – защитный пояс; 15 – полотно; 16 – накладка; 17 – крышка стальная; 18 и 22 – болты; 20 – дебаланс; 21 – валик регулировочный; 23 - кабельная вилка; 24 – заземляющийся винт;
-
расположение рабочего места на значительной высоте относительно поверхности земли;
-
химические факторы при работах с новыми деревянными шпалами, пропитанными масляными антисептиками, и в зонах, обработанных пестицидами;
-
физические перегрузки при перемещении тяжестей вручную;
-
нервно-психические перегрузки при выполнении работ на железнодорожных путях, мостах и тоннелях во время движения поездов.
6.1.1.Меры по обеспечению безопасности
Работа выполняется без закрытия движения, с соответствующей записью в журнале ДУ-46, ограждается сигнальными знаками уменьшения скорости согласно инструкции № 2790 от 29.12.12г.[3], поездам выдается предупреждение об ограничении скорости движения до:
60 км/час – при подъемке до 20 мм, форма предупреждения №7;
до 40 км/час – при подъемке от 20 до 60 мм, форма предупреждения №3;
свыше 60 мм-форма заявки №1 «Остановиться у красного сигнала, а при его отсутствии следовать со скоростью не более 25 км/ч;
Рисунок 6.2
Препятствия на перегоне ограждаются с обеих сторон на расстоянии 50 м от границ ограждаемого участка переносными красными сигналами. От этих сигналов на расстоянии Б, в зависимости от руководящего спуска и максимально допускаемой скорости движения поездов на перегоне укладывается по три петарды и на расстоянии 200 м от первой, ближней к месту работ, петарды в направлении от места работ устанавливаются переносные сигналы уменьшения скорости. Схемы ограждения препятствий и мест производства работ на однопутном участке приведены на рисунок 6.2.
Переносные сигналы уменьшения скорости и петарды должны находиться под охраной сигналистов, стоящих с ручными красными сигналами в 20 м от первой петарды в сторону места работ. Переносные красные сигналы должны находиться под наблюдением руководителя работ.
При производстве работ развернутым фронтом (более 200 м) места работ ограждаются порядком, указанном на рисунке 6.3.
Рисунок 6.3.
Переносные красные сигналы, установленные на расстоянии 50 м от границ участка, требующего ограждения, должны находиться под охраной стоящих около них сигналистов с ручными красными сигналами.
Электрифицированный инструмент не должен иметь повреждений кабеля, штепсельной вилки, изоляционных деталей корпуса, рукоятки, крышек щеткодержателей и защитных кожухов.
Электростанция устанавливается на обочине земляного полотна на расстоянии не менее 2 м от крайнего рельса, металлический корпус электростанции заземляется при помощи заземлителя, забиваемого в землю на глубину не менее 1м.
Перед подключением электрошпалоподбойки к источнику электроэнергии необходимо дополнительно проверить надежность крепления всех болтовых соединений, в особенности гаек стяжных болтов корпусов двигателя, высоту расположения рукоятки.
При работе электрошпалоподбойками возникает шум, который, помимо неприятного и вредного действия на органы слуха и в целом на организм человека, заглушает звук приближающихся поездов, рассеивает внимание работающих и ослабляет восприятие ими сигналов, предупреждающих о подходе поезда.
Электрошпалоподбойки имеют индивидуальные выключатели; поэтому их кабели разрешается присоединить к распределительной коробке или розетке только при выключенном положении выключателей. При переходе от шпалы к шпале электрошпалоподбойки перетаскивают (а не переносят) в рабочем состоянии, а на большие расстояния – в выключенном состоянии. При пропуске поезда электрошпалоподбойки должны быть отключены.
Во время подбивки шпал нельзя сильно нажимать на рукоятку и наваливаться корпусом на элетрошпалоподбойку, так как при этом на монтера пути передается недопустимое вибрационное воздействие. Для уменьшения вибрационного воздействия желательно работать с виброгасящими прокладками.
При работе со электрошпалоподбойкой необходимо следить за температурой корпуса статора ее двигателя. В случае перегрева (когда длительное касание ладонью становится нетерпимым) электрошпалоподбойку следует отключить и дать охладиться статору двигателя.
Не допускается работа с ослабленными или поврежденными виброгасящими устройствами.
Включение электрошпалоподбоек в распределительную коробку должно быть таким, чтобы от вращения дебалансов они стремились перемещаться по направлению к рельсу.
Корпуса электрошпалоподбоек должны иметь двойную изоляцию или защитно-отключающие устройства, предотвращающие поражение людей электрическим током, в противном случае электрошпалоподбойки должны при работе заземляться в соответствии с правилами пользования ими.
При необходимости укладки кабеля через путь, его пропускают между шпал под рельсы.
Во время перехода бригады на новое место подбивки, а также при пропуске поездов, электрошпалоподбойки отключаются от электростанции.
При следовании из одного района станции в другой, железнодорожные пути переходить под прямым углом, предварительно убедившись в том, что на пересекаемых путях нет приближающегося состава. Особую осторожность проявлять при выходе из помещений, из-за составов, из-за зданий, сооружений, ухудшающих видимость соседних с ними путей.
Запрещено переходить или перебегать путь перед приближающимся или сразу же вслед за прошедшим составом, не убедившись, что по соседнему пути не движется встречный поезд. Переходить железнодорожный путь, занятый вагонами, следует через тормозные площадки, предварительно убедившись в исправности подножек, поручней. Перед тем как сойти с тормозной площадки убедиться в отсутствии приближающегося подвижного состава на соседнем пути.
Запрещается пролазить под вагонами. Обходить стоящие железнодорожные составы, подвижные единицы, вагоны на расстоянии не ближе 5 метров, переходить между расцепленными вагонами (составами), если расстояние между ними не менее 10 метров. Запрещено наступать на рельсы, переходить железнодорожные пути через стрелочные переводы.
Для пропуска поезда заблаговременно не менее чем за 500 метров сойти с пути на расстояние не менее 2,5 метров от крайнего рельса или на широкое междупутье на станции. Стоять полуоборотом к поезду, следить за состоянием проходящего подвижного состава.
6.1.2 Производственная санитария (защита от вредных факторов). Спецодежда
Монтер пути обеспечивается следующими сертифицированными специальной одеждой, специальной обувью и другими средствами индивидуальной защиты) [3]: летним костюмом "Путеец-Л"; ботинками юфтевыми на маслобензостойкой подошве или сапогами юфтевыми на маслобензостойкой подошве; курткой из плащ-палатки; комплектом мужским для защиты от воды работников сортировочных станций; рукавицами комбинированными; жилетом сигнальным со световозвращающими накладками; летним головным убором сигнального цвета. При работе с электроинструментом: перчатками диэлектрическими (дежурными).
При применении средств индивидуальной защиты работники должны внешним осмотром убедиться в их целости. Очки защитные, каска защитная, рукавицы, респираторы, предохранительный пояс не должны иметь механических повреждений. Перчатки диэлектрические не должны иметь загрязнения, увлажнения и механических повреждений (в том числе проколов, выявляемых путем скручивания перчаток в сторону пальцев).
6.1.3.Оценки тяжести трудового процесса при выправке пути
Тяжесть труда – характеристика трудового процесса, отражающая преимущественную нагрузку на опорно-двигательный аппарат и функциональные системы организма (сердечно-сосудистую, дыхательную и др.), обеспечивающие его деятельность.
Оценка условий труда к классу (подклассу) условий труда по тяжести трудового процесса осуществляется по следующим показателям:
1) физическая динамическая нагрузка;
2) масса поднимаемого и перемещаемого груза вручную;
3) стереотипные рабочие движения;
4) статическая нагрузка;
5) рабочая поза;
6) наклоны корпуса;
7) перемещение в пространстве.
1)Динамическая работа – это процесс периодического сокращения и расслабления скелетных мышц, приводящий к перемещению груза, а так же тела человека или его частей в пространстве.
Исходные данные: - рабочий (пол) – мужчина; - масса ЭШП-9 (р) – 18,5кг; - путь перемещения ЭШП-9 при переходе на новый участок (l) – 100м, при пропуске поездов – 2,5м; - общее количество шпал за смену (n) – 23 шт; - количество циклов перемещения (для пропуска поездов) (х) – 2.
Порядок расчета: Суммарное расстояние перемещение груза за смену определяется из учета - L=х∙l∙n = 2,5*2*15+100*23=2375 м.
Внешняя механическая работа, затраченная на весь путь перемещения рабочим деталей определяется А= р ∙L =18,5∙2375= 43937,5 кг∙м
2) Масса поднимаемого и перемещаемого груза вручную . Переносимым грузом может быть не только деталь или изделие, но и любой предмет труда, в том числе рабочий инструмент.
Исходные данные: - рабочий (пол) – мужчина; - продолжительность смены – 6 часов; - подъем и перемещение (разовое) тяжести- постоянно в течение рабочей смены – 18,5кг.
Для определения суммарной массы груза, перемещаемого в течение каждого часа смены, вес всех грузов за смену суммируется. Независимо от фактической длительности смены, суммарную массу груза за смену делят на 8, исходя из 8-часовой рабочей смены.
Исходные данные: - рабочий (пол) – мужчина; - масса груза (р) – 18,5 кг; - общее количество шпальных ящиков обрабатываемых за смену (сменное задание) (n) – 23шт; - количество пропускаемых поездов за смену – 15 шт.; количество переходов на следующий участок (х)– 4.
Порядок расчета: Количество поднимания ЭШП-6, при погрузке/выгрузке – 4 раза, при пропускании поездов – 15*2=30 раз, при обработке шпальных ящиков – 23 раза, при переходе на следующий участок – 4*2=8 раз, за смену.
За 1 час рабочей смены N=18,5*(4+30+23+8)/8=65/8=150 кг/час
Суммарная масса грузов, перемещаемых в течение каждого часа смены составляет: Р=N∙p∙=8,1*18,5=150,3 кг/час.
3) Стереотипность рабочих движений создается при навязанном характере технологических операций, совершаемых в быстром темпе.
Исходные данные: - количество движений в минуту (b) – 15; - тип амплитуды нагрузки – региональная; - продолжительность выполнения работы за смену (t) – 360 мин.















