Пояснительная записка (1198778), страница 5
Текст из файла (страница 5)
Результат расчета напряжений в элементах верхнего строения пути
| Скорость движения, V, м/с | Напряжения, Мпа | |||
| в подошве рельса по оси, σо | в кромке подошвы рельса, σк | в подрельсовой прокладке, σш | в балластном слое, σб | |
| Вагон с нагрузкой 27 тонн на ось | ||||
| Кривая, лето | ||||
| 5,56 | 61,22 | 114,48 | 2,12 | 0,19 |
| 11,11 | 63,98 | 119,64 | 2,21 | 0,20 |
| 16,67 | 68,01 | 127,17 | 2,34 | 0,21 |
| 22,22 | 73,19 | 136,86 | 2,52 | 0,23 |
| 27,78 | 79,54 | 148,75 | 2,73 | 0,24 |
| 30,56 | 83,18 | 155,51 | 2,85 | 0,26 |
| Кривая, зима | ||||
| 5,56 | 59,14 | 121,24 | 1,86 | 0,17 |
| 11,11 | 62,17 | 127,45 | 1,95 | 0,17 |
| 16,67 | 65,87 | 135,03 | 2,07 | 0,19 |
| 22,22 | 70,11 | 143,72 | 2,21 | 0,20 |
| 27,78 | 74,88 | 153,51 | 2,36 | 0,21 |
| 30,56 | 77,48 | 158,84 | 2,44 | 0,22 |
Из таблицы 2.6 видно, что при проходе подвижного состава с максимальной осевой нагрузкой 27 тонн, в подрельсовой прокладке возникают напряжения, превышающие допускаемые в 1,7 и больше раз, а это значит, что текущей мощности пути недостаточно для пропуска таких нагрузок.
2.2 Расчет коэффициента устойчивости пути против вкатывания гребня колеса на рельс
Расчет выполнен по методике, представленной в [2].
При проходе подвижного состава, колесо своим гребнем не должно накатываться на рельс. В противном случае, оно должно опуститься вниз по плоскости С-с рисунок 2.3.
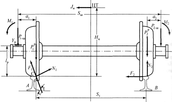
Расчетная схема к определению коэффициента устойчивости пути против вкатывания гребня колеса на рельс представлена на рисунке 2.3.
Рисунок 2.3 Расчетная схема определения устойчивости колеса на рельсе:
Р1-ш и Р2-ш – нагрузка от кузова на шейки оси колесной пары;
и
–
нагрузка от колес на рельсы; М1 и М2, – моменты, действующие на шейки оси; а1 и а2 – расчетные консоли шеек оси; Yр – рамная сила; lр – расстояние от головки рельса до приложения рамной силы; Jн – центробежная сила; Нц – расстояние от головки рельса до места приложения центробежной силы; F1 и F2 – силы трения гребня и поверхности катания колес по рельсам; N1 и N2– реакции рельсов; S1 – расстояние между точками контакта колес с рельсами; Sш – расстояние между точками приложения сил к шейкам оси
Коэффициент устойчивости колеса на рельсе определяется по формуле:
. (2.16)
Рассматривается условие предельного равновесия колесной пары, когда левое колесо на рельсе А приподнялось и опирается на рабочую грань головки рельса своим гребнем в точке О - рисунок 2.3. Внешними, действующими на рельсы силами и моментами, будут:
- полная динамическая вертикальная нагрузка от левого колеса на рельс А в точке О, определяющаяся по формуле кН:
, (2.17)
- полная динамическая вертикальная нагрузка от правого колеса на рельс по кругу катания колеса, определяющаяся по формуле, кН:
, (2.18)
- моменты М1 и М2, действующие на шейки оси и определяющиеся по формуле, кНм:
, (2.19)
, (2.20)
- динамическая рамная сила max Yр, определяется по рисунку 2.4, в зависимости от величины непогашенного ускорения анп.
Рисунок 2.4 Зависимость величин боковых Yб и рамных Yр сил
от поперечных непогашенных ускорений анп при разных тормозных силах Nт для грузового вагона, нагрузка 250 кН/ось, 1-я ось 1-й тележки
Расстояние от точки приложения динамической рамной силы до точки контакта левого колеса с рельсом А определяется по формуле, кН:
, (2.21)
Сила трения гребня колеса по рабочей грани головки рельса А определяется по формуле, кН:
, (2.22)
где fр – коэффициент трения скольжения гребня колеса по рельсу А, принимается равным (fр = 0,25).
Нормальная к плоскости С-с реакция рельса А, определяется по формуле, кН:
. (2.23)
Сила трения бандажа колеса по поверхности катания головки рельса В определяется по формуле, кН:
, (2.24)
Реакция рельса В, определяется по формуле, кН:
. (2.25)
Расчетные нагрузки на шейки колесной пары в кривой определяются по формулам, кН:
, (2.26)
, (2.27)
где Рст – статическая нагрузка от колеса на рельс (для груженого вагона Рст = 125 кН); qк – необрессоренный вес, приходящийся на одно колесо (qк = 9,95 кН); kд – коэффициент динамики.
Дополнительная догрузка одного колеса и разгрузка другого под действием центробежной силы определяется по формуле, кН:
, (2.28)
где Qкуз – масса кузова с грузом, т; Нц – расстояние от головки рельса до места приложения центробежной силы (Нц = 2 м); lр – расстояние от головки рельса до приложения рамной силы (для грузового вагона lр = 0,55 м);
g – ускорение свободного падения (g = 9,81 м/с2); n – число осей экипажа (для грузового вагона n = 2); Sш – расстояние между точками приложения сил к шейкам оси (для грузового вагона Sш = 2,036 м).
Величина непогашенного ускорения при движении вагона в кривой определяется по формуле, м/с2:
, (2.29)
где V – скорость движения грузового поезда, м/с; R – радиус кривой, м;
g – ускорение свободного падения (g = 9,81 м/с2); h – возвышение наружного рельса в кривой, м; S – ширина колеи по осям рельсов (S = 1,600 м).
Коэффициент динамики определяется по формуле:
, (2.30)
где V – скорость движения поезда, м/с; fст – статический прогиб, м.
При расчетах принимается угол между горизонталью и касательной рабочей грани головки рельса в точке О касания гребня колеса с рельсом упорной нити для вагонов равным 60°. У четырехосного грузового вагона lр = 0,55 м, a1 = 0,264 м, а2 = 0,168 м, fр = 0,25.
Гарантированная устойчивость обеспечивается при коэффициенте равном:
k = 1,3 – для грузовых вагонов;
Расчет выполнен в электронных таблицах MS Excel и представлен в таблицах 2.8, 2.9. Исходные данные для расчета представлены в таблице 2.7.
Таблица 2.7
Исходные данные для расчета устойчивости пути против вкатывания гребня колеса
| Характеристика | Обозначение | Ед. изм. | Значение для вагона | |
| 1. Скорость движения | V1 | м/с | 5,56 | |
| V2 | 11,11 | |||
| V3 | 16,67 | |||
| V4 | 22,22 | |||
| V5 | 27,78 | |||
| V6 | 30,56 | |||
| 2. Радиус кривой | R | м | 199 | |
| 3. Статический прогиб | fст | м | 0,055 | |
| 4. Масса кузова груженного вагона | Qкуз | т | 100 | |
| 5. Коэффициент динамики в зависимости от скорости движения | 5,56 | kд | 0,173 | |
| 11,11 | 0,245 | |||
| 16,67 | 0,318 | |||
| 22,22 | 0,391 | |||
| 27,78 | 0,464 | |||
| 30,56 | 0,500 | |||
Таблица 2.8
Расчетные параметры для определения коэффициента устойчивости
| Скорость движения V, м/с | Величина непогашенного ускорения при движении вагона в кривой αнп, м/с2 | Дополнительная догрузка одного колеса и разгрузка другого под действием центробежной силы определяется по формуле ∆Pц, кН | Расчетные нагрузки на шейки колесной пары в кривой определяются по формулам Pi-ш, кН | Полные динамические нагрузки | Моменты, действующие на шейке рельса Mi, кНм | |||
| P1-ш | P2-ш |
|
| M1 | M2 | |||
| 5,56 | -0,46 | -17,2 | 97,8 | 152,1 | 107,8 | 163,8 | 25,8 | 25,6 |
| 11,11 | 0,01 | 0,3 | 105,3 | 130,6 | 115,3 | 143,0 | 27,8 | 22,0 |
| 16,67 | 0,78 | 29,4 | 134,4 | 109,0 | 144,4 | 122,2 | 35,5 | 18,3 |
| 22,22 | 1,87 | 70,2 | 175,2 | 76,0 | 185,2 | 89,8 | 46,3 | 12,8 |
| 27,78 | 3,26 | 122,6 | 227,6 | 31,2 | 237,6 | 45,7 | 60,1 | 5,2 |
| 30,56 | 4,08 | 153,2 | 258,2 | 4,4 | 268,2 | 19,3 | 68,2 | 0,7 |
Таблица 2.9
Расчет сил и реакций для определения коэффициента устойчивости
| Скорость движения V, м/с | Рамная сила Yр-i возникающая при тормозных усилиях в 0, 700, 1000 кН | Реакция рельса В N2-i, кН | Сила трения бандажа колеса по поверхности катания головки рельса В F2-i, кН | |||||||
| Yр-1 | Yр-2 | Yр-3 | N2-1 | N2-2 | N2-3 | F2-1 | F2-2 | F2-3 | ||
| 5,56 | 28,0 | 47,0 | 63,0 | 153,7 | 147,1 | 141,5 | 38,4 | 36,8 | 35,4 | |
| 11,11 | 35,0 | 60,0 | 76,5 | 126,9 | 118,1 | 112,3 | 31,7 | 29,5 | 28,1 | |
| 16,67 | 58,0 | 83,0 | 95,0 | 90,8 | 82,0 | 77,8 | 22,7 | 20,5 | 19,4 | |
| 22,22 | 118 | 121 | 101 | 26,9 | 25,8 | 32,9 | 6,7 | 6,5 | 8,2 | |
| 27,78 | 143 | 176 | 181 | -39,5 | -51,3 | -52,8 | -9,9 | -12,8 | -13,2 | |
| 30,56 | 154 | 212 | 240 | -78,0 | -98,4 | -108,1 | -19,5 | -24,6 | -27,0 | |
Таблица 2.10
. (2.16)
, (2.17)
, (2.18)
, (2.19)
, (2.20)
, (2.21)
, (2.22)
. (2.23)
, (2.24)
. (2.25)
, (2.26)
, (2.27)
, (2.28)
, (2.29)
, (2.30)
, кН














