Пояснительная Записка Бочков В В 256 (1198651), страница 4
Текст из файла (страница 4)
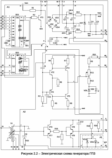
2.6.1 Путевой генератор ГП3
Генератор ГП3 формирует амплитудно-модулированных манипулированных сигнал. Его принципиальная схема представлена на рисунке 2.2. Генератор ГП3 содержит следующие элементы: выпрямитель – выполненный в качестве диодного моста на диодах VD1–VD4 вместе со сглаживающими конденсаторами С2, С3 и параметрический стабилизатор напряжения выполненный на стабилитроне VD7 с балластными резисторами R13, R14 и конденсаторами С4, С5 с целью исключения паразитных связей по цепям питания. Выпрямитель создает двухполупериодное выпрямление и получение двух двуполярных напряжений: нестабилизированного ± 20 В напряжения для питания схем, собранных на транзисторах; стабилизированного ± 9 В предназначенного для питания микросхем. Питание ГП3 осуществляется от источника однофазного переменного тока частотой 50 Гц напряжением 35 В от выводов 41 и 43 и допустимыми изменениями его от 31,5÷36,8 В. Ток, потребляемый путевым генератором, должен быть не менее 1,1 А.
Кроме выпрямителя электрическая схема генератора содержит следующие функциональные узлы:
-
генератор несущих частот;
-
генератор модулирующих частот и манипулятор;
-
предварительный усилитель;
-
регулятор выходного напряжения;
-
выходной усилитель.
Конструктивно генератор ГП3 имеет две разновидности – ГП3-8,9,11 и ГП3-11,14,15, номера которых соответствуют на формируемые ими fн и трансформаторами ТV. Все элементы электрических схем генераторов располагаются на двух печатных платах А1 и А2. Генераторы размещают на стативах релейных шкафов или на постах ЭЦ в штепсельные разъемы для включения реле НШ.
Генератор несущей частоты собран на микросхеме ГНЧ DD1. Данная микросхема содержит генератор, который вырабатывает непрерывный сигнал прямоугольной формы частотой 1 МГц с кварцевой стабилизацией (кварц GB), а также управляемые делители частоты. Для того чтобы делители частоты сформировали нужный сигнал несущей частоты на выходе Fн необходимо установить перемычку в соответствии инструкцией положение между входами D3–D10 и минусом источника питания Un1.
Предварительный усилитель мощности, выполненный на транзисторах (VТ2–VТ5), представляет собой двухкаскадный усилитель с ключевым режимом работы транзисторов. Как известно, в ключевом режиме (режим насыщения) транзисторы находятся в двух состояниях: полностью открыты, и падение напряжения на них близко к нулю, или закрыты, и тогда ток, протекающий через них, близок к нулю.
При проектировании рельсовых цепей необходимо руководствоваться требованиям которые содержатся в таблице 2.2. В зависимости от несущей и модулирующей частоты на которую настроен генератор необходимо установить перемычки.
Таблица 2.2 – Настроечная таблица путевого генератора (ГП3)
| Тип ГП3 | Несущая/ модулирующая частота, Гц | Перемычки | ||||
| генератора несущей частоты | генератора модулирующей частоты | настройки в резонанс | подключения выходного каскада | |||
| ГП3/8,9,11 | 420 | 8 | 12‑23 | 62‑42 | 81‑73 | 83‑72 3‑4 51‑61 |
| 12 | 62‑33 | |||||
| 480 | 8 | 12‑21 | 62‑42 | 81‑63 | ||
| 12 | 62‑33 | |||||
| 580 | 8 | 12‑22 | 62‑42 | 81‑82 | ||
| 12 | 62‑33 | |||||
| ГП3/11,14,15 | 580 | 8 | 12‑22 | 62‑42 | 81‑73 | |
| 12 | 62‑33 | |||||
| 720 | 8 | 12‑13 | 62‑42 | 81‑63 | ||
| 12 | 62‑33 | |||||
| 780 | 8 | 12‑11 | 62‑42 | 81‑82 | ||
| 12 | 62‑33 | |||||
Генератор модулирующих частот и манипулятор выполнены на микросхеме МН DD2. Микросхема содержит манипулятор, который осуществляет амплитудную манипуляцию сигнала на выходах Q и Q` и управляемые делители частоты, которые в зависимости от положения перемычки между входами Fм8 или Fм12 и источником питания Un1 вырабатывают один из сигналов частоты модуляции Fм со скважностью, равной двум. Частота 8 Гц образуется при установке внешней перемычки в положение между выводами 64 и 42, а частота 12 Гц – при перемычке между выводами 62 и 33.
На передней панели блока ГП3 имеются отверстия, из которых наружу выведены ручка резистора R11 и два светодиода. Положение ручки резистора R11 чтобы избежать самопроизвольного поворота фиксируется стопорным устройством.
Ровное свечение светодиода VD11 обозначает на наличие питания на выходном каскаде. Мигающее (с частотой модуляции) свечение светодиода VD6 говорит о наличии на выходе предварительного усилителя амплитудно-манипулированного сигнала. Непрерывное свечение соответствует наличию непрерывного сигнала несущей частоты, а отсутствие свечения сигнализирует о неисправности или отсутствии электропитания.
2.6.2 Фильтр питающего конца ФПМ
Путевой фильтр ФПМ предназначен для обеспечения требуемого обратного входного сопротивления питающего конца РЦ; защиты выходных цепей ГПЗ от мешающего воздействия токов локомотивной сигнализации, тягового тока и атмосферных перенапряжений, поступающих от рельсовой линии. Кроме того, важнейшей функцией ФПМ является обеспечение требуемого обратного входного сопротивления питающего конца РЦ в соответствии с условиям работы рельсовых цепей в шунтовом и контрольном режимах. Также он служит для гальванической развязки выходных цепей генератора от кабеля и получения на нем требуемых напряжений при относительно небольших выходных напряжениях ГПЗ. Путевые фильтры выпускаются двух типов – ФПМ-8, 9, 11 которые настроены на частоты 420, 480, 580 Гц и ФПМ-11, 14, 15 настроенные на частоты 580, 720, 780 Гц.
Фильтр ФПМ на рисунке 2.3 содержит трансформатор TV собранный в качестве индуктивности и конденсаторы С1–С8. Входной сигнал от генератора ГПЗ поступает на входные выводы фильтра 11 и 71. Фильтр представляет из себя последовательный контур настраиваемый на требуемую частоту в резонанс напряжений при помощи установки перемычек между выводами трансформатора TV (41, 42, 43) и выводами конденсаторов (23, 22, 21, 83, 82, 81, 73, 72).
При настройке фильтра одновременное изменение индуктивности и емкости позволяет иметь примерно одинаковые входные сопротивления на различных частотах. Это оказывает хорошее воздействие на режим работы генератора ГПЗ.
В фильтре типа ФПМ-8, 9, 11 частотой 420 Гц используется вся индуктивность трансформатора вывод 43 блока. На частотах 480 и 580 Гц она уменьшается пропорционально частоте соответственно на выводах 42 и 41. В фильтрах ФПМ-11,14,15 выводы 43, 42 и 41 используются соответственно для настройки на частоты 580, 720 и 780 Гц.
В таблице 2.3 показаны ориентировочные, полученные расчетным путем положения перемычек для настройки фильтров ФПМ в зависимости от значений несущих частот.
Таблица 2.3 – Настроечная таблица фильтра путевого (ФПМ)
| Тип | Несущая частота, Гц | Конденсаторы | Общая емкость, мкФ | Выводы обмоток TV | Перемычки |
| ФПМ 8,9,11 | 420 | С5, С6, С7,С8 | 4,85 | 1‑4 | 43-23-22-21-83 |
| 480 | С6, С7, С8 | 4,38 | 1‑3 | 42-23-22-21-81 | |
| 580 | С2, С3, С7,С8 | 4,07 | 1‑2 | 41-23-22-73-81 | |
| ФПМ 11,14,15 | 580 | С2, С3, С7,С8 | 4,07 | 1‑4 | 43-23-22-73-81 |
| 720 | С4, С5, С6,С8 | 3,68 | 1‑3 | 42-23-21-82-83 | |
| 780 | С3, С5, С6,С8 | 3,57 | 1‑2 | 41-23-21-81-83 |
С учетом фактических значений емкости конденсаторов, индуктивности трансформатора и влияния емкости кабеля, который подключается к выходу фильтра, он окончательно настраивается при регулировке РЦ. Регулировка фильтра ФПМ производится путем изменения емкости конденсатора при одновременном контроле равенства напряжений на индуктивности выводами 23 и 11 и конденсаторе выводы 23 и 71. Для этого добавляют или снимают отдельные перемычки, идущие от конденсаторов С1–С8. При этом вывод 23 всегда соединен с одним из выводов 41, 42, 43 трансформатора TV. Например, при напряжении на входе фильтра ФПМ от 3 до 4 В и настройке его на резонансную частоту напряжение на индуктивности или емкости фильтра ФПМ-8,9,11 должно быть не менее 35 В.
Фильтры имеют три выхода, которые отличаются различным выходным сопротивлением выводы 61 и 12, 62 и 12, 63 и 12. Эти выводы используют в зависимости от условий применения РЦ.
На участках с низким сопротивлением балласта при относительно небольших длинах РЦ используют при электротяге выход I (выводы 63 и 12) а при автономной тяге выход II (выводы 62 и 12). Выход III (выводы 61 и 12) используют при централизованном размещении аппаратуры на прилегающих к перегону станциях.
2.6.3 Путевой приемник ПП3
Путевой приемник ПП показанный на рисунке 2.4 обеспечивает прием амплитудно-модулированных сигналов и возбуждение путевого реле при свободном состоянии РЦ и напряжении сигнала на его входе выше определенного порогового значения.
Путевой приемник типа ПП предназначен для эксплуатации в составе вместе с аппаратурой контроля рельсовых цепей с частотами в диапазоне от 420 до 780 Гц при любом виде тяги поездов. Приемники устанавливаются в разъем для включения реле ДСШ на рамах релейных стативов и шкафов.
Приемник ПП содержит следующие микроузлы:
-
входной фильтр;
-
демодулятор;
-
амплитудный ограничитель;
-
усилитель тока (первый буферный каскад);
-
первый низкочастотный фильтр модулирующей частоты;
-
второй буферный каскад;
-
пороговое устройство;
-
выходной усилитель;
-
второй низкочастотный фильтр с выпрямителем;
-
устройство индикации;
-
вторичный источник электропитания.
Входной фильтр служит для выделения несущей и боковых частот амплитудно-манипулированных сигналов, а также для подавления частот соседних каналов, сигналов АЛС и гармоник тягового тока. Он состоит из двух пар связанных контуров и следующих элементов: TV1, C1, TV2, C2 и TV3, C3, TV4, C4. Демодулятор собран по схеме усилителя с общим эмиттером на транзисторе VT2. Амплитудный ограничитель выполнен на транзисторе VT3 и представляет собой усилитель, включенный по схеме с общим эмиттером. Он служит для ограничения амплитуды низкочастотного сигнала и защищает тем самым от перегрузки последующие каскады. Усилитель тока собран по схеме с общим коллектором и служит для усиления низкочастотного сигнала по току. Низкочастотный промежуточный фильтр представляет собой последовательный резонансный LC-контур, настроенный на собственную частоту модуляции. Он содержит конденсаторы С7, С8 и индуктивность трансформатора TV5. Пороговое устройство представляет собой симметричный триггер с высоким коэффициентом возврата на транзисторах VT7 и VT8.
Общая мощность, потребляемая путевым приемником от сети питания частотой 50 Гц, не превышает 5,0 В×А.
В зависимости от выбора значений несущей и модулирующей частот приемники ПП имеют десять типов. В табл. 2.4 приведены типы путевых приемников ПП, п также значения номинальных частот, затухания входных фильтров на частотах соседних каналов и выходные выводы для подключения основных реле типа АНШ2-1230.















