ВКР Кубашев (1197965), страница 5
Текст из файла (страница 5)
Рисунок 3.3 Тушение пожара фонтана на нефтяной платформе
Источниками воспламенения такой горючей смеси могут быть:
-
неисправное палубное освещение;
-
открытое пламя;
-
искры любого происхождения;
-
горючие газы;
-
горючие части оборудования.
Данный пожар может развиваться по различным сценариям, и достаточное количество различных факторов может повлиять на распространение огня. В связи с указанным для оценки риска при пожаре следует использовать логические схемы развития аварии, базируясь на построении деревьев событий. При построении логической схемы в первую очередь следует учитывать:
-
степень опасности сооружения;
-
химический состав потенциально возгораемого вещества (нефть/газоконденсат);
-
внешние условия района эксплуатации (в первую очередь, ветровые);
-
реальные возможности по заглушению скважины;
-
наличие вблизи платформы других сооружений (в первую очередь, постоянно обитаемых);
-
возможность последующего взрыва;
-
техническое состояние корпуса ПБУ;
-
эффективность работы противопожарной защиты.
Меры защиты, необходимые для того, чтобы не допустить возникновение ЧС:
-
регулярный техосмотр палубного освещения платформы;
-
регулярный техосмотр электрооборудования платформы;
-
обеспечение платформы штатными и дополнительными средствами пожаротушения;
-
системы автоматического оповещения о выбросе;
-
обязательное проведение инструктажей с рабочим персоналом.
3.4 Оценка риска аварии при сейсмическом воздействии на платформу
Одной из причин аварийной ситуации на ПБУ может послужить повышенная сейсмическая активность (землетрясение интенсивностью 9 баллов и выше).
Землетрясения представляют собой подземные толчки и колебания земной поверхности. Наиболее опасные из них возникают из-за тектонических смещений и разрывов в земной коре или верхней части мантии Земли. Колебания от них в виде упругих сейсмических волн передаются на огромные расстояния, а вблизи от очагов землетрясений они становятся причиной разрушения конструкций и сооружений и гибели людей.
Хотя источник естественных землетрясений занимает некоторый объём горных пород, его часто определяют как точку, из которой расходятся сейсмические волны (рисунок 3.4). Эту точку называют фокусом землетрясений или гипоцентром (от греческого слова hypo – "глубоко, внизу"). Место на земной поверхности над очагом землетрясений по кратчайшему по расстоянию называют эпицентром. Фокусы землетрясений могут находиться на разной глубине. Наибольшие разрушения приносят мелкофокусные толчки, очаги которых располагаются непосредственно под земной поверхностью [11].
Рисунок 3.4 P- и S-сейсмоволны
Для регистрации землетрясения используют сейсмографы – инструменты, сконструированные таким образом, чтобы записывать колебания своих оснований, установленных на земной поверхности или в шахте. На сейсмографе записывается сейсмограмма, т. е. линия, повторяющая колебания земной поверхности в любом выбранном направлении. Всякое изменение частоты или амплитуды колебания на сейсмограмме называется фазой. Главные фазы называют P-, S- и L- фазами. Было установлено, что они фиксируют воздействие соответственно продольных, поперечных и поверхностных волн. Сейсмографы строятся лишь таким образом, чтобы регистрировать достаточно ограниченные диапазоны частот или только интенсивные колебания.
Интенсивность землетрясений – это мера величины сотрясения грунта; она определяется степенью разрушения конструкций и сооружений, характером изменений земной поверхности и данными об ощущениях, испытанных людьми. Интенсивность землетрясений измеряется в баллах. В нашей стране и ряде европейских стран для оценки интенсивности подземных толчков используется 12-балльная международная шкала MSK-64. Условно землетрясения подразделяются на слабые (1-4 балла), сильные (5-7 баллов), сильнейшие (8 и более баллов) [11].
Основные угрозы для платформы при сейсмическом воздействии:
-
повреждение либо разрушение конструкций и сооружений;
-
потеря устойчивости платформой;
-
разрушение грунта.
Эти угрозы могут в конечном счете привести к аварии, сопровождающейся потерей платформой работоспособности, утечкой нефтепродуктов, пожарами, взрывами, гибелью людей.
Меры защиты, необходимые для того, чтобы не допустить возникновение ЧС:
-
сейсмостойкое проектирование платформы;
-
разработка дополнительных систем сейсмозащиты;
-
разработка четкого плана действий персонала при землетрясении.
На основе этих данных мы можем построить дерево событий для конкретной аварийной ситуации.
3.5 Деревья событий по вышеописанным аварийным ситуациям
По вышеописанным аварийным ситуациям были построены следующие деревья событий:
-
дерево событий при столкновении танкера с платформой (рисунок 3.5);
-
дерево событий при падении вертолета на платформу (рисунок 3.6);
-
дерево событий при возникновении пожара фонтана на платформе (рисунок 3.7);
-
дерево событий при сейсмическом воздействии на платформу (рисунок 3.8).
При построении деревьев событий был использован оценочный метод для определения вероятностей отказа. Надежность всех технических систем деревьев событий принята исходя из технической документации [6].
Дерево событий строится по следующему принципу:
-
сначала выбирается начальное событие, которое может привести к аварийной ситуации, определяется его вероятность;
-
задается ряд вопросов о возникновении или невозникновении одного из нескольких дополнительных событий, где «Да» - положительный исход, а «Нет» - отрицательный;
-
вероятности положительных исходов перемножаются, образуя вероятность невозникновения аварии, после чего определяется риск возникновения аварии так, чтобы их проверочная сумма была равна единице.
Дерево событий позволяет оценивать риск возникновения той или иной аварийной ситуации, рассматривая множество различных факторов и событий, которые могут к ней привести и на его основе совершенствовать защиту от ЧС на предприятии.
Данный метод позволяет качественно оценивать влияние каждого отдельного события на общую картину риска и поэтому весьма полезен при анализе новых технологий и модернизаций объекта, которые еще не прошли апробации на практике.
Рисунок 3.5 Дерево событий при столкновении танкера с платформой (а – исправны ли механизмы и соблюден ли скоростной режим судна?; б – исправен ли руль танкера?; в – исправно ли подруливающее устройство?; г – благоприятна ли демпфирующая ледовая обстановка)
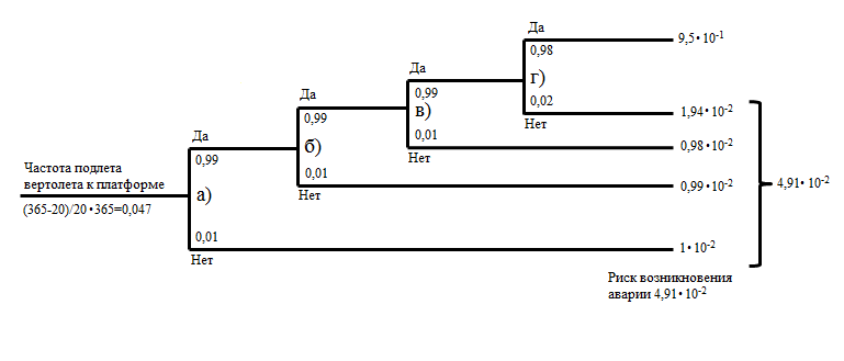
Рисунок 3.6 Дерево событий при падении вертолета (а – исправно ли бортовое оборудование?; б – исправен ли винт вертолета?; в – не будет ли нехватки топлива во время посадки/взлета ввиду утечки?; г – будут ли соблюдены нормы загруженности вертолета?)
Рисунок 3.7 Дерево событий при пожаре фонтана (а – будут ли эффективны меры к недопущению возгорания фонтана?; б - будут ли задействованы штатные системы пожаротушения?; в - будет ли эффективна работа штатных систем пожаротушения?; г - потребуется ли привлечение дополнительных систем пожаротушения?; д - позволит ли ледовая обстановка и волнение моря привлечь дополнительные средства пожаротушения?; е - будут ли погодные условия благоприятны для тушения пожара?; ж - Не повлечет ли за собой пожар существенных повреждений платформы?)
Рисунок 3.8 Дерево событий при землетрясении (а - будет ли продолжительность землетрясения в расчетных пределах?; б - останутся ли свойства грунта в допустимых пределах?; в - не произойдет ли сдвиг установки (угол поворота) на величину, большую, чем расчетная?; г - не будет ли нарушения целостности конструкции больше, чем расчетные?; д - не произойдет ли аварии, сопровождающейся утечкой нефтепродуктов, взрывами, пожарами, гибелью людей?)
4 Оценка последствий возникновения ЧС и меры готовности
4.1 Последствия и меры готовности при столкновении танкера с платформой
Последствия при столкновении танкера с платформой могут быть следующими:
-
механическое повреждение и разрушение платформы;
-
крушение танкера;
-
повреждение отгрузочного оборудования на платформе;
-
разлив нефти.
Меры готовности.
Наиболее эффективными мерами готовности в данном случае является организация эшелонов безопасности вокруг платформ.
На стадии проектирования должна быть создана концепция безопасности, включающая в себя трех-ступенчатое управление рисками, для чего вводятся:
-
эшелоны безопасности вокруг платформы;
-
эффективная защита корпуса от столкновения;
-
ограничения параметров повреждений.
Эшелоны безопасности платформ включают в себя два типа.
Наружный эшелон (2 – 6 мильная зона вокруг платформы), где действуют ограничения по скорости и направлению движения судов. Степень ограничения зависит от:
-
типов судов, их водоизмещения, осадки;
-
маневренных качеств судов.
их энерговооруженности (подруливающие устройства, поворотные движители, активная система удержания и др.).
В пределах эшелона должны действовать ограничения по бусировке плохо управляемых объектов.
Внутренний эшелон (0,5 – 2 мильная зона вокруг платформы), где действуют строгие ограничения по нахождению судов; скорость по направлению к платформе по радиусу зоны должна быть не более 2-х – 4-х узлов в зависимости от судна, его водоизмещения, энерговооруженности при маневрах, систем защиты судна и платформы от столкновения; в пределах эшелона исключена любая буксировка плохо управляемых объектов.
Радиусы эшелонов безопасности могут быть откорректированы в зависимости от типа платформы. Контроль и предупреждение движения и нахождения судов в эшелонах безопасности должен осуществляться с платформы.
Эффективная конструктивная защита корпуса платформ от столкновений с судами должна включать амортизационную защиту и деформационную защиту корпуса.
Амортизационная защита платформы от судов, швартующихся в море, обеспечивается пневматическими кранцами или иными амортизационными средствами, эквивалентными по энергоемкости и удельному контактному усилию.
Деформационная защита платформы обеспечивается сминаемыми конструкциями, рассеивающими при своей невозвратной деформации энергию столкновения и гасящими контактное усилие до величины, воспринимаемой амортизационной защитой.
Допускается, что один тип защиты может устанавливаться на платформах, а другой тип – на судах обеспечения и транспортировки.
Эффективная конструктивная защита корпуса платформ должна обеспечивать швартовку судов специального назначения при волнении моря до 6 баллов включительно.
Если защита, несмотря ни на что, оказалась пробитой и платформа получила повреждение корпуса, то наружные размеры этого повреждения не должны превышать подтвержденные специальными расчетами.
При превышении габаритных размеров повреждения принимаются решение о повышении степени риска эксплуатации платформы и необходимости выведения ее из эксплуатации. При появлении течи следует принять срочные меры по ее устранению [6,12].
4.2 Последствия и меры готовности при падении вертолета на поверхность платформы
Последствия при столкновении танкера с платформой могут быть следующими:
-
пожар и (или) взрыв вследствие возгорания паров топлива;
-
разрушение конструкций и сооружений при механическом (ударном) воздействии на них фюзеляжа;
-
гибель экипажа и персонала ПБУ при падении;
Меры готовности при возникновении пожара на платформы следует принять согласно подразделу 4.2.
Меры готовности к потере платформой конструктивной целостности приведены ниже (подраздел 4.4).
4.3 Последствия и меры готовности при возникновении пожара фонтана на платформе














