Организация беспроводной Wi-fi сети в пассажирском вагоне класса купе (1196977), страница 5
Текст из файла (страница 5)
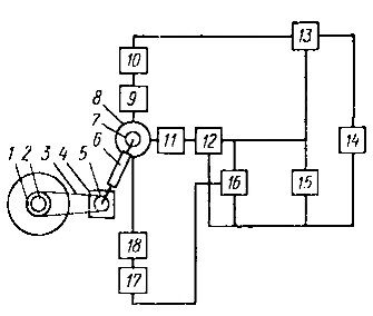
Рисунок. 4.8 Схема системы индивидуального электроснабжения:
1 — ведущий шкив; 2 — ось колесной пары; 3 — клиновые ремни; 4 — редуктор; 5 — ведомый шкив; 6 — карданный вал; 7 — якорь; 8 — генератор; 9 — дополнительная обмотка генератора; 10, 12 и 17 — выпрямители; 11 — основная обмотка генератора; 13 — переключающее устройство; 14 — аккумуляторная батарея; 15 — потребители электроэнергии; 16 — регулятор напряжения; 18 — шунтирующая обмотка
Генератор, установленный на тележке (Рисунок. 4.8), приводится во вращение через привод. Генератор имеет две обмотки: основную трехфазную и дополнительную однофазную с выводом средней точки. Первая подключена к основной группе кремниевых выпрямителей и обеспечивает питание потребителей вагона, а вторая — через магнитный усилитель к дополнительной группе кремниевых выпрямителей. Обе группы выпрямителей соединены последовательно и в сумме дают напряжение, необходимое для заряда аккумуляторной батареи. На соответствующие зажимы выведена дополнительная обмотка, предназначенная для облегчения автоматического регулирования напряжения генератора при малых нагрузках и высоких скоростях движения поезда. На стоянках и при малых скоростях движения все потребители получают питание от аккумуляторной батареи. Выпрямитель предназначен для преобразования переменного трехфазного тока в постоянный, он размещен в металлическом кожухе под вагоном. На изоляционной панели выпрямителя укреплены шесть вентилей, соединенных по трехфазной мостовой схеме. Выпрямитель соединен с аккумуляторной батареей, и его токоведущие детали, в том числе и радиаторы вентилей, на стоянках поезда, когда генератор не работает, находятся под напряжением 50 В.
Система электроснабжения имеет соответствующие контрольно-измерительные аппараты и аппараты сигнализации и защиты. Предусмотрена возможность аварийного отключения источников питания и цепей всех потребителей вагона (за исключением аварийного освещения, концевых сигнальных фонарей и цепей контроля нагрева букс). На стоянках поезда потребители электроэнергии получают питание от аккумуляторных батарей.
Преимущество: автономность вагонов, энергоснабжение не зависит от внешних источников питания.
Недостатки: сложность обслуживания и размещения системы, многочисленные электроприборы, электрическое отопление, установки кондиционирования воздуха.
5 ИНФОРМАЦИЯ ОБ ИССЛЕДУЕМОМ ОБЪЕКТЕ
Пассажирский вагон открытого типа предназначен для выполнения массовых перевозок пассажиров по магистральным путям МПС колеи 1520 мм с длительностью пребывания в пути не более 12 часов. Пассажирский салон кузова (рисунок. 5.1) оборудован девятью четырех местными купе; поперечными перегородками, разделяющими пассажирское помещение на две части; столами. Окна в салоне оснащены опускными рамами с двойным остеклением, два из которых являются аварийными выходами, которые используют при экстремальных ситуациях. Все окна имеют занавески и светомаскировочные шторы. Отопительная система - водяная, нагрев воды в котле осуществляется электронагревателями. Система электроснабжения индивидуальная. В коридоре между 3 - 4 купе и между 7-8 купе расположены розетки на 220 В, одна из которых и будет обеспечивать питание нашему маршрутизатору.
Рисунок. 5.1 1 и 5 – туалетные отделения; 2 – служебное помещение; 3 – купе для проводников; 4 – девять четырехместных пассажирских отделений; 6 и 10 – тамбур; 7 и 9 – два малых коридора; 8 – коридор вдоль вагона; 12 – розетки питания 220 В.
Рисунок 5.2 распределение по пассажирским посадочным местам
К параметрам пассажирского вагона, определяющим его технико – экономические показатели, относятся пассажирооборот, масса тары, линейные размеры и конструктивная скорость Согласно техническому паспорту, вагон купейного класса имеет следующие размеры согласно рисунку 5.3.
Рисунок 5.3 Типовые технические данные для пассажирских вагонов
Обшивка кузова вагона выполнена из нержавеющей стали типа Х14Г14НЗТ, а элементы, подкрепляющие обшивку, выполнены из низколегированной стали типа 10ХНДП. Настил пола, обшивка надоконного пояса и средней части крыши выполнены из листов стали толщиной 1 мм, подоконного пояса, боковых стен и межоконных простенков - из листов стали толщиной 1,5 мм, а скаты крыши - 2 мм(рисунок. 5.4).
Рисунок. 5.4 Обшивка вагона класса купе
Кузов вагона состоит из рамы, боковых и торцовых стен, крыши и пола. Основными несущими элементами кузова является каркас и обшивка, выполненные из прессованных и холодно – штампованных профилей, соединенных между собой аргонодуговой сваркой.
Обшивка изготовлена из гофрированных листов. Из условий динамического вписывания в очертание габарита и для уменьшения аэродинамического сопротивления боковые стены кузова наклонены к вертикальной оси под углом два градуса. На остальной части кузова поставлены откидные фальшборты, служащие для улучшения аэродинамики вагона и одновременно обеспечивающие доступ для технического обслуживания подвагонного оборудования и автотормозов.
Концевые балки П-образной формы сварены из листов толщиной 10 мм. Шкворневые балки замкнутого сечения выполнены из вертикальных листов толщиной 14 мм и горизонтальных – 10 мм. Между шкворневыми балками рамы расположены поперечные балки.
Конструкционная скорость пассажирского вагона класса купе, согласно технического паспорта, оставляет 160 км/ч.
6 ОБОРУДОВАНИЕ
В данном дипломном проекте моей основной задачей является организация беспроводной сети Wi-fi в пассажирском вагоне, который полностью состоит из металла. Поэтому основными критериями по которым я выбирал wi-fi маршрутизатор являются: первое, это максимальная скорость передачи данных; второе, стабильность в работе, так как передача данных будет осуществляться непосредственно при движении поезда; третье реальный радиус покрытия Wi-Fi сигнала; четвертое, максимальная скорость передачи данных.
Общая длина пассажирского вагона составляет 25,5 м, поэтому я решил выбрать маршрутизатор с тремя внешними всенаправленными, съемными антеннами Wi-Fi.
Wi-fi маршрутизатор я выбирал среди следующих производителей: ASUS; D-link, TP-link и ZyXel, так как эти производители самые доступные, популярные и стабильные на рынке.
Мой выбор пал на маршрутизатор ASUS RT-N18U. У него самый удобный и расширенный интерфейс для настройки, наиболее лучшая стабильность в работе и хорошее качество передачи данных.
6.1 Экспресс-обзор беспроводного маршрутизатора ASUS RT-N18U
Маршрутизатор ASUS RT-N18U (рисунок. 6.1) среднего класса стандарта Wi-Fi 802.11n с максимальной скоростью до 600 Мбит/с в единственном диапазоне 2,4 Ггц; имеет возможность подключения к гигабитным LAN-портам до четырех компьютеров и задействовать два USB-аксессуара одновременно, что позволяет работать в нескольких различных режимах
Рисунок. 6.1 Общий вид маршрутизатора
К маршрутизатору прилагается (рисунок. 6.2) достаточно крупный блок питания со съемной вилкой, сетевой кабель длиной 1,5 м, три съемные антенны и сопроводительная документация.
Рисунок. 6.2 Комплектующие маршрутизатора
На верхней панели можно найти наименование устройства и шесть светодиодов активности синего свечения. Интересно, что разработчики решили не оснащать индикацией каждый из четырех LAN-портов, но при этом предусмотрели по отдельному светодиоду для каждого USB-входа.
На нижнюю (рисунок. 6.3) панель традиционно вынесена служебная информация и пара отверстий для вертикального крепления, что особенно интересно, так как наш маршрутизатор будет устанавливаться вертикально. Четыре ножки сделаны из мягкой резины, которая полностью предотвращает случайное скольжение по столу. Самые любопытные могут рассмотреть печатную плату и электронные компоненты сквозь многочисленные прорези для вентиляции.
Рисунок. 6.3Нижняя панель маршрутизатора
Такую же полосчатую перфорацию можно наблюдать и на обеих боковинах маршрутизатора. Обычно пустую переднюю грань украшает порт USB 3.0, все остальные разъемы и кнопки собраны на противоположной грани.
На задней части (рисунок. 6.4), между первой и второй антеннами размещены гнездо блока питания, кнопка включения, второй USB-порт (на этот раз версии 2.0), микро-кнопка сброса до заводских настроек и WAN-вход. В следующем промежутке можно найти четыре гигабитных LAN-порта и кнопка запуска WPS-процедуры.
Рисунок. 6.4 Задняя часть маршрутизатора
Маршрутизатор ASUS RT-N18U основан на процессоре Broadcom BCM47081 (ARM Cortex-A9) (рисунок. 6.5) с рабочей частотой 800 МГц. Кроме общего управления системой этот чип обслуживает трафик, который проходит через четверку LAN-портов роутера. Объем оперативной памяти устройства составляет 256 МБ, а емкость Flash-хранилища – 128 МБ.
Рисунок. 6.5 Внутренние комплектующие маршрутизатора
За работу беспроводной части системы отвечает чип Broadcom BCM4360, он работает с тремя антеннами в режиме MIMIO 3×3:3, обеспечивая передачу данных в стандартах Wi-Fi 802.11bgn в единственном диапазоне 2,4 ГГц. Интересно, что максимально возможная скорость без ухищрений для такого режима составляет 450 Мбит/с, однако за счет фирменной технологии Broadcom TurboQAM разработчики подняли верхнюю планку до уровня 600 Мбит/с.
Как и все другие маршрутизаторы компании ASUS, модель RT-N18U работает под управлением фирменного интерфейса ASUSWRT. Он отличается удобной структурой, при которой большинство популярных операций можно выполнить в главном окне “Карта сети”.
Все остальные настройки логично распределены по разделам и закладкам меню, где найти их не составляет никакого труда. В частности, здесь можно выбрать один из четырех режимов работы: роутер, повторитель, точка доступа, медиа-мост. Маршрутизатор позволяет зарегистрировать до трех гостевых аккаунтов с раздельными настройками безопасности и времени доступа, а также обеспечить управление трафиком и родительский контроль.
Ну, а сразу два USB-порта позволяют развернуться любителям дополнительной функциональности, которые смогут настроить медиа-сервер, сервер печати, мастер загрузок или подключить внешний 3G-модем
Модель ASUS RT-N18U поддерживает протоколы безопасности WEP (64/128 бит), WPA-PSK/Enterprise, WPA2-PSK/Enterprise, а также полуавтоматическое создание защищенной сети WPS. Роутер также способен работать с VPN-сервисами, в частности, поддерживаются варианты OpenVPN server/client, PPTP server/client, L2TP client, а также IPSec/PPTP/L2TP Pass-Through.
Технология WPA предназначена для использования с сервером проверки подлинности 802.1X, который распределяет различные ключи каждому пользователю. Однако ее также можно использовать в менее безопасном режиме "Pre-Shared Key (PSK)". Ключ PSK предназначен для домашних сетей и сетей небольших офисов, где для всех пользователей используется одинаковый пароль. Протокол WPA-PSK также называется WPA-Personal. Протокол WPA-PSK позволяет беспроводному устройству Brother обмениваться данными с точками доступа при помощи способа шифрования TKIP или AES. Протокол WPA2-PSK позволяет беспроводному устройству Brother обмениваться данными с точками доступа при помощи способа шифрования AES.
В моем данном случае, в режиме WPA-PSK/WPA2-PSK будет использоваться используется общий ключ (PSK) длиной 8 - 63 символа.
Маршрутизатор способен подключиться к сети провайдера используя авторизацию по схемам Automatic IP, Static IP, PPPoE(MPPE supported), PPTP, L2TP. При этом кроме стандартной схемы с единственным WAN-подключением модель ASUS RT-N18U умеет использовать сразу два источника трафика, такая схема получила название двойной WAN.
Вторую линию можно подключить к USB (3G-модем) или LAN-порту (второй провайдер), при этом пользователь должен выбрать режим двойного WAN – “отказоустойчивость” или “балансировка нагрузки”. С первым вариантом все ясно, система автоматически перейдет на резервную линию в случае разрыва соединения с первой. Второй режим интересен тем, что он позволяет сбалансировать нагрузку на обе линии, при этом сам пользователь может выбрать конфигурацию в виде соотношения между обеими линиями (например, 3:1).














