ВКР Белкин (1195707), страница 4
Текст из файла (страница 4)
где
– отметка земли в диктующей точке, 71,000 м;
– сумма потерь напора по результатам гидравлического расчета на час максимального водопотребления в участках от водонапорной башни до диктующей точки 10 (по первому расчетному случаю),
Высота ствола башни, м, определяется по формуле
, (18)
где
– отметка земли в точке размещения водонапорной башни.
Объем бака м3, определяется как сумма регулирующего объема
, и пожарного запаса
, обеспечивающего десятиминутную продолжительность тушения одного наружного пожара, объем бака составляет
= 129,36 м3.
По
назначаются конструктивные размеры бака – диаметр
, м, и высота бака
, м:
, (19)
(20)
1.4. Насосная станция второго подъема
1.4.1 Режим работы насосной станции второго подъема
Насосная станция второго подъема (НС-2) подает очищенную воду в водопроводную сеть на хозяйственно-питьевые нужды и на пожаротушение. Насосная станция второго подъема может работать в обычном, штатном режиме, когда вода подается на хозяйственно-питьевые нужды (нормальном режиме). При работе насосной станции в режиме пожаротушения вода подается на хозяйственно-питьевые нужды и пожаротушение.
График работы насосной станции устанавливают для нормального режима, при пожаротушении или аварии на водоводе оценивается изменение параметров работы насосов по сравнению с нормальным режимом.
График работы НС-2 определяется режимом водопотребления. Поскольку график подачи насосной станции не может в точности совпадать с графиком водопотребления, предусматривается регулирующая емкостъ - водонапорная башня. При этом должна обеспечиваться их минимальная вместимость за счет приближения графика подачи к графику водопотребления.
1.4.2. Определение расчетной подачи и напора насосов
При двухступенчатом графике расчетная подача
для ступени с меньшей производительностью будет равной
м3/ч ,
а для ступени с большей производительностью
м3/ч.
Для случая подачи воды для одновременного пожаротушения с хозяйственно-питьевым расходом расчетный часовой расход определяется
м3/ч. (21)
где
- расчетный часовой пожарный расход, 54 м3/ч.
Всасывающие водоводы от РЧВ до насосной станции имеют небольшую протяженность выполняются стальными. Для обеспечения бесперебойности работы НС-2 количество всасывающих водоводов должно быть не менее двух.
Расчетный расход каждого водовода
, л/с, вычисляется исходя из возможности отключения одной из ниток при пропуске максимальной подачи насосной станции
, (22)
где
- число всасывающих водоводов, принято 2.
Диаметры всасывающих водоводов назначаются по таблицам [4] по рекомендуемым экономичным скоростям (0,8 – 1,2 м/с) и равны 200 мм. Протяженность всасывающих водоводов принята 10 м. Потери напора в трубопроводах составляют 0,3 м.
Количество напорных водоводов также два, однако расчетный расход
для каждого водовода, л/с, вычисляется без учета отключения одной нитки по формуле
л/с, (23)
где
- число напорных водоводов, принято 2.
Напорные водоводы принят из полиэтиленовых труб диаметром каждой нитки 180 мм, со скоростью движения воды в них 1,02 м/с. Потери напора в трубопроводах при протяженности 1000 м составляют 3,27 м.
Расчетный напор, м, для нормального режима определяется по формуле
, ( 24)
где Нг - геометрическая высота подъема - статический напор, м,
определяемый по формуле (25)
- потери напора в коммуникациях насосной станции, в первом приближении принимается
= 2 м;
- потери напора во всасывающем и напорном водоводах, при максимальной часовой подаче НС-2
м, при минимальном часовой подаче
, м (25)
где Z вб – отметка верха бака башни; Z вб =94,41 м;
Zнр – нижний уровень воды в РЧВ, принят на 2,5 м ниже отметки земли в месте водозабора, Zнр = 77,500 м; hб – высота бака башни, hб =4,56 м;
В формулу (24) подставляют расчетные расходы, соответствующие ступеням графика подачи. Для часа максимальной ступени режима подачи
Для часа минимальной ступени режима подачи
При пожаротушении вода на пожар подается от НС-2 наряду с другими нуждами населенного поселка.
Для режима пожаротушения расчетный напор, м, вычисляется:
, (26)
где Zтп – отметка земли в точке пожара, точке 10, Zтп = 71,000;
- минимальный статический пожарный напор в точке пожара,
принимается равным 15 м,
- минимальный пожарный уровень воды в РЧВ,
=77,500;
ΣhРЧВ-ТП –суммарные потери напора в водоводах и водопроводной
сети до точки пожара
1.4.3. Подбор насосов и анализ их работы в системе водоснабжения
По расчетным параметрам подачи Q и напора H подбираются марки насосов. Первоначально марки насосов выбираются по графику полей. В первую очередь насосы подбираются для нормального режима эксплуатации. Далее проверяется возможность обеспечения выбранными насосами режима пожаротушения и при необходимости дополнительно выбираются насосы для этого режима. Насосы, выбранные для нормального режима, должны работать в области наибольших КПД, при пожаротушении допускается работа с более низким КПД.
Подбор насосов для водоснабжения поселка производится по следующим диктующим параметрам:
В час максимальной ступени подачи Qмакснс=157,5 м3/ч; Hмакснс=22,48 м;
В час минимальной ступени подачи Qминнс=99,3 м3/ч; Hминнс=20,21м;
В час пожаротушения Qпож=211 м3/ч; Hпож=23,5 м;
По сводному графику полей подобраны следующие насосы:
Для режима максимальной часовой подачи – насос Д 320-50; для режима минимальной часовой подачи – 1Д200-90; для пожаротушения может быть использован насос Д 320-50.
Анализ работы выбранных насосов в системе водоснабжения производится графоаналитическим методом на основании совмещения характеристик выбранных насосов и трубопроводов.
При упрощенном подборе насосов на паспортные характеристики насосов наносятся точки, координаты которых (Н и Q) характеризуют основные расчетные параметры.
1.4.4. Составление монтажной схемы насосных агрегатов и определение положения оси насоса
Для каждой марки подобранных насосов составляется монтажная схема агрегата. Размеры насосов Д 320-50 и 1Д200-90 приняты по Приложению 5 [3]. Отметку осей насосов первой категории обеспеченности подачи следует определять, как правило, из условия установки насосов под залив. При этом отметка оси насоса принимается на 0,3 – 0,5 м ниже верхнего уровня воды пожарного объема в РЧВ.
При двух разных марках насосов отметка пола машинного зала определяется по большему по габаритам насосу Д320-50.
,
где hагр – высота от оси насоса до низа фундамента.
1.4.5. Размещение оборудования в насосной станции второго подъема.
Общее число насосов в насосной станции 2 подъема складывается из рабочих и резервных. Насосная станция 2 подъема при населении от 5 до 10 тыс, подающая воду на пожаротушение, относится к 1 категории обеспеченности подачи. Количество резервных насосов принимается по табл. 32 [1]. При числе рабочих насосов равном 2, принимается 2 резервных насоса.
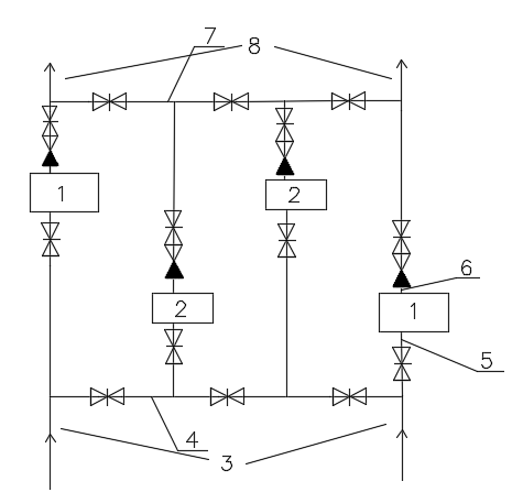
Размещение насосных агрегатов в насосной станции второго подъема производится с учетом их количества и размеров, удобства прокладки всасывающих и напорных трубопроводов с наименьшим числом их поворотов, стандартных размеров строительных конструкций. Расстояние между насосами, трубопроводами и стенами принимается не менее 1 м. На рисунке 12 показана схема размещения насосных агрегатов, трубопроводов и арматуры в машинном зале.
1 – насосы Д 320-50; 2 - насосы 1Д 200-90; 3 - всасывающий водовод; 4 – коллектор; 5 – всасывающий трубопровод насоса; 6 – напорный трубопровод насоса; 7 - коллектор; 8 – напорный водовод
Рисунок 12 - Схема размещения насосов в машинном зале
Всасывающие и напорные трубопроводы внутри насосной станции проектируются по общим правилам, выполняются стальными со сварным соединением. Фланцевые соединения применяются для подключения труб к насосам и арматуре. Диаметры трубопроводов назначаются по рекомендуемым скоростям по наибольшему для каждого участка расходу при нормальном режиме эксплуатации.
Трубы в насосной станции укладываются на полу на подставках. Если трубопроводы ограничивают доступ к насосам, допускается их прокладка в каналах. Размеры каналов должны обеспечивать удобный доступ к трубам для их ремонта и монтажа. Каналы перекрывают съемными металлическими плитами или щитами. Для переходов через трубы устраиваются специальные мостики. В местах поворотов труб устанавливают упоры, а под арматурой – опоры.
Ввод водоводов в здание насосной станции производится на отметке их наружной прокладки, поэтому участки подъема труб до отметки прокладки внутристанционных труб размещаются внутри насосной станции в каналах. При проходе через стену обычно применяют гибкую заделку с сальниковым уплотнением.
Места размещения арматуры устанавливаются таким образом, чтобы обеспечивалась бесперебойная работа насосной станции при отключении любого агрегата и любого участка трубопровода.
Для монтажа оборудования предусматривается монтажная площадка рядом с воротами. Монтажная площадка выполняется на уровне земли и опирается на колонны. Над трубопроводами предусматривают переходы, рядом с задвижками площадки обслуживания и необходимые лестницы.
Грузоподъемное оборудование должно обеспечивать доставку оборудования с монтажной площадки в любую точку машинного зала. Грузоподъемность его выбирается по самому тяжелому оборудованию, размещенному в машинном зале – насосному агрегату Д 320-50 (вес 960 кг). В проекте принята кран-балка пролетом 5,1 м, грузоподъемностью 2 т.
1.4.5. Проектирование здания насосной станции второго подъема
Для заглубленной насосной станции отметка пола машинного зала принята Zп=76,500. Таким образом, заглубление машинного зала при отметке земли 80,000 составляет 3,5 м. Пол вспомогательных помещений и электрической части, а также монтажная площадка размещаются на 0,1 – 0,15 м выше планировочной отметки земли.















