Пояснительная записка (1195693), страница 4
Текст из файла (страница 4)
По
назначаются конструктивные размеры бака – диаметр
, м, и высота бака
, м:
, (20)
(21)
5.1 Режим работы насосной станции второго подъема
Насосная станция второго подъема (НС-2) подает очищенную воду в водопроводную сеть на хозяйственно-питьевые нужды и на пожаротушение. Насосная станция второго подъема может работать в обычном, штатном режиме, когда вода подается на хозяйственно-питьевые нужды (нормальном режиме). При работе насосной станции в режиме пожаротушения вода подается на хозяйственно-питьевые нужды и пожаротушение.
График работы насосной станции устанавливают для нормального режима, при пожаротушении или аварии на водоводе оценивается изменение параметров работы насосов по сравнению с нормальным режимом.
График работы НС-2 определяется режимом водопотребления. Поскольку график подачи насосной станции не может в точности совпадать с графиком водопотребления, предусматривается регулирующая емкость - водонапорная башня. При этом должна обеспечиваться их минимальная вместимость за счет приближения графика подачи к графику водопотребления.
5.2 Определение расчетной подачи и напора насосов
При двухступенчатом графике расчетная подача
для ступени с меньшей производительностью будет равной
м3/ч ,
а для ступени с большей производительностью
м3/ч.
Для случая подачи воды для одновременного пожаротушения с хозяйственно-питьевым расходом расчетный часовой расход определяется
(22)
где
- расчетный часовой пожарный расход, 18 м3/ч.
Всасывающие водоводы до насосной станции имеют небольшую протяженность выполняются стальными. Для обеспечения бесперебойности работы НС-2 количество всасывающих водоводов должно быть не менее двух.
Расчетный расход каждого водовода
, л/с, вычисляется исходя из возможности отключения одной из ниток при пропуске максимальной подачи насосной станции
, (23)
где
- число всасывающих водоводов, принято 2.
Диаметры всасывающих водоводов назначаются по таблицам [4] по рекомендуемым экономичным скоростям (0,8 – 1,2 м/с) и равны 100 мм. Протяженность всасывающих водоводов принята 10 м. Потери напора в трубопроводах составляют 0,3 м.
Количество напорных водоводов также два, однако расчетный расход
для каждого водовода, л/с, вычисляется без учета отключения одной нитки по формуле
л/с, (24)
где
- число напорных водоводов, принято 2.
Напорные водоводы приняты из полиэтиленовых труб диаметром каждой нитки 75 мм, со скоростью движения воды в них 1,02 м/с. Потери напора в трубопроводах при протяженности 1200 м составляют 3,27 м.
Расчетный напор, м, для нормального режима определяется по формуле
, ( 25)
где Нг - геометрическая высота подъема - статический напор, м, определяемый по формуле (25)
- потери напора в коммуникациях насосной станции, в первом приближении принимается
= 2 м;
- потери напора во всасывающем и напорном водоводах, при максимальной часовой подаче НС-2
м, при минимальном часовой подаче
, (26)
где Z вб – отметка верха бака башни; Z вб =100,63 м;
Zнр – нижний уровень воды в РЧВ, принят на 2,5 м ниже отметки земли в месте водозабора, Zнр = 67,500 м; hб – высота бака башни, hб =2,285 м;
В формулу (25) подставляют расчетные расходы, соответствующие ступеням графика подачи. Для часа максимальной ступени режима подачи
Для часа минимальной ступени режима подачи
При пожаротушении вода на пожар подается от НС-2 наряду с другими нуждами населенного поселка.
Для режима пожаротушения расчетный напор, м, вычисляется:
, (27)
где Zтп – отметка земли в точке пожара, точке 19, Zтп = 63,300;
- минимальный статический пожарный напор в точке пожара, принимается равным 10 м,
- минимальный пожарный уровень воды в РЧВ,
=67,500;
5.3 Подбор насосов и анализ их работы в системе водоснабжения
По расчетным параметрам подачи Q и напора H подбираются марки насосов. Первоначально марки насосов выбираются по графику полей. В первую очередь насосы подбираются для нормального режима эксплуатации. Далее проверяется возможность обеспечения выбранными насосами режима пожаротушения и при необходимости дополнительно выбираются насосы для этого режима. Насосы, выбранные для нормального режима, должны работать в области наибольших КПД, при пожаротушении допускается работа с более низким КПД.
Подбор насосов для водоснабжения поселка производится по следующим диктующим параметрам:
В час максимальной ступени подачи Qмакснс=15,08 м3/ч; Hмакснс=24,3 м;
В час минимальной ступени подачи Qминнс=2,7 м3/ч; Hминнс=22,082 м;
В час пожаротушения Qпож=33 м3/ч; Hпож=15,8 м;
По сводному графику полей подобраны следующие насосы:
Для режима максимальной часовой подачи – насос Д 200-36; для режима минимальной часовой подачи – К 45/30; для пожаротушения может быть использован насос Д 200-36.
Анализ работы выбранных насосов в системе водоснабжения производится графоаналитическим методом на основании совмещения характеристик выбранных насосов и трубопроводов.
При упрощенном подборе насосов на паспортные характеристики насосов наносятся точки, координаты которых (Н и Q) характеризуют основные расчетные параметры.
На рисунке 1.10 приведены характеристики выбранных насосов Д 200-36 и К 45/30 и характерные точки: 1 – расчетные параметры насоса для часа минимальной ступени подачи; 2 - расчетные параметры насоса для часа максимальной ступени подачи; 3 - расчетные параметры насоса для режима пожаротушения.
В таблице 4 указаны фактические значения основных параметров насосов при обеспечении расчетных производительностей.
Таблица 4 - Параметры работы насосов в характерных режимах
| Режимы работы насосной станции | Параметры работы насосов | Марка насоса, кол-во | |||||
| Q, м3/ч | Н, м | N, ква | , % | hдоп, м | |||
| Нормальный, минимальный, т 1 | 2,7 | 22,08 | - | - | - | К 45/30 1 + 1 рез | |
| Нормальный, максимальный, т 2 | 15,08 | 24,35 | 22 | 65 | 3 | Д 200-36 1 + 1 рез | |
| Пожаротушение, т 3 | 33 | 15,8 | 25 | 70 | 4 | Д 200-36 | |
Рисунок 5 – Характеристики выбранных насосов и расчетные параметры при различных режимах работы насосной станции второго подъема
5.4 Составление монтажной схемы насосных агрегатов и определение положения оси насоса
Для каждой марки подобранных насосов составляется монтажная схема агрегата. Размеры насоса Д 200-36 приняты по Приложению 5 [3]. Размеры насосного фундамента насоса К 45/30 приняты по [4]. Фундаменты выступают за размеры фундаментной плиты насосов на 5 см в каждую сторону. Схема насосного агрегата Д 200-36 приведена на рисунке 11. Размеры насосного фундамента К 45/30 в плане 1,05 х 0,6 м. Диаметр всасывающего патрубка – 40 мм, напорного – 32 мм.
Отметку осей насосов первой категории обеспеченности подачи следует определять, как правило, из условия установки насосов под залив. При этом отметка оси насоса принимается на 0,3 – 0,5 м ниже верхнего уровня воды пожарного объема в РЧВ.
При двух разных марках насосов отметка пола машинного зала определяется по большему по габаритам насосу Д200-36.
,
где hагр – высота от оси насоса до низа фундамента.
Рисунок 6– Монтажная схема агрегата Д 200-36.
6 Размещение оборудования в насосной станции второго подъема
Общее число насосов в насосной станции 2 подъема складывается из рабочих и резервных. Насосная станция 2 подъема при населении от 0,5 до 10 тыс, подающая воду на пожаротушение, относится к 1 категории обеспеченности подачи. Количество резервных насосов принимается по табл. 32 [1]. При числе рабочих насосов равном 2, принимается 2 резервных насоса.
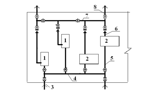
Размещение насосных агрегатов в насосной станции второго подъема производится с учетом их количества и размеров, удобства прокладки всасывающих и напорных трубопроводов с наименьшим числом их поворотов, стандартных размеров строительных конструкций. Расстояние между насосами, трубопроводами и стенами принимается не менее 1 м. На рисунке 12 показана схема размещения насосных агрегатов, трубопроводов и арматуры в машинном зале.
1 – насосы К 8/18; 2 - насосы Д 200-36; 3 - всасывающий водовод; 4 – коллектор; 5 – всасывающий трубопровод насоса; 6 – напорный трубопровод насоса; 7 - коллектор; 8 – напорный водовод
Рисунок 7 - Схема размещения насосов в машинном зале.















