Пояснительная записка (1193344), страница 5
Текст из файла (страница 5)
м3
Объем одной иловой карты, м3, определяется по формуле
(71)
м3
Площадь одной карты, м2, определяется по формуле
(72)
где h – глубина карты, м.
м2
Принимаем карту с размерами 5,6x 5,6 м.
5.5 Обеззараживание воды
Принято обеззараживание воды жидким хлором.
Суточный расход хлора, кг/сут, определяется по формуле
, (73)
где
– доза активного хлора, мг/л, принимается 2 мг/л;
– суточная производительность очистных сооружений, м3/сут.
кг/сут.
Хлорное хозяйство состоит из склада хлора, установки для приготовления и дозирования газообразного хлора с целью получения хлорной воды.
Расходный склад хлора и хлордозаторная размещаются в отдельном здании. Испарители хлора размещаются в хлордозаторной.
Число рабочих хлораторов соответствует числу точек ввода хлора, и принимается равным одному. Также принимается один резервный хлоратор.
Хлор доставляется на станцию в баллонах. Суточный расход баллонов хлора, шт, определяется по формуле
, (75)
где
– емкость одного баллона, принимается равной 40 м3.
шт.
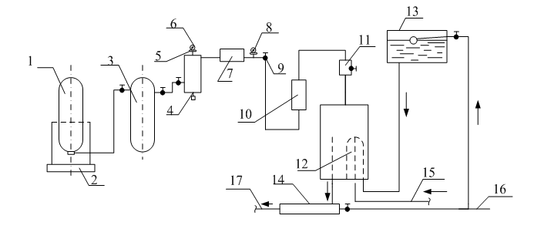
Схема приготовления хлорной воды приведена на рисунке 8.
1 – баллон с хлором; 2 – весы; 3 – баллон – испаритель; 4 – фильтр;
5 - мембрана; 6 – манометр высокого давления; 7 – редукционный клапан;
8 - манометр низкого давления; 9 – регулирующий кран; 10 – ротаметр;
11 - предохранительный клапан; 12 – смеситель; 13 – бачок с водой постоянного уровня; 14 – эжектор; 15 – труба для сброса хлорной воды;
16 – подача воды из водопровода; 17 – подача хлорной воды
Рисунок 8 – Схема приготовления хлора
6 Насосная станция второго подъема
6.1 Определение расчетной подачи насосов
График водопотребления и подачи воды в сеть изображен в [п.3.1]. Объем регулирующей емкости определен в [п.3.1], размеры в [п.4.5].
Расчетная часовая подача насосов, при нормальном режиме эксплуатации для первой и второй ступени графика работы определены в [п.3.1] и составляют:
м3/ч;
м3/ч.
Для случая подачи воды для одновременного пожаротушения с хозяйственно-питьевым расходом расчетный часовой расход определяется по формуле
, (77)
где Qпож – расчетный часовой пожарный расход, м3/ч.
м3/ч
м3/ч
Расчетная подача насосов при аварии на водоводе,м3/ч, определяется по формуле
, (78)
м3/ч.
6.2 Расчет всасывающих и напорных водоводов
Всасывающие водоводы от РЧВ до насосной станции имеют небольшую протяженность и выполнены стальными. Для обеспечения бесперебойности работы НС-2 предусмотрено два всасывающих водовода. При небольшом числе насосов каждый из них может иметь собственный всасывающий водовод. В данном проекте принято 2 всасывающих водовода, длиной 12 м.
Расчетный расход каждого водовода, л/с, определяется по формуле
, (79)
где
– число всасывающих водоводов, шт.
л/с
Расчетный расход для каждого водовода, л/с, определяется по формуле
, (80)
где
– число напорных водоводов, шт.
л/с.
Диаметр напорного трубопровода, м, определяется по формуле
, (81)
м.
Принимаются стальные трубопроводы диаметром 200 мм.
Диаметр всасывающего трубопровода, м, определяется по формуле
, (82)
м.
Принимаются стальные трубопроводы диаметром 300 мм.
Удельные сопротивления трубопроводов приняты для всасывающих А=0,662 (с/м3)2 – стальные трубопроводы диаметром 300 мм; для напорных А=5,15 (с/м3)2 – стальные трубопроводы диаметром 200 мм.
Гидравлическое сопротивление всасывающего водовода, с2/м5, определяется по формуле
, (83)
с2/м5
Гидравлическое сопротивление напорного водовода, с2/м5, определяется по формуле
, (84)
с2/м5.
6.3 Определение расчетных напоров насосов и подбор насосов
Расчетный напор, м, для нормального режима определяется по формуле
, (85)
где Нг – геометрическая высота подъема, м;
hнс – потери напора в коммуникациях насосной станции, в первом приближении принимается hнс=1,5 м;
– потери напора во всасывающем и напорном водоводах, м.
Геометрическая высота подъема, м, определяется по формуле
, (86)
где Zтп – отметка точки подачи воды, м;
hp – высота бака башни, м;
Нб – высота ствола башни, м;
Zнп – нижний уровень воды в РЧВ, м.
м.
Расчетный напор, м, определяется по формуле
, (87)
Для режима пожаротушения расчетный напор, м, определяется по формуле
, (88)
где Нгпож – минимальный статический пожарный напор в конце водовода, м;
z*нр – минимальный пожарный уровень воды в РЧВ, м.
Расчетный напор при возникновения аварии на водоводе, м, определяется по формуле
(89)
.
По расчетным параметрам работы насосов подбираются марки насосов. В первую очередь насосы подбираются для нормального режима эксплуатации. Затем проверяется возможность обеспечения выбранными насосами режима пожаротушения и аварийного режима.
Марки насосов подбираются по графику полей. Для первой ступени выбирается насос марки Д200-95, n=2950 об/мин; для 2 ступени марки
Д320-70,n=2950 об/мин; пожарный насос второй ступени марки Д500-65, n=1450 об/мин.
6.4 Определение отметок установки насосов
Насосные агрегаты установлены ниже уровня воды в резервуаре, из которого забирают воду. Выбор способа установки обуславливается необходимостью обеспечить быстрый запуск насосов, степенью автоматизации, заглублением резервуара и другими условиями, а так же тем, что в проекте рассматривается насосная станция первой категории, поэтому устанавливаем насосы под залив.
При установке под залив отметка верха насоса принимается ниже минимального расчетного уровня воды в РЧВ на 0,5 метра. Далее по известной высоте насоса и фундамента определяется отметка пола машинного зала. Так как в насосной станции установлены разные марки насосов, то отметка пола принимается по насосу, у которого она окажется минимальной.
Отметка оси насоса при установке под залив, м, определяется по формуле
, (90)
м
Отметка пола у насоса, м, определяется по формуле
, (91)
где h – расстояние от оси насоса до низа фундамента, м.
м,
м,
м.
За отметку пола насосной станции принимается отметка пола у насоса Д500-65, т.е. отметка пола равна 8,37 м.
Отметка оси всасывающего водовода, м, определяется по формуле
, (92)
где
– отметка земли у насосной станции, м.
м
Отметка оси напорного водовода определяется по формуле
, (93)
м
Высота заглубления насосной станции, м, определяется по формуле
, (94)
м
Принимается заглубление насосной станции на 2,7 м.
6.5 Гидравлический расчет внутристанционных трубопроводов
Точный расчет потерь напора во внутристанционных коммуникациях можно выполнить после размещения насосно-силового оборудования и составления схемы трубопроводов со всеми фасонными частями и арматурой. Аксонометрическая расчетная схема приведена на рисунке 9. Гидравлический расчет сведен в таблицу 15.
Рисунок 9 – Расчетная схема для гидравлического расчета
Таблица 15 - Гидравлический расчет внутристанционных трубопроводов
| Номер участка | Длина | Диаметр | Расход
| Скорость
| Гидравлический уклон, |
| Потери напора, м | ||||
|
|
|
| |||||||||
| 1-2 | 2,4 | 300 | 31,9 | 0,42 | 0,00103 | 1,0 | 0,0025 | 0,009 | 0,0115 | ||
| 2-3 | 0,8 | 250 | 31,9 | 0,6 | 0,00249 | 0,2 | 0,0019 | 0,0036 | 0,0055 | ||
| 3-4 | 2,5 | 250 | 31,9 | 0,6 | 0,00249 | 0,2 | 0,0062 | 0,0036 | 0,0098 | ||
| 4-5 | 1,8 | 250 | 31,9 | 0,6 | 0,00249 | 0,55 | 0,0044 | 0,0101 | 0,0145 | ||
| 5-6 | 0,8 | 300 | 78,3 | 1,04 | 0,0054 | 1,5 | 0,0043 | 0,0827 | 0,087 | ||
| 6-7 | 2,5 | 300 | 78,3 | 1,04 | 0,0054 | 0,3 | 0,0135 | 0,0165 | 0,03 | ||
| 7-8 | 3,5 | 300 | 78,3 | 1,04 | 0,0054 | 0,8 | 0,0189 | 0,0441 | 0,063 | ||
| 8-9 | 5,0 | 250 | 78,3 | 1,47 | 0,0133 | 2,15 | 0,0665 | 0,237 | 0,3035 | ||
| 9-10 | 2,5 | 250 | 78,3 | 1,47 | 0,0133 | 0,7 | 0,0332 | 0,0771 | 0,1103 | ||
| 10-11 | 0,8 | 250 | 78,3 | 1,47 | 0,0133 | 0,1 | 0,0106 | 0,0110 | 0,0216 | ||
| 11-12 | 1,8 | 200 | 31,9 | 0,93 | 0,0073 | 1,95 | 0,0131 | 0,0860 | 0,0991 | ||
| 12-13 | 2,5 | 200 | 31,9 | 0,93 | 0,0073 | 0,3 | 0,0182 | 0,0132 | 0,0314 | ||
| 13-14 | 0,8 | 200 | 31,9 | 0,93 | 0,0073 | 0,35 | 0,0058 | 0,0154 | 0,0212 | ||
| 14-15 | 2,4 | 200 | 31,9 | 0,93 | 0,0073 | 1,5 | 0,0175 | 0,0661 | 0,0836 | ||
| Сумма | 0,892 | ||||||||||
6.6 Генеральный план станции очистки воды
РЧВ и здание хлораторной располагается на участке с минимальными отметками. Склад хлора располагается на расстоянии 10 м от здания.
НС-2 и станции обезжелезивания выполнены в двух отдельных зданиях. Расстояние от зданий очистных до шламовых площадок и отстойников принимается 10 м, до РЧВ – 30 м. расстояние между РЧВ принимается 5 м.
, м
, мм
, л/с
, м/с














