Пояснительная записка (1193197), страница 8
Текст из файла (страница 8)
кг/сут
Площадь склада для реагента определяется по формуле
, (59)
где Т – период хранения коагулянта на складе, принят 15 суток;
- коэффициент, учитывающий дополнительную площадь на проходы, равный 1,15;
– объемная масса реагента, равная 1100 кг/м3 для ГСА;
- высота штабеля реагента, принимается 2 метра.
Для растворения коагулянта предусматривается 3 растворных бака. Вместимостью каждого, определяется по формуле
, (60)
где
– время полного цикла приготовления раствора, ч, принято равным 10;
– объемная масса раствора, равная 1000 кг/м3;
– концентрация коагулянта в растворном баке в активном продукте, 15%.
Линейные размеры растворных баков приведены на рисунке 5.4.
Рисунок 5.4 – Схема растворного бака коагулянта.
Принимается минимальное значение расходных баков (2 шт.).
Емкость каждого расходного бака определяется по формуле
, (61)
где bрасх – концентрация раствора в расходных баках, принятая 9 %.
Линейные размеры расходных баков приведены на рисунке 5.5.
Рисунок 5.5 – Схема расходного бака коагулянта
Все баки изготовлены из железобетона со стенками, покрытыми кислотоупорными материалами.
Производительность насоса дозирования и перекачки раствора коагулянта в смеситель определяется по формуле
(62)
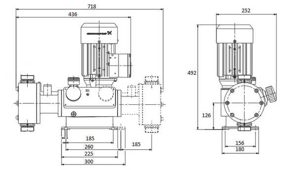
Для подачи коагулянта в смеситель принимается два насоса-дозатора марки Grundfos DMH 213-10 (один рабочий, один резервный). Схема с габаритными размерами представлена на рисунке 5.6.
Рисунок 5.6 Схема насоса-дозатора DMH 213-10 с габаритными размерами
5.5 Компоновка станции водоочистки
Для удобства эксплуатации технологические сооружения и вспомогательные помещения располагаются в одном здании.
Сооружения, тесно связанные технологической цепочкой, блокируются. Предусматривается грузоподъемное оборудование.
Технологические трубопроводы на станции выполняются стальными.
Для станции очистки при производительности 14000 м3/сут выбраны следующие помещения: химическая лаборатория (S=38,8 м2); весовая (S=8,4 м2); бактериологическая лаборатория, автоклавная (S=20м2); комната для гидробиологических исследований (S=16,5 м2); средоварочная и моечная (S=12 м2); помещение для хранения посуды и реактивов (S=15,6 м2); кабинет заведующего лабораторией (S=12 м2); комната для дежурного персонала (S=15,8 м2); контрольная лаборатория (S=15,1 м2); кабинет начальника станции (S=16 м2); мастерская для текущего ремонта мелкого оборудования и приборов (S=18 м2).
В конструктивном отношении здание каркасное. Шаг колонн 6 м. Пролет здания 15 м. Здание двухэтажное. Стены выполняются кирпичными толщиной 510 мм, внутренние перегородки – 380 мм. Полы помещений бетонные. Этажи вспомогательных помещений и зала фильтров соединяются самостоятельными лестницами, размещенными в удобных для эксплуатации местах.
Лестницы имеют уклон 1/3 с шириной марша 1 м.
5.6 Расчет сооружений для обработки промывных вод и обезвоживания осадка
В процессе эксплуатации очистных сооружений до 10% очищенной воды расходуется на контактные осветлители и барабанные сетки для промывки.
В качестве сооружений для обработки промывных вод принят резервуар-отстойник.
Определяется число резервуаров-отстойников по формуле
где N – число контактных осветлителей, равное 7 шт.,
t – период использования промывных вод в отстойнике, 6 ч,
nпр – число промывок каждого осветлителя, 2,
Tст – продолжительность работы станции в течении суток, 24 ч.
Принимается 4 резервуара-отстойника.
Определяется объем зоны осветления, м3, по формуле
где W – интенсивность промывки контактных осветлителей, 7 л/с·м2,
t – продолжительность промывки, 6 мин,
f – площадь одного осветлителя, 18,2 м2.
Размеры зоны осветления приняты равными 4×4×3 м. Высота защитной зоны принята равной 0,3м. Расстояние от уровня воды до верха резервуара – 0,5м. Зона на накопления осадка выполняется под углом 450 станком, с двумя конусами в резервуаре. Объем зоны накопления осадка Wнак=10,2 м3, найден по объему конусной части отстойника.
Количество взвешенных веществ, поступающих в отстойники за сутки, г, находится по формуле
где Со, Сф – содержание взвешенных веществ соответственно в поступающей на контактные осветлители воде (принятая равной 0,08 г/л) и фильтрате (равная 0,0015 г/л), Q – полная производительность станции, м3/сут.
Объем влажного осадка, выпадающего за сутки, определяется по формуле
где
- влажность осадка, для реагентной очистки – 99 %.
Продолжительность нахождения осадка в зоне уплотнения отстойника
где
- объем зоны накопления осадка.
Производительность насоса возврата осветленной воды на фильтры
где
- время откачки осветленной воды из отстойника, равное 24 ч.
Принимается насос марки К8/18. Кроме рабочего принимается один резервный насос.
Производительность насоса перекачки шлама на обезвоживание
где
- время откачки осадка из отстойника на шламовые площадки, 3 ч.
Принимается насос марки СД16/10. Один насос резервный.
Обезвоживание осадка
Перед утилизацией осадка, образовавшегося в резервуарах-отстойниках, требуется его обезвоживание. Суточный расход на станции очистки воды составляет Qос=14000 м3/сут, а объем влажного осадка Wос.сут =1,099 м3/сут. Для обезвоживания осадка принимается фильтр-пресс.
По данным величинам приняты 3 фильтр-пресса ФП-400/21 (один из которых резервный), с площадью поверхности фильтрования – 4,6 м2, занимаемая площадь составляет 1,5 м2. Размещаются фильтры-прессы в отдельном здании, недалеко от станции обработки промывных вод фильтров.
Преимущества фильтр-пресса в сравнении с другими сооружениями обезвоживания осадка состоит в следующем: глубокое обезвоживание, малая площадь, получение осадка с низкой влажностью. Фильтрат от фильтр-прессов имеет высокое качество и направляется в резервуар-отстойник.
6 Обеззараживание воды
Проект хлораторной установки предусматривает прехлорирование (ввод хлора перед очистными сооружениями) и постхлорирование (обеззараживание с вводом хлора в трубопровод перед резервуаром чистой воды).
Обеззараживание воды производится при помощи газообразного хлора, получаемого путем электролиза из раствора хлорида натрия на локальной установке Аквахлор-500М.
Расчетный часовой расход хлора определяется по формуле
(70)
где
- расчетная доза хлора, 2 мг/л.
Производительность одного модуля установки Аквахлор-500М по оксидантам (в пересчете на хлор) составляет 500 г/ч (или 0,5 кг/ч). Габаритные размеры установки 1715х600х600 мм, масса 135 кг.
Принимается четыре модуля Аквахлор-500М (три рабочих и один резервный).
Суточный расход хлорида натрия составит 2×1,2=2,4 кг/ч=57,6 кг/сут.
Раствор смеси оксидантов, полученный в установках, подается в поток обрабатываемой воды посредством прямого ввода по специально проложенному трубопроводу из поливинилхлорида.
7 ПРОЕКТИРОВАНИЕ НАСОСНОЙ СТАНЦИИ ВТОРОГО ПОДЪЕМА
Насосная станция второго подъема подает очищенную воду в водопроводную сеть на хозяйственно-питьевые нужды и пожаротушение.
Требуемый напор насоса, м, определим по формуле
(71)
где
– отметка земли в месте расположения водонапорной башни;
– отметка уровня воды в РЧВ;
– высота ствола водонапорной башни;
– высота бака башни;
– потери напора от НС2 до водонапорной башни.
Требуемая производительность второй ступени равна 741,94 м3/час. По расчетному напору и требуемой подаче выбран насос марки 1Д800-56. Диаметр рабочего колеса 430 мм. Масса агрегата 1710 кг. Насосный агрегат оборудован электродвигателем 5АН315 – А4 У3, Т3.
Основные размеры насосного агрегата приведены на рисунке 7.1
Рисунок 7.1 – Габаритные размеры насоса 1Д800-56
Характеристики насоса приведены на рисунке 7.2.
Рисунок 7.2 - Характеристики насоса 1Д800-56
Требуемый напор в час минимального водопотребления
Требуемая производительность первой ступени равна 219,83 м3/час.
Подобран насос Д320-50а. Диаметр рабочего колеса 365 мм. Масса агрегата 740 кг. Электродвигатель 5АН200L4 У3, Т3.
Основные размеры насосного агрегата приведены на рисунке 7.3
Рисунок 7.3 – Габаритные размеры насоса Д320-50а
Характеристики насоса приведены на рисунке 7.4.
Рисунок 7.4 - Характеристики насоса Д320-50а
Насосы и электрооборудование устанавливаются на фундаментной плите заводского изготовления. Расстояние от края рамы до крепежных болтов принимается 50 мм. В плите сопряжения фундаментов с полом устраиваем осадочные швы. Окончательная высота фундамента всех агрегатов определяется после составления схемы коммуникации внутри насосной станции.
7.1 Расчет всасывающих и напорных линий















