кутняков ПЗ (1193117), страница 5
Текст из файла (страница 5)
Размещаем подобранные решетки на плане и разрезе приемного резервуара, соблюдая расстояния. Вокруг решеток должен быть обеспечен проход, шириной не менее 1,2м
При механизированных решетках следует предусмотреть установку дробилок для измельчения отбросов и подачи измельченной массы в сточную воду перед решеткой или установку герметичных контейнеров с последующим их вывозом в места обработки твердых бытовых отходов.
Расчет дробилок решеток:
1. Определяем объем отбросов, снимаемых с решеток
где N – количество жителей в населенном пункте, 267000 чел;
qот – количество отбросов задерживаемых решетками, 8 л/год·чел;
2. Вычисляем массу отбросов, снимаемых с решеток, кг/сут:
где ρ – плотность отбросов, 750 кг/м3;
3. По справочным данным подбираем марку дробилки, выписываем ее технические данные и копируем ее установочный чертеж с размерами.
Подбор дробилок представлен в таблице 4.13.
Таблица 5.13 – Подбор дробилок.
| Марка дробил-ки | Производительность, кг/час | Электродвигатель | Масса, кг | Завод-изготовитель | |
| Мощность, кВт | Частота вращения, об/мин | ||||
Д – 3 | 300-600 | 20 | 1460 | 790 | Московский завод «Водоприбор» |
Установка резервной дробилки в приемном резервуаре предусматривается при количестве отбросов свыше 1 т/сут. При меньшем количестве отбросов резервная дробилка хранится на складе.
Устанавливаем в приемном резервуаре 2 дробилки (рабочую и резервную).
Вычерчиваем дробилку по габаритным размерам на плане приемного резервуара.
Необходимо предусмотреть одно из устройств для размещения и транспортирования отбросов от решеток к дробилке.
В подводящем канале перед решетками устанавливаются шиберные затворы, позволяющие перекрыть поток и выключить решетку из работы. Принимаем прямоугольный сварной затвор с электроприводом. Технические данные и габаритные размеры представлены в таблице 5.14.
Таблица 5.14 – Технические данные и габаритные размеры.
| A, мм | B, мм | H, мм | H, мм | L, мм | L1, мм | Время подъема или опускания щита, мин | Масса с электродвигателем, кг |
| 1000 | 1600 | 3500 | 1600 | 1000 | 1260 | 3,8 | 742 |
Перед каждым всасывающим патрубком в пазах устанавливаем шиберные затворы, позволяющие перекрыть поток cтoчнoй жидкости и выключить насос из работы. Габаритные размеры и технические характеристики:
- H=1950 мм;
- L=1850 мм;
- l=400 мм;
- b=170 мм;
- Допускаемый напор: 8 м;
- Масса: 684 кг.
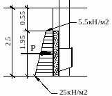
Сила гидростатического давления на шиберный затвор:
Рисунок 4.7 – Размеры и нагрузки шиберного затвора.
Усилие, необходимое для поднятия щитов:
где m – масса, 684 кг;
p – сила, 5501,4 Н.
Подбираем электрическую таль грузоподъемностью 2 т.
Технические характеристики Марки ТЭ2-511:
- L=705мм;
- L1=380мм;
- L2=720мм;
- A=372мм;
- H=6000мм;
- радиус закругления – 1м;
- высота подъема – 6м;
- масса – 320кг;
- № балок однорельсового пути – 24М, 30М, 36М;
- скорость подъема – 8м/мин;
- скорость передвижения – 20м/мин
- марка электродвигателя механизма подъема – АСВ1 – 42 – 4;
- мощность – 2,6кВт;
- частота вращения – 1350об/мин;
- марка механизма передвижения – АОЛ – 22 – 4;
- мощность – 0,4кВт;
- частота вращения – 1400об/мин.
5.9 Выбор подъемно-транспортного оборудования и определение высоты верхнего строения здания насосной cтaнции.
Выбор типа подъемно-транспортного механизма зависит от размеров здания, массы поднимаемого элемента, компоновки технологического оборудования, схемы подъемно-транспортных операций.
Определяем необходимую грузоподъемность подъемно-транспортного оборудования (ПТО) и его тип. Грузоподъемность назначается по массе наибольшей монтажной единицы с учетом 10-% надбавки. За монтажную единицу принимают насос, электродвигатель или задвижку. Для приемного резервуара КНС – решетку и дробилку. В насосной cтaнции системы водоотведения грузоподъемное оборудование подбирается для приемного резервуара и машинного зала отдельно. Согласно СНиП в здании насосной cтaнции должно быть предусмотрено следующее подъемно-транспортное оборудование: при массе груза до 5т – таль ручная или кран-балка подвесная ручная; при массе груза более 5т – кран мостовой ручной; при подъеме груза на высоту боле 6м или при длине подкранового пути более 18м – электрическое крановое оборудование.
Если в качестве ПТО приняты кран подвесной или кран мостовой, то определяется максимально допустимый пролет крана с учетом пролета здания насосной cтaнции: расстояние от внутренней стены или колонны до крана должно быть не менее 0,1м.
По требуемой грузоподъемности и максимально допустимому пролету выбираем тип ПТО, выписываем технические характеристики и габаритные размеры.
. Составляем схему подъемно-транспортных операций. В соответствии со справочником, в машинном зале необходимо предусмотреть монтажную площадку. Доставку оборудования и арматуры на монтажную площадку следует производить такелажными средствами или талью на монорельсе, выходящем из здания, а в обоснованных случаях – транспортными средствами. Минимальные
размеры монтажной площадки определяются из следующих соображений:
вокруг оборудования или транспортного средства, устанавливаемого на монтажной площадке в зоне обслуживания кранового оборудования, должен быть обеспечен проход шириной не менее 0,7м.
В насосных станциях заглубленного типа груз подается подъемно-транспортным оборудованием верхнего помещения к монтажному люку и через
него опускается на монтажную площадку заглубленного машинного зала. С этой площадки груз подается к месту монтажа грузоподъемным оборудованием машинного зала. Размеры монтажного люка определяются габаритами проносимого оборудования с учетом запаса не менее 0,3м с каждой стороны.
Высота верхнего строения определяется по формулам:
Для машинного зала, оборудованного подвесным краном или талью при въезде транспортного средства на монтажную площадку
, м (5.22)
где - H№ — высота подкранового пути, м;
H — размер крана (тали) при максимальном поднятии крюка, м;
hc — высота строповки груза, принимается 0,51м;
hг — высота груза, м;
hтр — погрузочная высота платформы автомобиля, м.
Для машинного зала, оборудованного мостовым краном
, м (5.23)
где - H1 — высота крана над головой подкранового рельса, м;
H — минимальная высота от зева крюка до головки рельса, м;
hc — высота строповки груза, принимается 0,51м;
hг — высота груза, м;
hтр — погрузочная высота платформы автомобиля.
При высоте машинного зала более 8,4м вспомогательные помещения могут быть выделены в отдельный блок и иметь меньшую высоту.
Высота пристроя определяется высотой камер трансформаторной подcтaнции. Если трансформаторная подстанция в здании отсутствует, то высоту вспомогательных помещений можно принять равным 3м.
Для насосной cтaнции системы водоотведения проверяют возможность установки подъемно-транспортного оборудования в подземной части здания.
Расчет выполняется для приемного резервуара и машинного зала отдельно. Если глубина подземной части обеспечивает нормальную работу ПТО, то над ней сооружают перекрытие, т.е. проектируют заглубленный тип насосной cтaнции. Минимально допустимое заглубление, при котором возможно такое решение, определяется условием:
, м (5.24)
где Hп — высота перекрытия, м;
H№ — высота подкранового пути, м;
H — размер крана (тали) при максимальном поднятии крюка, м;
hc — высота строповки груза, принимается 0,51м;
hг — высота груза, м;
hоб — высота установленного оборудования.
Если заглубление насосной cтaнции, определенное конструктивно не удовлетворяет условию, и разместить грузоподъемное оборудование в подземной части нельзя, то принимают полузаглубленный тип здания.
Выбор ПТО представлен в таблице 5.15.
Таблица 5.15 – Выбор подъемно-транспортного оборудования.
| Приемный резервуар | Машинный зал | |||
| Монтажные единицы | Решетка=1800кг Дробилка=790кг Затвор=742 кг | Высота 2,250м Высота 0,790м Высота 3,500м | Насос =3900кг ЭД=5050кг Задв=2660кг | Высота 7,76м Высота 1,600м Высота 2,845м |
| С учетом 10% надбавки | 1800+10%=1980кг | 5050+10%=5555кг | ||
| Для надземной части | ||||
| ЗИЛ – 130 – 76 , грузоподъемность 6т, размеры внутренней платформы: Длина=3,751м, Ширина=2,326м, Высота =0,575м, Погрузочная высота=1,450м, Размеры автомобиля: Длина=6,675м, Ширина=2,50м, Высота=2,40м, масса в заправленном состоянии=4,3т | ||||
Продолжение таблицы 5.15 – Выбор подъемно-транспортного оборудования.
| Приемный резервуар | Машинный зал | |||||
| Монтажные единицы | Решетка=1800кг Дробилка=790кг Затвор=742 кг | Высота 2,250м Высота 0,790м Высота 3,500м | Насос =3900кг ЭД=5050кг Задв=2660кг | Высота 7,76м Высота 1,600м Высота 2,845м | ||
| С учетом 10% надбавки | 1800+10%=1980кг | 5050+10%=5555кг | ||||
| Для надземной части | ||||||
| ЗИЛ – 130 – 76 , грузоподъемность 6т, размеры внутренней платформы: Длина=3,751м, Ширина=2,326м, Высота =0,575м, Погрузочная высота=1,450м, Размеры автомобиля: Длина=6,675м, Ширина=2,50м, Высота=2,40м, масса в заправленном состоянии=4,3т | ||||||
| Вид ПТО | Кран подвесной ручной, пролет 10,2м грузоподъемность 2т, № двутавра для подкранового пути 36, размер крана при максимальном поднятии крюка H=1,01м | Кран мостовой электрический, пролет 11м, грузоподъемность 10т, высота крана над головой подкранового рельса 0,25м, минимальная высота от зева крюка до головки рельса 1,9м, | ||||
| Расчетная высота верхнего строения | 0,36+1,01+0,5+4,4+0,3+1,45=8,02м | 0,1+0,25+1,9+0,5+3,312+0,3+1,45=7,81м | ||||
| Принятая высота верхнего строения | 8,4м | |||||
| Для подземной части | ||||||
| Вид ПТО | Кран подвесной ручной, пролет 10,2м грузоподъемность 2т, № двутавра для подкранового пути 36, размер крана при максимальном поднятии крюка H=1,01м | Кран мостовой электрический, пролет 11м, грузоподъемность 10т, высота крана над головой подкранового рельса 0,25м, минимальная высота от зева крюка до головки рельса 1,9м, | ||||
| Заглубление, требуемое для работы ПТО | 0,22+0,36+1,01+0,5+4,4+0,5+2,25=9,24м | 0,22+0,25+1,9+0,5+3,312+0,5+7,76=14,442м | ||||
| Заглубление помещения, определенное конструтивно | 7,140м | 9,20м | ||||
| Тип помещения | Т.к. 7,14м < 9,24м, то ПТО в подземной части установить нельзя. Принимаем полузаглубленный тип помещения. | Т.к. 9,20м < 14,442м, то ПТО в подземной части установить нельзя. Принимаем полузаглубленный тип помещения. | ||||
Для машинного зала подобрали кран мостовой электрический. Техническая характеристика и габаритные размеры представлены в таблице 5.16.
Таблица5.16 – Техническая характеристика и размеры КМЭ.
| Грузоподъ-емность, т | Пролет крана, м | H, мм | A, мм | B1, мм | h, мм | h2, мм | L1, мм | L2, мм | Размеры тележки | Давление колеса на рельс подкранового пути, тс | Общая масса крана, кг | Завод-изготовитель | |
| База, мм | Ширина, мм | ||||||||||||
| 10 | 11 | 1900 | 250 | 260 | 500 | 250 | 1200 | 1100 | 4400 | 6300 | 11,5 | 17 | Комсомольский – на – Амуре подъемно-транспортного оборудования |
Для приемного резервуара подобрали кран подвесной ручной. Техническая характеристика и габаритные размеры представлены в таблице 5.17.















