диплом на печать (1192948), страница 6
Текст из файла (страница 6)
Рисунок 2.12 – Разумное расположение инструмента
Третий этап - заключается в чистоте.
Содержите рабочее положение в чистоте:
-
установите предметы с целью постоянной уборки;
-
поставите цикличность уборки;
-
согласитесь о законах;
-
распределите обязательство.
Четвертый этап - нормализация, т.е. придерживаться точность из-за расчет постоянного исполнения первых трех S.
-
составьте схему движения;
-
установите любой рабочий шаг;
-
установите способы деятельности;
-
разработайте указания для работников;
-
отбейте значимые сведения в дощечке данных.
Пятый этап - усовершенствование, т.е. трансформация определенных операций и их усовершенствование. данные воздействия необходимо выполнять постоянно. В соответствии с двумя заключительным пунктами организации 5S, все действия должны быть стандартизованы и прокладываться систематически, и стать частью ежедневно выполняемой работы. Беспрерывно предлагайте, что же допускается усовершенствовать.
Рисунок 2.13 – Применение системы 5S
Главные итоги использования системы 5S:
-
повышение производительности работы, как результат увеличение степени прибыли работников и доходы компании;
-
повышение доверия фирмы и ее продукции;
-
высвобождение площадей;
-
снижение числа некачественного продукта.
-
Бережливое производство в линейных цехах СЦБ
Решение проблемы увеличения производительности деятельность ОАО «РЖД» неосуществимо реализовать без оборудования путей передовыми и беспроигрышными промышленными технологиями. Деятельность согласно совершенствованию и формированию новых приборов проводятся беспрерывно. Ряд исследований губят вплоть до периода многоопытной эксплуатации, введения либо обширного использования. Тем не менее в том числе и никак не засланные исследования представляют позитивную значимость. В ходе формирования новых конструкций, их лабораторных и рабочих тестирований скапливается навык создателей, единичные более многообещающие мысли и промышленные заключения применяются в дальнейших исследованиях, отклоняются неверные и неперспективные заключения. В нынешнее период в стезях ОАО «РЖД» эксплуатируется существенное количество конструкций жд автоматики и телемеханики с вышедшим сроком амортизации. Наиболее распространёнными в РФ режимами интервального регулировки перемещением поездов представлены числовая кодовая блокировка и импульсно – проводная блокировка, гальванические схемы каковых созданы в электромеханических термореле.
Главным минусом данных конструкций автоблокировки представляется невысокая безопасность электромеханических устройств (маятниковых трансмиттеров, трансмиттерных реле, кодовых дорожных трансмиттеров), что в ходе эксплуатации пребывают в стабильной динамике, что же приводит к стремительной выработке их ресурса. Зачастую изнашивание контактов устройств участвующих в создании кодовых сигналов приводит к искажениям кодовых импульсов в рельсовой цепочки и, равно как результат, к перебоям в труде самодействующей движущей сигнализации, переездный сигнализации либо патологиям в труде автоблокировки в полном. Результатом долгого несогласия такого рода организации вытребовавшей несостоятельную приостановку либо уменьшение быстроты поезда представлены непосредственные финансовые утраты, сопряженные с заминками поездов и уменьшение степени защищенности перемещения поездов. Смена функционирующих конструкций автоблокировки в иную концепцию призывает крупных важных расходов. Однако, невзирая в каждый год подрастающие темпы модернизации конструкций автоматики и телемеханики, смены их в наиболее надёжные микропроцессорные аналоги проблема увеличения стабильной деятельность функционирующих конструкций остаётся никак не меньше значимым в нынешних обстоятельствах С мишенью увеличения прочности и защищенности функционирования приборов ведется усовершенствование единичных компонентов посредством усовершенствования их установки, данных и усовершенствование технологические процессы производства. Действенным заключением задачи электромеханических устройств в нынешних обстоятельствах представляется смена их в неконтактные электрические оборудование. Никак не меньше значимой, согласно собственному значению, исследованием представляется электронный регулятор импульсов ДИМ - 1, рассчитанный с целью применения в обмен автоматических маятниковых трансмиттеров вида МТ-1 и МТ-2 рядом эксплуатации в жд переездах и постах гальванической централизации в свойстве измерителя пульсирующего управления рельсовыми цепями, подмаргивающими огнями ламп переездных светофоров и автошлагбаумов, а кроме того ламп дорожных светофоров. Регулятор импульсов ДИМ-1 имеет возможность располагаться в металических шкафах внешней конструкции и постоянно действовать в условиях низких температур, что считалась основанием приостановки автоматических маятниковых трансмиттеров. Неконтактные оборудование таким (образом ведь имеют огромным быстродействием, обладают небольшие объемы и изобилие, меньше подвергаются воздействию пульсации с идущего мобильного состава, период работы подобных устройств никак не находится в зависимости с Количества их срабатывания, из-за неимения автоматических движений
Одним из главных преимуществ бесконтактных приборов кодирования в сравнении с электромеханическими является увеличение срока межинтервальных профилактических проверок в ремонтном технологическом участке РТУ предприятия - дистанции сигнализации, централизации и блокировки. Так МТ с контактной системой проверяются в условиях РТУ – один раз в год. В свою очередь проверка микроэлектронного датчика импульсов ДИМ и вовсе выполняется один раз в 10 лет. Экономическая эффективность от внедрения этих современных приборов бесконтактного кодирования рельсовых цепей очевидна. Используя, таким образом, современные технологии, удается преобразовать устаревшие системы автоматики управляющих движением поездов, как на станции, так и на перегоне и сделать их по-настоящему перспективными, и более надёжными, а также снизить эксплуатационные расходы на их обслуживание, причем даже при более высокой стоимости применяемых бесконтактных приборов[1].
Поэтому был разработан еще один проект бережливого производства:
-
«Оптимизация процесса периодической замены устройств- маятников на ДИМ1-2П»
В соответствии с Концепцией применения технологий бережливого производства в ОАО «РЖД», утвержденной 28 июня 2010 г. №11250, для сокращения потерь на обслуживание устройств, при замене маятников на ДИМ1-2П приказываю: утвердить Паспорт проекта «Сокращение потерь на обслуживание устройств, при замене маятников на ДИМ1-2П, оптимизация процесса периодической замены приборов». Приступить к реализации проекта «Сокращение потерь на обслуживание устройств, при замене маятников на ДИМ1-2П, оптимизация процесса периодической замены приборов» с 04.05.2016г и завершить реализацию 30.10.2016г. Назначить руководителем проекта – главного инженера дистанции.
Руководителю проекта:
-
по наступлению срока окончания реализации проекта в течении 5-ти рабочих дней предоставить куратору проекта отчет установленной формы о статусе проекта, а также о возможных отклонениях от графика и имеющихся проблемах реализации проекта.
-
по завершении реализации проекта в течении 5 рабочих дней представить куратору проекта отчет о закрытии проекта и фактически полученного экономического эффекта;
-
обеспечить команду проекта необходимыми ресурсами для реализации проекта;
-
осуществлять мониторинг хода реализации проекта улучшения, анализ полученных результатов;
-
при наличии проблем в реализации проекта оперативно реагировать на сложившиеся обстоятельства, оказывать содействие команде проекта;
-
по завершению реализации проекта инициировать подготовку приказа о закрытии проекта по установленной форме;
-
контроль за исполнением данного приказа возложить на главного инженера дистанции.
Цель проекта:
Сокращение потерь на обслуживание устройств при замене маятников на ДИМ1-2П, оптимизация процесса периодической замены приборов.
Для начала рассмотрим некоторые характеристики этих приборов и их назначение.
Маятниковые трансмиттеры применяются в устройствах ж.д. автоматики и телемеханики в качестве датчиков импульсов. Трансмиттер типа МТ-1 используется для работы в устройствах автоблокировки для питания импульсных рельсовых цепей постоянного тока. Трансмиттер тип МТ-2 служит для управления работой мигающих огней светофоров в устройствах электрической централизации, автоблокировки и переездной сигнализации. Напряжение питания постоянным током при параллельном включении катушек составляет 12 В, при последовательном – 24 В. Число колебаний маятника в минуту у МТ-1 равно 105 10, а у МТ-2 равно 40 2.
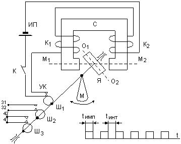
Рисунок 2.14 – Функциональная схема маятникового трансмиттера
Маятниковый трансмиттер МТ-1.Основными частями маятникового трансмиттера являются: электромагнитная система (сердечник С и якорь Я); ось с шайбами Ш1, Ш2, Ш3; маятник М ; контактные группы (УК – управляющий контакт, 31-32, 41-42 – рабочие контакты).
Электромагнитная система состоит из сердечника С с полюсными наконечниками, между которыми помещен якорь Я. На ось якоря насажен маятник М и гетенаксовые шайбы Ш1, Ш2, Ш3 которые переключают контактные группы. На сердечник помещены катушки К1 и К2. Якорь насажен на ось так, чтобы в спокойном положении (при разомкнутом контакте К) маятника ось якоря (О1 – О2) не совпадала с магнитной осью (М1 – М2). В этом положении кулачковой шайбой Ш1 замкнут управляющий контакт УК. При включении источника питания контактом К якорь Я, под действием магнитного поля между полюсами сердечника С, поворачивается против часовой стрелки, стремясь занять положение по оси М1 – М2. Вместе с якорем поворачиваются маятник и кулачковые шайбы Ш1, Ш2, Ш3. Управляющий контакт при этом размыкается и разрывает цепь электрического тока в катушках К1 и К2. Маятник по инерции продолжает замедленное движение за счет запасенной кинетической энергии, затем под действием силы тяжести маятник вместе с осью и якорем начинает движение в обратном направлении. В момент когда маятник находится в нижнем положении шайба Ш1 замыкает управляющий контакт УК и создается цепь для протекания тока по обмоткам катушек К1 и К2. Однако маятник по инерции еще продолжает движение, затем движение снова совершается против часовой стрелки.
При прохождении якоря через среднее положение снова замыкается контакт УК и через обмотки будет протекать ток. Якорь вместе с маятником получают дополнительное усилие. Таким образом, за счет энергии источника питания при каждом прохождении среднего положения маятник получает дополнительное ускоряющее усилие, и устанавливаются непрерывные автоматические колебания. Трансмиттер МТ-1 совершает 95…115 колебаний в минуту, с такой же частотой замыкаются и размыкаются контакты 31-32 и 41-42. Через эти контакты осуществляется включение цепей питания в импульсных рельсовых цепях.
Трансмиттер МТ-2. Трансмиттер МТ-2 применяется в схемах включения светофоров для обеспечения мигающего горения ламп. Он имеет аналогичное устройство и отличается главным образом длительностью вырабатываемых импульсов и интервалов. Он совершает 40 колебаний в минуту, его контакт 31-32 замкнут и разомкнут в течение 0,75 + 0,1 с, а контакт 41-42 замкнут в течение 1 + 0,05 с, а разомкнут в течение 0,5 + ).1 с. В положении покоя (якорь в нижнем положении) контакт 41-42 замкнут, а контакт 31-32 разомкнут.
В настоящее время для замены электромеханических датчиков импульсов МТ-1 МТ-2 и др., широкое распространение в СЖАТ находят приборы, выполненные на современной микроэлектронной базе ДИМ-1, ДИМ-2, ДИМ-3.
Датчик импульсов ДИМ-1. Датчик импульсов микроэлектронный ДИМ-1 предназначен взамен маятниковых трансмиттеров МТ-1 и МТ-2 для эксплуатации на железнодорожных переездах и постах электрической централизации в качестве датчика импульсного управления рельсовыми цепями, мигающими огнями ламп переездных светофоров и авто шлагбаумов, а также ламп путевых светофоров. ДИМ-1 может размещаться в металлических шкафах наружной установки (т.е. работать при пониженной температуре). Датчик ДИМ-1 имеет штепсельное включение и помещен в корпус реле РЭЛ. Электрические схемы размещены на двух платах А1 – формирования импульсов и А2 – усилителя.
Датчик ДИМ-1 выпускается заводом в варианте исполнения ДИМ-1.2. Перестройка датчика ДИМ-1.2 в ДИМ-1.1 осуществляется в условиях РТУ дистанций сигнализации и связи путем установки перемычки между выводом 10 (IN2) платы А2 и выводом 6 (OUT4) платы А1. Параметры импульсов вырабатываемых микромодулем платы А1 приведены в таблице. Наличие нескольких последовательно включенных сопротивлений в коллекторных цепях транзисторов VT1 и VT2 позволяет путем установки внешних перемычек обеспечить требуемый режим работы усилителей при подключении различных нагрузок. В качестве нагрузок являются, как правило, различные типы реле.
Рисунок 2.16 – Схема включения ДИМ-1 для управления красными мигающими огнями переездных светофоров.















