ПЗ Марченко Д.А. (1190654), страница 4
Текст из файла (страница 4)
, (1.4)
где
и
- средняя температура наружного воздуха,
, и продолжительность,
, отопительного периода;
- расчетная температура внутреннего воздуха здания,
.
Для г. Хабаровск
,
, для общественных зданий
Согласно [18, п. 4.4.2] Приведенное сопротивление стены теплопередаче определяется по формуле:
, (1.5)
где
- условное сопротивление теплопередаче однородной ограждающей конструкции,
- коэффициент теплотехнической однородности ограждающей конструкции.
(1.6)
где
и
- коэффициенты теплоотдачи внутренней и наружной поверхностей соответственно,
;
- термическое сопротивление одного слоя материала стены,
;
- толщина слоя, м;
- коэффициент теплопроводности материала слоя,
По [17, таб. 4,6] для стен
, для конструкции стены с навесной фасадной системой с утеплителем из синтетического связующего и облицовочными фиброцементными панелями, образующие вентилируемую воздушную прослойку
,
. Проверяем выполнение поэлементного требования.
- условие выполняется
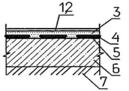
1.5.6 Крыша
В проекте разрабатывается двускатная крыша со стропильной системой из металлических балок и стропил. Кровля принята из металлочерепицы с организованным наружным водостоком. Утеплитель чердачного перекрытия приняты плиты теплоизоляционные на синтетическом связующем и состоит из двух слоев: верхний –БАЗАЛИТ ПТ – 200 толщиной 60 мм, нижний – БАЗАЛИТ ПТ – 150 толщиной 120 мм ТУ 5769-017-00287220-2005.
Принятая конструкция кровли изображена на рисунке 1.10.
Сведения о составе, толщине, теплотехнических характеристиках материалов слоев кровли приведены в таблице 1.6
Таблица 1.6 – Характеристика элементов принятой конструкции кровли
| Наименование материала слоя | Толщина слоя (м) | Плотность (кг/м3) | Коэффициент теплопроводности Вт/м·°С |
| 1. Железобетонная плита покрытия | 0,2 | 2500 | 2,04 |
| 2. Плиты из Базальтового волокна БАЗАЛИТ ПТ – 150 | 0,12 | 125 | 0,046 |
| 3.Плиты из Базальтового волокна БАЗАЛИТ ПТ – 200 | 0,06 | 175 | 0,048 |
| 4. Цементно-песчаная стяжка | 0,03 | 1800 | 0,93 |
Узел кровли и узел водосточной трубы показаны на рисунках 1.11, 1.12 .
Рисунок 1.11 Узел кровли
Рисунок 1.12 Узел водосточной трубы
1.5.6.1 Определение толщины утеплителя кровли из условия теплопередачи
Приведенное сопротивление теплопередаче конструкции покрытия определяется по формуле 1.9
(1.7)
где
и
- коэффициенты теплоотдачи внутренней и наружной поверхностей соответственно,
;
- термическое сопротивление одного слоя материала покрытия,
;
- толщина слоя, м;
- коэффициент теплопроводности материала слоя,
По [17, таблица 4, таблица 6] для покрытий
,
- условие выполняется
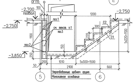
1.5.7 Лестницы
В данном проекте приняты монолитные железобетонные лестницы вместе с монолитными железобетонными площадками. Ширина лестничного марша составляет 1350 мм. Длина проступи – 300 мм, высота проступи – 220 мм (кроме лестничных маршей, ведущих на тех. этаж и в подвал школы, высота их проступи составляет 300 мм).
Узел лестницы изображен на рисунке 1.13
Рисунок 1.13 Узел лестницы
1.5.8 Перегородки
Перегородки должны удовлетворять следующим требованиям: устойчивости, прочности, звукоизоляциионным качествам, гвоздимости, санитарной гигиены и т.д.
Для определения толщины перегородок, критерием является требование звукоизоляции. В зависимости от него перегородки могут приниматься одинарные и двойные.
В проекте принимаем перегородки из андезитобазальтовых блоков (экобоков) марки 75 на растворе М50 ГОСТ 6133-99, толщиной 400 мм, 240 мм, 90 мм.
Перегородки толщиной 240 мм – со звукоизолирующим слоем из плит на синтетическом связующем Базалит ПТ – 150 по ТУ 5769-017-0287220-2005 толщиной 60 мм.
Перегородки толщиной 400 мм выполняются после монтажа и приемки системы вентиляции.
Перегородки санузлов – щитовые из ДСП ГОСТ 10632-88.
Перегородки гардеробных со стороны коридора – стационарные алюминиевые с заполнением в нижней части на высоту 1,2 м ГКЛ с металлопластиком, верхняя часть остекляется.
Узлы примыкания перегородок к несущим и ограждающим конструкциям изображены на рисунке 1.14.
Рисунок 1.14 Узлы крепления перегородок к несущим конструкциям
1.5.9 Полы
Полы общественных зданий проектируются в зависимости от назначения здания и отдельных его помещений. Для принятых типов полов составляется экспликация полов таблица 1.7.
Таблица 1.7 – Спецификация элементов заполнения проемов.
| Номер помещения | Схема пола | Элементы пола и их толщина, мм | Площадь пола, м2 |
| Экспликация полов подвала | |||
Продолжение таблицы 1.7
| 17, 18 | 1.Линолиум FORBO SMARGD с проклейкой швов – 5 мм; 2.Прослойка из быстротвердеющей мастики на водостойких вяжущих – 1 мм; 3.Стяжка из цементно-песчаного раствора М150 – 30 мм; 4.Гидроизоляция-1 слой стекломаста «П» (наплавлением); 5.Стяжка из цементно-песчаного р-ра – 10 мм; 6.Подстилающий слой бетона – 80 мм; 7.Подсыпка из ПГС | 84,90 | |
| 1,2,3,7,9,10,11, 13,16,19,20,21, 22,23,24 | 1.Керамическая плитка ГОСТ 6787-2001 – 10 мм; 2.Прослойка из цементно-песчаного раствора М150 – 15 мм ; 3.Подстилающий слой бетон – 80 мм; 4.Подсыпка из ПГС | 766,23 | |
| 12,14,6,15 | 1.Керамическая плитка – 10 мм; 2.Прослойка из цементно-песчаного раствора М150 – 15 мм; 3.Стяжка из цементно-песчаного раствора М150 – 30 мм; 4.Гидроизоляция – 1слой; 5.Стяжка из цементно-песчаного р-ра – 10 мм; 6.Подстилающий слой бетон – 80 мм; 7.Подсыпка из ПГС | 134,09 |
Продолжение таблицы 1.7
| 4,5,8 | 1.Керамическая плитка – 10 мм; 2.Прослойка из цементно-песчаного раствора М150 – 15 мм; 3.Стяжка из цементно-песчаного раствора М150 – 30 мм; 4.Гидроизоляция – 2слоя; 5.Стяжка из цементно-песчаного р-ра – 10 мм; 6.Подстилающий слой бетон – 80 мм; 7.Подсыпка из ПГС | 19,40 | |
| Экспликация полов первого этажа | |||
| 12,17,16,18, 24,25 | 1.Линолиум FORBO SMARGD с проклейкой швов – 5 мм; 2.Прослойка из быстротвердеющей мастики на водостойких вяжущих – 1 мм; 3.Стяжка из легкого бетона В7,5 – 74 мм; 4.Монолитная плита – 200 мм | 190,39 | |
| 1 – 5,14,19,27 20,21,26 | 1.Керамогранит – 10 мм; 2.Прослойка из цементно-песчаного раствора – 20 мм; 3.Стяжка из легкого бетона -50 мм; 4.Монолитная плита – 200 мм | 683,6 | |
| 6,7,9,10,8,11,23 | 1.Керамическая плитка – 10 мм; 2.Прослойка из цементно-песчаного раствора М150 – 35 мм; 3. Гидроизоляция 2 слоя стеклопласта «П – 5 мм; 4.Стяжка из цементно-песчаного р-ра – 10 мм; 5. Монолитная плита - 200 мм | 70,86 | |
Продолжение таблицы 1.7
| Лестничная летка №1 | 1.Керамогранит – 10 мм; 2.Прослойка из цементно-песчаного раствораМ150 – 20 мм 3.Лестничная площадка – 160 мм | 110,8 | |
| Лестничная летка №2 | 139,54 | ||
| Экспликация полов второго этажа | |||
| 8 -11, 14 – 16, 21,22 | 1.Линолиум FORBO SMARGD с проклейкой швов – 5 мм; 2.Прослойка из быстротвердеющей мастики на водостойких вяжущих – 1 мм; 3.Стяжка из легкого бетона В7,5 – 74 мм; 4.Монолитная плита – 200 мм | 429,44 | |
| 1,13,18,24,25, 17,23 | 1.Керамогранит – 10 мм; 2.Прослойка из цементно-песчаного раствора – 20 мм; 3.Стяжка из легкого бетона -50 мм; 4.Монолитная плита – 200 мм | 449,95 | |
| 2,3,5,6,7,4,20 | 1.Керамическая плитка – 10 мм; 2.Прослойка из цементно-песчаного раствора М150 – 35 мм; 3. Гидроизоляция 2 слоя стеклопласта «П – 5 мм; 4.Стяжка из цементно-песчаного р-ра – 10 мм; 5. Монолитная плита - 200 мм | 75,24 | |
| Лестница Л1 | 1.Керамогранит – 10 мм; 2.Прослойка из цементно-песчаного раствораМ150 – 20 мм 3.Моналитная плита – 200 мм | 37,5 | |
| Экспликация полов третьего этажа | |||
Продолжение таблицы 1.7
| 8 – 11,17,16,14, 18,19,20,21,23 | 1.Линолиум FORBO SMARGD с проклейкой швов – 5 мм; 2.Прослойка из быстротвердеющей мастики на водостойких вяжущих – 1 мм; 3.Стяжка из легкого бетона В7,5 – 74 мм; 4.Монолитная плита – 200 мм | 435,15 | |
| 1,2,5,13,15,26, 27,28,29 | 1.Керамогранит – 10 мм; 2.Прослойка из цементно-песчаного раствора – 20 мм; 3.Стяжка из легкого бетона -50 мм; 4.Монолитная плита – 200 мм | 442,09 | |
| 2 – 7,24 | 1.Керамическая плитка – 10 мм; 2.Прослойка из цементно-песчаного раствора М150 – 35 мм; 3. Гидроизоляция 2 слоя стеклопласта «П – 5 мм; 4.Стяжка из цементно-песчаного р-ра – 10 мм; 5. Монолитная плита - 200 мм | 74,48 | |
| Экспликация полов четвертого этажа | |||
| 1 – 4,9 – 13,18, 20,21 | 1.Линолиум FORBO SMARGD с проклейкой швов – 5 мм; 2.Прослойка из быстротвердеющей мастики на водостойких вяжущих – 1 мм; 3.Стяжка из легкого бетона В7,5 – 74 мм; 4.Монолитная плита – 200 мм | 447,47 | |
Окончание таблицы 1.7
| 5,7,8,15,22 | 1.Керамогранит – 10 мм; 2.Прослойка из цементно-песчаного раствора – 20 мм; 3.Стяжка из легкого бетона -50 мм; 4.Монолитная плита – 200 мм | 390,73 | |
| 16,17,19,23 | 1.Керамическая плитка – 10 мм; 2.Прослойка из цементно-песчаного раствора М150 – 35 мм; 3. Гидроизоляция 2 слоя стеклопласта «П – 5 мм; 4.Стяжка из цементно-песчаного р-ра – 10 мм; 5. Монолитная плита - 200 мм | 24,85 |
1.5.10 Окна
В проекте приняты витражи и оконные блоки. Витражи выполнены из алюминиевых фасадных систем «SCHUCO» с заполнением двухкамерными стеклопакетами.















