ВКР версия 5.0.Релиз (1189748), страница 11
Текст из файла (страница 11)
КЗ – короткое замыкание (или короткозамкнутый ротор);
АД – асинхронный двигатель;
ШЭМ – шкаф электромонтажный;
СР – среда разработка.
ПРИЛОЖЕНИЕ А
Общие сведения
1 – крановая тележка с грузоподъемным механизмом; 2 – ферма; 3 – кабель; 4 – балка с талью для ремонта тележки; 5 – троллеи; 6 – консоли; 7 – кабина управления; 8 – опоры; 9 – ходовые тележки; 10 – распорные балки; 11 – пускорегулирующая аппаратура;
Рисунок А.1 – Общий вид крана КДКК-10.
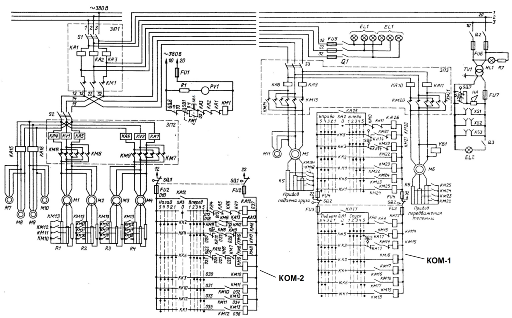
Рисунок А.2 - Принципиальная электрическая схема крана КДКК-10.
ПРИЛОЖЕНИЕ Б
Обозначения элементов на чертежах
Таблица Б.1 – Перечень элементов к чертежу БР 13.03.02 025 Э11
| Поз., обозначение | Наименование | Количество | Примечание |
| КП1, КП2 | Координатный переключатель | 2 | |
| КнП | Кнопка «Пуск» | 1 | |
| КнС | Кнопка «Стоп» | 1 | |
| КнО | Кнопка «Сброс» | 1 | |
| ПВ1...ПВ5 | Концевой выключатель | 5 | |
| ПЛК | Промышленный логический контроллер | 1 | |
| БП | Блок питания | 1 | |
| СС | Световая сигнализация | 1 | |
| ЗС | Звуковая сигнализация | 1 | |
| УГО | Устройство графического отображения | 1 | |
| КМ1, КМ2 | Контактор | 2 | |
| QF1...QF14 | Автоматический выключатель | 14 | |
| ПЧ1...ПЧ6 | Преобразователь частоты | 6 | |
| М1…М6 | Асинхронный двигатель | 6 | |
| ДКАВ1… ДКАВ14 | Дополнительный контакт автоматического выключателя | 14 | |
| ДВ | Датчик ветра | 1 |
Продолжение таблицы Б.1
| Поз., обозначение | Наименование | Количество | Примечание |
| ТДВ | Тензометрический датчик веса | 1 | |
| ДТ | Датчик температуры | 1 | |
| ЭМТ | Электромагнитный тормоз | 1 |
Таблица Б.2 – Перечень элементов к чертежу БР 13.03.02 025 Э01
| Поз., обозначение | Наименование | Количество | Примечание |
| А1…А6 | Преобразователь частоты | 6 | |
| М1…М5 | Асинхронный двигатель с фазным ротором | 6 | |
| QF1...QF14 | Автоматический выключатель с тепловым и электромагнитным расцепителями | 14 | |
| КМ1, КМ2 | Контактор | 2 | |
| ЭМТ | Электромагнитный тормоз | 1 | |
| L1…L6 | 3х фазный дроссель | 6 | |
| Rт | Тормозные резисторы | 4 | На схеме изображен одно эквивалентное сопротивление |
Таблица Б.3 – Перечень элементов к чертежу БР 13.03.02 025 Э02
| Поз., обозначение | Наименование | Количество | Примечание |
| TV1 | Разделительный трансформатор | 1 | |
| БП1 | Блок питания | 1 | |
| КП1, КП2 | Координатный переключатель | 2 | В КП встроены потенциометры R, R1, R2 |
| FU3…FU6 | Плавкий предохранитель | 4 | |
| HL1 | Световой индикатор | 1 | Выполняет роль световой сигнализации |
| HA1 | Звуковой зуммер | 1 | Выполняет роль звуковой сигнализации |
| KM1, KM2 | Катушки контакторов KM1, KM2 | 2 | |
| SB1…SB3 | Управляющие кнопки | 3 | Кнопки «Пуск», «Стоп» и «Сброс» |
| WG/O | Датчик ветра | 1 | |
| Z-SG | Преобразователь сигнала тензодатчика | 1 | |
| Тензо | Тензометрический датчик веса | 1 | |
| STO300 | Датчик температуры | 1 | |
| SQ1…SQ5 | Концевой выключатель | 5 |
ПРИЛОЖЕНИЕ В
Программное обеспечение
Рисунок В.1 - Конфигурация аппаратной части ПЛК.
Рисунок В.2 - Таблица переменных
Рисунок В.3 - Конфигурация Ethernet порта ПЛК
Рисунок В.4 - Определение ПЧ в СР
Рисунок В.5 - Реализация алгоритма подачи напряжения в силовую цепь
Рисунок В.6 - Масштабирование входных аналоговых сигналов
Рисунок В.7 - Алгоритм задания скорости двигателям, ч.1
Рисунок В.8 - Алгоритм задания скорости двигателям, ч.2
Рисунок В.9 - Алгоритм обработки аварийных событий, ч.1
Рисунок В.10 - Алгоритм обработки аварийных событий, ч.2
Рисунок В.11 - Настройка IP-адреса ведущего устройства для сенсорной панели
Рисунок В.12 - Таблица переменных в СР Vijeo Designer
Рисунок В.13 - Графический интерфейс отображения параметров системы
Рисунок В.14 - Графический интерфейс отображения сообщений об авариях
Рисунок В.15 - Работа сенсорной панели в режиме симуляции, ч.1
Рисунок В.16 - Работа сенсорной панели в режиме симуляции, ч.2
Рисунок В.17 - Работа сенсорной панели в режиме симуляции, ч.3














