прочность5 (1095687)
Текст из файла
Раздел 4. Прочностные расчеты.
4.1. Расчет дискового поршня.
Расчёт производим по [6]
Напряжение в сечении поршня:
где z-число ребер; ∆-ширина ребер; rн = Dп - 2δ, δ-ширина стенки;
ri-внутренний диаметр поршня;
Максимальное напряжение от изгиба
4.3.2. Расчет на прочность стержня шатуна.
Расчёт производим по [6]
Расчет стержня выполняем в наименьшем поперечном сечении шатуна, имеющего форму двутавра (рисунок 4.3).
Рисунок 4.3. Форма поперечного сечения стержня шатуна.
Геометрические параметры сечения:
Находим площадь сечения:
Определяем момент инерции сечения относительно оси X:
Определяем момент инерции сечения относительно оси Y:
Суммарное напряжение от сжатия и продольного изгиба определяем по формулам Навье-Ренкина:
где Рсж - максимальная сила сжатия, равная максимальной положительной
шатунной силе, Рсж = 76,51 кН=76510 Н;
L - длина шатуна, L = 0,05 м.
Коэффициент с находим по формуле:
где σупр - предел упругости материала, σупр = 630 МПа;
Е - модуль упругости, Е = 2·105 МПа.
Находим напряжение растяжения по формуле:
где Рр - растягивающая сила, равная наименьшей отрицательной шатунной
силе, Рр = 81,88 кН=81880 Н.
Определяем среднии напряжения в поперечном сечении шатуна:
Находим амплитудные напряжения в поперечном сечении шатуна:
Рассчитываем запасы прочности стержня шатуна:
где σ-1р - предел выносливости материала при растяжении, σ-1р = 250 МПа;
ασ - коэффициент, зависящий от характеристик материала, принимается
равным 0,05…0,2 [5], ασ = 0,15.
Запасы прочности стержня шатуна получились больше допустимых минимальных значений запаса прочности, следовательно стержень шатуна выдержит приложенные к нему нагрузки.
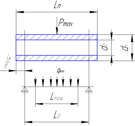
4.3.3. Расчет на прочность верхней головки шатуна.
Расчёт производим по [6]
Расчетная схема верхней головки шатуна представлена на рисунке 4.4.
Рисунок 4.4. Расчетная схема верхней головки шатуна.
Геаметрические параметры: d0 = 0,09 м; dн = 0,15 м; dвн = 0, 105 м;
Lп.г = 0,08 м. Определяем среднее давление на верхнюю головку шатуна по формуле:
Находим масксимальное напряжение растяжения:
Находим амплитудное напряжение, равное среднему напряжению, по формуле:
Рассчитываем запас прочности верхней головки шатуна:
где Кσ = 1,5 [6].
Запас прочности верхней головки шатуна получился больше допустим- ого минимального значениязапаса прочности, следовательно, верхняя голов- ка шатуна выдержит приложенные к ней нагрузки.
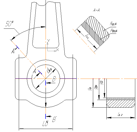
4.3.4. Расчет на прочность кривошипной головки шатуна.
Расчёт производим по [6]
Расчетная схема кривошипной головки шатуна представлена на рисунке 4.5.
Рисунок 4.5. Расчетная схема кривошипной головки шатуна.
Геометрические параметры: Fкр.А = Fкр.В = 0,0042 м2;
Fвт.А = Fвт.В = 0,0006 м2; R0 = 0,09 м; Rв = 0,0975 м;
Rн = 0,15 м; Lк.г = 0,09 м; Lб = 0,235м.
Опредлеяем силу, действующую на кривошипную головку шатуна:
где r - радиус кривошипа, r = 0,11 м;
ω - угловая скорость коленчатого вала, ω = 52,31 рад/с;
λr - отношение радиуса кривошипа к длине шатуна, λr = 0,22 м;
mпос - масса поступательно двищужихся частей, mпос = 81,958 кг;
mвр.ш - масса вращающейся части шатуна, mвр.ш = 11,9 кг;
mкр.ш - масса крышки шатуна, mкр.ш = 5,5 кг.
Моменты инерции относительно крышки и втулки:
Находим момент сопротивления:
Определяем изгибающее напряжение верхей разъемной головки шатуна:
Находим момент, cилы:
Находи силу, действующую на нижнюю часть шатуна:
Определяем изгибающее напряжение нижней части шатуна:
4.3.5. Расчет шатунного болта.
Расчёт производим по [6]
Рис 4.6 Расчётная схема шатунного болта
Конструкция и диаметр болта [6] лежит в пределах
d=(0,18-0,25)dк.в; d=0,038м.
Рассчитаем болт на растяжение под действием максимальной силы
где dвн-внутренний диаметр болта, dвн =0,036м; z-число болтов,z=2.
Определим напряжение при затяжке болта
где К=2,5-4, принимаем К=4
Момент на ключе:
где для резьбы без покрытия и смазочного материала fтр=0,2.
4.3.6. Расчет штока.
Расчёт производим по [6]
Для того чтобы выбрать по какому методу рассчитывать шток, определим в соответствии с рис 4.7 L/d (где L-длина штока,L=0,8;d-диаметр штока, d=0,06)
L/d=0,8/0,06=13,3<25 рассичитываем по Ясинскому:
Определим критическую силу:
где а=469 МПа, в=2,62 МПа для стали 40
Запас усталостной прочности штока:
Рис 4.7 Расчётная схема штока
4.3.7. Расчёт крейцкопфного пальца.
Расчёт производим по [6]
По рекомендации для поршневых компрессоров двустороннего действия
По рекомендациям
для легированных сталей
Рис 4.8 Расчётная схема крейцкопфного пальца.
Характеристики
Тип файла документ
Документы такого типа открываются такими программами, как Microsoft Office Word на компьютерах Windows, Apple Pages на компьютерах Mac, Open Office - бесплатная альтернатива на различных платформах, в том числе Linux. Наиболее простым и современным решением будут Google документы, так как открываются онлайн без скачивания прямо в браузере на любой платформе. Существуют российские качественные аналоги, например от Яндекса.
Будьте внимательны на мобильных устройствах, так как там используются упрощённый функционал даже в официальном приложении от Microsoft, поэтому для просмотра скачивайте PDF-версию. А если нужно редактировать файл, то используйте оригинальный файл.
Файлы такого типа обычно разбиты на страницы, а текст может быть форматированным (жирный, курсив, выбор шрифта, таблицы и т.п.), а также в него можно добавлять изображения. Формат идеально подходит для рефератов, докладов и РПЗ курсовых проектов, которые необходимо распечатать. Кстати перед печатью также сохраняйте файл в PDF, так как принтер может начудить со шрифтами.















