Трехфазный двигатель с короткозамкнутым ротором и соединением обмоток типа Звезда (1084418), страница 2
Текст из файла (страница 2)
Рис. 4.
Увеличение тормозного момента до Мт2, вызовет уменьшение оборотов машины, так как тормозной момент станет больше вращающего момента.
С уменьшением оборотов увеличивается скольжение, что в свою очередь вызывает возрастание ЭДС и тока в роторе. Благодаря этому увеличивается вращающий момент двигателя.
Этот процесс заканчивается тогда, когда вращающий момент М2, развиваемый двигателем, станет равным Мт2. При этом, устанавливается скорость вращения меньшая, чем n1. Свойство автоматического установления равновесия между тормозным и вращающим моментами называется саморегулированием.
Момент сопротивления (тормозящий момент) на валу двигателя создается генератором постоянного тока (ГПТ).
При питании ОВ генератора от постоянного источника возникает ток возбуждения IВ, создающий основное магнитное поле машины Ф.
Чаще всего используют два способа включения ОВ - к независимому источнику питания (независимое возбуждение) и параллельно цепи якоря генератора (параллельное возбуждение).
Вал якоря ГПТ, будучи соединенным с валом асинхронного двигателя, приводится им во вращение, в результате чего индуцируется в обмотках якоря ЭДС Е, а на выходе генератора появляется напряжение U, питающее нагрузку генератора, ток цепи якоря Iя взаимодействует с магнитным полем возбуждения Ф и создает тормозящий момент М:
М = СМ * Ф * IЯ (7)
где: СМ - конструктивный коэффициент машины.
Величина тормозящего момента зависит от величины нагрузки генератора и, следовательно, от IЯ и от тока возбуждения IВ, создающего магнитный поток Ф.
Основные характеристики генератора:
а) характеристика холостого хода: Е = f6(IВ);
б) внешняя характеристика: U = f7(I);
где: I - ток в нагрузке генератора.
2. Методика эксперимента.
В соответствии со стандартами на испытание двигателей создать нагрузку на валу можно тарированным двигателем постоянного тока, работающем в режиме генератора. В этом случае полезную мощность P2 можно рассчитать как:
(8)
где PЭЛ – электрическая мощность, выделяемая в нагрузке;
ηГ – КПД генератора постоянного тока;
UГ – напряжение на нагрузке генератора;
IГ – ток нагрузки генератора.
Кривая КПД, как функция полезной мощности от коэффициента нагрузки β=PЭЛ/PЭЛ (PЭЛн – номинальное значение электрической мощности), представлена на рис. 5. Возрастание кривой КПД при малых значениях полезной мощности объясняется низкими значениями потерь короткого замыкания. С ростом нагрузки влияние потерь короткого замыкания возрастает (эти потери зависят от квадрата тока нагрузки), и рост КПД замедляется.
После достижения максимального значения КПД уменьшается и становится равным нулю в режиме короткого замыкания. В генераторах постоянного тока максимальное значение КПД достигается, как правило, при β=0.7…0.8.
Максимальное значение коэффициента полезного действия машин постоянного тока мощностью более 10 кВт составляет 0,85…0,96, причём большие значения соответствуют машинам большей мощности. У машин мощностью до 50 Вт он существенно меньше и составляет всего 0,15…0,5.
В первом приближении можно считать, что КПД нагружаемого генератора постоянно и равно 0,7. Такое допущение приведет к значительной ошибке определения полезной мощности на валу только в режимах, близких к режиму холостого хода (расчетное значение P2 будет занижено).
Рис. 5.
С увеличением нагрузки эта ошибка будет уменьшаться.
Исследование режимов работы асинхронного двигателя проводятся на модульном учебном комплексе МУК-ЭП1, который состоит из:
− блока питания двигателя постоянного тока БПП1;
− блока питания асинхронного двигателя БПА1;
− электромашинного агрегата МА1-АП.
В качестве исследуемого асинхронного двигателя с короткозамкнутым ротором использован АИР63А4 (220 В, 0.25 кВт, 1395 об./мин.). Автоматическая коммутация обмоток двигателя и подключение измерительных приборов к нему осуществляется в блоке БПА1.
В качестве нагрузки использован двигатель постоянного тока ПЛ073У3 (220 В, 180 Вт, 1500 об./мин.). Автоматическая коммутация обмоток двигателя и подключение измерительных приборов осуществляется в блоке БПП1.
При работе с комплексом МУК-ЭП1 необходимо соблюдать следующую инструкцию.
Работа с БПА1.
Включите БПА1 в сеть. Установите нажатием кнопки «Звезда» соответствующий режим коммутации обмотки асинхронного двигателя и измерительных приборов. Включение питания обмоток АД осуществляется нажатием кнопки «Пуск/Стоп». Отключение режима двигателя осуществляется повторным нажатием кнопки «Пуск/Стоп».
Регулировка частоты сети при внешнем управлении осуществляется регулятором FИНВ.
Внимание: Запуск АД должен осуществляться при отсутствии нагрузки на валу.
Работа с БПП1.
Включите БПП1 в сеть. Установите нажатием кнопки «Торможение» соответствующий режим коммутации обмоток двигателя постоянного тока и измерительных приборов. Для запуска ДПТ в режиме торможения необходимо в блоке БПП1 нажать кнопку «Пуск/Стоп». Остановка ДПТ осуществляется повторным нажатием кнопки «Пуск/Стоп».
Работа с тахометром.
Измерение частоты вращения производится при помощи тахометра, который расположен в электромашинном агрегате МА1-АП. В случае возникновения аварийной ситуации нажмите кнопку аварийного останова типа «Грибок», расположенной на передней панели машинного агрегата МА1-АП.
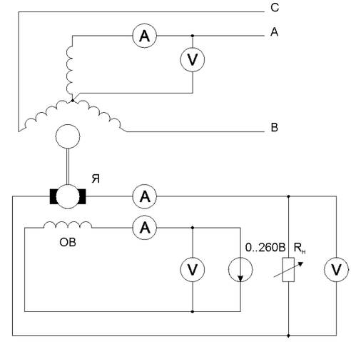
Схема работы комплекса после коммутации блоков представлена на рис. 6.
Рис. 6.
Порядок выполнения работы.
-
Перед включением все ручки вывести в положение «0».
-
Включить «сеть».
-
Включить БПА1.
-
включить БПА1 в сеть.
-
нажать кнопку «Звезда ».
-
включить питание обмоток АД, нажать кнопку «Пуск/Стоп ».
-
Включить БПП1.
-
включить БПП1 в сеть.
-
включить кнопку «Торможение » (установите соответствующий режим коммутации обмоток двигателя постоянного тока и измерительных приборов).
-
запустить ДПТ, нажать кнопку «Пуск/Стоп ».
-
Измерение частоты вращения производится при помощи тахометра, который расположен в МА1-АП.
-
в случае возникновения аварийной ситуации «Блокировка » нажать кнопку «Грибок ».
-
Выставить FИНВ=30 Гц и нажать кнопку «Пуск/Стоп » БПП1. Провести измерения. Заполнить табл. 1.
-
Изменяя сопротивление ГПТ провести измерения и записать в табл. 1 при FИНВ=30 Гц для 7 опытов.
Таблица 1.
| № | Измерения | Вычисления | |||||||||||
| опыта | Rн | Iд | Uд | S | P | n2 | Iя | P1 | P2 | M | S | Cosφ | η |
| 1 | 3.0 | ||||||||||||
| 2 | 1.0 | ||||||||||||
| 3 | 0.5 | ||||||||||||
| 4 | 0.38 | ||||||||||||
| 5 | 0.3 | ||||||||||||
| 6 | 0.25 | ||||||||||||
| 7 | 0.23 | ||||||||||||
-
Выключить БПП1.
-
Повторить п.6. и п.7. для 6 опытов при FИНВ=40 Гц. Измерения записать в табл. 2.
Таблица 2.
| № | Измерения | Вычисления | |||||||||||
| опыта | Rн | Iд | Uд | S | P | n2 | Iя | P1 | P2 | M | S | Cosφ | η |
| 1 | 3.0 | ||||||||||||
| 2 | 1.0 | ||||||||||||
| 3 | 0.5 | ||||||||||||
| 4 | 0.38 | ||||||||||||
| 5 | 0.3 | ||||||||||||
| 6 | 0.25 | ||||||||||||
| 7 | 0.23 | ||||||||||||
-
Выключить БПП1.
-
Повторить п.6. и п.7. при FИНВ=50 Гц. Измерения записать в табл. 3.
Таблица 3.
| № | Измерения | Вычисления | |||||||||||
| опыта | Rн | Iд | Uд | S | P | n2 | Iя | P1 | P2 | M | S | Cosφ | η |
| 1 | 3.0 | ||||||||||||
| 2 | 1.0 | ||||||||||||
| 3 | 0.5 | ||||||||||||
| 4 | 0.38 | ||||||||||||
| 5 | 0.3 | ||||||||||||
| 6 | 0.25 | ||||||||||||
| 7 | 0.23 | ||||||||||||
-
Перед выключением все ручки вывести в положение «0» и выключить БПП1 и БПА1.
-
По данным табл. 3., построить характеристики М(Р2), I(Р2), n(Р2), S(Р2), cos φ (Р2), η(Р2).
-
По данным табл. 3, построить характеристики n(M) при FИНВ= 50 Гц, FИНВ=40 Гц, FИНВ=30 Гц.
-
Сделать вывод.
| Студент________________________ | Выполнено _______________ |
| Группа _______________________ | Оформлено _______________ |
| Курс ___________________________ | Сдано _______________ |
ЛАБОРАТОРНАЯ РАБОТА
Трехфазный двигатель с короткозамкнутым ротором и соединением















