Основы цифровой схемотехники (1083280), страница 3
Текст из файла (страница 3)
Д
ТЛ – логика обладает низким быстродействием и значительной потребляемой мощностью. Птому она большей степени используется в устройствах управления и автоматики.
Более высоким быстродействием по сравнению с ДТЛ логикой обладает ТТЛ – логика.
На рис.22 приведена схема самого распространенного элемента логики ТТЛ – базового элемента серии К155. Логический элемент этой серии имеет быстродействие tзд = 9 нс и Р =10 мВт.
Операция И реализуется здесь многоэмиттерным транзистором Т1, а транзистор Т2 служит в качестве инвертора. Многоэмиттерные транзисторы легко реализуются в интегральной технологии и служат основой ТТЛ-элементов. Если на всех входах (эмиттерах транзистора Т1) действует сигнал “1” (высокий потенциал), то все переходы эмиттер–база транзистора Т1 закрыты. Потенциал базы транзистора Т2 близок к нулю, а переход коллектор – база транзистора Т1 отрыт приложенным в прямом направлении напряжением источника +Е. Ток коллекторного перехода транзистора Т1 проходит через переход эмиттер – база транзистора Т2 переводя его в режим насыщения, а на выходе появляется сигнал “0” (низкий потенциал). Если на одном из входов появится сигнал “0”, то соответствующий переход эмиттер – база транзистора Т1 откроется и его базовый ток перебросится из коллекторной цепи в эмиттерную. В результате транзистор Т2 закроется и на выходе появится высокий потенциал (“1”). Таким образом, сигнал “0” может быть на выходе только при сигналах “1” на всех входах, что соответствует операции И – НЕ. Перспективной разновидностью логики ТТЛ являются микросхемы ТТЛШ, имеющие во внутренней структуре р-n переходы с барьером Шотки (р-n – переходы, внутри или рядом с которыми находится очень тонкий слой металла ). Их применение на порядок улучшило соотношение быстродействия / потребляемая мощность. Хорошо известны серии логики ТТЛШ: К531 – высокоскоростная – tзд=3 нс, Pпот=19 мВт и К555 – высокоэкономичная – Pпот=2 мВт, tзд=9,5 нс , которое служит эффективной заменой для микросхем серии К155.
Н
а рис.23 приведена схема такого элемента И – НЕ. Транзистор Т3 выполняет функции эмиттерного повторителя с нагрузкой в виде транзистора Т4 . При воздействии сигнала “1” на все входы транзистор Т2 насыщен, как показано ранее. Следовательно, транзистор Т4 также насыщен из-за высокого потенциала на его входе (точка а), создаваемого эмиттерным током транзистора Т2 на резисторе R3. Благодаря низкому потенциалу коллектора транзистора Т2 (точка б) транзистор Т3 закрыт. При воздействии сигнала “0” хотя бы на один из входов транзистор Т2 закрывается, а транзистор Т3 открывается из-за повышения потенциала точки б и работает как эмиттерный повторитель. Диод Д (Шотки) служит для обеспечения режима смещения транзистора Т3 , т.е. для того, чтобы этот транзистор был закрыт при насыщенном транзисторе Т2. Прямое напряжение на диоде Д составляет около 0,5 В и служит для запирания транзистора Т3. Это напряжение создается даже при очень малых (порядка микроампер) токах закрытого транзистора Т3 .
ТТЛ и ТТЛШ элементы относятся к положительной логике с логическими уровнями : “1” ≈ 2,4 В, “0” ≈ 0,4 В. Тактико – технические данные этих серий микросхем приведены в таблицах 4.4 и 4.5.
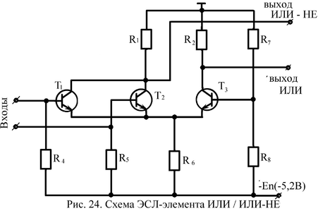
Принципиальная схема логического элемента типа ЭСЛ, серия К500 показана на рис.24. Особенность ЭСЛ в том, что схема логического элемента строится на основе интегральных дифференциальных усилителей, транзисторы Т1, Т2, Т3 которые могут переключать ток и при этом никогда не попадают в режим насыщения из-за наличия в коллекторных и эмиттерных цепях резисторов R1…6, ограничивающих этот ток, этим устраняется этап рассасывания избыточных зарядов, поэтому элементы типа ЭСЛ – самые быстродействующие: в настоящее время их быстродействие достигло субнаносекундного диапазона.
Важным достоинством элементов типа ЭСЛ является наличие инверсных выходов, позволяющих реализовать как логическую функцию, так и ее отрицание. Свое функциональное назначение согласно таблице 4.2 элемент рис.24 реализует следующим образом.
Если на один из входов или оба входа подать напряжение такого значения, что потенциал Uбэ транзисторов Т1 или Т2 станет больше порогового значения, то соответствующий или оба транзистора вместе откроются. Ток, протекающий через них, создаст падение напряжения на резисторе R6. напряжение Uбэ транзистора Т3 падает и напряжение на коллекторе Т3 повышается. Если напряжение на обоих входах низкое и не достигает порогового значения транзисторы Т1 и Т2 закрыты, а транзистор Т3 открыт высоким напряжением на его переходе Uбэ, электрический потенциал коллектора Т3 падает. Инверсный выход с коллекторов транзисторов Т1 и Т2 реализует функцию ИЛИ–НЕ.
ЭСЛ – элементы относятся к положительной логике с логическими уровнями: “1” ≈ 1,0 В, “0” ≈ 1,65 В. Примерами микросхем на ЭСЛ – логике могут служить серии: К100, К500, К1500, тактико – технические данные которых приведены в таблицах 4.4 и 4.5 .
Существенными преимуществами логических элементов на МОП (МДП) - транзисторах перед логическими элементами на биполярных транзисторах являются: малая мощность, потребляемая входной цепью, в результате чего соответственно возрастает коэффициент разветвления по выходу К раз>>10-20; простата технологического процесса изготовления, сравнительно низкая стоимость, малая потребляемая мощность, большая степень интеграции элементов в кристалле микросхемах.
Однако по быстродействию даже лучшие логические элементы на МОП транзисторах уступают схемам на биполярных транзисторах. Это обусловлено тем, что у них имеются сравнительно большие входные емкости, на перезарядку которых затрачивается определенное время. Кроме того, выходное сопротивление у открытого МОП-транзистора обычно больше, чем у биполярного, что увеличивает время зарядки конденсаторов нагрузки и ограничивает нагрузочную способность.
На рис.25, а приведена схема элемента НЕ 172 серии микросхем МОП- логики. Логика отрицательная с логическими уровнями; “1”≈–7,5В,“0”≈-2,3В.
Транзистор Ту в схеме является управляющим, а транзистор Тн – нагрузочным. Транзисторы выполнены с индукцированным каналом р-типа. Если на входе элемента малая напряжение между затвором и истоком Uзи, соответствующие логическому уровню “0”, транзистор Ту закрыт, Тн – открыт, и на входе появляется низкое напряжение близкое –Ес и соответствующие логическому уровню “1”. При появлении на вход Ту значительного напряжению Uзи, соответствующего логическому уровню “1”, транзистор Ту открывается и на входе элемента появляется высокий электрический потенциал соответствующий логическому уровню “0”.
Наиболее перспективны серии, выполненные на комплементарных МОП - транзисторах (КМОП – логика) (К176, К561, К564, К765 и др.)
КМОП – логика содержит комплементарные полевые транзисторы со структурой металл – окисел-полупроводник (МОП). Комплементарными (взаимно дополняющими) называют пару транзисторов со сходными значениями параметров, но с полупроводниковыми структурами взаимно отображенными как бы в виде негатива и позитива. Так на рис.25,б транзистор Ту выполнен с индукцированным каналом р - типа , а транзистор Тн - n - типа. Потребляемая мощность сокращается до минимума, так как обеспечивается управление транзистора Ту, Тн, при которым открытому состоянию одного транзистора соответствует закрытое состояние другого. Логика принципа работы этого элемента не отличается от элемента И рис.25,а. Отличие заключается в том, что нагрузочный транзистор Тн работает по принципу “закрыт - открыт”, что обеспечивает минимальное потребление элемента.
Схема элементов ИЛИ - НЕ, И - НЕ в КМОП – логиках получают путем последовательного соединения группы транзисторов одного типа и параллельного соединения группы транзисторов другого типа, представляющие собой элементы И рис.25,б. Для примера на рис.26 а и б приведены схемы логических элементов ИЛИ – НЕ (а) и И – НЕ (б).
Принцип анализа выполнения элементов своих логических функций не отличается от подхода к анализу выполнения своих функциональных назначений элементов ДТЛ, ТТЛ, ЭСЛ – логик.
Тактико-технические данные серии микросхем МОП и КМОП – логик приведены в таблицах 4,4 и 4,5.
Помимо рассмотренных существуют элементы других типов, например И2Л (интегрально-инженерная логика), КНС (кремний на сапфире), арсенид галлия и др., и обладающие высоким быстродействием и малой мощностью потребления энергии.
В таблице 4.4 и 4.5 для сравнения приведены основные параметры соответственно логических элементов различных типов и серий микросхем. Приведены параметры: напряжения питания En, мощность потребления одним элементом –Рпот, время задержки распространения -tзд коэффициент разветвления по выходу – Kp, fмакс – максимальная частота переключений.
Таблица 4.4
ОСНОВНЫЕ ПАРАМЕТРЫ ЛОГИЧЕСКИХ ЭЛЕМЕНТОВ РАЗЛИЧНЫХ ТИПОВ
| Тип Элемента | En, В | Pпот, мВт | Tзд, нс | Kp |
| ДТЛ ТТЛ n-МОП p-МОП КМОП ЭСЛ И2Л | 5 5 5 +5; -12 5—15 -5.2 1 | 9 10 0.5 0.5 0.3—3 мкВт/кГц* 8—40 0.001—0.1 | 25 10 30 100 90—30 2 1000—10 | 7 10 20 20 50 15 3 |
* Мощность пропорциональна частоте переключений (при частоте 1 кГц мощность равна 0.3—3 мкВт).
Таблица 4.5
НЕКОТОРЫЕ ПАРАМЕТРЫ ОТЕЧЕСТВЕННЫХ МИКРОСХЕМ
| Серия | Pпот, мВт | Tзд, нс | Fмакс, мГц | Кр | Схемотехника |
| 131 133 134 155 | 22 10 10 10 | 6 10 33 10 | До 35 | 10—30 | ТТЛ |
| 531 533 555 1531 1533 | 19 2 2 2.7 1.2 | 3 9.5 9.5 3 4 | 125 45 45 130 100 | 20—150 | ТТЛШ |
| 561 564 1554 1564 | 0.002 0.002 0.0025 0.0025 | 45 45 3.5 10 | 10 10 125 30 | 8—20 | КМОП |
| 500 1500 | 8—25 40 | 2.9 1.5 | 10—15 | ЭСЛ |
Наибольшее распространение получили логические ТТЛ-, ЭСЛ-, КМОП- элементы. Технологии n-МОП и И2Л используют только в БИС.
Общие сведения о микросхеме указываются в её условном обозначении, нанесённом на корпусе. Оно включает в себя номер серии микросхемы (обычно три или четыре цифры), перед которым может быть одна или две буквы. У микросхем широкого применения первой ставят букву К, вторая буква характеризует материал корпуса для защиты от воздействия внешней среды (Р—пластмассовый, М или С — металло- или стеклокерамический соответственно). За номером серии следуют две буквы, поясняющие функциональное назначение. Для всех логических элементов первой из них следует буква Л, вторая буква определяет тип логического элемента (И—элемент И, Л—ИЛИ, Н—НЕ, Д—расширитель по ИЛИ, А—элемент И – НЕ, Е—элемент ИЛИ – НЕ, Р—комбинированный элемент И – ИЛИ – НЕ). Цифра в конце условного обозначения соответствует порядковому номеру разработки в составе данной серии микросхем. Например: микросхема КР1533ЛА24 представляет собой ИС широкого применения (первая буква К), в пластмассовом корпусе (вторая буква Р), имеет номер серии 1533 (ТТЛШ – схемотехника), относится к группе логических элементов (буква Л), по функциональному назначению это элемент типа И-НЕ (вторая буква А) с порядковым номером разработки 24.
5. ТРИГГЕРЫ
Одно из наиболее распространённых импульсных устройств, относящимся к базовым элементам цифровой техники, — триггер (от англ. trigger — спусковой крючок).
Триггером называются электрические схемы, способные сохранять два устойчивого состояния равновесия электрических потенциалов “О” и “1” при окончании действия входных импульсов. Они широко используются для формирования прямоугольных импульсов, счётчиках импульсов, регистрах памяти и т. д.
По функциональному признаку различают R-S, D, T, J-K триггеры. По способу управления триггеры подразделяют на асинхронные и тактируемые. В асинхронных триггерах переключение из одного состояния в другое осуществляется непосредственно с поступлением сигнала на раздельные информационные входы. В тактируемых триггерах помимо информационных входов имеется вход тактовых импульсов. Их переключение осуществляется только при наличии разрешающего, тактирующего импульса.
Асинхронный R-S – триггер является наиболее простым, однако получившим широкое распространение в импульсной технике. В частности, они служат основой триггеров других типов и требуют для своего построения всего два базовых логических элемента.
















