вар 15 (1074181)
Текст из файла
ЗАДАНИЕ № 15
ПРОЕКТИРОВАНИЕ И ИССЛЕДОВАНИЕ МЕХАНИЗМОВ ПОРШНЕВОГО ДЕТАНДЕРА
Краткое описание установки "Поршневой детандер - генератор"
Детандерами называются машины, служащие для создания холода за счет внешней работы, совершаемой расширяющимся газом. Детандеры широко применяются в технике глубокого холода.
Детандер высокого давления (рис.15—1)—вертикальная одноцилиндровая машина простого действия. Основным механизмом детандера является кривошипно-ползунный механизм, состоящий из коленчатого вала 1, шатуна 2 и поршня 3. Рабочее тело — воздух, сжатый до давления рmax, поступает в цилиндр детандера 4 через впускной клапан 8. При движении поршня вниз сжатый воздух расширяется, производя работу. Рабочий цикл детандера совершается за один оборот коленчатого вала. Изменение давления в цилиндре детандера в зависимости от положения поршня представлено индикаторной диаграммой (рис. 15—2), данные для построения которой приведены в табл. 15-2. Рабочее тело удаляется из цилиндра после расширения через выпускной клапан 11. Клапаны открываются принудительно посредством штоков-толкателей 7 и 10. Кулачки впуска 6 и выпуска 9 насажены на коленчатый вал детандера. Схема кулачкового механизма привода впускного клапана изображена на рис. 15—3, а закон изменения ускорения толкателя кулачкового механизма — на рис. 15—4.
Работа детандера воспринимается генератором электрического тока 14. Маховик-шкив 12, насаженный на коленчатый вал, передает движение шкиву генератора с помощью клиноременной передачи 18. Коленчатый вал снабжен двумя противовесами 5.
При проектировании и исследовании механизмов детандера считать известными параметры, приведенные в табл.15—1.
В установке «поршневой детандер-генератор» (рис. 15—1) отсутствуют зубчатая передача и планетарный редуктор, проектирование которых провести по дополнительному заданию (Приложение III, рис. III—1, табл. III—1).
Рис. 15-1. Схема установки поршневого детандера с генератором
Объем и содержание курсового проекта
Лист 1. Проектирование основного механизма детандера и определение закона его движения
-
Определение основных размеров звеньев механизма по заданным условиям (средняя скорость поршня, число оборотов коленчатого вала; отношение длины шатуна к длине кривошипа).
-
Определение необходимого момента инерции маховых масс, обеспечивающих вращение коленчатого вала с заданным коэффициентом неравномерности при установившемся режиме работы. Определение момента инерции дополнительном моховой массы (маховика), установленной на коленчатом валу.
-
Построение диаграммы изменения угловой скорости коленчатого вала за время одного цикла установившегося режима работы.
Основные результаты расчета привести в табл. 1—1 {Приложение I).
Примечание. Веса звеньев механизма и их моменты инерции даны ориентировочно.
Рис. 15—2. Индикаторная диаграмма детандера
Лист 2. Силовой расчет основного механизма детандера с учетом динамических нагрузок.
-
Определение углового ускорения звена приведения по уравнению движения в дифференциальной форме (на основании исследования, выполненного на листе 1 проекта) в положении механизма, соответствующем заданному углу . Определение линейных ускорений центров тяжести и угловых ускорении звеньев.
-
Построение картины силового нагружения механизма.
-
Определение сил в кинематических парах механизма.
-
Оценка точности расчетов, выполненных на листах 1 и 2 проекта, по уравнению моментов или уравнению сил для ведущего или ведомого звена механизма.
-
Основные результаты расчета привести в табл. 1—2 (Приложение I).
Лист 3. Проектирование кулачкового механизма привода впускного клапана
-
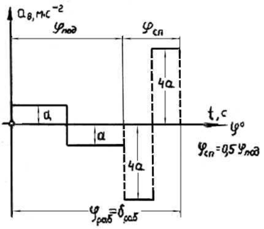
Построение кинематических диаграмм движения толкателя (ускорения, скорости, перемещения) по заданному закону изменения ускорения толкателя (рис. 15—4).
-
Определение основных размеров кулачкового механизма наименьших габаритов с учетом максимально допустимого угла давления ().
-
Построение профиля кулачка (центрового и конструктивного) .
-
Построение диаграммы изменения угла давления в функции угла поворота кулачка.
Примечание. Полученный минимальный радиус кулачка (r0) согласовать с заданным диаметром коленчатого вала (d к в = 0,120 м), на котором закрепляется проектируемый кулачок.
По условиям прочности r0>=(0,035 +d к в/2).
Основные результаты расчета привести в табл. I—3 (Приложение I).
Рис. 15—3. Схема кулачкового механизма впускного клапана
Лист 4. Проектирование зубчатой передачи и планетарного редуктора
-
Выполнение геометрического расчета эволъвентной зубчатой передачи z5, z6 (приложение III—1).
-
Построение схемы станочного зацепления при нарезании колеса с меньшим числом зубьев и профилирование зуба (включая галтель) методом огибания.
-
Вычерчивание схемы зацепления колес с указанием основных размеров и элементов колес и передачи.
-
Проектирование планетарного редуктора (подбор чисел зубьев) по заданному передаточному отношению редуктора и числу сателлитов. (Приложение III, рис. III—1). Допустимое отклонение iред±5%.
-
Определение передаточного отношения, линейных скоростей и чисел оборотов звеньев спроектированного редуктора графическим способом.
Основные результаты расчета привести в табл. 1—4 (Приложение I).
Рис. 15—4. Закон изменения ускорения толкателя кулачкового механизма
Исходные данные Таблица 15-1.
| № | Наименование параметра | Обозначение | Единица СИ | Числовые значения для вариантов | ||||
| А | Б | В | Г | Д | ||||
| 1 | Средняя скорость поршня | vср | м/с | 1,53 | 2,53 | 1,80 | 2,10 | 1,76 |
| 2 | Отношение длины шатуна к длине кривошипа | lAB/lOA | - | 4,80 | 4,75 | 4,65 | 4,85 | 4,90 |
| 3 | Отношение расстояния от точки А до центра тяжести шатуна к длине шатуна | lAS2/lAB | - | 0,25 | 0,26 | 0,24 | 0,25 | 0,26 |
| 4 | Диаметр цилиндра | d | м | 0,080 | 0,070 | 0,075 | 0,070 | 0,065 |
| 5 | Число оборотов коленчатого вала | n1 | c-1 | 4,26 | 6,68 | 5,01 | 6,18 | 5,51 |
| 6 | Максимальное давление воздуха в цилиндре | Pmax | МПа | 11,772 | 18,639 | 12,753 | 14,715 | 19,620 |
| 7 | Вес шатуна | G2 | Н | 290 | 240 | 260 | 230 | 210 |
| 8 | Вес поршня | G3 | Н | 500 | 410 | 450 | 400 | 360 |
| 9 | Момент инерции шатуна относительно оси, проходящей через его центр тяжести | I2S | кг·м2 | 0,737 | 0,730 | 0,725 | 0,710 | 0,685 |
| 10 | Момент инерции коленчатого вала (без маховика) | I10 | кг·м2 | 4,2 | 4,8 | 3,5 | 2,5 | 5 |
| 11 | Коэффициент неравномерности вращения коленчатого вала | | - | 1/25 | 1/30 | 1/28 | 1/30 | 1/27 |
| 12 | Угловая координата кривошипа для силового расчета (рис. 15-1) | 1 | град | 60 | 60 | 60 | 60 | 60 |
| 13 | Угол рабочего профиля кулачка | раб | град | 60 | 65 | 55 | 60 | 70 |
| 14 | Ход толкателя кулачкового механизма | h | м | 0,008 | 0,009 | 0,008 | 0,007 | 0,009 |
| 15 | Максимально допустимый угол давления в кулачковом механизме | | град | 35 | 36 | 36 | 35 | 38 |
Значения давления в цилиндре компрессора в долях максимального давления Pmax в зависимости от положения поршня. Таблица 15-2.
| Путь поршня (в долях хода Н) | Sb/H | 0 | 0,05 | 0.1 | 0.2 | 0.3 | 0.4 | 0.5 | 0.6 | 0.7 | 0.8 | 0.9 | 1.0 |
| Давление воздуха (в долях от Pmax) | Pmax | Для хода поршня вниз | |||||||||||
| 1,60 | 1,00 | 1,00 | 0,00 | 0,92 | 0,70 | 0,54 | 0,44 | 0,36 | 0,32 | 0,30 | 0,20 | ||
| Для хода поршня вверх | |||||||||||||
| 1,60 | 1,34 | 1,16 | 0,10 | 0,10 | 0,10 | 0,10 | 0,10 | 0,10 | 0,10 | 0,10 | 0.20 | ||
Характеристики
Тип файла документ
Документы такого типа открываются такими программами, как Microsoft Office Word на компьютерах Windows, Apple Pages на компьютерах Mac, Open Office - бесплатная альтернатива на различных платформах, в том числе Linux. Наиболее простым и современным решением будут Google документы, так как открываются онлайн без скачивания прямо в браузере на любой платформе. Существуют российские качественные аналоги, например от Яндекса.
Будьте внимательны на мобильных устройствах, так как там используются упрощённый функционал даже в официальном приложении от Microsoft, поэтому для просмотра скачивайте PDF-версию. А если нужно редактировать файл, то используйте оригинальный файл.
Файлы такого типа обычно разбиты на страницы, а текст может быть форматированным (жирный, курсив, выбор шрифта, таблицы и т.п.), а также в него можно добавлять изображения. Формат идеально подходит для рефератов, докладов и РПЗ курсовых проектов, которые необходимо распечатать. Кстати перед печатью также сохраняйте файл в PDF, так как принтер может начудить со шрифтами.















