вар 12 (1074174)

Файл №1074174 вар 12 (Условия КП - Плужников)вар 12 (1074174)2017-12-28СтудИзба
Просмтор этого файла доступен только зарегистрированным пользователям. Но у нас супер быстрая регистрация: достаточно только электронной почты!

Текст из файла

ЗАДАНИЕ № 12

ПРОЕКТИРОВАНИЕ И ИССЛЕДОВАНИЕ МЕХАНИЗМОВ ПОРШНЕВОГО КОМПРЕССОРА

Назначение и краткое описание механизмов поршневого компрессора

Вертикальный одноцилиндровый поршневой компрессор (рис. 12—1) предназначен для сжатия воздуха и приводится в движение асинхронным электродвигателем 6, механическая характеристика которого изображена на рис. 12-2 воздух поступает в цилиндр из атмосферы через фильтр, установленный на всасывающей полости клапанной коробки 7, и после сжатия нагнетается в специальный резервуар. Для отвода тепла, выделяемого при сжатии, служит водяная рубашка. Изменение давления в цилиндре по пути поршня характеризуется индикаторной диаграммой (рис.12—3), данные для построения которой приведены в табл. 12—2.

Основной механизм компрессора—кривошипно-ползунный. Он состоит из коленчатого вала 1, шатуна 2 и поршня 3. Для обеспечения необходимой равномерности движения на коленчатом валу машины закреплен маховик 8. Противовесы 9 на коленчатом валу уравновешивают механизм, уменьшая силы в подшипниках. Смазка механизма — циркуляционная, под давлением от масляного насоса 10, помещенного в картере и приводимого в движение от коленчатого вала, при помощи зубчатой передчи 4—5 (рис. 12-1).

Плунжерный масляный насос кулачкового типа (схема его изображена на рис. 12-4а).

При проектировании и исследовании механизмов компрессора считать известнЬми параметры, приведенные в табл. 12-1.

В поршневом компрессоре (рис. 12—1) отсутствует планетарный редуктор, проектирование которого провести по дополнительному заданию (Приложение III, риc III-5, табл III-5).


Рис. 12-1. Общий вид установки.

Объем и содержание курсового проекта

Лист 1. Проектирование основного механизма компрессора и определение закона его движения.

  1. Определение основных размеров звеньев механизма по заданным условиям (средняя скорость поршня, число оборотов коленчатого вала; отношение длины шатуна к длине кривошипа).


Рис 12—2 Механическая характеристика электродвигателя

  1. Определение необходимого момента инерции маховых масс, обеспечивающих вращение коленчатого вала с заданным коэффициентом неравномерности при установившемся режиме работы. Определение момента инерции дополнительной маховой массы (маховика), установленной на коленчатом валу.


Рис 12—3 Индикаторная диаграмма компрессора

  1. Построение диаграммы изменения угловой скорости коленчатого вала за время одного цикла установившегося режима работы.

  2. Определение максимальной величины момента (Мд)пр на валу электродвигателя.

Основные результаты расчета привести в табл. 1—1 (Приложение I).


Рис 12—4 Схема кулачковою механизма масляного насоса


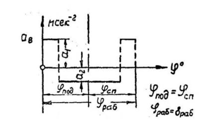
Рис 12—5 Закон изменения ускорения плунжера насоса (толкателя кулачкового механизма).

Примечание. Веса звеньев механизма и их моменты инерции даны ориентировочно.

Лист 2. Силовой расчет основного механизма компрессора.

  1. Определение углового ускорения звена приведения по уравнению движения в дифференциальной форме (на основании исследования, выполненного на листе 1 проекта) в положении механизма, соответствующем заданному углу 1. Определение линейных ускорений центров тяжести и угловых ускорений звеньев.

  2. Построение картины силового нагружения механизма.

  3. Определение сил в кинематических парах механизма.

  4. Оценка точности расчетов, выполненных на листах 1 и 2 проекта, по уравнению моментов или уравнению сил для ведущего или ведомого звена механизма.

Основные результаты расчета привести в табл 1-2 (Приложение I).

Лист 3. Проектирование кулачкового механизма масляного насоса.

  1. Определение числа оборотов кулачкового вала.

  2. Построение кинематических диаграмм движения толкателя (ускорения, скорости, перемещения) по заданному закону изменения ускорения толкателя (рис. 12—5).

  3. пределение основных размеров кулачкового механизма наименьших габаритов с учетом максимально допустимого угля давления доп.

  4. Построение профиля кулачка (центрового и конструктивного).

  5. Построение диаграммы изменения угла давления в функции угла поворота кулачка.

Основные результаты расчета привести в табл. 1—3 (Приложение I).

Лист 4. Проектирование зубчатой передачи и планетарною редуктора.

  1. Выполнение геометрического расчета эвольвентной зубчатой передачи Z4, Z5 (рис 12—1).

  2. Построение схемы станочного зацепления при нарезании колеса с меньшим числом зубьев и профилирование зуба (включая галтель) методом огибания.

  3. Вычерчивание схемы зацепления колес с указанием основных размеров и элементов колес и передачи.

  4. Проектирование планетарного редуктора (подбор числа зубьев) по заданному передаточному отношению редуктора и числу сателлитов. (Приложение III, рис III—5). Допустимое отклонение iред±5%.

  5. Определение передаточного отношения, линейных скоростей и чисел оборотов звеньев спроектированного редуктора графическим способом.

Основные результаты расчета привести в табл 1—4 (Приложение I).

Исходные данные Таблица 12-1.


п/п

Наименование параметра

Обозначение

Единица СИ

Числовые значения для вариантов

А

Б

В

Г

Д

1

Средняя скорость поршня

vср

м/с

4,2

4,3

4,4

4,5

4,6

2

Отношение длины шатуна к длине кривошипа

lAB/lOA

-

4,7

4,6

4,5

4,4

4,3

3

Отношение расстояния от точки А до центра тяжести S2 шатуна к длине шатуна

lAS2/lAB

-

0,3

0,3

0,3

0,3

0,3

4

Даиметр цилиндра

d

м

0,230

0,225

0,220

0,215

0,210

5

Номинальное число оборотов вала электродвигателя

nном

об/мин

730

730

730

730

730

6

Максимальное давление воздуха в цилиндре

Pmax

МПа

0,590

0,580

0,570

0,560

0,550

7

Момент на валу двигателя при нормальнок числе оборотов

(Mд)ном

Н·м

275

275

275

275

275

8

Вес шатуна

G2

Н

140

135

130

125

120

9

Вес поршня

G3

Н

120

115

110

105

100

10

Момент инерции шатуна относительно оси, проходящей через его центр тяжести

I2S

кг·м2

0,32

0,31

0,30

0,29

0,28

11

Момент инерции коленчатого вала (без маховика)

I10

кг·м2

0,10

0,15

0,20

0,25

0,30

12

Маховой момент ротора двигателя

GD2

Н·м2

35

35

35

35

35

13

Коэффициент неравномерности вращения коленчатого вала

-

1/50

1/48

1/46

1/44

1/42

14

КПД основного механизма

-

0,90

0,88

0,86

0,84

0,82

15

Угловая координата кривошипа для силового расчета (рис. 12-1)

1

град

300

310

320

330

340

16

Угол рабочего профиля кулочка

раб

град

360

360

360

360

360

17

Ход плунжера насоса (толкателя кулочкового механизма)

h

м

0,016

0,017

0,018

0,019

0,020

18

Максимально допустимый угол давления в кулачковом механизме

доп

град

15

15

15

15

15

19

Отношение велецин ускорений толкателя

=a1/a2

-

1,9

1,8

1,7

1,6

1,5

20

Числа зубьев колес 4, 5 (рис. 12-1)

z4

-

11

14

15

16

12

z5

-

18

20

21

22

24

21

Модуль зубчатых колес 4, 5

m

мм

2,5

2,5

2,5

2,5

2,5

22

Параметры исходного контура реечного инструмента

0

град

20

20

20

20

20

и

-

1

1

1

1

1

c

-

0,25

0,25

0,25

0,25

0,25

Значения давления в цилиндре компрессора в долях максимального давления Pmax в зависимости от положения поршня

Путь поршня (в долях хода Н)

Sb/H

0

0.1

0.2

0.3

0.4

0.5

0.6

0.7

0.8

0.9

1.0

Давление воздуха (в долях от Pmax)

P
-------
Pmax

Для хода поршня вниз

1

0,30

0

0

0

0

0

0

0

0

0

Для хода поршня вверх

1

1

1

0,75

0.045

0,27

0,16

0,12

0,08

0,04

0

Характеристики

Тип файла
Документ
Размер
216,5 Kb
Высшее учебное заведение

Тип файла документ

Документы такого типа открываются такими программами, как Microsoft Office Word на компьютерах Windows, Apple Pages на компьютерах Mac, Open Office - бесплатная альтернатива на различных платформах, в том числе Linux. Наиболее простым и современным решением будут Google документы, так как открываются онлайн без скачивания прямо в браузере на любой платформе. Существуют российские качественные аналоги, например от Яндекса.

Будьте внимательны на мобильных устройствах, так как там используются упрощённый функционал даже в официальном приложении от Microsoft, поэтому для просмотра скачивайте PDF-версию. А если нужно редактировать файл, то используйте оригинальный файл.

Файлы такого типа обычно разбиты на страницы, а текст может быть форматированным (жирный, курсив, выбор шрифта, таблицы и т.п.), а также в него можно добавлять изображения. Формат идеально подходит для рефератов, докладов и РПЗ курсовых проектов, которые необходимо распечатать. Кстати перед печатью также сохраняйте файл в PDF, так как принтер может начудить со шрифтами.

Список файлов вопросов/заданий

Свежие статьи
Популярно сейчас
Как Вы думаете, сколько людей до Вас делали точно такое же задание? 99% студентов выполняют точно такие же задания, как и их предшественники год назад. Найдите нужный учебный материал на СтудИзбе!
Ответы на популярные вопросы
Да! Наши авторы собирают и выкладывают те работы, которые сдаются в Вашем учебном заведении ежегодно и уже проверены преподавателями.
Да! У нас любой человек может выложить любую учебную работу и зарабатывать на её продажах! Но каждый учебный материал публикуется только после тщательной проверки администрацией.
Вернём деньги! А если быть более точными, то автору даётся немного времени на исправление, а если не исправит или выйдет время, то вернём деньги в полном объёме!
Да! На равне с готовыми студенческими работами у нас продаются услуги. Цены на услуги видны сразу, то есть Вам нужно только указать параметры и сразу можно оплачивать.
Отзывы студентов
Ставлю 10/10
Все нравится, очень удобный сайт, помогает в учебе. Кроме этого, можно заработать самому, выставляя готовые учебные материалы на продажу здесь. Рейтинги и отзывы на преподавателей очень помогают сориентироваться в начале нового семестра. Спасибо за такую функцию. Ставлю максимальную оценку.
Лучшая платформа для успешной сдачи сессии
Познакомился со СтудИзбой благодаря своему другу, очень нравится интерфейс, количество доступных файлов, цена, в общем, все прекрасно. Даже сам продаю какие-то свои работы.
Студизба ван лав ❤
Очень офигенный сайт для студентов. Много полезных учебных материалов. Пользуюсь студизбой с октября 2021 года. Серьёзных нареканий нет. Хотелось бы, что бы ввели подписочную модель и сделали материалы дешевле 300 рублей в рамках подписки бесплатными.
Отличный сайт
Лично меня всё устраивает - и покупка, и продажа; и цены, и возможность предпросмотра куска файла, и обилие бесплатных файлов (в подборках по авторам, читай, ВУЗам и факультетам). Есть определённые баги, но всё решаемо, да и администраторы реагируют в течение суток.
Маленький отзыв о большом помощнике!
Студизба спасает в те моменты, когда сроки горят, а работ накопилось достаточно. Довольно удобный сайт с простой навигацией и огромным количеством материалов.
Студ. Изба как крупнейший сборник работ для студентов
Тут дофига бывает всего полезного. Печально, что бывают предметы по которым даже одного бесплатного решения нет, но это скорее вопрос к студентам. В остальном всё здорово.
Спасательный островок
Если уже не успеваешь разобраться или застрял на каком-то задание поможет тебе быстро и недорого решить твою проблему.
Всё и так отлично
Всё очень удобно. Особенно круто, что есть система бонусов и можно выводить остатки денег. Очень много качественных бесплатных файлов.
Отзыв о системе "Студизба"
Отличная платформа для распространения работ, востребованных студентами. Хорошо налаженная и качественная работа сайта, огромная база заданий и аудитория.
Отличный помощник
Отличный сайт с кучей полезных файлов, позволяющий найти много методичек / учебников / отзывов о вузах и преподователях.
Отлично помогает студентам в любой момент для решения трудных и незамедлительных задач
Хотелось бы больше конкретной информации о преподавателях. А так в принципе хороший сайт, всегда им пользуюсь и ни разу не было желания прекратить. Хороший сайт для помощи студентам, удобный и приятный интерфейс. Из недостатков можно выделить только отсутствия небольшого количества файлов.
Спасибо за шикарный сайт
Великолепный сайт на котором студент за не большие деньги может найти помощь с дз, проектами курсовыми, лабораторными, а также узнать отзывы на преподавателей и бесплатно скачать пособия.
Популярные преподаватели
Добавляйте материалы
и зарабатывайте!
Продажи идут автоматически
7041
Авторов
на СтудИзбе
259
Средний доход
с одного платного файла
Обучение Подробнее