Отчет3 (1067191)
Текст из файла
1 пункт
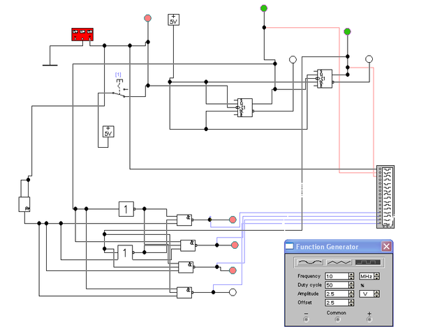
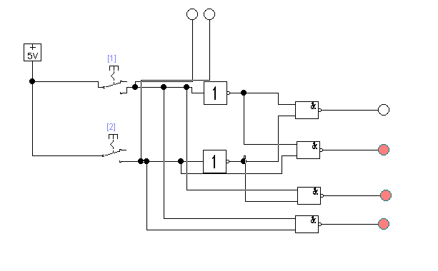
1) Исследование линейного двухвходового дешифратора с инверсными выходами:
а) собрать линейный стробируемый дешифратор на элементах ЗИ-НЕ; наборы входных сигналов A0, A1 задать с выходов Q0 , Q1 четырехразрядного счетчика на JK триггерах ;
подключить световые индикаторы к выходам триггеров и дешифратора;
б) подать на вход счетчика сигнал с выхода генератора "Одиноч. имп."; изменяя состояние
счетчика, составить таблицу истинности нестробируемого дешифратора (т.е. при W = 1 );
| X1 | X2 | Y0 | Y1 | Y2 | Y3 |
| 0 | 0 | 0 | 1 | 1 | 1 |
| 0 | 1 | 1 | 0 | 1 | 1 |
| 1 | 0 | 1 | 1 | 0 | 1 |
| 1 | 1 | 1 | 1 | 1 | 0 |
2 пункт
3 пункт
4 пункт
5 пункт
Характеристики
Тип файла документ
Документы такого типа открываются такими программами, как Microsoft Office Word на компьютерах Windows, Apple Pages на компьютерах Mac, Open Office - бесплатная альтернатива на различных платформах, в том числе Linux. Наиболее простым и современным решением будут Google документы, так как открываются онлайн без скачивания прямо в браузере на любой платформе. Существуют российские качественные аналоги, например от Яндекса.
Будьте внимательны на мобильных устройствах, так как там используются упрощённый функционал даже в официальном приложении от Microsoft, поэтому для просмотра скачивайте PDF-версию. А если нужно редактировать файл, то используйте оригинальный файл.
Файлы такого типа обычно разбиты на страницы, а текст может быть форматированным (жирный, курсив, выбор шрифта, таблицы и т.п.), а также в него можно добавлять изображения. Формат идеально подходит для рефератов, докладов и РПЗ курсовых проектов, которые необходимо распечатать. Кстати перед печатью также сохраняйте файл в PDF, так как принтер может начудить со шрифтами.















