Лаба 3 (1067187)
Текст из файла
Отчет по Лабораторной Работе №2
“Усилители”
Выполнил: Зайков Сергей
Группа ИУ5-42
Вариант 2
-
Полученные данные
Зайков
MPSW10
TIS99
200 В
20 мА
500 В
-
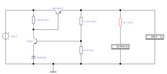
Полученная и рассчитанная схема
| Uвх = 500В | ||
| Uвых,В | I вых,А | Rвых,Ом |
| 201,1 | 2,01E-03 | 49,77601 |
| 201 | 4,02E-03 | |
| 200,6 | 1,00E-02 | |
| 200 | 2,00E-02 | |
| 198,2 | 3,97E-02 | |
| 196,7 | 4,92E-02 | |
| 194,1 | 5,54E-02 | |
| 182,3 | 6,08E-02 | |
| 147,6 | 7,38E-02 | |
| 95,63 | 9,56E-02 | |
| 56,83 | 1,14E-01 | |
| 25,82 | 1,29E-01 | |
| 13,55 | 1,36E-01 | |
| 6,95 | 1,39E-01 | |
| 2,824 | 1,41E-01 | |
| Uвх = 450В | ||
| Uвых | I вых | Rвых,Ом |
| 200,6 | 2,01E-03 | 99,9001 |
| 200,4 | 4,01E-03 | |
| 199,9 | 1,00E-02 | |
| 199 | 1,99E-02 | |
| 197,9 | 2,83E-02 | |
| 197 | 3,28E-02 | |
| 194,6 | 3,89E-02 | |
| 179,8 | 4,50E-02 | |
| 156,9 | 5,23E-02 | |
| 126,1 | 6,31E-02 | |
| 80,7 | 8,07E-02 | |
| 47,46 | 9,49E-02 | |
| 21,37 | 1,07E-01 | |
| 11,17 | 1,12E-01 | |
| 5,715 | 1,14E-01 | |
| 2,319 | 1,16E-01 | |
| Uвх = 400В | ||
| Uвых | I вых | Rвых,Ом |
| 200 | 2,00E-03 | 150,4514 |
| 199,7 | 3,99E-03 | |
| 199 | 9,95E-03 | |
| 197,3 | 1,97E-02 | |
| 195,6 | 2,45E-02 | |
| 192,2 | 2,75E-02 | |
| 168,7 | 3,37E-02 | |
| 105,7 | 5,28E-02 | |
| 66,67 | 6,67E-02 | |
| 38,76 | 7,75E-02 | |
| 17,28 | 8,64E-02 | |
| 8,995 | 9,00E-02 | |
| 4,593 | 9,19E-02 | |
| 1,861 | 9,31E-02 |
| R=10kОм | ||
| Uвх | Uвых | K |
| 1000 | 204,4 | 113,6364 |
| 500 | 200 | |
| 400 | 197,3 | |
| 375 | 195,2 | |
| 350 | 184 | |
| 300 | 151,5 | |
| 200 | 90,13 | |
| 100 | 36,65 | |
| 50 | 14,93 | |
| 20 | 4,648 | |
| 10 | 1,937 | |
| R=20kОм | ||
| Uвх | Uвых | K |
| 1000 | 204,6 | 125 |
| 500 | 200,6 | |
| 400 | 199 | |
| 375 | 198,3 | |
| 350 | 197,4 | |
| 300 | 186,6 | |
| 200 | 115,1 | |
| 100 | 49,94 | |
| 50 | 21,6 | |
| 20 | 7,156 | |
| 10 | 3,087 | |
| R=50kОм | ||
| Uвх | Uвых | K |
| 1000 | 204,7 | 135,1351 |
| 500 | 201 | |
| 400 | 199,7 | |
| 375 | 199,3 | |
| 350 | 198,8 | |
| 300 | 197,2 | |
| 250 | 183,7 | |
| 200 | 143,4 | |
| 100 | 66,12 | |
| 50 | 30,38 | |
| 20 | 10,8 | |
| 10 | 4,869 |
Характеристики
Тип файла документ
Документы такого типа открываются такими программами, как Microsoft Office Word на компьютерах Windows, Apple Pages на компьютерах Mac, Open Office - бесплатная альтернатива на различных платформах, в том числе Linux. Наиболее простым и современным решением будут Google документы, так как открываются онлайн без скачивания прямо в браузере на любой платформе. Существуют российские качественные аналоги, например от Яндекса.
Будьте внимательны на мобильных устройствах, так как там используются упрощённый функционал даже в официальном приложении от Microsoft, поэтому для просмотра скачивайте PDF-версию. А если нужно редактировать файл, то используйте оригинальный файл.
Файлы такого типа обычно разбиты на страницы, а текст может быть форматированным (жирный, курсив, выбор шрифта, таблицы и т.п.), а также в него можно добавлять изображения. Формат идеально подходит для рефератов, докладов и РПЗ курсовых проектов, которые необходимо распечатать. Кстати перед печатью также сохраняйте файл в PDF, так как принтер может начудить со шрифтами.















