Лаба 3 доп (1067181)

Файл №1067181 Лаба 3 доп ([МиС] Лабораторная №3)Лаба 3 доп (1067181)2017-12-28СтудИзба
Просмтор этого файла доступен только зарегистрированным пользователям. Но у нас супер быстрая регистрация: достаточно только электронной почты!

Текст из файла

Отчет по Лабораторной Работе №3 Дополниельная

Усилители мощности”

Выполнил: Зайков Сергей

Группа ИУ5-42

  1. Исследование усилителя мощности класса В.

    1. Данные

npn

pnp

С

2Т325

2Т326

10 мА

15 В

0,1 мкФ

    1. Расчет параметров

Rн = Eк/2*Iк = 15*10^3/2*10 = 750 Ом

Снижаем входную частоту, чтобы получить 0.7 от выходного переменного напряжения: Fн = 19 Гц

Увеличиваем входное напряжение до тех пор, пока не будет искажения на осциллографе: Uвхм = 5В

    1. Измерения и графики

Uвх,В

Iвх, А

Pвх, Вт

Uвых, В

Pвых, Вт

K, Дб

Iпот, А

KПД, безр

Pпот, Вт

4,5

0,00005755

0,000259

4,475

0,026701

40,26534

0,009793

0,1817682

0,146895

4,3

0,00005291

0,000228

4,277

0,02439

40,60422

0,009809

0,1657682

0,147135

4

0,00004848

0,000194

3,98

0,021121

40,74165

0,009823

0,1433407

0,147345

3

0,00003622

0,000109

2,986

0,011888

40,78097

0,009902

0,0800395

0,14853

2

0,00002411

4,82E-05

1,991

0,005285

40,79708

0,00997

0,0353423

0,14955

1

0,00001204

1,2E-05

0,9956

0,001322

40,80964

0,01

0,0088108

0,15

Коэффициент усиления

КПД

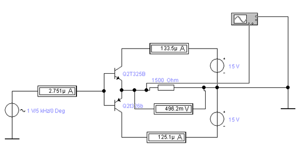
  1. Исследование двухтактного усилителя мощности класса А.

    1. Расчет параметров

Rн = Eк/Iк = 15*10^3/10 = 1500 Ом

Увеличиваем входное напряжение до тех пор, пока не будет искажения на осциллографе: Uвхм = 11В

    1. Измерения и графики

Uвх,В

Iвх, А

Pвх, Вт

Uвых, В

Pвых, Вт

K, Дб

Iпот, А

KПД, безр

Pпот, Вт

10

0,00093

0,0093

9,396

0,117713

22,04684

0,005495

1,4281236

0,082425

5

0,0006116

0,003058

4,42

0,026049

18,60692

0,002565

0,6770249

0,038475

3

0,0003931

0,0011793

2,437

0,007919

16,54051

0,001395

0,3784289

0,020925

2

0,00039

0,00078

1,654

0,003648

13,3983

0,000817

0,2978258

0,012248

1

0,00007791

0,00007791

0,4963

0,000328

12,49668

0,00146

0,0149963

0,0219

Коэффициент усиления

КПД

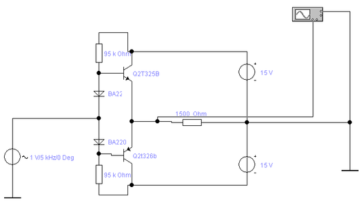
  1. Исследование двухтактного усилителя мощности класса АВ.

    1. Расчет параметров

Rн = Eк/Iк = 15*10^3/10 = 1500 Ом

Увеличиваем входное напряжение до тех пор, пока не будет искажения на осциллографе: Uвхм = 6 В

    1. Измерения и графики

Uвх,В

Iвх, А

Pвх, Вт

Uвых, В

Pвых, Вт

K, Дб

Iпот, А

KПД, безр

Pпот, Вт

6

0,0001771

0,0010626

5,629

0,042248

31,98863

0,003636

0,7746154

0,05454

5

0,0001366

0,000683

4,648

0,028805

32,50101

0,003048

0,6300351

0,04572

4

0,0001186

0,0004744

3,664

0,0179

31,5341

0,002471

0,4829316

0,037065

3

0,00008821

0,00026463

2,678

0,009562

31,15842

0,001881

0,3389605

0,028211

2

0,00007482

0,00014964

1,698

0,003844

28,19533

0,001293

0,1982401

0,019392

1

0,00003699

0,00003699

0,7271

0,000705

25,60085

0,000717

0,0655781

0,010749

Коэффициент усиления

КПД

Характеристики

Тип файла
Документ
Размер
68,18 Kb
Тип материала
Высшее учебное заведение

Тип файла документ

Документы такого типа открываются такими программами, как Microsoft Office Word на компьютерах Windows, Apple Pages на компьютерах Mac, Open Office - бесплатная альтернатива на различных платформах, в том числе Linux. Наиболее простым и современным решением будут Google документы, так как открываются онлайн без скачивания прямо в браузере на любой платформе. Существуют российские качественные аналоги, например от Яндекса.

Будьте внимательны на мобильных устройствах, так как там используются упрощённый функционал даже в официальном приложении от Microsoft, поэтому для просмотра скачивайте PDF-версию. А если нужно редактировать файл, то используйте оригинальный файл.

Файлы такого типа обычно разбиты на страницы, а текст может быть форматированным (жирный, курсив, выбор шрифта, таблицы и т.п.), а также в него можно добавлять изображения. Формат идеально подходит для рефератов, докладов и РПЗ курсовых проектов, которые необходимо распечатать. Кстати перед печатью также сохраняйте файл в PDF, так как принтер может начудить со шрифтами.

Список файлов лабораторной работы

[МиС] Лабораторная №3
Лаба 3 доп
Лаба 3
Лаба3
Mylab3
1 zad.ewb
2 zad mis.ewb
2 zad zadergka.ewb
2 zad.ewb
3punkt.ewb
4zad.ewb
Настя лаба
1)desh_na 2 vxoda.ewb
2)c pomexoi .ewb
3)bez strobiryuewego signala.ewb
4) .ewb
5) .ewb
1.ewb
2.ewb
3.ewb
4.ewb
отчет 3.doc
картинки
Свежие статьи
Популярно сейчас
Зачем заказывать выполнение своего задания, если оно уже было выполнено много много раз? Его можно просто купить или даже скачать бесплатно на СтудИзбе. Найдите нужный учебный материал у нас!
Ответы на популярные вопросы
Да! Наши авторы собирают и выкладывают те работы, которые сдаются в Вашем учебном заведении ежегодно и уже проверены преподавателями.
Да! У нас любой человек может выложить любую учебную работу и зарабатывать на её продажах! Но каждый учебный материал публикуется только после тщательной проверки администрацией.
Вернём деньги! А если быть более точными, то автору даётся немного времени на исправление, а если не исправит или выйдет время, то вернём деньги в полном объёме!
Да! На равне с готовыми студенческими работами у нас продаются услуги. Цены на услуги видны сразу, то есть Вам нужно только указать параметры и сразу можно оплачивать.
Отзывы студентов
Ставлю 10/10
Все нравится, очень удобный сайт, помогает в учебе. Кроме этого, можно заработать самому, выставляя готовые учебные материалы на продажу здесь. Рейтинги и отзывы на преподавателей очень помогают сориентироваться в начале нового семестра. Спасибо за такую функцию. Ставлю максимальную оценку.
Лучшая платформа для успешной сдачи сессии
Познакомился со СтудИзбой благодаря своему другу, очень нравится интерфейс, количество доступных файлов, цена, в общем, все прекрасно. Даже сам продаю какие-то свои работы.
Студизба ван лав ❤
Очень офигенный сайт для студентов. Много полезных учебных материалов. Пользуюсь студизбой с октября 2021 года. Серьёзных нареканий нет. Хотелось бы, что бы ввели подписочную модель и сделали материалы дешевле 300 рублей в рамках подписки бесплатными.
Отличный сайт
Лично меня всё устраивает - и покупка, и продажа; и цены, и возможность предпросмотра куска файла, и обилие бесплатных файлов (в подборках по авторам, читай, ВУЗам и факультетам). Есть определённые баги, но всё решаемо, да и администраторы реагируют в течение суток.
Маленький отзыв о большом помощнике!
Студизба спасает в те моменты, когда сроки горят, а работ накопилось достаточно. Довольно удобный сайт с простой навигацией и огромным количеством материалов.
Студ. Изба как крупнейший сборник работ для студентов
Тут дофига бывает всего полезного. Печально, что бывают предметы по которым даже одного бесплатного решения нет, но это скорее вопрос к студентам. В остальном всё здорово.
Спасательный островок
Если уже не успеваешь разобраться или застрял на каком-то задание поможет тебе быстро и недорого решить твою проблему.
Всё и так отлично
Всё очень удобно. Особенно круто, что есть система бонусов и можно выводить остатки денег. Очень много качественных бесплатных файлов.
Отзыв о системе "Студизба"
Отличная платформа для распространения работ, востребованных студентами. Хорошо налаженная и качественная работа сайта, огромная база заданий и аудитория.
Отличный помощник
Отличный сайт с кучей полезных файлов, позволяющий найти много методичек / учебников / отзывов о вузах и преподователях.
Отлично помогает студентам в любой момент для решения трудных и незамедлительных задач
Хотелось бы больше конкретной информации о преподавателях. А так в принципе хороший сайт, всегда им пользуюсь и ни разу не было желания прекратить. Хороший сайт для помощи студентам, удобный и приятный интерфейс. Из недостатков можно выделить только отсутствия небольшого количества файлов.
Спасибо за шикарный сайт
Великолепный сайт на котором студент за не большие деньги может найти помощь с дз, проектами курсовыми, лабораторными, а также узнать отзывы на преподавателей и бесплатно скачать пособия.
Популярные преподаватели
Добавляйте материалы
и зарабатывайте!
Продажи идут автоматически
7041
Авторов
на СтудИзбе
260
Средний доход
с одного платного файла
Обучение Подробнее