DZ_No1_post_tok_chast_2_MU (1064087), страница 2
Текст из файла (страница 2)
RLC – цепь Векторная диаграмма
LC – цепь Векторная диаграмма
-
Методические указания
-
Начертить схему с элементами согласно варианту.
Схема рис.1 преобразуем согласно варианту ( Z1 – RC, Z2 – R, Z3 – RL).
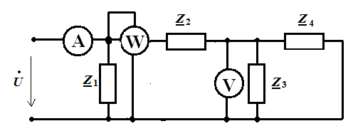
Рис.1 Исходная схема
4.2 Рассмотрим схему рис.2, и запишем уравнения по законам Кирхгофа.
Схема содержит два узла, два независимых контура и три ветви.
Рис. 2 схема с элементами
Запишем первый закон Кирхгофа для узла а:
Запишем второй закон Кирхгофа для первого контура:
Запишем второй закон Кирхгофа для второго контура:
4.3 Определим эквивалентное сопротивление цепи.
Свернём схему рис.2.
По эквивалентному сопротивлению определяется характер цепи и чертится схема замещения.
Рис.3 Свернутая схема
4.4 Определяем токи в ветвях схемы рис.2 методом эквивалентных преобразований.
Зная эквивалентное сопротивление, определяем ток первой ветви I1.
Рассчитываем ток в комплексной форме по закону Ома в соответствии со схемой рис.3:
Чтобы определить токи в остальных ветвях, нужно найти напряжение между узлами «ab» рис 2:
Определяем токи:
4.5 Запишем уравнения баланса мощностей:
где I1, I2, I3 – действующие значения токов.
Определение коэффициента мощности
Расчёт коэффициента мощности проводят, определив активную и полную мощности: P/S = cosφ . Используем рассчитанные мощности, которые найдены при расчёте баланса.
4.6 Рассчитаем напряжения на элементах, используя схему рис.2.
4.7 Построение топографической диаграммы
Выбрав масштаб, строим векторную диаграмму напряжений на комплексной плоскости. Построение векторной диаграммы ведется после полного расчета всей цепи, определения всех токов и напряжений. Построение начинаем с задания осей комплексной плоскости [+1; +j]. Выбираются удобные для построения масштабы для токов и напряжений. Сначала строим на комплексной плоскости вектора рассчитанных токов (рис.4), в соответствии с первым законом Кирхгофа для схемы 2. Сложения векторов осуществляется по правилу параллелограмма.
Рис.4 Векторная диаграмма токов
Затем строим на комплексной плоскости вектора рассчитанных напряжений проверка по таблице 1 рис 5.
Рис.5 Векторная диаграмма напряжений и токов
-
Определение показаний приборов
Амперметр измеряет ток, проходящий через его обмотку. Он показывает действующее значение тока в ветви, в которую он включен. В схеме (рис.1) амперметр показывает действующее значение (модуль) тока
. Вольтметр показывает действующее значение напряжения между двумя точками электрической цепи, к которым он подключен. В рассматриваемом примере (рис.1) вольтметр подключен к точкам а и b.
Вычисляем напряжение
в комплексной форме:
Ваттметр измеряет активную мощность, которая расходуется на участке цепи, заключенном между точками, к которым подключена обмотка напряжения ваттметра, в нашем примере (рис.1) между точками а и b.
Активную мощность, измеряемую ваттметром, можно вычислить по формуле
где
- угол между векторами
и
.
В этом выражении
действующее значение напряжения, на которое подключена обмотка напряжения ваттметра, и
действующее значение тока, проходящего через токовую обмотку ваттметра.
Или рассчитываем полную комплексную мощность
ваттметр покажет Р.
-
Расчёт резонансных цепей
-
Резонанс напряжений
-
Добавить в схему замещения элемент для получения резонанса напряжения. Например, схема замещения представляет RL цепь. Тогда необходимо добавить последовательно включённый конденсатор С – элемент. Получается RLC цепь.
Рассчитать ток и все напряжения цепи в комплексной форме, при выполнении условия резонанса, построить векторную диаграмму, см.теоретическое введение пункт 3.7.1
-
Резонанс токов
Добавить в схему замещения элемент для получения резонанса токов. Например, схема замещения представляет RL цепь. Тогда необходимо добавить параллельно включённый конденсатор С – элемент.
Рассчитать проводимости ветвей, токи и напряжения, при выполнении условия резонанса. Построить векторную диаграмму, см. теоретическое введение пункт 3.7.2
-
Контрольные вопросы
-
Сформулируйте законы Кирхгофа и объясните правила составления системы уравнений по законам Кирхгофа.
-
Метод эквивалентных преобразований. Объясните последовательность расчета.
-
Уравнение баланса мощностей для цепи синусоидального тока. Объясните правила составления уравнения баланса мощностей.
-
Объясните порядок расчета и построения векторной диаграммы для Вашей схемы.
-
Резонанс напряжений: определение, условие, признаки, векторная диаграмма.
-
Резонанс токов: определение, условие, признаки, векторная диаграмма.
-
Объясните, как рассчитать показания приборов (амперметра, вольтметра, ваттметра).
-
Сформулируйте понятия мгновенного, амплитудного, среднего и действующего значений синусоидального тока.
-
Напишите выражение для мгновенного значения тока в цепи, состоящей из соединенных последовательно элементов R и L, если к зажимам цепи приложено напряжение
. -
От каких величин зависит значение угла сдвига фаз между напряжением и током на входе цепи с последовательным соединением R , L , C ?
-
Как определить по экспериментальным данным при последовательном соединении сопротивлений R , XL и XC значения величин Z , R , X , ZК , RК , L , XC , C, cosφ , cosφК?
-
В последовательной RLC цепи установлен режим резонанса напряжений. Сохранится ли резонанс, если:
а) параллельно конденсатору подключить активное сопротивление;
б) параллельно катушке индуктивности подключить активное сопротивление;
в) последовательно включить активное сопротивление?
-
Как должен изменяться ток I в неразветвленной части цепи при параллельном соединении потребителя и батареи конденсаторов в случае увеличения емкости от С = 0 до С = ∞ , если потребитель представляет собой:
а) активную,
б) емкостную,
в) активно-индуктивную,
г) активно-емкостную нагрузку?
-
Литература
-
Бессонов Л.А. Теоретические основы электротехники. В 2-х томах. М.: Высшая школа, 1988.
-
Электротехника и электроника. Учебник для вузов. / Под редакцией
В.Г.Герасимова. - М.: Энергоатомиздат, 1996.
3. Сборник задач по электротехнике и основам электроники.
/ Под редакцией В.Г. Герасимова: Учебное пособие для вузов.- М.: Высшая школа, 1987.
-
Борисов Ю.М., Липатов Д.Н., Зорин Ю.Н. Электротехника. Учебник для вузов – М.: Энергоатомиздат, 1985.
-
Липатов Д.Н. Вопросы и задачи по электротехнике для программированного обучения. Учебное пособие для студентов вузов. – М.: Энергоатомиздат, 1984.
-
Волынский Б.А., Зейн Е.Н., Шатерников В.Е. Электротехника, - М.: Энергоатомиздат, 1987.
Приложение 1
Схема 1 группа СМ3- 41
Схема 1 группа СМ3- 42
Приложение 2
| Вариант | Z1 | Z2 | Z3 | Z4 | U |
| 1 | 2+j2 | 5 | 5+j3 | 8-j2 | 40 |
| 2 | 2-j2 | -j5 | 8-j2 | 4-j4 | 50 |
| 3 | 3 | j5 | 4-j4 | 6+j3 | 80 |
| 4 | -j5 | 2+j2 | 6+j3 | 2-j5 | 60 |
| 5 | j4 | 2-j2 | 6 | 3 | 20 |
| 6 | 5-j2 | 4 | 5+j3 | j4 | 80 |
| 7 | 2-j5 | -j6 | 8-j2 | 5+j3 | 40 |
| 8 | 5+j3 | 3-j4 | 4-j4 | 8-j2 | 100 |
| 9 | 4+j6 | 4-j3 | 3 | 2-j5 | 20 |
| 10 | 6-j3 | 5+j5 | 7 | j4 | 70 |
| 11 | 3-j6 | 8-j2 | 2-j5 | -j5 | 50 |
| 12 | 5 | 2+j4 | 8-j2 | 6+j3 | 90 |
| 13 | 8+j4 | 5 | 6+j3 | 8 | 40 |
| 14 | 6 | 5+j3 | j4 | 2 | 60 |
| 15 | -j3 | j4 | 6 | -j5 | 40 |
| 16 | j8 | -j5 | 5+j3 | 2-j5 | 20 |
| 17 | 5 | 5+j3 | -j5 | 4 | 60 |
| 18 | 6+j3 | 8-j2 | 2-j5 | 5+j3 | 80 |
| 19 | 4-j4 | j4 | 8 | 8-j2 | 60 |
| 20 | 4+j4 | 5+j3 | 4-j4 | 6+j3 | 50 |
Приложение 3
Образец титульного листа
Московский государственный технический университет
имени Н. Э. Баумана
Кафедра электротехники и промышленной электроники
Домашнее задание № 1 часть 2
по курсу «Электротехника и электроника »
на тему «Расчет линейных цепей синусоидального тока »
Вариант № 0
| Выполнил: студент ФИО группа СМ3 – ___ Проверил: ст. преподаватель Князькова Т.О. Дата сдачи работы на проверку __________ Оценка_______________________________ |
Москва 2012 г.
15
Выполнение домашнего задания № 1 (вторая часть)
















