DZ_No1_post_tok_chast_1_MU (1064083), страница 2
Текст из файла (страница 2)
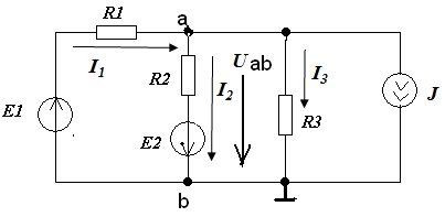
Метод двух узлов это частный случай метода узловых потенциалов. Применяется в случае, когда схема содержит только два узла (параллельное соединение).
Алгоритм:
-
Задаются положительные направления токов и напряжение между двумя узлами произвольно;
-
Уравнение для определения межузлового напряжения
где G – проводимость ветви, J – источники тока;
-
Правило: G·E и J берутся со знаком «+», если Е и J направлены к узлу с большим потенциалом;
-
Токи схемы определяются по обобщенному закону Ома
Пример:
Составление формул для расчета токов осуществляется в соответствии с правилами знаков ЭДС и напряжений, при расчете по обобщенному закону Ома (см. лекция 1).
3.4.5 Метод активного двухполюсника
Данный метод применяется, когда необходимо рассчитать параметры одной ветви в сложной схеме. Метод основан на теореме об активном двухполюснике: «Любой активный двухполюсник может быть заменен эквивалентным двухполюсником с параметрами Еэкв и Rэкв или Jэкв и Gэкв , режим работы схемы при этом не изменится».
Алгоритм:
-
Разомкнуть ветвь, в которой необходимо определить параметры.
-
Определить напряжение на разомкнутых зажимах ветви, т.е. при режиме холостого хода Еэкв = Uхх любимым методом.
-
Заменить активный двухполюсник, т.е. схему без исследуемой ветви, пассивным (исключить все источники питания, оставив их внутренние сопротивления, не забывая, что у идеальной ЭДС Rвн = 0, а у идеального источника тока Rвн = ∞). Определить эквивалентное сопротивление полученной схемы Rэкв.
-
Найти ток в ветви по формуле I = Eэкв/(R+Rэкв) для пассивной ветви и
I = E ± Eэкв/(R+Rэкв) для активной ветви.
3.5 Построение потенциальной диаграммы
Распределение потенциалов в электрической цепи можно представить с помощью потенциальной диаграммы.
Потенциальная диаграмма представляет собой зависимость φ(R) в виде графика, на котором по вертикальной оси отложены значения потенциалов последовательного ряда точек выбранного контура, а по горизонтальной – сумма значений сопротивлений последовательно проходимых участков цепи этого контура. Построение потенциальной диаграммы начинается из произвольно выбранной точки контура, потенциал которой принят за нулевой φ1 = 0. Последовательно обходим выбранный контур. Если построение диаграммы начали в точке 1, то и закончиться она должна в этой же точке 1. Скачки потенциала на графике соответствуют включенным в цепь источникам напряжения.
-
Определение показаний приборов
Вольтметр измеряет напряжение (разность потенциалов) между двумя точками в электрической цепи. Для определения показания вольтметра необходимо составить уравнение по второму закону Кирхгофа по контуру, в который входит измеряемое напряжение.
Ваттметр показывает мощность участка электрической цепи, которая определяется по закону Джоуля – Ленца.
-
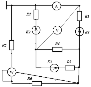
Пример:
Дано: R1 = R5 =10 Ом, R4 = R6 = 5 Ом, R3 = 25 Ом, R2 = 20 Ом, Е1 =100 В, Е2 =80 В, Е3 =50 В
Определить токи в ветвях разными методами, составить и рассчитать баланс мощностей.
Решение:
|
| Определяем количество узлов, ветвей и независимых контуров: q = 3, p = 5, контуров 3. Составляем уравнения по законам Кирхгофа: уравнений по 1-ому закону Кирхгофа равно 2, а уравнений по 2-ому закону Кирхгофа равно 3 для узлов а и b. Для контуров выбираем обходы по часовой стрелке: |
1) Метод контурных токов
Так как три контура, то будет три контурных тока I11, I22, I33. Направления этих токов выбираем по часовой стрелке рис 3. Запишем настоящие токи через контурные:
I1 = I11 - I33, I2 = - I22, I3 = - I33, I4 = I11, I5 = I11- I22
Запишем уравнения по второму закону Кирхгофа для контурных уравнений в соответствии с правилами.
Правило: если ЭДС и ток имеют одинаковое направление с направлением обхода контура, то они берутся с «+», если нет, то с «–».
Решим систему уравнений математическим методом Гаусса или Крамера.
Решив систему, получаем значения контурных токов:
I11 = 2,48 А, I22 = - 1,84 А, I33 = - 0,72 А
Определим настоящие токи: I1 = 3,2 А, I2 = 1,84 А, I3 = 0,72 А, I4 = 2,48 А, I5 = 4,32 А
Проверим правильность расчёта токов, подставив их в уравнения по законам Кирхгофа.
Составим уравнения для расчёта баланса мощностей:
Из расчёта видно, что баланс мощностей сошёлся. Погрешность меньше 1%.
2) Метод узловых потенциалов
Решаем туже задачу методом узловых потенциалов
Составим уравнения:
Ток в любой ветви схемы можно найти по обобщённому закону Ома. Для этого необходимо определить потенциалы узлов схемы. Заземлим любой узел схемы φс = 0.
Решая систему уравнений, определяем потенциалы узлов φa и φb
φa= 68 B φb = 43,2 B
По обобщенному закону Ома определяем токи в ветвях. Правило: ЭДС и напряжение берутся со знаком «+», если их направления совпадают с направлением тока, и со знаком «–», если нет.
3)Построение потенциальной диаграммы внешнего контура
Определим значение потенциалов узлов и точек схемы.
Правило: обходим контур против часовой стрелки, если ЭДС совпадает с обходом тока, то ЭДС бреется с «+» (φе). Если ток по обходу, то падение напряжения на резисторе, т.е «-» (φb).
Потенциальная диаграмма:
-
Список рекомендуемой литературы
-
Бессонов Л.А. Теоретические основы электротехники. В 2-х томах. М.: Высшая школа, 1978.
-
Электротехника и электроника. Учебник для вузов. / Под редакцией В.Г.Герасимова. - М.: Энергоатомиздат, 1997.
-
Сборник задач по электротехнике и основам электроники. / Под редакцией В.Г. Герасимова. Учебное пособие для вузов.- М.: Высшая школа, 1987.
-
Борисов Ю.М., Липатов Д.Н., Зорин Ю.Н. Электротехника. Учебник для вузов – М.: Энергоатомиздат, 1985.
-
Липатов Д.Н. Вопросы и задачи по электротехнике для программированного обучения. Учебное пособие для студентов вузов. – М.: Энергоатомиздат, 1984.
-
Волынский Б.А., Зейн Е.Н., Шатерников В.Е. Электротехника, -М.: Энергоатомиздат, 1987.
-
Контрольные вопросы
-
Свойства последовательной цепи
-
Свойства параллельной цепи
-
Правила составления баланса мощностей
-
Правила составления уравнений по первому закону Кирхгофа
-
Как определяется мощность источника питания?
-
Независимый контур. Напишите уравнение по 2-ому закону Кирхгофа любого контура Вашей схемы.
-
Правила составления уравнений по 2-ому закону Кирхгофа
-
Как определяется мощность приемника?
-
Как определить количество уравнений по 1-ому закону Кирхгофа?
-
Алгоритм метода эквивалентного генератора
-
Как включается вольтметр в цепь?
-
Как включается амперметр в цепь?
-
Как определить количество уравнений по 2-ому закону Кирхгофа?
-
С помощью какого закона определяем ток в ветви, в методе эквивалентного генератора?
-
В чём смысл метода эквивалентных преобразований?
Приложение 1
Схема 1 и данные для группы СМ3 – 41
| E1=50 В, E2 = 100 В, E3 = 80 В, R1= 40 Ом, R2 = 30 Ом, R3 = 20 Ом, R4 = 30 Ом, R5 = 20 Ом, R6 = 30 Ом, Е = 60 В |
Схема 1 и данные для группы СМ3 – 42
| E1=100 В, E2 = Е4= 50 В, E3 = 80 В, R1= 80 Ом, R2 = 50 Ом, R3 = 40 Ом, R4 = 30 Ом, R5= R7= 20 Ом, R6 =30 Ом, Е =40 В |
Приложение 2.
Для группы СМ3 – 41
Вариант | ветвь | Заменить |
| 1 | 1 | R3→E |
| 2 | 2 | R1→0 |
| 3 | 4 | R1→E |
| 4 | 3 | R1→(-E) |
| 5 | 2 | R2→0 |
| 6 | 6 | R2→E |
| 7 | 5 | R2→(-E) |
| 8 | 1 | R3→0 |
| 9 | 3 | R4→E |
| 10 | 2 | R4→(-E) |
| 11 | 6 | R6→E |
| 12 | 1 | R5→E |
| 13 | 5 | R6 и R5→(-E) |
| 14 | 4 | R6 и R5→0 |
| 15 | 3 | R5→0 |
| 16 | 1 | R5→(-E) |
| 17 | 2 | R6 и R5→(E) |
| 18 | 3 | R6→0 |
| 19 | 4 | R1→R2 |
| 20 | 3 | E2→R4 |
| 21 | 2 | R2→E |
| 22 | 1 | R4→E |
| 23 | 5 | R1→0 |
| 24 | 1 | E1→R4 |
| 25 | 3 | E2→R5 |
| 26 | 2 | E3→R1 |
| 27 | 5 | E2→R2 |
| 28 | 4 | R3→E |
| 29 | 3 | R1→R4 |
| 30 | 6 | E2→R6 |
Для группы СМ3 – 42
Вариант | ветвь | Заменить |
| 1 | 1 | R3→E |
| 2 | 5 | E1→0 |
| 3 | 4 | R1→E |
| 4 | 3 | R1→(-E) |
| 5 | 2 | E2→0 |
| 6 | 6 | R4→E |
| 7 | 5 | R2→(-E) |
| 8 | 4 | E3→0 |
| 9 | 3 | R4→E |
| 10 | 2 | R7→(-E) |
| 11 | 1 | E4→0 |
| 12 | 3 | R5→E |
| 13 | 5 | R6 и R5→(-E) |
| 14 | 4 | R6 и R7→0 |
| 15 | 6 | R7→0 |
| 16 | 1 | R3 и E3→0 |
| 17 | 2 | R6 и R4→0 |
| 18 | 3 | R6 и R2→0 |
| 19 | 4 | R3 и R4→0 |
| 20 | 5 | E2→R4 |
| 21 | 6 | R2→E |
| 22 | 1 | R4 и R7→E |
| 23 | 2 | R1→0 |
| 24 | 5 | E1→R4 |
| 25 | 3 | E2→R5 |
| 26 | 2 | E3→R1 |
| 27 | 5 | E2→R2 |
| 28 | 4 | R3→E |
| 29 | 3 | R1→R4 |
| 30 | 2 | E2→R6 |
Приложение 3
Образец титульного листа
Московский государственный технический университет
имени Н. Э. Баумана
Кафедра электротехники и промышленной электроники
Домашнее задание № 1 часть1
по курсу «Электротехника и электроника »
на тему «Расчет сложных линейных цепей постоянного тока »
Вариант № 0
| Выполнил: студент ФИО группа СМ3 – ___ Проверил: ст. преподаватель Князькова Т.О. Дата сдачи работы на проверку __________ Оценка_______________________________ |
Москва 2012 г.
15
Выполнение домашнего задания № 1 (первая часть)














