рпз (1060627), страница 2
Текст из файла (страница 2)
Г
де Kv=1…1,3 – коэффициент динамической нагрузки.
Выбираем материал для колес
При повышенных окружных скоростях (выше 3 м/с) применяют легированные стали.
Для прирабатывающихся зубчатых передач(твердость рабочих поверхностей колес НВ≤350) рекомендуется для выравнивания срока службы назначить для зубчатых колес разные материалы, причем твердость шестерни должна быть на 20…30 единиц больше твердости колеса
НВ1 ≥НВ2+ 20…30
Из рекомендуемых пар материалов выберем следующие:
Сталь55 - Сталь 45
Это рекомендуемая пара материалов для шестерни – колеса.
Сталь45: вид термической обработки( выбираем) закалка, НВ общая 190 – 240, НRC по поверхности 40 - 50
Сталь 55: вид термической обработки ( выбираем) отжиг, НВ общая 250 – 300, HRC по поверхности 60 – 70
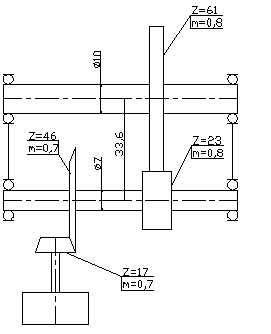
Кинематическая схема разрабатываемого устройства
3.3 Расчет геометрических параметров колес.
Определение геометрических размеров цилиндрического колеса и шестерни.
в=т,мм d=mZ,мм
Z1=23 10 18,4
33,6
Z2=61 5 48,8
Г
де b – ширина колеса, d - делительный диаметр
Расчет геометрических размеров конической пары:
Dк = mzк
Dш = mzш
Dk = 0,7*45,58=32
Dш = 0,7*17,2=12
L – конусное расстояние
В – длина зубьев
Ψс – коэфицент длины зуба (0,25 – 0,5)
Lср – конусное расстояние по среднему диаметру делительного конуса
L = 0,5m (z2ш + z2к )1/2 =17мм
Lср = 14,2мм
В = Lср Ψс = 0,4 *14,2= 5,68
b = (5…10) me – ширина зубчатого венца
bk = 5,6mm
bш = 5,7mm
K
4. Проверочный расчет разработанной конструкции редуктора на выносливость.
4.1. Расчет вала на статическую прочность.
Произведем расчет на статическую прочность вала №2.
Рис. Схема нагружения вала.
Центры колес на рис. соответствуют местам крепления данных колес к
валу штифтами на виде общем, т.к. именно в этих точках происходит передача
момента.
На вал действуют силы от насаженных на него зубчатых колес
У
казанные на рисунке силы можно вычислить [4] по формулам
где М - крутящий момент на валу
aw - угол зацепления (для колес, нарезанных без смещения aw = 20°).
Р
ассчитаем силы, действующие на вал. Крутящий момент на валу М2 = 213Н*мм.
О
пределение сил в конической зубчатой передаче:
Отсюда:
Расчитаем реакции в опорах вала:
В горизонтальной плоскости:
В
вертикальной плоскости
Построим эпюры моментов, действующих на вал:
В вертикальной плоскости:
Миy1 = Fay*51 = 997.56
Mиy2 = Fay*(51+20) + R1*20 +A1*16,1 = 1865.66
Mиy3 = Fay*125 + R1(125-51) +A1*16,1 – R2(125-51-20) = 0
В горизонтальной плоскости:
Миx1 = Fax*51 = 178,5
Mиx2 = Fax*(51+20) + P1*20 = 559,7
Mиx3 = Fax*125 + P1(125-51)– P2(125-51-20) = 0
Очевидно, что наиболее опасной является точка 1, т.е. точка крепления конического колеса. Диаметр вала в этой точке равен d = 7 мм.
Определим Мэкв в этой точке
П
о теории максимальных касательных напряжений
В качестве материала для вала выбрана сталь 20Х, [σт] = 200MПa. [σт]<σэкв. Таким образом, условие статической прочности выполняется. При этом, данный вал обладает коэффициентом запаса по текучести
nт = [σт]/σэкв = 200/29,7= 6,73.
4.2. Расчет колес на контактную прочность.
Рассчитаем контактное напряжение для колес:
[σн]1,2 = σHR1,2*zR*zv*KHL1,2/SH1,2
где σНR – предел контактной выносливости поверхности зубьев, соотв.NHO; NHO =107 для стальных колес; σНR выбираем для сотв. материала
zR – коэффицент , учитывающий шероховатость поверхностей, при Ra =0,63…1,25 zr = 1;
SH – коэффицент безопасности (1,1…1,2)
zv - коэффицент, учитывающий окружную скорость колеса (zv =1)
KHL – коэффицент долговечности
KHL = (NHO/NH)1|m
NH = 60 n*c*L
Где n- частота вращения колеса, с – число колес в зацеплении, L – срок службы
NH 1 к = 60*1*105*4000= 24*109
NH2ц= 60*1*105*1509= 9*109
KHL1к= (107/24*109)1|0,7 =2,69
KHL2ц= (107/9*109)1|/0,7=5,58
Таким образом,
[σн]1к= 450*1*1*2,69/1,1 =1100
[σн]2ц= 450*1*1*5,58/1,1 = 1873
Выполняется условие [σH]≤1,23[σH]2 , выбираем наименьшую σН
Рассчитаем допускаемое напряжение изгиба
[σF1,2]= σFR1,2*KFL1,2*KFC/SF1,2
где σFR – предел выносливости при изгибе,
KFL – коэффицент, учитывающий цикл нагружения колеса
KFC - коэфицент долговечности
KFC1,2 =(4*106/NH)1|ь
KFC1к=(4*106|24*109)1|6 = 2,3
KFC2ц=(4*106/9*109)1|6 = 2,76
NH – число циклов перемен напряжений (при NH больше4*106 принимают KFL =1)
SF принимают равным 2,2 для обычных условий работы
[σF1к]= 324*1*2,3/2,2 = 338
[σF2ц]= 324*1*2,76/2,2 = 397
Расчет показывает, что колеса и шестерни удовлетворяют условиям контактной прочности и прочности на изгиб.
4.3.Расчет опоры качения.
Проведем проверочный расчет спроектированной опоры качения для вала №2.
Для данной опоры выбираем подшипник №25 (легкая узкая серия
диаметров 2 ГОСТ8338-75) со следующими параметрами
Со = 760 Н - статическая грузоподъемность
С = 1500 Н - динамическая грузоподъемность
nmax= 31500 об/мин.
Расчетная частота вращения вала n = 1509об/мин; n>1 об/мин, поэтому необходимо сделать проверку на динамическую грузоподъемность.
Достаточно провести расчет только в опоре b,т.к. реакция в ней превышает реакцию в опоре а..
В
оспользуемся формулой:
где n, об/мин - частота вращения
Lh, час - ресурс работы
Р, Н - расчетная динамическая нагрузка
Считаем, что на подшипник действует только радиальная сила,тогда
Р = x*v*Rb*kCT*kt,
где v = 1, т.к. вращается внутреннее кольцо подшипника
kv= 1,3 -коэффициентнагрузки
kt= 1,1-температурный коэффициент
х = 1 (подшипник радиальный, Fосевая/(у*Рг)<е)
P = x*v*Rb*kCT*kt= 1*1*12,6*1,3*1,1=18H
В
ыберем ресурс работы подшипника 10000 часов, тогда
Рассчитанная динамическая нагрузка не превышает предельно допустимую для данного подшипника(174,13≤С), т.е. выбранный подшипник подходит для обеспечения надежной работы разработанной конструкции.
4.4. Расчет соединений.
4.4.1.Расчет конических штифтов.
Для крепления ступиц колес к валам были выбраны конические штифты.
Рис. Схема крепления зубчатого колеса на вал
d = 1,5 мм - выбранный диаметр штифта по линии среза .
В
качестве проверочного используем расчет штифтов на срез [7] по формуле
где М - крутящий момент на валу
[т] = 60 МПа -допускаемое напряжение на срез для штифта,
изготовленного из стали СТ 45.
Второй вал
D
=7mm; M = 213 H*mm
Проверочный расчет показал, что выбранный штифт выбранного диаметра обеспечивает надежное крепление колеса к валу.
4.4.2. Расчет сегментной шпонки.
Сегментная шпонка в разработанной конструкции используется для крепления зубчатого колеса к валу. Параметры выбранной шпонки: h = 2 мм, 2=2 мм 1 = 5 мм. Шпонка установлена на валу с диаметром D = 4 мм.
Проведем проверочный расчет шпонки на смятие [7] по формуле
Д
опускаемое напряжение смятия для шпонки, изготовленной из стали СТ 45, [σср] = 60 МПа, т.е. выбранная шпонка обладает достаточной' прочностью на смятие.
Проведем проверочный расчет шпонки на срез [7] по формуле
Допускаемое цапряжение среза для стальной шпонки, изготовленной из стали СТ 45, [тср] = 6 МПа, т.е. выбранная шпонка обладает достаточной прочностью на срез.
5. Расчет предохранительной муфты.
В разработанной конструкции планируется использовать простейшую шариковую предохранительную муфту, обеспечивающая соблюдение постоянства момента, при котором произойдет отключение ведомого элемента. Муфта устанавливается на валу №3, она одновременно выполняет функцию передачи момента со второго вала и непосредственно предохранительную функцию. Необходимо проконтролировать момент срабатывания муфты.
Муфта рассчитывается по максимальному крутящему моменту(5):
Ммах= β*Мс/kmkv
Ммах= 1.4*213/1.35*1 =220.8Нмм
Где kv = 1 – коэффицент, учитывающий частоту включения муфты (считаем, что она не превышает 20 раз в час)
Kv = 1.35 – средняя скорость скольжения
β - Коэффицент запаса по сцеплению
Рассчитаем пружину сжатия.
П
ружины должны быть тарированы на определенную силу прижатия шариков к отверстиям. Усилие прижатия шарика Q определяется из условия равновесия шарика:
Отсюда Q1 = 8Н – сила при предварительной деформации
Q2 = 48Н – сила при рабочей деформации
Q3 = Q2/(1 -γ) - сила при максимальной деформации
γ – относительный инерционный зазор (0,05 – 0,25)
Отсюда Q3 = 48/(1 – 0,05…0,25) = 50,52-Н
С учетом Q3 и D выбираем пружину №304
Q3 = 60Н (из таблицы стандартное значение)
Диаметр проволоки d=1,1мм для пружины № 304
Наружний диаметр D= 6мм для пружины № 304
Наибольший прогиб одного витка λ1мах = 0,481 для пружины № 304
Предел прочности при растяжении проволоки класса1 σпч = 2450-2750МПа для пружины № 304
Максимальное касательное напряжение τмах= 0,3σпч = 0,3*2600= 780
Критическая скорость Vкр = τмах*(1-Q2|Q3 )/3,58*107
Vкр = 4,35м/с
Проверка: Vo/Vкр = ¾,35 ≤ 1, верно















