01-ТТЛ (1055975)
Текст из файла
МОСКОВСКИЙ ГОСУДАРСТВЕННЫЙ ТЕХНИЧЕСКИЙ
УНИВЕРСИТЕТ имени Н.Э.БАУМАНА
Кафедра РК-10
Б.Б.Михайлов, О.И.Елисеева
МЕТОДИЧЕСКИЕ УКАЗАНИЯ
К ВЫПОЛНЕНИЮ ЛАБОРАТОРНОЙ РАБОТЫ №1
«Интегральные логические элементы транзисторно-
транзисторной логики (ТТЛ)»
по курсу «Элементы электроники и микропроцессорной
техники РТС»
Москва
2007г.
I. Цель работы – исследование основных характеристик и параметров интегральных элементов ТТЛ серии К155.
II. Принцип действия элементов ТТЛ.
О
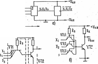
сновная схема элемента ТТЛ имеет структуру, соответствующую логической операции «штрих Шеффера» (И-НЕ) Y = X1 X2 X3 . В простейшем случае она представляет собой соединение схемы «И», состоящей из многоэмиттерного транзистора и инвертора на обычном транзисторе (рис.1а, б).
Многоэмиттерный транзистор эквивалентен нескольким n-р-n транзисторам, у которых объединены базы и коллекторы (рис.1в). Если на эмиттер одного из транзисторов подать напряжение логического нуля, например, соединить его с общей шиной, то этот транзистор будет насыщен от Uи.п через резистор RБ . Направление на базе VT2 при этом близко к нулю, VТ2 закрыт, и на выходе схемы появляется высокий потенциал U1вых, близкий к Uи.п.
рис. 1
Для того, чтобы на выходе схемы был низкий потенциал U0вых необходимо одновременно на все эмиттеры подать направление, близкое к Uи.п. Транзисторы VТ1.1, VТ1.2, VТ1.3 при этом переходят в инверсный режим работы, при котором коллектор и эмиттер меняются местами по выполняемым функциям. Переходы база–коллектор транзисторов открываются напрежением Uи.п и через них насыщается транзистор VТ2. В результате направление на выходе элемента падает до уровня, определяемого остаточным падением направления на транзисторе VТ2. Это напряжение является напряжением логического нуля схемы. Таким образом, элемент ТТЛ относится к схемам положительной логики, для которой высокий потенциал U1вых Uи.п соответствует уровню логической единицы, а низкий потенциал U0вых 0 - уровню логического нуля. В реальных микросхемах ТТЛ уровень логической единицы находится в диапазоне от +2.4В до +5В (Uи.п), а уровень логического нуля - в диапазоне от 0В до 0.4В.
.
III. Основные характеристики и параметры элементов ТТЛ.
Основной статической характеристикой микросхем ТТЛ является передаточная характеристика, определяемая зависимостью Uвых = f (Uвх ), показанной на рис. 3. На ней можно выделить 3 области: область I – нахождения микросхемы в состоянии логической единицы, область III – нахождения микросхемы в состоянии логического нуля и активную, или переходную область II.
Передаточной характеристике соответствуют следующие статистические параметры элементов ТТЛ:
U0вых - выходное напряжение логического нуля;
U1вых - выходное напряжение логической единицы;
U1пор - наименьшее (пороговое) значение высокого уровня напряжения на входе, при котором микросхема переходит из состояния «0» в активную область;
U0пор - наибольшее (пороговое) значение низкого уровня напряжения на входе, при котором микросхема переходит из состояния «I» в активную область;
(U1пор - U0пор ) - ширина активной области;
Uпор - абсолютный порог переключения;
U+п.ст - наибольшее значение допустимого напряжения помехи положительной полярности, которое вызывает переход микросхемы из состояния логической единицы в активную область;
U-п.ст - статическая помехоустойчивость - наибольшее значение допустимого напряжения помехи отрицательной полярности относительно напряжения U1вх, которое не вызывает переход микросхемы из состояния логического нуля в активную область;
U+ п.ст - статическая помехоустойчивость – наибольшее значение допустимого напряжения статической помехи положительной полярности относительно напряжения U0вх, которое не вызывает переход микросхемы из состояния логической единицы в активную область.
Передаточная характеристика измеряется при различных значениях напряжения питания, температуры и сопротивления нагрузки.
Динамические свойства микросхем оцениваются следующими основными параметрами (рис. 4)
рис. 3
рис. 4
f вх - частота следования входных импульсов;
t1,0 - время перехода микросхемы из состояния логической единицы в состояние логического нуля – интервал времени, в течение которого напряжение на выходе микросхемы переходит от напряжения логической единицы к напряжению логического нуля, измеренный на уровнях 0,1 и 0,9 Uвых ;
t 0,1 - время перехода микросхемы из состояния логического нуля в состояние логической единицы – интервал времени, в течение которого напряжение на выходе микросхемы переходит от напряжения логического нуля к напряжению логической единицы, измеренный на уровнях 0,1 и 0,9 Uвых ;
t0,1зд - время задержки включения – интервал времени между входным и выходным импульсами при переходе напряжения на выходе микросхемы от напряжения логической единицы к напряжению логического нуля, измеренный на уровне 0,1 Uвх и 0,9 Uвых;
t0,1зд - время задержки выключения – интервал времени между входным и выходным импульсами при переходе напряжения на выходе микросхемы от напряжения логического нуля к напряжению логической единицы, измеренный на уровня 0,9 Uвх и 0,1 Uвых;
t1,0зд.р - время задержки распространения сигнала при включении – интервал времени между входным и выходным импульсами при переходе напряжения на выходе микросхемы от напряжения логической единицы к напряжению логического нуля, измеренный на уровне 0,5;
t0,1зд.р - время задержки распространения сигнала при выключении – интервал времени между входным и выходным импульсами при переходе напряжения на выходе микросхемы от напряжения логического нуля к напряжению логической единицы, измеренный на уровне 0,5.
Важными параметрами, определяющими возможность использования микросхем, являются коэффициент объединения по входу (Kоб) и коэффициент разветвления по выходу (Краз ). Kоб показывает, какое наибольшее количество входов может иметь логический элемент. Обычно Коб является заданным самой конструкцией микросхем. Коэффициент разветвления по выходу Краз (или нагрузочная способность) интегральной схемы показывает количество схем этой же серии, которые могут быть присоединены к выходу данной схемы без нарушения ее работоспособности. Критерием достижения максимально допустимой нагрузки является уменьшение выходного напряжения логической единицы до предельного значения.
IV. Описание лабораторной установки УМ-16.
Лабораторная установка УМ-16 предназначена для исследования интегральных микросхем цифровых логических элементов. Она состоит из 4-х основных частей: платы исследуемой микросхемы, электронного блока выработки входных сигналов, блока нагрузки и блока питания.
Электронный блок выработки входных сигналов содержит генераторы импульсов 1-го и 2-го каналов, коммутатор импульсов, генератор пилообразного напряжения (ГПН) и источник синхронизирующих импульсов. Частота следования входных импульсов 75 ± 20% кГц.
Схема электронного блока позволяет осуществить:
-
р
егулировку уровня логического нуля импульсов ( ) в пределах от 0 до 7 В; -
регулировку уровня логической единицы импульсов ( ) в пределах от 0 до 8 В;
-
р
егулировку длительности импульсов ( ) от 0,1 до 2,5 мкс; -
задержку импульсов 1-го канала относительно импульсов 2-го канала на время от 0,1 до 2,5 мкс;
-
синхронизацию изображения импульсов на экране осциллографа с помощью пилообразного сигнала синхронизации амплитудой 2,4 В;
Р
учки управления электронного блока выведены на лицевую панель и расположены в ее левой части. Функциональное назначение каждого органа управления обозначено условными знаками, в которых стрелка указывает регулируемый параметр. Для импульсов 1-го и 2-го каналов эти обозначения имеют вид . Регулировка времени задержки «τ задержки» импульсов 1-го канала относительно импульсов 2-го канала осуществляется двумя ручками «грубо» и «плавно». Генератор пилообразного направления ГПН имеет регулировку амплитуды вырабатываемого сигнала .Длительность прямого хода пилообразного сигнала 13 мкс, длительность обратного хода 0,8 мкс. Источники сигналов подсоединяются к исследуемому элементу соединительными проводами через коммутационные гнезда.
Блок нагрузок состоит из магазинов сопротивлений, конденсаторов и индуктивностей. Каждый магазин содержит по два переключателя. Он позволяет изменять значения элементов нагрузки: сопротивлений от 1 кОм до 100 кОм, конденсаторов от 33 нФ до 0,01 мкФ и индуктивностей от 1 до 500 мкГн. Расположен блок нагрузок в правой части панели. Нагрузка также подсоединяется к исследуемому элементу через соответствующие гнезда.
Для питания исследуемых элементов используются два источника. Напряжение на их выходах менять дискретно в пределах Uи.п = 3В, 4В, 5В, 6,3В с помощью перемычек и гнезд, расположенных под печатной платой исследуемого элемента и плавно в пределах от 0.8 до 1.2 Uном. Ручки плавной регулировки расположены в верхней части панели возле вольтметров контроля напряжений источников питания.
V. Исследование функционирования элементов «И-НЕ» ТТЛ.
5.1. Включить напряжение сети тумблером, находящимся в верхней правой части панели.
5
.2. Установить напряжение питания Uи.п = U1 = +5В. Соединить гнездо + U1 с гнездом + Uи.п исследуемой микросхемы, а гнездо −U1 - с гнездами « » стенда и −Uи.п микросхемы.
5.3. Установить длительность импульсов порядка 2 µс.
5.4. Ручками «грубо» и «плавно» регулировки задержки импульсов относительно друг друга установить минимальное время задержки.
5
.5. Вход осциллографа ( ) установить в положение « », что соответствует уровню нуля. С помощью ручки ↕ установить луч на первую снизу клетку. Вернуть переключатель входа в положение . Подключая попеременно осциллограф к выходам 1-го и 2-го каналов, установить нижний нулевой уровень импульсов в диапазоне 0…0,3 V (Лог «0») с помощью ручки
5
.6. Аналогично п.5.5. установить верхний уровень импульсов +4 В (Лог «1») с помощью ручки
5.7. Подать импульсы 1-го и 2-го каналов на входы 1 и 2 микросхемы.
5.8. Подключая попеременно осциллограф ко входам 1 и 2 и к выходу 3 элемента, убедиться в нормальном функционировании элемента «И-НЕ». Зарисовать друг под другом сигналы на входах 1 и 2 и выходе 3 микросхемы ( Uвх1 ,Uвх2 ,Uвых):
-
при одинаковой длительности импульсов на входах 1 и 2 и нулевой задержке (импульсы начинаются в один и тот же момент времени);
-
при различной длительности импульсов на входах 1 и 2 и нулевой задержке;
-
при одинаковой длительности импульсов на входах 1 и 2 и задержке равной 1…2 µс.
VI. Исследование статических параметров микросхем ТТЛ серии 155.
Характеристики
Тип файла документ
Документы такого типа открываются такими программами, как Microsoft Office Word на компьютерах Windows, Apple Pages на компьютерах Mac, Open Office - бесплатная альтернатива на различных платформах, в том числе Linux. Наиболее простым и современным решением будут Google документы, так как открываются онлайн без скачивания прямо в браузере на любой платформе. Существуют российские качественные аналоги, например от Яндекса.
Будьте внимательны на мобильных устройствах, так как там используются упрощённый функционал даже в официальном приложении от Microsoft, поэтому для просмотра скачивайте PDF-версию. А если нужно редактировать файл, то используйте оригинальный файл.
Файлы такого типа обычно разбиты на страницы, а текст может быть форматированным (жирный, курсив, выбор шрифта, таблицы и т.п.), а также в него можно добавлять изображения. Формат идеально подходит для рефератов, докладов и РПЗ курсовых проектов, которые необходимо распечатать. Кстати перед печатью также сохраняйте файл в PDF, так как принтер может начудить со шрифтами.















