САУ_конспект (1054116), страница 2
Текст из файла (страница 2)
Информация, снимаемая с датчиков, характеризующих состояние объекта и технологического процесса, может быть представлена в дискретном (чаще всего двоичном) и аналоговом виде, аналогично и представление управляющей информации.
В соответствии с этим для связи с объектом управления необходимо иметь 4 вида сигналов: дискретное управление и дискретный контроль (ДУ и ДК) и аналоговое управление и аналоговый контроль (АУ и АК). Кроме того, для обмена между микроконтроллерами, как внутри объекта, так и для внешнего обмена с цеховыми системами управления и иными информационными системами, необходим обмен по последовательным каналам связи.
Система управления современного оборудования электронной техники строится как развитая информационно-управляющая сеть
Рис. 2. Шаблон информационно-управляющей сети технологической машины
1.2. Система управления и энергообеспечения установки вакуумного напыления УВН-1
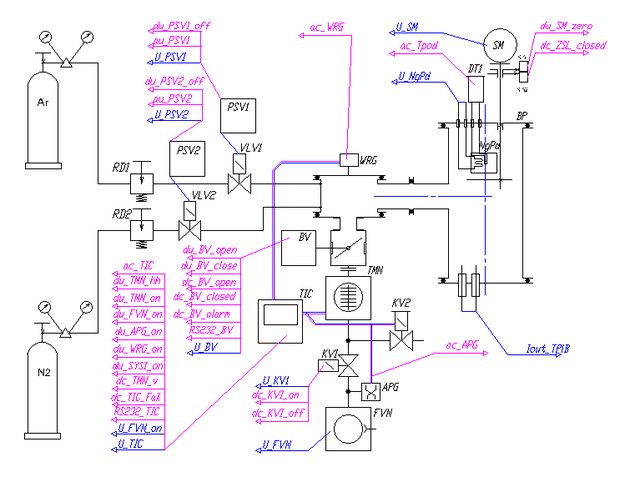
Рассмотрим в качестве примера аппаратное и программное обеспечение системы автоматизированного управления установки вакуумного напыления. На рис. 3 схематично показана система исполнительных механизмов этой установки. Сразу обратим внимание на множество синих и фиолетовых стрелок. Это те самые энергетические и информационные потоки, с помощью которых и организовано взаимодействие элементов машины в соответствии с предписанной технологией и командами оператора.
Рис. 3. Целевые механизмы установки вакуумного напыления
Формирует и обрабатывает эти потоки централизованная система энергообеспечения и управления, представленная на рис. 4. Часть элементов, представленных на рис. 3 имеет собственные локальные подсистемы управления и энергообеспечения.
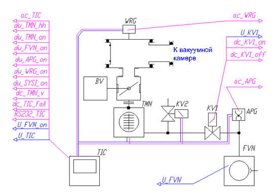
Так, система откачки, элементы которой показаны в общем составе на рис. 3 и локально вынесенная на рис. 10, состоит из:
- турбомолекулярного насоса TMN;
- турбоинструментального контроллера TIC с автономной системой энергопитания элементов вакуумной системы (турбомолекулярного насоса TMN, электромагнитных клапанов KV1 и KV2, низковакуумного вакуумметра Пирани APG и высоковакуумного вакуумметра WRG); форвакуумный насос FVN питается сетевым спиральный форвакуумный насос, клапан-бабочка
Рис. 4. Система энергообеспечения и управления установки вакуумного напыления
Рис. 5. Магнетрон с автономной системой энергообеспечения и управления
Рис. 6. Контур автоматического управления током магнетрона
Рис. 7. Узел подложки с системой нагрева и заслонкой
Рис. 8. Узел подложки: программное управление температурой подложки
Рис. 9. Колебания температуры подложки при релейном законе регулирования
Рис. 10. Система откачки: турбомолекулярный насос с автономной системой энергопитания и управления, спиральный форвакуумный насос, клапан-бабочка
Рис. 11. Система газонапуска: баллоны с аргоном и азотом, редуктора, пропорциональные клапаны, клапан бабочка с автономной системой энергопитания и управления
Рис. 12. Система газонапуска: встроенная система управления давлением в камере
1.3. Цель и задачи курса САУ
Цель курса: знания, умения и навыки
-
Знать общие принципы построения, роль и место САУ при обработке материальных, энергетических и информационных потоков, типовую структуру, вариантность элементной базы и функций САУ.
-
Знать основные понятия современной теории автоматического управления, основы анализа типовых непрерывных и цифровых контуров, уметь выбирать и иметь навыки настройки их параметров, заложить основы для самообразования в этой области.
-
Знать и уметь обоснованно выбирать и рассчитывать типовые электронные компоненты САУ, датчики, исполнительные механизмы и линии связи с ними.
-
Знать устройство, работу и элементы программирования типовых интегральных микроконтроллеров, основы построения аппаратной и программной части локальных контроллеров с их использованием, уметь аппаратно подключить типовые объекты, оттранслировать, загрузить и отладить типовое программное обеспечение, работающее в жестком реальном времени.
-
Знать устройство, работу и основы программирования типовых узловых и центральных контроллеров, работающих в составе типовой информационно-управляющей сети.
2. Теоретические основы анализа и синтеза непрерывных контуров САР
2.1. Исторические периоды развития теории управления
Ранее мы видели, что главные шаги в развитии систем управления происходили в критические исторические моменты (например, индустриальная революция, Вторая Мировая война, выход в космос, экономическая глобализация, а также биржевые соображения). Каждый из этих шагов был связан с соответствующим бурным развитием теории управления.
Регуляторы могут быть построены на разных принципах. Самый знаменитый из первых механических регуляторов – центробежный регулятор Уатта для стабилизации частоты
вращения паровой турбины (на рисунке справа). Когда частота вращения увеличивается, шарики расходятся из-за увеличения центробежной силы. При этом через систему рычагов прикрывается заслонка, уменьшая поток пара на турбину.
Рис. 13. Центробежный регулятор Уатта.
В начале использования фундаментальной концепции обратной связи разработчики иногда сталкивались с неожиданными результатами. Это стало катализатором для строгого анализа. Например, если мы вернемся к центробежному регулятору Уатта, оказалось, что при некоторых условиях он может создавать автоколебания. К концу 19-го столетия ряд исследователей (включая Максвелла) показали, как эти колебания могли быть описаны через свойства обычных дифференциальных уравнений.
События периода Второй Мировой войны были также ознаменованы существенными достижениями в теории управления. Например, пионерские работы Боде, Найквиста, Никольса, Эванса и других появились именно в это время, что привело к простым графическим средствам для анализа систем управления с одним входом и одним выходом. Эти методы теперь известны под именем "Классическая теория управления".
В 1960-е годы начал развиваться другой подход к теории управления — пространство состояний, что последовало за публикацией работ Винера, Калмана и других по оптимальному управлению. Эта работа позволила подойти в задачам со многими переменными единообразно, что было трудно, если не невозможно, в классической структуре. Такие приемы широко называются "Современной теорией управления".
К 1980-м годам, эти различные подходы к управлению достигли сложного уровня и выразительности и переключились на другие примыкающие проблемы, включая влияние ошибки модели на работу регуляторов обратной связи. Это можно классифицировать как период "Робастной теории управления".
Параллельно этому велась серьезная работа по задачам нелинейного управления. Это обусловлено тем, что многие задачи реальных систем управления включают нелинейные эффекты.
Есть и другие многочисленные достижения, включая адаптивное управление, автонастройку и интеллектуальное управление. Они слишком многочисленны, чтобы их здесь детализировать. Так или иначе, наша цель состоит не в том, чтобы привести всестороннюю историю, а просто дать почувствовать эволюцию в этой области.
Ко времени написания этой книги теория управления стала зрелой дисциплиной. Таким образом, теорию управления можно трактовать как дисциплину, которая учитывает многие различные точки зрения и объединяет их в общей структуре. Это — подход, который мы здесь возьмем на вооружение.
2.2. Математические модели объектов управления
2.2.1. Обратные связи в контурах автоматического управления
Остановимся на системах управления имеющих один вход и один выход, так называемых непрерывных SISO-системах (Single Input Single Output).
Допустим, мы имеем объект управления с точно известной математической моделью f(t), описывающей преобразование некоторой функции u(t), поступающей на вход в выходную функцию y(t).
Например, тело массой m, к которому приложена функционально изменяемая во времени сила F(t). Выходной функцией пусть будет перемещение по координате y(t). Модель, если мы пренебрегаем трением, будет дифференциальным уравнением вида:
. ……………………………………….(1)
Другой пример - кулачковая система управления. Модель этой системы связывает положение рабочего органа y(t), перемещаемого толкателем кулачка с углом поворота кулачкового вала φ(t), в свою очередь определяемого временем:
y(t)=f(φ(t)).
По модели для любого момента времени t может быть рассчитан угол поворота кулачкового вала (если задано его начальное положение φо и угловая скорость ω):
и затем определено положение рабочего органа y(t).
Используемые нами примеры просты, но позволяют нам увидеть самое главное: модель объекта управления f(t) не функция, а оператор, связывающий входную и выходную функции. В теории автоматического управления принято входную функцию или управление обозначать u(t), выходную функцию - y(t).
Таким образом, прямая модель f(t) – это оператор, определяющий выход системы в зависимости от входа. Обратная модель f(t)-1 позволяет, зная выход системы y(t) определить ее вход u(t).
Дифференциальное уравнение (1), строго говоря, еще не является моделью объекта. Моделями будут его решения. Если мы выразим положение у(t) в зависимости от силы – получим прямую модель, силу в зависимости от положения – обратную.
Пусть мы имеем некоторую требуемую или желаемую выходную функцию r(t). В теории автоматического управления ее называют уставкой. Задача управления ставится так: сформировать необходимое управление u(t) (разработать регулятор), чтобы реальная выходная функция y(t) совпала с требуемой r(t). Одно из очевидных решений этой задачи: подставить требуемую функцию r(t) в обратную модель объекта f(t)-1, получить требуемое управление u(t) и подать его на объект (рис.13).















