Главная » Просмотр файлов » Тест_4_вариант5_Сергеева

Тест_4_вариант5_Сергеева (1053382)

Файл №1053382 Тест_4_вариант5_Сергеева (РК3 Б)Тест_4_вариант5_Сергеева (1053382)2017-12-27СтудИзба
Просмтор этого файла доступен только зарегистрированным пользователям. Но у нас супер быстрая регистрация: достаточно только электронной почты!

Текст из файла

Московский Государственный Технический Университет им. Н.Э.Баумана

Тест №4 по курсу:

«Расчет и конструирование привода»

Билет №5

Выполнила: Сергеева Е.Ю.

группа МТ 11- 82

Проверил: Каменихин А.Т.

Москва,

2009 г.

Билет № 5

1. Как изменится вид амплитудно-частотной характеристики вала привода установки резки слитков, ес-ли резцовая головка будет снабжена шпонкой? Для предложенного технического решения определите источники вынужденных колебаний и постройте соответствующие графики. Необходимые данные см. в лекции.

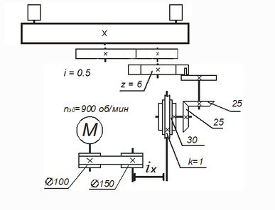
2. Предложить варианты схем привода вращения 12-ти позиционной карусели, приводимой в движение мальтийским ПФМ (z=6 и z=12). Сравнить предложенные варианты по критерию «время холостого хода ПФМ» . Обосновать выбор наилучшего варианта.

Задача №1

Используем данные, приведенные в лекции:

Шпиндель имеет три скорости вращения:

n1= 3000 об/мин;

n2= 4000 об/мин;

n3= 5000 об/мин.

1. Определение прогибов в точках приложения сил

Используется метод Верещагина:

Прогибы: х1=2,6*10-3 мм; х2=-3,5*10-3 мм; х3=3,6*10-3 мм

2. Определение собственной частоты колебаний вала

p=198*2*π=1212.04

3. Источники вынужденных колебаний

Для шарикоподшипника (согласно условию):

При D=80 мм и d=50 мм

Возможными источниками колебаний могут быть дисбаланс, шпонка и подшипники.

По условию задачи рассматривается привод с параметрами из лекционного примера, но резцовая головка снабжена шпонкой, следовательно, шпонка будет являться источником вынужденных колебаний.

Таким образом, 2*

4.Определение критической скорости вала

Критическая скорость (резонанс) наступает, когда собственная частота колебаний совпадает с вынуждающей частотой:

, следовательно,

5.Амплитуда вращающегося вала со шпонкой

6 .Построение графиков АЧХ

Задача №2

Поскольку мальтийский механизм с числом пазов z>6 не используется, то предложенный в условии вариант мальтийского механизма с числом пазов z=12 не может быть использован. Для 12-ти позиционной карусели предлагается 2 варианта схем привода вращения:

  1. использование мальтийского механизма с 6-ю пазами и редуктора с i1=0,5 (рис.1)

Рис.1

Отсюда время поворота (время холостого хода): мальтийского механизма:

txх1= tп1= 30(z1-2)/( nпов1 z1)

2. использование мальтийского механизма с 4-мя пазами и редуктора с i2=1/3 (рис.2)

Рис.2

Отсюда время поворота (время холостого хода): мальтийского механизма:

txх2= tп2= 30(z2-2)/( nпов2 z2)

Из условия равенства времени рабочих ходов каруселей в 1ом и 2ом случаях:

tрх1 = tрх2

i1*30(z1+2)/( nпов1 z1) = i2*30(z2+2)/( nпов2 z2)

0,5*30(6+2)/( nпов1 6) = 1/3*30(4+2)/( nпов2 4)

Откуда nпов1=4/3*nпов2

Находится соотношение холостых ходов каруселей в 1ом и 2ом случаях:

txх1/ txх2 =( i1*30(z1-2)/( nпов1 z1))/ (i2*30(z2-2)/( nпов2 z2)) =

( 30(6-2)/( 4/3nпов2 6))/ (30(4-2)/( nпов2 *4))=0,5/(1/3)=1,5

Таким образом, при одинаковых рабочих ходах предложенных схем txх1 в 1,5 раза больше txх2. Поэтому наилучшим вариантом является 2-ая схема, в которой число пазов мальтийского механизма z=4.

Характеристики

Тип файла
Документ
Размер
3,84 Mb
Материал
Высшее учебное заведение

Тип файла документ

Документы такого типа открываются такими программами, как Microsoft Office Word на компьютерах Windows, Apple Pages на компьютерах Mac, Open Office - бесплатная альтернатива на различных платформах, в том числе Linux. Наиболее простым и современным решением будут Google документы, так как открываются онлайн без скачивания прямо в браузере на любой платформе. Существуют российские качественные аналоги, например от Яндекса.

Будьте внимательны на мобильных устройствах, так как там используются упрощённый функционал даже в официальном приложении от Microsoft, поэтому для просмотра скачивайте PDF-версию. А если нужно редактировать файл, то используйте оригинальный файл.

Файлы такого типа обычно разбиты на страницы, а текст может быть форматированным (жирный, курсив, выбор шрифта, таблицы и т.п.), а также в него можно добавлять изображения. Формат идеально подходит для рефератов, докладов и РПЗ курсовых проектов, которые необходимо распечатать. Кстати перед печатью также сохраняйте файл в PDF, так как принтер может начудить со шрифтами.

Список файлов ответов (шпаргалок)

Свежие статьи
Популярно сейчас
А знаете ли Вы, что из года в год задания практически не меняются? Математика, преподаваемая в учебных заведениях, никак не менялась минимум 30 лет. Найдите нужный учебный материал на СтудИзбе!
Ответы на популярные вопросы
Да! Наши авторы собирают и выкладывают те работы, которые сдаются в Вашем учебном заведении ежегодно и уже проверены преподавателями.
Да! У нас любой человек может выложить любую учебную работу и зарабатывать на её продажах! Но каждый учебный материал публикуется только после тщательной проверки администрацией.
Вернём деньги! А если быть более точными, то автору даётся немного времени на исправление, а если не исправит или выйдет время, то вернём деньги в полном объёме!
Да! На равне с готовыми студенческими работами у нас продаются услуги. Цены на услуги видны сразу, то есть Вам нужно только указать параметры и сразу можно оплачивать.
Отзывы студентов
Ставлю 10/10
Все нравится, очень удобный сайт, помогает в учебе. Кроме этого, можно заработать самому, выставляя готовые учебные материалы на продажу здесь. Рейтинги и отзывы на преподавателей очень помогают сориентироваться в начале нового семестра. Спасибо за такую функцию. Ставлю максимальную оценку.
Лучшая платформа для успешной сдачи сессии
Познакомился со СтудИзбой благодаря своему другу, очень нравится интерфейс, количество доступных файлов, цена, в общем, все прекрасно. Даже сам продаю какие-то свои работы.
Студизба ван лав ❤
Очень офигенный сайт для студентов. Много полезных учебных материалов. Пользуюсь студизбой с октября 2021 года. Серьёзных нареканий нет. Хотелось бы, что бы ввели подписочную модель и сделали материалы дешевле 300 рублей в рамках подписки бесплатными.
Отличный сайт
Лично меня всё устраивает - и покупка, и продажа; и цены, и возможность предпросмотра куска файла, и обилие бесплатных файлов (в подборках по авторам, читай, ВУЗам и факультетам). Есть определённые баги, но всё решаемо, да и администраторы реагируют в течение суток.
Маленький отзыв о большом помощнике!
Студизба спасает в те моменты, когда сроки горят, а работ накопилось достаточно. Довольно удобный сайт с простой навигацией и огромным количеством материалов.
Студ. Изба как крупнейший сборник работ для студентов
Тут дофига бывает всего полезного. Печально, что бывают предметы по которым даже одного бесплатного решения нет, но это скорее вопрос к студентам. В остальном всё здорово.
Спасательный островок
Если уже не успеваешь разобраться или застрял на каком-то задание поможет тебе быстро и недорого решить твою проблему.
Всё и так отлично
Всё очень удобно. Особенно круто, что есть система бонусов и можно выводить остатки денег. Очень много качественных бесплатных файлов.
Отзыв о системе "Студизба"
Отличная платформа для распространения работ, востребованных студентами. Хорошо налаженная и качественная работа сайта, огромная база заданий и аудитория.
Отличный помощник
Отличный сайт с кучей полезных файлов, позволяющий найти много методичек / учебников / отзывов о вузах и преподователях.
Отлично помогает студентам в любой момент для решения трудных и незамедлительных задач
Хотелось бы больше конкретной информации о преподавателях. А так в принципе хороший сайт, всегда им пользуюсь и ни разу не было желания прекратить. Хороший сайт для помощи студентам, удобный и приятный интерфейс. Из недостатков можно выделить только отсутствия небольшого количества файлов.
Спасибо за шикарный сайт
Великолепный сайт на котором студент за не большие деньги может найти помощь с дз, проектами курсовыми, лабораторными, а также узнать отзывы на преподавателей и бесплатно скачать пособия.
Популярные преподаватели
Добавляйте материалы
и зарабатывайте!
Продажи идут автоматически
7041
Авторов
на СтудИзбе
259
Средний доход
с одного платного файла
Обучение Подробнее