ПЗ-Романов (1052301), страница 3
Текст из файла (страница 3)
на перегонах
Индустриальный характер капитальных путевых работ обусловил их специализацию по месту и времени выполнения с разделением на две группы. Одна группа работ сосредотачивается на производственной базе, а другая – на перегоне. Для обеспечения чёткой и согласованной их организации необходимо наличие заранее подготовленного проекта производства работ. Методическую помощь производственным организациям при разработке собственных ППР, привязанных к конкретным условиям, оказывают типовые технологические процессы на различные виды путевых работ. В них на основе обобщения передового опыта даются рекомендации по организации и технологии выполнения конкретного вида работ, численному составу работающих, распределению всех работающих и технических средств по операциям, определению затрат труда и времени на каждую операцию и на процесс в целом. Они содержат также графики производства всего комплекса работ.
Одним из примеров таких документов является технологический процесс усиленного капитального ремонта бесстыкового пути с применением современного комплекса машин. По этому технологическому процессу выполнение всех работ на фронте 1500 м рассчитано на 13 рабочих дней с предоставлением 6 «окон». Большое различие в темпах работ путеукладочной и щебнеочистительной техники обусловило раздельное по времени их использование. Указанная причина стала одной из определяющих в делении производственного процесса на 7 этапов.
На первом этапе, называемом проектно-изыскательским, производится диагностика земляного полотна и балластной призмы, изыскательские работы и разработка проекта. На этапе «2» - подготовительном – выполняются диагностика старогодных рельсовых плетей, их замена на инвентарные рельсы, уборка плетей с перегона, срезка и погрузка в полувагоны машиной СЗП-600 лишнего балласта из призмы, обочины и откосов и его вывоз к месту складирования. Заканчивается этот этап уборкой с пути всех обустройств, которые могут помешать работе машин. На этапе «3» (основном) старая рельсошпальная решётка меняется на новую. Четвёртый этап (называемый также основным) предназначается для реконструкции балластной призмы с её глубокой очисткой и устройством прослойки из пенопласта. В пятый (отделочный) этап инвентарные рельсы меняются на новые рельсовые плети, свариваемые в сверхдлинные плети. На шестом (также отделочном) этапе производится окончательная выправка пути в плане и профиле, его отделка, очистка и ремонт водоотводных устройств. Седьмой (заключительный) этап предусмотрен для профильной шлифовки новых рельсовых плетей.
На рисунке 1 представлен график производства основных работ этапа «3» со сменой путевой решётки рельсовыми звеньями.
Рисунок 1 – График основных работ капитального ремонта пути
Работы выполняют 47 монтёров пути и 30 машинистов на фронте 1500 м в 6-часовое «окно». После закрытия перегона для движения поездов 13 монтёров пути разбирают переездный настил и подготавливают место 1 для зарядки машины ВПО. Вслед за снятием напряжения, заземлением контактной сети и отсоединением заземления опор от рельсовой нити электробалластёр с локомотивом в голове (первый рабочий поезд) отрывает рельсошпальную решётку 2 от балластной призмы с одновременным продавливанием балласта между шпал. За электробалластёром 14 монтёров пути и 1 машинист электрогаечными ключами разболчивают 3 стыки, оставляя накладки на рельсах с одним болтом.
После подготовки фронта для путеразборочного поезда разболчивание стыков продолжают 4 монтёра и 1 машинист. По мере готовности фронта работ путеразборочный кран УК-25/9-18 демонтирует 4 рельсошпальную решётку звеньями, формируя их в пакеты, с последующим перемещением и закреплением на платформах (второй рабочий поезд). На освобождённой призме автогрейдер срезает 5 балласт шпальных ящиков, а машина БМС очищает 6 подшпальный слой балласта, перемещая его планировщиком в валы по обе стороны. В последующем от использования машины БМС отказались. На очищенном слое призмы путеукладочный кран УК-25/9-18 монтирует 7 рельсошпальную решётку новыми звеньями, доставленными с производственной базы (третий рабочий поезд). За краном 6 монтёров и 1 машинист сболчивают 8 стыки, 10 монтёров поправляют шпалы по меткам и рихтуют 9 путь, 11 монтёров и 1 машинист заготавливают рельсовые рубки и укладывают 10 их на отводе. Выправка 11 уложенного пути производится машиной ВПО-3000, оборудованной рихтовочным устройством (четвёртый рабочий поезд). Для подбивки пути используется балласт из боковых валов. В местах зарядки, разрядки и препятствий для Работы ВПО и отступлений по уровню выправку пути 12 производит ВПР-02. Завершают работы в «окно» 4 монтёра пути укладкой 13 временного переездного настила.
После открытия перегона разрешается движение первых одного-двух поездов со скоростью 25 км/ч и последующих – не менее 60 км/ч.
По завершении обеденного перерыва монтёры пути переходят на участок отделочных работ. На этом заканчивается третий этап ремонта пути.
Четвёртый этап охватывает пять «окон», из них два по 6 часов с фронтом работ по 360 м, два по 5 часов с фронтом по 280 м и одно 6-часовое совмещённое «окно» с фронтом работ 220 м. Графики производства работ на этом этапе представлены на рисунке 2.
Рисунок 2 – Графики глубокой очистки балласта с укладкой пенопласта
Каждому «окну» этого этапа предшествуют работы 1 по подготовке мест для зарядки машины RM-80 и по разборке переездных настилов, выполняемые группой в составе 6 монтёров пути.
После оформления закрытия перегона и снятия напряжения 2 в контактной сети производится зарядка 3 машины RM-80 и глубокая очистка 4 ею щебня с одновременной укладкой пенопласта на поверхность среза группой монтёров в составе 6 человек.
Вслед за RM-80, работа которой завершается 5 разрядкой, ВПР-02 выправляет 6, ДСП стабилизирует 7 и ПБ оправляет 8 балластную призму пути. В процессе работы машины RM-80 очистке подвергаются 3770 м3/км щебня в разрыхлённом состоянии, из которых 2640 м3/км возвращаются в путь. Пополнение нового щебня составляет 200 м3/км. По окончании «окна» и проверки состояния пути перегон открывается для движения первых одного-двух поездов со скоростью 25 км/ч и последующих – не менее 60 км/ч.
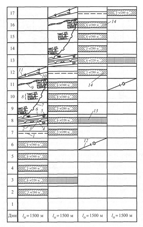
Пятый, шестой и седьмой этапы капитального ремонта пути охватывают шестидневный период, называемый отделочным. Состав и последовательность выполнения всех работ этого периода характеризуются графиками, представленными на рисунке 5. В первый день отделочного периода во время «окна» производится замена 1 инвентарных рельсов на новые плети, которые доставляются на участок заблаговременно. Во второй день 6 монтёров пути разбирают временный переездный настил и снимают 2 путевые километровые знаки. Под прикрытием «окна» машина СЗП-600 убирает с обочины, кюветов и откоса оставшийся балласт и загрязнители с погрузкой 3 их в полувагоны. Вслед за СЗП путевой струг планирует 4 обочину и кювет. Одновременно производится выгрузка 5 из хоппер-дозаторов щебёночного балласта для отделочных работ. В конце рабочего дня освободившиеся с основных работ 16 монтёров пути укладывают временный переездный настил, устанавливают и красят путевые знаки и устраивают 6 выходы из кюветов. Группа в составе 31 монтёра пути приступает к очистке кюветов и срезке обочины в местах препятствий для работы струга и СЗП, а также производит очистку закрытых лотков, восстановление лотков и очистку 7 нагорных канав. В третий день 19 монтёров пути продолжают очистку и восстановление водоотводных сооружений. В этот же день вступают 8 в работу машины ВПР-02, ДСП и АГД-1М (А) с прицепом УП-4. Машина ВПР выправляет продольный профиль с устройством кривых, сопрягающих смежные элементы пути в вертикальной плоскости, выправляет круговые и переходные кривые, удлиняет и устраивает прямые вставки между ними. ДСП стабилизирует путь, а автомотриса АГД грейфером убирает лишний балласт у опор контактной сети и загрязнители после очистки лотков. В четвёртый день продолжаются работы третьего дня. В пятый день заканчиваются работы предыдущего дня. При этом 15 монтёров пути, завершив очистку и восстановление водоотводных сооружений, переходят с моторным гидравлическим рихтовщиком на рихтовку пути, в том числе кривых по расчёту, устраивают стеллажи для покилометрового запаса, укладывают на них рельсы, ремонтируют переезд и укладывают 9 настил из железобетонных плит. В шестой день планировщиком ПБ производится отделка балластной призмы и планировка 10 междупутья, а 19 монтёров пути подрезают балласт под подошвой рельса и убирают 11 загрязнители после очистки нагорных канав. Завершающий седьмой этап реализуется после подготовки соответствующего фронта работ, при котором обеспечивается эффективное использование шлифовального поезда на профильной шлифовке рельсов.
На рисунке 3 второй подготовительный этап отражён графиком 12, согласно которому 6 монтёров пути снимают пикетные знаки, готовят места для въезда на путь и съезда с него землеройной техники, производят опробование и смазку болтов, снимают стеллажи для покилометрового запаса и убирают рельсы в середину колеи.
Рисунок 3 – График распределения по дням работ по
капитальному ремонту пути
На этом же рисунке третий этап основных работ, связанных со сменой рельсошпальной решётки, отмечен прямоугольником с вертикальной штриховкой 13, а четвёртый этап с основными работами по глубокой очистке щебня – пятью прямоугольниками с наклонной штриховкой 14.
Работы по сборке и разборке рельсовых звеньев и блоков стрелочных переводов выполняются по самостоятельным технологическим процессам. Для работ, связанных с заменых рельсовых плетей на инвентарные рельсы и наоборот, также разрабатывается отдельный технологический процесс.
Процессы усиленного капитального и капитального ремонтов бесстыкового и звеньевого пути с переходом на бесстыковой заканчиваются заменой инвентарных рельсов сварными плетями.
Последние годы характеризуются ростом протяжённости бесстыкового пути на отечественных железных дорогах. При этом средняя длина плети равна 595 м. Протяжённость экспериментальных участков с плетями длиной в блок-участок и в перегон достигла соответственно 1442 км и 168 км при средней длине плетей соответственно 1343 и 6722 м. Переход со звеньевого пути на бесстыковой позволяет удлинить межремонтные сроки из-за большей плавности хода поездов, что в итоге способствует ресурсосбережению. Один из вариантов комплектования машин и оборудования для реализации указанного перехода представлен на рисунке 4.
Рисунок 4 – Технологический комплекс замены инвентарных рельсов сварными плетями
Он предусматривает комплекс машин и оборудования, включающий состав 1 для перевозки плетей, моторную платформу 2, две тележки 3, соединённые с платформой и между собой тросом 4 для непрерывной замены инвентарных рельсов на плети, укладочный кран 5 УК-25/9-18, снимающий инвентарные рельсы и формирующий их в пакеты, платформы 6 с роликовыми транспортёрами под пакеты инвентарных рельсов, вторую моторную платформу 7 для перетяжки пакетов рельсов и перемещений платформ и локомотив 8.
Все работы при замене инвентарных рельсов на плети подразделяются на подготовительные, основные и заключительные. В состав подготовительных работ входят доставка рельсовых плетей, их выгрузка, подготовка уравнительных пролётов и др. Доставленные с РСП на специализированном составе и выгруженные внутрь колеи плети закрепляются двумя костылями через каждые 15 метров при деревянных шпалах и 25 метров при железобетонных. Во втором случае костыли забиваются в полушпалы, временно укладываемые в шпальные ящики. Концы плетей ограждаются башмаками. Часть подготовительных работ заканчивается непосредственно перед «окном».
Укладка плетей на место инвентарных рельсов должна завершаться не позднее пропуска 1 млн т груза брутто в целях предотвращения расстройств пути в зоне стыков. На рисунке 5 приведён график производства работ по замене инвентарных рельсов сварными плетями с использованием комплекса машин, представленного на рисунке 4. Все работы выполняются на фронте длиной 3500 м поточным методом в темпе ведущей машины, в качестве которой при рассматриваемой технологии выступает укладочный кран, убирающий инвентарные рельсы.
Рисунок 5 – График замены инвентарных рельсов сварными плетями
Работы начинаются за 1,5 часа до закрытия перегона. Две бригады монтёров пути в составе 22 человек расшивают временно закреплённые внутрь колеи рельсовые плети, вывешивают их на ролики, устанавливают плети по створам, разбирают (при наличии) переездный настил 1. Шесть бригад монтёров пути в составе 65 человек и 4 машиниста электрическими гаечными ключами отвинчивают на 1/3 резьбы гайки клеммных болтов на каждой второй шпале и извлекают 2 их из гнёзд подкладок. Скорость движения поездов при этом не должна превышать 60 км/ч.
После закрытия перегона и ограждения места работ сигналами остановки четыре бригады монтёров пути в составе 44 человек и 6 машинистов отвинчивают гайки остальных клеммных болтов на 1/3 резьбы и извлекают 3 их из гнёзд подкладок. Вслед за ними 2 монтёра пути, убрав башмаки от торцов плетей, присоединяют 4 к ним посредством накладок и болтов уравнительные пролёты. С помощью укладочного крана 4 монтёра заряжают обе тележки и присоединяют 5 их к моторной платформе. В процессе движения МПД с тележками происходит непрерывная замена 6 плетей инвентарных рельсов на сварные плети. Далее 10 монтёров пути демонтируют 7 стыки плетей инвентарных рельсов. За ними в работу включаются сначала 15 монтёров пути и 2 машиниста, а затем по мере освобождения – 48 монтёров пути и 3 машиниста, закрепляя 8 сварные плети клеммными болтами на максимальном числе шпал, но не менее чем на каждой второй. Следующую работу выполняют 4 машиниста и 13 монтёров пути с помощью крана УК, убирая инвентарные рельсы и формируя 9 их в пакеты на платформе крана. Группа монтёров пути в составе 10 человек, завершив демонтаж стыков инвентарных рельсов, укладывает 10 рубки. По окончании перечисленных работ и после проверки состояния пути перегон открывают для движения поездов со скоростью 60 км/ч.
После обеденного перерыва 47 монтёров пути и 4 машиниста заканчивают закрепление плетей на всех шпалах и довинчивают 11 ослабевшие гайки клеммных болтов.
Завершают производственный процесс 6 монтёров пути укладкой переездного настила и перевозкой 12 вспомогательных приспособлений на очередной участок.















