СТРУЙНЫЕ АППАРАТЫ различного назначения (1046670)
Текст из файла
СТРУЙНЫЕ АППАРАТЫ различного назначения
Струйные аппараты (эжекторы и инжекторы) применяются во многих отраслях промышленности: нефтехимической, нефтегазодобывающей, нефтеперерабатывающей, пищевой, в тепловой и атомной энергетике, в космической и глубоководной технике и др.
ООО «Техновакуум» разрабатывает и поставляет струйные аппараты различных типов: жидкостно-газовые, газо-газовые, парогазовые, парожидкостные (инжекторы), жидкостно-жидкостные.
Разработка струйных аппаратов осуществляется согласно Техническим требованиям Заказчика с использованием современных методик расчета, разработанных специалистами ООО «Техновакуум».
ООО «Техновакуум» предоставляет Заказчику предварительные расчеты струйных аппаратов с целью определения эффективности их внедрения.
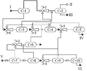
Пример применения струйных аппаратов различных типов, разработанных спе-циалистами ООО «Техновакуум» в установках подготовки газа, конденсата и нефти на нефтегазоконденсатном месторождении «Кокдумулак» (Узбекистан).
|
|
|
В данной установке для сжатия низконапорных газов используется потенциальная энергия высоконапорных газовых, жидкостных и двухфазных потоков, которая в существующих технологических процессах подготовки газа, конденсата и нефти обычно безвозвратно теряется на дросселях без совершения полезной работы.
|
| Рабочие тела: газ + газ | |
|
| |
1. Жидкостно-газовые струйные аппараты.
Предназначены для сжатия парогазовых смесей любого состава за счет энергии высокоскоростного жидкостного потока.
Некоторые области применения:
-
Сжатие низконапорных (факельных) газов на предприятиях нефтегазодобывающей, нефтегазоперерабатывающей, химической, нефтехимической и других отраслях промышленности;
-
Создание вакуума в технологических аппаратах нефтеперерабатывающих, нефтехимических и других предприятий, в конденсаторах паровых турбин, при сушке пищевых продуктов и древесины, при дегазации различных жидкостей и др.;
-
Очистка технологических газов от токсичных веществ и пыли;
-
Перемешивание газа с жидкостью с целью ускорения химических и биологических реакций, абсорбционных процессов;
-
Закачка газов в нефтяной пласт с целью повышения нефтеотдачи;
-
Множество других областей применения (см. [1] монографию "Двухфазные струйные аппараты" В.Г. Цегельского).
2. Жидкостно-газовые струйные аппараты с двухфазным активным потоком.
Предназначены для сжатия парогазовых смесей любого состава за счет энергии высокоскоростного жидкостно-газового потока.
Могут применяться для сжатия низконапорных (факельных) газов за счет использования потенциальной энергии высоконапорных двухфазных потоков, которая в технологических процессах добычи нефти и газа безвозвратно теряется на дросселях без совершения полезной работы.
Разработанные в ООО «Техновакуум» аппараты данного типа внедрены на нефтегазоконденсатном месторождении «Кокдумалак».
3. Газо-газовые струйные аппараты.
Предназначены для откачки различных парогазовых потоков за счет энергии высокоскоростного газового потока.
Некоторые области применения:
-
Сжатие газов низкого давления за счет потенциальной энергии высоконапорных газовых потоков на нефтяных и газоконденсатных месторождениях;
-
Создание разрежения при проведении технологических процессов в различных отраслях промышленности;
-
Множество других областей применения.
Характеристики газо-газового струйного аппарата, используемого на установке низкотемпературной сепарации газоконденсатного месторождения «Шуртан» (Узбекистан).
| Активный (высоконапорный) поток | Давление активного потока, МПа | Давление сжимаемого газа на входе, МПа | Давление на выходе , МПа |
| природный газ | 10 | 2.0 | 6.0 |
4. Парогазовые струйные аппараты.
Предназначены для откачки различных парогазовых потоков за счет энергии водяного пара.
Некоторые области применения:
-
Создание разрежения в емкостях при проведении технологических процессов в различных отраслях промышленности (теплоэнергетика, металлургия, нефтехимическая, пищевая и др.);
-
Сжатие парогазовых потоков.
5. Парожидкостные струйные аппараты (инжекторы).
В данных аппаратах путем преобразования тепловой энергии пара в кинетическую энергию жидкостной струи получают на выходе из инжектора полное давление жидкой смеси, превышающее полные давления пара и жидкости на входе в аппарат.
Применяются для нагрева и подачи воды в системах теплоснабжения, горячего водоснабжения, подачи химически очищенной воды в деаэраторы и др.
6. Жидкостно-жидкостные струйные аппараты.
Предназначены для перекачки различных жидкостей за счет энергии высокоскоростного жидкостного потока.
Используются для проведения интенсивного перемешивания жидкостей в различных технологических процессах, в качестве бустера, для повышения кавитационного запаса центробежных насосов и др.
Характеристики
Тип файла документ
Документы такого типа открываются такими программами, как Microsoft Office Word на компьютерах Windows, Apple Pages на компьютерах Mac, Open Office - бесплатная альтернатива на различных платформах, в том числе Linux. Наиболее простым и современным решением будут Google документы, так как открываются онлайн без скачивания прямо в браузере на любой платформе. Существуют российские качественные аналоги, например от Яндекса.
Будьте внимательны на мобильных устройствах, так как там используются упрощённый функционал даже в официальном приложении от Microsoft, поэтому для просмотра скачивайте PDF-версию. А если нужно редактировать файл, то используйте оригинальный файл.
Файлы такого типа обычно разбиты на страницы, а текст может быть форматированным (жирный, курсив, выбор шрифта, таблицы и т.п.), а также в него можно добавлять изображения. Формат идеально подходит для рефератов, докладов и РПЗ курсовых проектов, которые необходимо распечатать. Кстати перед печатью также сохраняйте файл в PDF, так как принтер может начудить со шрифтами.












