№3 В2 (1042932)
Текст из файла
Содержание.
1. Чертеж детал……………………………………………………………………..3
2. Выбор способа штамповки……………………………………………………..3
3. Составление чертежа поковки………………………………………………….4
3.1. Определение поверхности разъёма штампов. 4.
3.2 Припуски на механическую обработку и допускаемое отклонение размеров.. 4
3.3. Штамповочные уклоны 5
3.4. Радиусы закруглений 5
4. Определение размеров исходной заготовки и её массы……………………....6
5. Определение размеров исходной заготовки после осадки……………………8
6. Определение размеров поковки во втором переходе…………………………8
Разработка поковки цапфы.
-
Чертеж детали.
Н
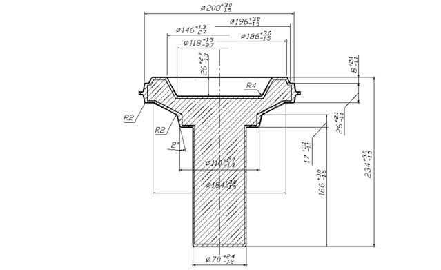
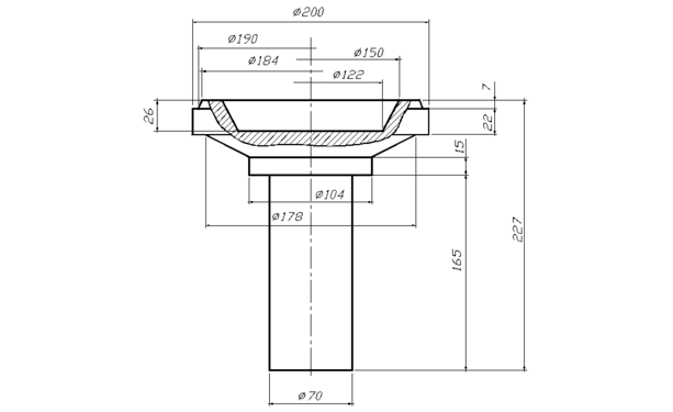
а рис.1 представлен рабочий чертёж детали - цапфы, изготовленной из стали 40ХН плотность которой равна ρ=7.8 г/см³. Масса детали :
.
Рис.1. Чертёж детали.
-
Выбор способа штамповки.
В соответствии с классификацией, поковка рассматриваемой детали относится к 3-й группе, т.е. поковка типа стержень с утолщением (головкой, фланцем). По соответствующей таблице в зависимости от группы находим, что такую поковку следует изготавливать горячей объёмной штамповкой. При этом, как видно из таблицы, поковки такого класса могут быть получены как штамповкой выдавливанием, так и штамповкой на ГКМ. Из-за сложной формы головки цапфы требуется формоизменение первоначальной заготовки, а, следовательно, дополнительный переход, где после осадки заготовка принимает бочкообразную форму. Так как имеется достаточно длинный стержень, то во втором переходе производим выдавливание стержня и оформление головки цапфы в закрытом штампе. В третьем переходе производим штамповку головки цапфы в открытом штампе с поперечным заусенцем и окончательно оформляются ступени стержня.
Таки образом имеем штамповку поковки цапфы в три перехода: 1-ый переход – осадка; 2-ой переход – штамповка в закрытом штампе; 3-ий переход – штамповка в отрытом штампе.
-
Составление чертежа поковки.
-
Определение поверхности разъёма штампов.
В качестве поверхности разъёма штампов выбираем плоскость «х – х » (см. рис.2), перпендикулярную оси цапфы и расположенную в сечении, соответствующем максимальному диаметру детали (200 мм).
-
Припуски на механическую обработку и допускаемое отклонение размеров.
Для назначения припусков определяем исходный индекс поковки по соответствующей таблице. Для этого надо знать массу, степень сложности и класс точности поковки.
Расчетную массу поковки
, необходимую для нахождения припусков, определим с помощью расчетного коэффициента
, который находим по соответствующей таблице в зависимости от группы поковки. В нашем случае для группы 3:
.
Для определения степени сложности поковки найдем объём геометрической фигуры, в которую вписывается поковка. В нашем случае геометрическая фигура – цилиндр диаметром 200 мм и высотой 234 мм.
Объём поковки определяем следующим образом:
Находим отношение объёмов поковки к объёму описанной фигуры:
,
, значит степень сложности поковки С3 - третья.
Группа стали определяется по таблице в зависимости от характеристики стали. Для стали с массовой долей углерода 0.4% группа стали М2.
Класс точности поковки устанавливается в зависимости от технологического процесса и оборудования для изготовления поковки. Для итогового перехода : штамповка в открытом штампе - класс точности Т4.
По выше найденным характеристикам поковки определяем, что исходный индекс равен 16.
В соответствии с найденным индексом поковки (16 ) по соответствующим таблицам устанавливаем припуски на сторону и отклонения размеров (см. рис.2).
-
Штамповочные уклоны.
Наружные штамповочные уклоны устанавливаем в зависимости от соотношения размеров поковки; при наличии выталкивателя штамповочные уклоны принимаем равными 2º.
-
Радиусы закруглений.
Радиусы закруглений на поковку назначают в зависимости от массы поковки и глубины полости ручья. Для внешних углов поковки принимаем
, внутренние радиусы закруглений принимаем в 2 раза больше:
.
На рис.2 представлен готовый чертёж поковки с размерами. На этом же чертеже показана возможная форма облоя.
Рис.2. Чертёж штампованной поковки.
-
Определение размеров исходной заготовки и её массы.
Определение размеров исходной заготовки для штамповки осуществляют, исходя из массы поковки с учетом потерь металла при её изготовлении:
Массу поковки
примем равной расчетной массе поковки
, установленной с учетом коэффициента
, и, используемой для назначения припусков. Таким образом, масса поковки
.
Расчёт массы облоя
ведётся по формуле объёма облоя полученного при штамповке в открытом штампе:
Где
- наружный диаметр облоя, который в данном случае определяется следующим образом
, где высота облоя с каждой стороны 5 мм для данной заготовки.
- диаметр головки поковки (208 мм).
h – высота облоя, при
толщина облоя равна h=2.5мм.
Масса угара металла примем равной 1% для нагрева в электропечи, с учётом того что происходит осадка со штамповкой в открытом и закрытом штампоах.
Тогда масса и объём исходной заготовки будут соответственно равны:
При расчете размеров исходной заготовки (
) принимаем во внимание, что поковка будет штамповаться вдоль оси заготовки ( т.е. осадкой в торец ). Поэтому отношение
должно быть не более 2.5 во избежание потери устойчивости заготовки при её штамповке и менее 1.0 для обеспечения надлежащего качества при резке проката на мерные заготовки, т.е.
Примем для расчета
. Тогда диаметр заготовки будет равен:
Принимаем стандартный ближайший диаметр прутка проката – 105 мм. Тогда длина (высота) заготовки должна быть:
Окончательно принимаем размеры исходной заготовки:
-
Определение размеров исходной заготовки после осадки.
После осадки заготовка примет бочкообразную форму. Выберем высоту, которую получит заготовка после осадки, из соображения удобства дальнейшей укладки и фиксации её во втором переходе ( штамповка в закрытом штампе ), а так же обеспечения оптимального предварительного формирования головки и стержня цапфы : высота осаженной заготовки 128 мм (см. рис.3 ).
-
Определение размеров поковки во втором переходе.
При определении размеров поковки штампуемой выдавливанием в закрытом штампе, учитываем: соответствие объёма осаженной заготовки объёму поковки полученной в данном переходе, размеры головки и стержня поковки цапфы, которые должны получиться в следующем последнем переходе (штамповка в открытом штампе). Размеры поковки данного перехода приведены на рис.3 в соответствие с перечисленными требованиями.
Последовательность изготовления поковки будет включать следующие операции переходы: отрезка заготовки ( в холодном состоянии ); нагрев; осадка в заготовительном ручье штампа ; штамповка в закрытом штампе; штамповка в открытом штампе, обрезка облоя. Эта последовательность с изображением эскизов по переходам и указанием оборудования и инструмента представлена на рис.3.
| Эскизы переходов | Оборудование, инструмент | |
| Отрезка заготовки | Ножницы, ножи | |
| Нагрев заготовки | Электропечь | |
| Осадка в заготовительном ручье штампа | Молот; Площадка для осадки молотового штампа | |
| Рис.3. . Последовательность изготовления штампованной поковки | ||
| Штамповка с выдавливанием стержня и оформлением головки | Горячештам-повочный пресс; закрытый штамп | |
| Штамповка головки с окончательным оформлением ступени стержня | Горячештам-повочный пресс; открытый штамп | |
Рис.3. Последовательность изготовления штампованной поковки (продолжение).
10
Характеристики
Тип файла документ
Документы такого типа открываются такими программами, как Microsoft Office Word на компьютерах Windows, Apple Pages на компьютерах Mac, Open Office - бесплатная альтернатива на различных платформах, в том числе Linux. Наиболее простым и современным решением будут Google документы, так как открываются онлайн без скачивания прямо в браузере на любой платформе. Существуют российские качественные аналоги, например от Яндекса.
Будьте внимательны на мобильных устройствах, так как там используются упрощённый функционал даже в официальном приложении от Microsoft, поэтому для просмотра скачивайте PDF-версию. А если нужно редактировать файл, то используйте оригинальный файл.
Файлы такого типа обычно разбиты на страницы, а текст может быть форматированным (жирный, курсив, выбор шрифта, таблицы и т.п.), а также в него можно добавлять изображения. Формат идеально подходит для рефератов, докладов и РПЗ курсовых проектов, которые необходимо распечатать. Кстати перед печатью также сохраняйте файл в PDF, так как принтер может начудить со шрифтами.















