№2 В33 (1042927)
Текст из файла
Анализ исходных данных.
Деталь – тело вращения с соотношением L/d не более 5, что соответствует жесткой конструкции.
Материал: Сталь 30ХГСА.
Неуказанные предельные отклонения размеров: H12, h12,
IT12/2.
Отношение l/d=0.84
Тип производства – единичное.
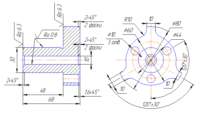
Поверхности: торцевые – 1, 1/ , наружные цилиндрические – 2, внутренние цилиндрические – 3, наружные фасонные – 4.
Поверхность А – торцевая, шероховатость - Ra не указана, допуск размера по 12 квалитету, допуск формы на чертеже не указан.
Поверхность Б – цилиндрическая наружная, шероховатость - Ra не более 0,8 мкм, допуск размера по 12 квалитету, допуск формы на чертеже не указан.
Поверхность В – отверстие цилиндрическое сквозное, шероховатость - Ra не указана, допуск размера по 12 квалитету, допуск формы на чертеже не указан.
Выбор способа обработки.
На основе анализа исходных данных, выбираем способы обработки поверхностей А,Б,В: А – точение получистовое, Б – точение чистовое, В – сверление.
Выберем вид заготовки – прокат круглого поперечного сечения диаметром 82 мм.
Выбор методов и видов обработки поверхностей (с учетом последующей обработки).
| поверхности | Вид обработки | Инструмент |
Установка 1 | ||
| 1 | Точение (подрезание торца) | Токарный проходной отогнутый резец |
| Б | Точение (обтачивание цилиндрической поверхности) | Токарный проходной упорный резец |
| 1/ | Точение (подрезание торца) | Токарный проходной упорный резец |
| 2 | Точение (обтачивание цилиндрической поверхности) | Токарный проходной отогнутый резец |
Установка 2 | ||
| А | Точение (подрезание торца) | Токарный проходной отогнутый резец |
Установка 3 | ||
| 3 | Сверление отверстия | Спиральное сверло |
| В | Сверление отверстия | Спиральное сверло |
Установка 4 | ||
| 4 | Фрезерование фасонной поверхности | Концевая фреза |
Оценка технологичности конструкции детали.
Учитывая типовые правила проектирования деталей машин, а также условия обработки поверхностей заданной детали, предлагаются следующие рекомендации по улучшению технологичности конструкции:
Размер 47 мм заменяем на 48 мм; размер 67 мм заменяем на 68 мм. Остальные размеры соответствуют стандартным.
Размеры ширин выступов 9 мм и 11 мм заменить на 10 мм.
На поверхностях 30, 80 предусмотреть фаски 2
45.
Обработка фасонной поверхности осуществляется концевой фрезой 20 мм на станке с ЧПУ, поэтому предусматриваем радиусы скругления R10.
Условия технической реализации обработки поверхностей.
Поверхность А. Способ обработки – точение получистовое.
Оборудование – токарно-винторезный станок, так как производство единичное, а габариты небольшие (67
80 мм). Режущий инструмент – токарный проходной отогнутый резец с пластинкой твёрдого сплава, т.к. материал – легированная сталь.
Установка заготовки – в 3-х кулачковом самоцентрирующем патроне, т.к. конструкция детали жёсткая.
Схема точения наружной торцовой поверхности.
Поверхность Б. Способ обработки – точение чистовое.
Оборудование – токарно-винторезный станок, так как производство единичное, а габариты небольшие (67
80 мм). Режущий инструмент – токарный проходной упорный резец с пластинкой твёрдого сплава, т.к. материал – легированная сталь.
Установка заготовки – в 3-х кулачковом самоцентрирующем патроне, т.к. конструкция детали жёсткая.
С
хема точения наружной цилиндрической поверхности.
Перед чистовой обработкой выполняется черновое и получистовое точение.
После чистовой обработки подрезать торец и снять фаску.
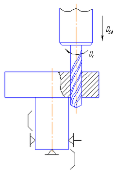
Поверхность В. Способ обработки – сверление.
Оборудование – вертикально-сверлильный станок, так как габариты детали небольшие.
Режущий инструмент – спиральное сверло с пластинками из твердого сплава, так как обрабатываемый материал заготовки – легированная сталь, а форма отверстия - цилиндрическая.
Установка заготовки – в машинных тисках с призматическими губками, т.к. опорная поверхность цилиндрическая.
Установка инструмента – в сверлильном кулачковом патроне, установленном в шпинделе станка.
Перед сверлением предварительная обработка не требуется, так как обрабатываемое сквозное отверстие имеет диаметр 10 мм.
Эскиз детали, измененной, с учетом предложенных рекомендаций.
Характеристики
Тип файла документ
Документы такого типа открываются такими программами, как Microsoft Office Word на компьютерах Windows, Apple Pages на компьютерах Mac, Open Office - бесплатная альтернатива на различных платформах, в том числе Linux. Наиболее простым и современным решением будут Google документы, так как открываются онлайн без скачивания прямо в браузере на любой платформе. Существуют российские качественные аналоги, например от Яндекса.
Будьте внимательны на мобильных устройствах, так как там используются упрощённый функционал даже в официальном приложении от Microsoft, поэтому для просмотра скачивайте PDF-версию. А если нужно редактировать файл, то используйте оригинальный файл.
Файлы такого типа обычно разбиты на страницы, а текст может быть форматированным (жирный, курсив, выбор шрифта, таблицы и т.п.), а также в него можно добавлять изображения. Формат идеально подходит для рефератов, докладов и РПЗ курсовых проектов, которые необходимо распечатать. Кстати перед печатью также сохраняйте файл в PDF, так как принтер может начудить со шрифтами.















