№2 В31 (1042923)
Текст из файла
Министерство образования Российской Федерации
Московский государственный технический университет им. Н. Э. Баумана
(наименование учебного заведения)
Машиностроительные технологии
(наименование факультета)
Технология конструкционных материалов
(наименование предмета, по которому выполнена работа)
Расчётно-графическая работа №1:
«Механическая обработка поверхностей заготовок»
(название работы)
Преподаватель: Сомойлов Валерий Борисович
Студент: Анохин Александр Васильевич
Группа: МТ 3-52
Вариант №3
Дата выполнения работы: 30.11.2007.
Москва, 2007.
Дано:
Задание №1:
Для поверхностей (А, Б, В), указанных на чертеже, выбрать методы и способы их обработки согласно требованиям к точности размеров и шероховатости поверхности, установленным чертежом детали.
С учетом типа производства или объёма выпуска для выбранных способов обработки указанных поверхностей назначить и обосновать тип оборудования, режущего инструмента, составить рациональные схемы обработки этих поверхностей и разработать последовательность обработки каждой из поверхностей, начиная от заготовки.
Задание №2:
По чертежу детали оценить технологичность конструкции, дать свои предложения по ее изменению с целью улучшения технологичности, начертить эскиз изменённой конструкции детали.
Решение:
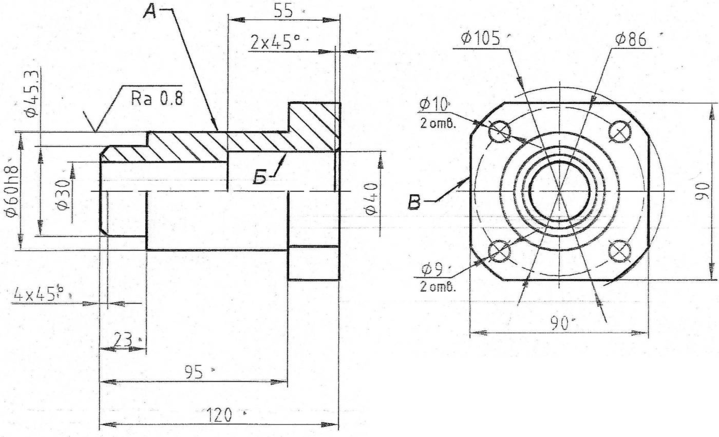
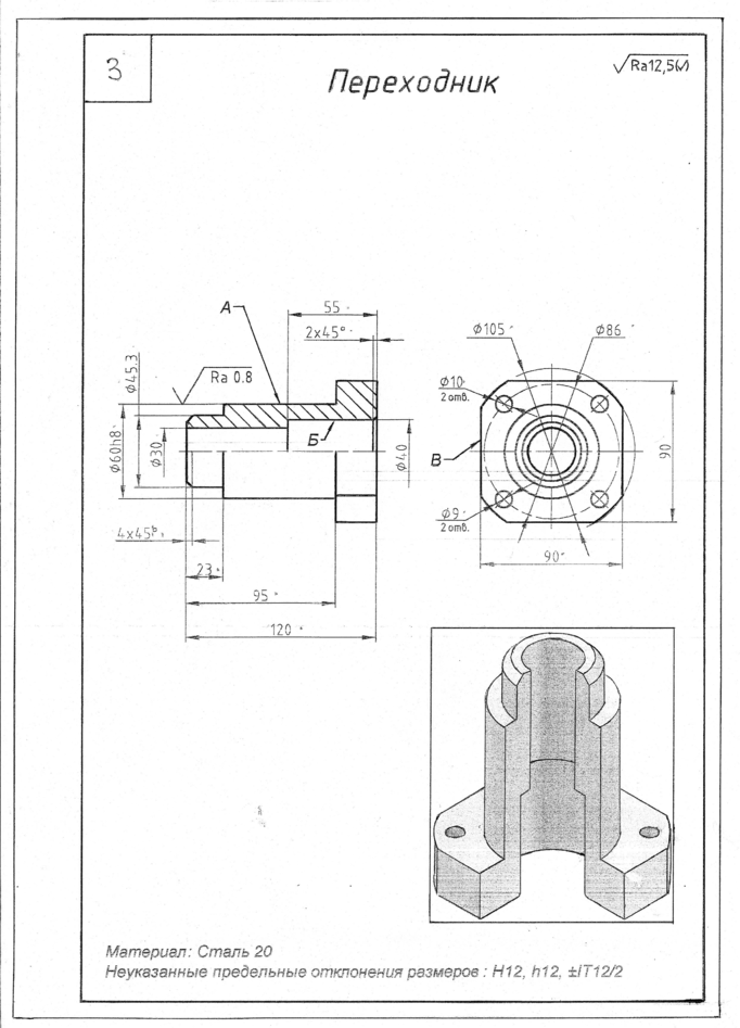
Чертеж детали
Анализ исходных данных и технических требований по чертежу детали
Деталь типа тела вращения с соотношением L/d не более 5, что соответствует жесткой конструкции.
Материал переходника: сталь 45.
Тип производства: единичное.
Поверхность А – цилиндрическая наружная, шероховатость – Ra не более 0,8 мкм, допуск размера по8 квалитету, допуск формы на чертеже не указан.
Поверхность Б – цилиндрическая внутренняя (отверстие), шероховатость Ra – не более 12,5 мкм, допуск размера по 12 квалитету, допуск формы на чертеже не указан.
Поверхность В – плоская (лыска), шероховатость Ra – не более 12,5 мкм, допуск размера по 12 квалитету, допуск формы на чертеже не указан.
5. Выбор вида заготовки.
Выберем вид заготовки – отливка.
6. Оценка технологичности конструкции детали.
Для свободного выхода инструмента при обработке поверхности А (наружной цилиндрической) необходимо предусмотреть кольцевую канавку (используем отрезной резец). Чертим эскиз технологичной конструкции (рис.4).
7. Условие технической реализации обработки поверхностей (схемы обработки и их названия).
Поверхность А. Способ обработки – точение чистовое.
Оборудование – токарно-винторезный станок, так как производство единичное, а габариты детали небольшие (120 х 90 мм).
Режущий инструмент – токарный проходной упорный резец.
Закрепление заготовки – в 3-х кулачковом самоцентрирующем патроне, так как конструкция детали жесткая.
Строим схему точения наружной цилиндрической поверхности. Перед обтачиванием предусматриваем кольцевую канавку, для свободного выхода инструмента. Перед чистовой обработкой выполняется предварительное точение (рис. 1).
Поверхность Б. Способ обработки – растачивание черновое.
Оборудование – токарно-винторезный станок, так как производство единичное, габариты детали небольшие.
Режущий инструмент – токарный расточной упорный резец.
Закрепление заготовки – в 3-х кулачковом самоцентрирующем патроне, так как конструкция детали жесткая.
Строим схему растачивания внутренней цилиндрической поверхности (рис. 2).
Поверхность В. Способ обработки – фрезерование черновое.
Оборудование – горизонтально-фрезерный станок, т.к. обрабатываемые поверхности плоские вертикальные.
Режущие инструменты – две дисковые двусторонние фрезы (для одновременной обработки двух поверхностей); диаметр фрезы перекрывает размеры обрабатываемой поверхности, поэтому возможна обработка за один проход.
Закрепление заготовки – в 3-х кулачковом самоцентрирующем патроне с центром.
Закрепление инструмента – на фрезерной оправке, закрепленной в шпинделе.
Строим схему фрезерования одновременно двух вертикальных плоскостей (рис. 3).
Рис. 1 Рис. 2
Рис. 3
Рис. 4
7
Характеристики
Тип файла документ
Документы такого типа открываются такими программами, как Microsoft Office Word на компьютерах Windows, Apple Pages на компьютерах Mac, Open Office - бесплатная альтернатива на различных платформах, в том числе Linux. Наиболее простым и современным решением будут Google документы, так как открываются онлайн без скачивания прямо в браузере на любой платформе. Существуют российские качественные аналоги, например от Яндекса.
Будьте внимательны на мобильных устройствах, так как там используются упрощённый функционал даже в официальном приложении от Microsoft, поэтому для просмотра скачивайте PDF-версию. А если нужно редактировать файл, то используйте оригинальный файл.
Файлы такого типа обычно разбиты на страницы, а текст может быть форматированным (жирный, курсив, выбор шрифта, таблицы и т.п.), а также в него можно добавлять изображения. Формат идеально подходит для рефератов, докладов и РПЗ курсовых проектов, которые необходимо распечатать. Кстати перед печатью также сохраняйте файл в PDF, так как принтер может начудить со шрифтами.















