№2 (пример 1) (1042914)
Текст из файла
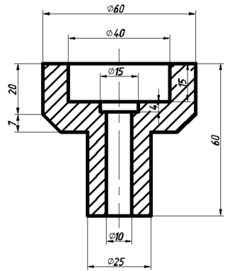
1. Эскиз детали.
-
Исходные данные.
3. Анализ чертежа детали.
Шероховатость обрабатываемых поверхностей не регламентируется.
Наибольший габаритный размер - 60мм.
Преобладающая толщина стенок 7…10 мм.
Все литейные радиусы, в том числе и скругления между пересекающимися плоскостями приняты равными 3 мм.
Точность изготовления детали на чертеже не указана и требует уточнения.
-
Выбор способа изготовления заготовки.
| <15 кг | |
| Min толщина стенок | 7,5 мм < 6 мм |
| Max габаритный размер | 60 мм < 10000 мм |
| Группа сложности | |
| Программа выпуска | < 200 шт. |
исходную заготовку целесообразно получать способом литья в песчаную форму.
этот способ получения обеспечивает класс точности 5…11. Выберем класс точности 9.
-
Расчет припуска на механическую обработку
Возьмем 9 класс точности и 3 ряд припусков.
| Размер обрабатываемой поверхности | Допуск (мм) | Припуск на механическую обработку (мм) |
| 60 | 2 | 4 |
| 40 | 1,8 | 3,6 |
| 15 | 1,4 | 3,2 |
| 10 | 1,4 | 3,2 - заливаем |
Припуски на механическую обработку на нанесены на чертеже тонкими линиями.
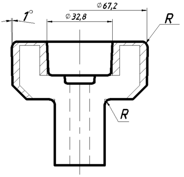
6.Выбираем формовочный уклон:
Высота формообразующей поверхности , перпендикулярной плоскости разъема: 20+3,2=23,2
формовочный уклон - 1°
7. Определяем радиусы скруглений:
все радиусы скругления целесообразно взять
мм.
8. Чертеж отливки.
Отверстие диаметром 10 мм при отливке заливаем, т.к. не допускается применять стержни в отверстиях диаметром менее 25 мм.
9. Выбор припуска на усадку.
При литье в песчаные формы припуск на усадку принимаем равным величине свободной литейной усадке л сплава. Для стали л = 2 %.
10. Разработка эскиза литейной формы.
-
верхняя полуформа
-
выпор
-
полость формы
-
шлакоуловитель
-
стояк
-
нижняя полуформа
11. Обработка детали на технологичность.
| № п/п | Признаки технологичности | Способ изготовления |
| ПФ | ||
| 1 | Расположение отливки в одной полуформе | + |
| 2 | Плоский разъем формы | + |
| 3 | Количество разъемов формы | 1 |
| 4 | Отсутствие выступающих частей, мешающих извлечению модели (отливки) из формы | + |
| 5 | Наличие конструктивных уклонов | + |
| 6 | Отсутствие больших углублений на наружных поверхностях детали | + |
| 7 | Расположение обрабатываемых поверхностей на одном уровне | + |
| 8 | Количество стержней применяемых при сборке формы | 0 |
| 9 | Удобство простановки и надежность крепления стержней в форме | + |
| 10 | Удобство вывода из стержней и удаления стержней из отливки | + |
| 11 | Обеспечение минимально допустимой толщины стенок | + |
| 12 | Отсутствие местных скоплений металла | + |
| 13 | Наличие оптимальных переходов между пересекающимися и сопрягаемыми стенками литой детали | + |
| 14 | Отсутствие тонких горизонтальных поверхностей большой протяженности | + |
Нет необходимости в обработке детали на технологичность.
Характеристики
Тип файла документ
Документы такого типа открываются такими программами, как Microsoft Office Word на компьютерах Windows, Apple Pages на компьютерах Mac, Open Office - бесплатная альтернатива на различных платформах, в том числе Linux. Наиболее простым и современным решением будут Google документы, так как открываются онлайн без скачивания прямо в браузере на любой платформе. Существуют российские качественные аналоги, например от Яндекса.
Будьте внимательны на мобильных устройствах, так как там используются упрощённый функционал даже в официальном приложении от Microsoft, поэтому для просмотра скачивайте PDF-версию. А если нужно редактировать файл, то используйте оригинальный файл.
Файлы такого типа обычно разбиты на страницы, а текст может быть форматированным (жирный, курсив, выбор шрифта, таблицы и т.п.), а также в него можно добавлять изображения. Формат идеально подходит для рефератов, докладов и РПЗ курсовых проектов, которые необходимо распечатать. Кстати перед печатью также сохраняйте файл в PDF, так как принтер может начудить со шрифтами.














