№1 В32 (1042907)
Текст из файла
-
Анализ свойств материала:
Сталь ВЧ45 – обрабатываемость хорошая
2. Выбор исходной заготовки:
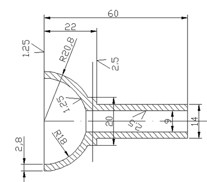
Штучная заготовка длиной 70 мм
3. Последовательность обработки токарным способом:
-
Установка заготовки в трехкулачковый патрон
-
Торцевание заготовки
-
Обтачивание по диаметру 41.6 мм
-
Обтачивание по диаметру 20 мм
-
Обтачивание по диаметру 14 мм
-
Отрезка заготовки отрезным резцом
-
Сверление отверстия диаметром 9 мм
-
Закрепление заготовки в патроне по диаметру 14 мм
-
Растачивание отверстия диаметром 36 мм
-
Обработка функциональных поверхностей
4. Перечень операций.
| Установка заготовки в трехкулачковый патрон | |
| Торцевание заготовки | |
| Обтачивание по диаметру 41.6 мм | |
| Обтачивание по диаметру 20 мм | |
| Обтачивание по диаметру 14 мм | |
| Отрезка заготовки отрезным резцом |
|
| Закрепление заготовки в патроне по диаметру 14 мм | |
| Сверление отверстия диаметром 9 мм | |
| Растачивание отверстия диаметром 36 мм | |
| Обработка функциональных поверхностей с обеспечением заданной шероховатости, с использованием технологии шлифования и тонкого точения | Внутреннее отверстие диаметром 9 мм – тонкое точение, Торцевые поверхности – шлифование. |
Вывод: Данную деталь изготавливать с помощью технологий резания не рационально, т.к. ее изготовления выполняется с большим количеством технологических процессов. Оптимальный способ изготовления данной детали – штамповкой или литьем с последующей обработкой резаньем.
Характеристики
Тип файла документ
Документы такого типа открываются такими программами, как Microsoft Office Word на компьютерах Windows, Apple Pages на компьютерах Mac, Open Office - бесплатная альтернатива на различных платформах, в том числе Linux. Наиболее простым и современным решением будут Google документы, так как открываются онлайн без скачивания прямо в браузере на любой платформе. Существуют российские качественные аналоги, например от Яндекса.
Будьте внимательны на мобильных устройствах, так как там используются упрощённый функционал даже в официальном приложении от Microsoft, поэтому для просмотра скачивайте PDF-версию. А если нужно редактировать файл, то используйте оригинальный файл.
Файлы такого типа обычно разбиты на страницы, а текст может быть форматированным (жирный, курсив, выбор шрифта, таблицы и т.п.), а также в него можно добавлять изображения. Формат идеально подходит для рефератов, докладов и РПЗ курсовых проектов, которые необходимо распечатать. Кстати перед печатью также сохраняйте файл в PDF, так как принтер может начудить со шрифтами.















