3. Сборочно-сварочные операции (1041853), страница 9
Текст из файла (страница 9)
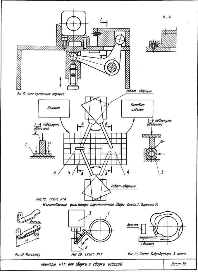
Изготовление фиксатора ограничителя двери (см. лист 81, табл. 1, вариант 5). РТК для сварки фиксатора ограничителя двери, состоящего из двух одинаковых деталей (лист 86, рис. 19) включает робот 2, (лист 86, рис. 20), вибробункер 1 и контактную сварочную машину 3. Подача деталей организована с помощью вибробункера (рис. 21), который загружают несколько раз в смену. Предварительное упорядочение деталей при движении их по спирали бункера осуществляется путем сбрасывания обратно в бункер тех деталей, которые перекрывают друг друга (располагаются в два ряда) или у которых флажок направлен вниз. Это осуществляется с помощью выступов на стенке бункера и вырезов в полке спирали. Сложнее обстоит дело с ориентированием деталей, попавших на второй виток спирали, с флажком, расположенным вверх. С помощью струй воздуха неправильно ориентированные детали 2 (лист 87, рис. 22) и 3 (флажок сзади) по ходу движения раворачиваются на 180°, а правильно ориентированные детали 1 проходят без задержки. Это вдвое увеличивает производительность питания. В конечном положении деталь на выходном лотке по команде бесконтактного датчика фиксируется прижимом 1 (рис. 23). Схват робота вилочного типа с пластинчатой пружиной 1 (рис. 24) захватывает первую деталь, выносит ее, преодолевая силу прижима, и устанавливает в ложемент (рис. 25) контактной сварочной машины. Затем робот захватывает вторую деталь и с поворотом на 180° укладывает ее на первую в ложемент контактной сварочной машины. После этого робот подает команду на включение сварочной машины.
Сварочная машина оснащена двумя электродами 1 (рис. 25). Точечная сварка выполняется за один ход машины, надежность сварки обеспечивается наличием рельефных выступов а на деталях. После сварки деталь удаляется в два этапа. Сначала она поднимается с ложемента штоком 2 пневмоцилиндра, затем сдувается воздухом в сторону от машины, где установлена тара. Такая схема позволяет избежать прилипания к электродам и исключает опасность повторного попадания детали в ложемент.
В этом РТК использован робот МП-9С с цикловой системой управления, вибробункер и контактная сварочная машина МТП-150. Цикл РТК - 7 с. РТК внедрен на ЗИЛе.
Изготовление пластины для навески капота (см. лист 81, табл. 1, вариант 6 в) . РТК состоит из робота, магазинного устройства и сварочной машины.
Пластина (лист 87, рис. 26) для навески капота этим комплексом собирается и сваривается с четырьмя винтами. Винты с помощью четырех наклонных лотков 1 (рис. 27) цилиндрическими направляющими 2 подаются в устройство 3, ориентирующее винты с помощью струи воздуха (лист 88, рис. 28). Общая схема РТК показана на рис. 29. Пластину подаются из накопителя в сборочное устройство с помощью шибера. После попадания пластины на позицию сборки в ее отверстия ориентирующим устройством устанавливаются четыре винта. В собранном виде пластина захватывается охватом робота. Схват оснащен подпружиненными прижимами, удерживающими винты от выпадения. После укладки деталей непосредственно в рабочую зону сварочной машины схват убирается. Последовательность движения обеспечивается путевой автоматикой робота МП-9С и датчиками, сообщающими системе управления о выполнении тех или иных команд периферийным оборудованием.
Изготовление тяги акселератора (см. лист 81, табл. 1, вариант 6 б). Тягу акселератора (лист 88, рис. 30) сваривают из двух деталей — скобы и тяги, имеющих неудобные для накопления формы. Поэтому их вручную загружают на склизы 1 и 2 (рис. 31) вместимостью 20 ... 30 деталей. Скоба, поступающая со склиза, подается на место сборки по направляющим 3 толкателем 4. Так как со склиза 2 тяга поступает загнутым концом вниз, ее поднимают (лист 89, рис. 32) и поворачивают на 180 ° (рис. 33). Затем происходит захват собранных деталей плоскими губками схвата робота 2 (рис. 35) и перенос с позиции 1 сборки в ложемент сварочной машины 3 без потери ориентировки. Контактная сварка (рис. 34) производится одновременно в двух точках.
Изготовление крышки пробки топливного бака (см. лист 81, табл. 1, вариант 6 в). Крышку пробки топливного бака (лист 89, рис. 36) сваривают из двух деталей, имеющих форму тарелок. Они хорошо складываются в стопку, поэтому для накопления и подачи их в положение захвата роботом 3 (рис. 37) применены два одинаковых подъемника 1, перемещающих стопки деталей на шаг после каждого цикла РТК таким образом, что уровень верхней детали остается постоянным. Детали помещают в кассеты, и загрузка накопителей 2 сводится к замене кассет. Схват содержит два электромагнита 1 и 2 (рис. 38). Робот 1 (рис. 40) захватывает деталь электромагнитом 1 (рис. 38) из одной стопки, затем электромагнитом 2 из другой и в собранном виде подает на контактную сварочную машину 2 (рис. 40). Сварочная машина 2 имеет четыре независимых пистолета 1 (рис. 39) и один нижний электрод 2 и производит сварку в четырех точках одновременно. После сварки робот захватывает и уносит узел, сбрасывая его на транспортер 3 (рис. 40).
Изготовление карданного вала (см. лист 81, табл. 1, вариант 6 г). РТК для сборки и сварки карданного вала состоит из робота-сборщика, магазинного устройства и машины для сварки трением. Чертеж карданного вала показан на рис. 3 листа 222.
Робот осуществляет захват головки 1 (лист 90, рис. 41) карданного вала из магазинного устройства, выдающего детали в строго ориентированном положении, и устанавливает ее в патрон машины для сварки трением.
Сложная форма головки карданного вала требует предварительного ориентирования, что осуществляется с помощью наклонного лотка 2 соответствующего профиля, в который оператор загружает головки вручную. Поштучная выдача головок производится отсекателем 3. приводимым в движение штоком б пневмоцилиндра. При движении штока вперед упор 4 освобождает крайнюю деталь, которая скользит до упора 5. Остальные детали в лотке продвигаются до упора 7. При возврате штока 6 упор 7 пропускает очередную деталь до упора 4. Окончательное позиционирование головки с заданием положения оси отверстия осуществляется зажатием головки 1 конусными захватными устройствами 8 на подшипниках качения, которые приподнимают головку и позволяют ей под действием силы тяжести принять вертикальное положение. Из этого положения рука робота захватывает головку за нижний цилиндрический поясок и после освобождения от конусных захватов подает в патрон машины для сварки трением.
41
















