2-часть начиная с таблицы (1041434)
Текст из файла
| Стержень | Усилия в стержнях | |
| Максимальное, кН | Минимальное, кН | |
| В1 | 0 | 0 |
| В2 | -196.6 | -2.9 |
| В3 | -196.6 | -2.9 |
| В4 | -306.2 | -4.7 |
| В5 | -306.2 | -4.7 |
| Н1 | 127.6 | 2.4 |
| Н2 | 222.9 | 5.1 |
| Н3 | 266.3 | 4.9 |
| Р1 | -135.8 | -3 |
| Р2 | 80 | 1.4 |
| Р3 | -111.3 | 17.2 |
| Р4 | 92.4 | -36.1 |
| Р5 | -73.7 | 54.8 |
| С1 | -6.7 | -0.2 |
| С2 | -6.8 | -0.5 |
| С3 | -6.8 | -0.5 |
3.5 Определение максимальных и минимальных усилий от всех нагрузок
Таблица максимальных и минимальных значений в стержнях главной фермы
Таблица максимальных и минимальных значений в стержнях горизонтальной фермы
| Стержень | Усилия в стержнях | |
| Максимальное, кН | Минимальное, кН | |
| Гор-Р1 | -18.4 | 18.4 |
| Гор-Р2 | 20.4 | -20.4 |
| Гор-Р3 | -17.3 | 17.3 |
| Гор-Р4 | 14.4 | -14.4 |
| Гор-Р5 | -11.5 | 11.5 |
| Гор-С1 | -6.7 | 6.7 |
| Гор-С2 | -6.8 | 6.8 |
| Гор-С3 | -6.8 | 6.8 |
4. Подбор сечений элементов главной фермы из расчета на выносливость
4.1 Назначение материалов и типов сечений элементов ферм 1 и 2 вариантов
4.2 Конструктивное оформление узлов, назначение расчетных групп
4.3 Определение расчетных сопротивлений при переменных нагрузках
4.4 Определение минимально допустимых сечений элементов ферм
5. Проверочные расчеты элементов ферм 1-го варианта
5.1 Определение расчетного сопротивления при статических нагрузках
Максимальное и минимальное усилия в верхнем поясе
Сталь Ст3сп: расчетное сопротивление
МПа
Допускаемые напряжение на статическое нагружение:
m=1.1
Допускаемые напряжения на выносливость:
Показатель ассиметрии цикла
-коэффициент отражает зависимость допускаемых напряжений от показателя ассиметрии цикла
Для 7-ой группы по СНиП:
Α-коэффициент зависящий от числа циклов
Пояс относим к 7 группе элементов по СНиП, тогда расчетное сопротивление:
Первоначальный подбор площади сечения верхнего пояса будем проводить по допускаемым напряжениям на выносливость:
Выбираем швеллер №18У по ГОСТ 8240-97, у которого
5.1.1 Проверочный расчет на статическую прочность
Найдем допускаемые напряжения на статическое нагружение
МПа - для стали Ст3сп – нормативное сопротивление
коэффициент надежности по материалу
Расчетные сопротивления для основного металла при статике
m=1.1
Где m-коэффициент неполноты расчета главной фермы
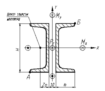
5.1.3. Рассчитаем изгибающие моменты, действующий на стержни верхнего пояса
Значения моментов
Перерезывающая сила
Схема нагружения сечения верхнего пояса
Сечение верхнего пояса выполнено из 2 швеллеров
Рассмотрим швеллер №18У по ГОСТ 8240-97
-момент инерции швеллера относительно оси х
- момент инерции швеллера относительно оси у
- расстояние от центра тяжести до наружней грани стенки
Момент инерции всего сечения относительно оси х
Момент инерции всего сечения относительно оси у
Для точки А
Для точки Б
5.2. Проверочный расчет на устойчивость
Работа верхнего пояса на устойчивость соответствует схеме внецентренно сжатой стойки, изгибаемой в двух перпендикулярных плоскостях.
Проверка на устойчивость в плоскости действия max изгибающего момента Мх
- площадь всего составного сечения
Проверка на устойчивость в случае совместного действия изгибающих моментов Мх и Му
Условие устойчивости
площадь всего составного сечения
Экстраполируем
После всех проведенных проверок для верхнего пояса окончательно выбираем швеллер 18У
5.2 Подбор сечения стойки
5.2.1. Первоначальный подбор сечения стойки
Максимальное и минимальное усилие в стойках
Допускаемое напряжение из условия статической прочности для стали Ст3сп
где m-коэффициент неполноты расчета
Допускаемое напряжение из условия выносливости
- коэффициент зависящий от числа циклов n
- коэффициент отражает зависимость допускаемых напряжений от показателя ассиметрии цикла
Стойки относим к 7 группе элементов по СНиП: тогда
Первоначальный подбор площади сечения стоек будем проводить по допускаемым напряжения на выносливость
Выбираем два равнобоких уголка с профилем №2 по ГОСТ 8509-97
5.2.2 Проверка стойки на устойчивость
Работа стоек на устойчивость соответствует схеме центрально сжатой стойки
Момент инерции всего сечения относительно оси Х
Момент инерции всего сечения относительно оси У
Расстояние между сухарями Lc не должно превышать 40 imin
Количество необходимых сухарей
Принимаем количество сухарей равное 6
Принимаем расстояние между сухярями
После всех проведенных проверок для стоек окончательно выбираем два равнобоких уголка с профилем №2
5.3. Подбор сечения для раскосов главной фермы
5.3.1. Первоначальный подбор сечения раскосов
Наиболее опасное сочетание нагрузок имеют раскосы 1 и 4
Максимальное и минимальное усилие в раскосах
Допускаемое напряжение из условия статической прочности для стали Ст3сп
где m-коэффициент неполноты расчета
Допускаемое напряжение из условия выносливости для 1-го раскоса
- коэффициент зависящий от числа циклов n
- коэффициент отражает зависимость допускаемых напряжений от показателя ассиметрии цикла
Раскосы относим к 7 группе элементов по СНиП: тогда
Допускаемое напряжение из условия выносливости для 4-го раскоса
- коэффициент зависящий от числа циклов n
- коэффициент отражает зависимость допускаемых напряжений от показателя ассиметрии цикла
Раскосы относим к 7 группе элементов по СНиП: тогда
Первоначальный подбор площади сечения раскосов будем проводить по допускаемым напряжениям на выносливость для раскоса Р4
Определение требуемой площади сечения раскоса Атр
Выбираем два равнобоких уголка с профилем №6.3 по ГОСТ 8509-97
Расчет на устойчивость не требуется, т.к. раскос Р4 растянут
Проверка на устойчивость Р1
Работа раскосов на устойчивость соответствует схеме центрально сжатой стойки
Расстояние между сухарями Lc не должно превышать 40 imin
Количество необходимых сухарей
Принимаем количество сухарей равное 2
Принимаем расстояние между сухярями
Момент инерции всего сечения относительно оси Х
Момент инерции всего сечения относительно оси У
Характеристики
Тип файла документ
Документы такого типа открываются такими программами, как Microsoft Office Word на компьютерах Windows, Apple Pages на компьютерах Mac, Open Office - бесплатная альтернатива на различных платформах, в том числе Linux. Наиболее простым и современным решением будут Google документы, так как открываются онлайн без скачивания прямо в браузере на любой платформе. Существуют российские качественные аналоги, например от Яндекса.
Будьте внимательны на мобильных устройствах, так как там используются упрощённый функционал даже в официальном приложении от Microsoft, поэтому для просмотра скачивайте PDF-версию. А если нужно редактировать файл, то используйте оригинальный файл.
Файлы такого типа обычно разбиты на страницы, а текст может быть форматированным (жирный, курсив, выбор шрифта, таблицы и т.п.), а также в него можно добавлять изображения. Формат идеально подходит для рефератов, докладов и РПЗ курсовых проектов, которые необходимо распечатать. Кстати перед печатью также сохраняйте файл в PDF, так как принтер может начудить со шрифтами.














