!Записка (1041300), страница 2
Текст из файла (страница 2)
L2=1200 мм;
D=93,7 кН;
DG=11,2 кН;
ρ=0,022;
Материал: Ст3сп;
Расчетная группа по СНиП: 7-я.
Рис. 5.1. Схема нагружения верхнего пояса главной фермы.
-
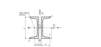
Расчетная схема:
Х, Y - центральные оси сечения;
Z0 – координаты центра тяжести швеллера;
Н – высота швеллера;
b – ширина полки швеллера.
Рис. 5.2. Расчетная схема поперечного сечения верхнего пояса.
-
Допускаемые напряжения при статическом нагружении:
где [σ]р – допускаемое напряжение при растяжении;
m=1.1 – коэффициент неполноты расчета (учитывает влияние горизонтальной фермы);
Ryn=250 МПа – нормативные сопротивление при растяжении;
γm=1.05 – коэффициент надежности по материалу.
где [σ]с – допускаемое напряжение при сжатии;
Run=370 МПа – нормативные сопротивление при сжатии.
-
Допускаемое напряжение при работе на выносливость:
где α – коэффициент учитывающий число циклов нагружения (n=106);
γv – коэффициент учитывающий асимметрию цикла нагружения;
Rv=36 МПа – расчетное сопротивление;
-
Расчетные изгибающие моменты:
где Мх – изгибающий момент относительно оси ОX;
Му – изгибающий момент относительно оси ОY;
-
Подбор типоразмера швеллера:
Подбор типоразмера швеллера производился методом перебора, то есть брался произвольный швеллер и производились расчеты:
-
На статическую прочность;
-
На устойчивость;
-
На сопротивление усталости.
Если требования хотя бы одного из расчета не выполнялись, то брался следующий типоразмер швеллера и расчеты производились заново, до тех пор, пока не выполнялись условия всех расчетов.
Принимаем швеллер №22а ГОСТ 8240-80.
-
Проверочный расчет на статическую прочность:
Прочность данного сечения необходимо проверить в двух точках: А, Б
(см. Рис. 5.2.).
Момент инерции поперечного сечения относительно оси ОХ:
где
- собственный момент инерции швеллера относительно оси ОХ.
Момент инерции поперечного сечения относительно оси ОY:
где
- собственный момент инерции швеллера относительно оси ОY;
Z0=2,47 мм – координата центра тяжести швеллера;
Площадь поперечного сечения:
Напряжение в точке А:
где YA=H/2=220/2=110 мм – координата точки А по оси Y;
ХА=b+5=87+5=92 мм – координата точки А по оси Х;
Статическая прочность в точке А обеспечивается.
Напряжение в точке Б:
где YБ=Н/2=220/2=110 мм – координата точки Б по оси Y;
ХБ=ХА=92 мм – координата точки Б по оси Х;
Знак минус означает, что действующее напряжение – сжимающее. Статическая прочность в точке Б обеспечивается.
Заключение:
Статическая прочность обеспечивается во всех точках сечения.
-
Проверочный расчет общей устойчивости:
Максимальная гибкость сечения:
где
- длина полуволны изогнутой оси стержневого элемента;
μ=1 – коэффициент Элейра (учитывает тип закрепления стержневого элемента);
- минимальный радиус инерции поперечного сечения;
- минимальный момент инерции поперечного сечения.
Условие устойчивости:
В случаи, когда на поперечное сечение действует два изгибающих момента необходимо произвести две проверки устойчивости:
-
В плоскости действия максимального изгибающего момента МХ;
-
В случаи совместного действия изгибающих моментов МХ и МY.
В плоскости действия максимального изгибающего момента МХ:
где φу=0,68 – коэффициент понижение допускаемых напряжений (выбирается в зависимости от λmax по СНиП);
- коэффициент учитывающий влияния изгибающего момента МХ на устойчивость;
α=0,6 – коэффициент учитывающий тип поперечного сечения;
- относительный эксцентриситет (коэффициент показывающий, как работает стержневой элемент, как балка или стойка);
-момент сопротивления изгибу поперечного сечения относительно оси OX;
Ymax=Н/2=220/2=110 мм – максимальная координата поперечного сечения по оси ОY;
Общая устойчивость в плоскости действия максимального изгибающего момента Мх обеспечивается.
В случаи совместного действия изгибающих моментов МХ и МY:
где φxу – коэффициент учитывающий влияния двух изгибающих моментов МХ и МY на устойчивость;
φ/у=0,95 – коэффициент понижение допускаемых напряжений (выбирается в зависимости от λmax и mу по СНиП);
- коэффициент учитывающей влияния изгибающего момента МY на устойчивость;
- относительный эксцентриситет (коэффициент показывающий, как работает стержневой элемент, как балка или стойка);
-момент сопротивления изгибу поперечного сечения относительно оси OY;
Xmax=b+5 – максимальная координата поперечного сечения по оси ОX;
Общая устойчивость в случаи совместного действия изгибающих моментов Мх и МY обеспечивается.
Заключение:
Общая устойчивость стержневого элемента обеспечивается.
-
Проверочный расчет на сопротивление усталости.
Условие прочности:
Заключение:
Сопротивление усталости обеспечивается.
-
Нижний пояс.
-
Схема нагружения и исходные данные:
PZ=578,3 кН;
ρ=0,026;
Тип сечения: Два швеллера.
Материал: Ст3сп;
Расчетная группа по СНиП: 7-я.
Рис. 5.3. Схема нагружения нижнего пояса главной фермы.
-
Допускаемое напряжение при работе на выносливость:
-
Определение типоразмера уголка :
- требуемая площадь одного швеллера;
Выбираем швеллер №22а ГОСТ 8509-57. Площадь швеллера Ау=2860 мм2;
-
Раскосы.
-
Схема нагружения и исходные данные:
Тип сечения: Два швеллера.
Материал: Ст3сп;
Расчетная группа по СНиП: 7-я.
Рис. 5.4. Схема нагружения раскосов главной фермы.
Как видно из таблицы 5.4., неизвестно какой раскос имеет самое опасное сочетание нагрузок, поэтому расчет на сопротивление усталости будем производить для всех раскосов.
-
Выбор типоразмера уголка:
- для раскосов Р3, Р4, Р5, Р6, Р7, Р8;
- требуемая площадь одного швеллера;
Результаты расчета сведены в таблицу 5.5.
Таблица 5.5. Подбор типоразмера уголка.
| № раскоса | PZ, кН | ρ | γv | [σ], МПа | Aт у, мм2 |
| Раскос Р1 | -151,1 | 0,032 | 2,066 | 86,25 | 715 |
| Раскос Р2 | 143,6 | 0,031 | 1,71 | 110,29 | 651 |
| Раскос Р3 | -190,6 | 0,009 | 1,34 | 133,43 | 733 |
| Раскос Р4 | 179,2 | -0,054 | 1,608 | 103,7 | 723,4 |
| Раскос Р5 | -167,9 | -0,125 | 1,53 | 98,68 | 718,6 |
| Раскос Р6 | 156,6 | -0,206 | 1,46 | 94,17 | 705,2 |
| Раскос Р7 | -145,3 | -0,299 | 1,38 | 89,01 | 695,4 |
| Раскос Р8 | 134 | -0,409 | 1,309 | 84,43 | 684,1 |
| Раскос Р9 | -122,7 | -0,538 | 1,226 | 79,07 | 674,8 |
| Раскос Р10 | 111,4 | -0,695 | 1,138 | 73,4 | 654 |
| Раскос Р11 | -100 | -0,888 | 1,046 | 67,46 | 635 |
Как видно из таблицы 5.5 требуемая площадь швеллера Ау=733 мм2 (раскос Р3).
Выбираем швеллер №6,5Э ГОСТ 8240-97. Площадь швеллера Ау=741 мм2;
-
Проверочный расчет общей устойчивости:
Максимальная гибкость:
где
- длина полуволны изогнутой оси стержневого элемента;
μ=1 – коэффициент Эйлера (учитывает тип закрепления стержневого элемента);
- минимальный радиус инерции поперечного сечения;
- минимальный момент инерции поперечного сечения.














