Надежность_ЭлементнойБазы (1040977), страница 6
Текст из файла (страница 6)
Значения постоянных модели для коэффициента качества Kк
| Уровень качества | СП 2 | СП I | I | II | Неизвестное качество |
| Kк | 0,1 | 0,5 | 1,0 | 2,5 | 7,0 |
1.9 Соединения
Расчет эксплуатационной интенсивности отказов в зависимости от типа соединений определяется по следующей зависимости:
где Ni – количество соединений одного типа;
n – общее число соединений устройства;
Kэ – коэффициент эксплуатации;
Kк – коэффициент качества.
Значения λбсг и коэффициентов Kэ, Kк для различных типов соединений находят по табл. 43-45.
Таблица 43
Значения базовой интенсивности отказов λбсг
в зависимости oт типа соединения
| Тип соединения | λбсг10-6,ч-1 | Тип соединения | λбсг10-6,ч-1 |
| Ручная пайка элемента с печатным монтажом | 0,0005 | Обжимка (опрессовка) | 0,000004 |
| Ручная пайка элемента с объемным монтажом | 0,00015 | Бандажное соединение накруткой | 0,000005 |
| Пайка элемента волной припоя | 0,00008 | Скрутка с пайкой | 0,0002 |
| Точечная контактная сварка | 0,00006 | Клейменое соединение | 0,0002 |
Таблица 44
Коэффициент Kэ, зависящий от жесткости условий эксплуатации
| Условия | Лабораторные | Наземные стационарные | Наземные мобильные | Суда | Гражданская авиация |
| Kэ | 1,0 | 2,5 | 8,0 | 5,0 | 6,0 |
Таблица 45
Значения коэффициента качества Kк
| Уровень качества | СП 1 | I | II | Неизвестное качество |
| Kк | 0,5 | 1,0 | 2,0 | 5,0 |
2. Пример определения надежности
элементной базы прибора.
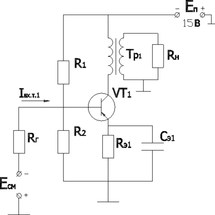
ПРИМЕР 1. Определить значения интенсивности отказов элементов трансформаторного усилительного каскада предназначенного для эксплуатации в наземных стационарных условиях. Принципиальная электрическая схема приведена на рисунке. Необходимые конструкторско-технологические характеристики элементов модуля, режимы их работы, полученные на этапе расчета электрической схемы и последующей конструкторской проработки изделия, даны в табл. 46. Уровень качества изготовления элементов соответствует I классу.
Схема трансформаторного усилительного каскада
Таблица 46
Начальные условия
| Элемент схемы | Конструкторско-технические характеристики | Режим работы |
| Транзистор VT1 (КТ816А) | Тип n-p-n; биполярный; Рк.доп = 25 Вт; Uкэ.доп = 25 В; Iк.доп = 3 А; fh21э = 3 МГц | Аналоговый сигнал; Uраб = 1,9 В; P раб = 36,1 мВт; T = 25°С |
| Резистор R1 (МЛТ-1-330) | постоянный проволочный; R1 = 330 Ом | P раб = 0,5 Вт; T = 25°С |
| Резистор R2 (С2-231-0,062-68) | постоянный проволочный; R2 = 68 Ом | P раб = 56 мВт; T = 25°С |
| Резистор Rэ1 (МЛТ-1-3,6) | постоянный проволочный; Rэ1 = 3,6 Ом | Pраб = 0,62 Вт; T = 25°С |
| Резистор Rг (С2-231-0,062-28) | постоянный проволочный; Rг = 28 Ом | Pраб = 36,1 мВт; T = 25°С |
| Трансформатор Tp1 | Силовой трансформатор | T = 25°С |
| Конденсатор Cэ1 (К50-46) | Керамический конденсатор; C э1 = 22 мкФ | Uраб = 2 В; T = 25°С |
| Резистор Rн (МЛТ-1-10) | постоянный проволочный; Rн = 10 Ом | Pраб = 22,5 Вт; T = 25°С |
| Печатная плата | Количество слоев – 2; вторичных паек – 0 | N1 = 0; N2 = 19 |
Расчет эксплуатационной интенсивности отказов элементной базы трансформаторного усилительного каскада
Транзистор VT1 (КТ816А)
Марка транзистора КТ816А; Тип транзистора n-p-n.
Справочные данные:
Рк.доп = 25 Вт;
Uкэ.доп = 25 В;
Iк.доп = 3 А;
fh21э = 3 МГц.
Значения интенсивности отказов для биполярных транзисторов рассчитывают по зависимости (2): λэ = λбсг∙ Kр ∙Kдн∙Kф∙Ks1∙Kэ∙Kк.
Значения коэффициентов находят из соответствующих таблиц или зависимостей:
табл. 1 – λбсг = 0,07∙10-6 ч-1 – транзисторы биполярные;
зависимость (3) – Kр = 0,1774;
табл. 8 – Kдн = 1,4 – для Pмакс = 25 Вт;
табл. 4 – Kф = 1,6 – аналоговый сигнал;
табл. 5 – Ks1= 0,5 – Uраб/Uмакс =(1,9 / 25) ∙100% = 7,6%,
где Uраб – постоянное рабочее напряжение транзистора;
Uмакс– максимально допустимое напряжение транзистора;
табл. 11 – Kэ = 5 – прибор эксплуатируется в наземной стационарной аппаратуре;
табл. 10 – Kк = 1 – класс качества I.
Таким образом, получаем:
λэ = λбсг∙ Kр ∙Kдн∙Kф∙Ks1∙Kэ∙ Kк = 0,07∙10-6∙0,1774∙1,4∙1,6∙0,5∙5∙1 = 0,0695∙10-6 ч-1.
Резистор R1 (МЛТ-1-330)
Марка резистора R1 МЛТ-1-330; R1 = 330 Ом.
Значения интенсивности отказов для проволочных резисторов рассчитывают по зависимости (5): λэ = λбсг∙Kр∙KR∙Kэ∙ Kк.
Значения коэффициентов находят из соответствующих таблиц или зависимостей:
табл. 12 – λбсг = 0,008∙10-6 ч-1;
зависимость (6) – Kр = 0,1761;
табл. 14 – KR = 1,5 – относится к типу постоянных проволочных резисторов;
табл. 17 – Kэ = 2,5 – прибор эксплуатируется в наземной стационарной аппаратуре;
табл. 18 – Kк = 1,0 – класс качества I.
Таким образом, получаем:
λэ = λбсг∙Kр∙KR∙Kэ∙ Kк = 0,008∙10-6∙0,1761∙1,5∙2,5∙1,0 = 0,005283∙10-6 ч-1.
Резистор R2 (С2-231-0,062-68)
Марка резистора R2 С2-231-0,062-68; R2 = 68 Ом.
Значения интенсивности отказов для проволочных резисторов рассчитывают по зависимости (5): λэ = λбсг∙Kр∙KR∙Kэ∙ Kк.
Значения коэффициентов находят из соответствующих таблиц или зависимостей:
табл. 12 – λбсг=0,008∙10-6 ч-1;
зависимость (6) – Kр = 0,1746;
табл. 14 – KR = 1,5 – относится к типу постоянных проволочных резисторов;
табл. 17 – Kэ = 2,5 – прибор эксплуатируется в наземной стационарной аппаратуре;
табл. 18 – Kк = 1,0 – класс качества I.
Таким образом, получаем:
λэ = λбсг ∙Kр∙KR∙Kэ∙Kк = 0,008∙10-6 ∙0,1746∙1,5∙2,5∙1,0 = 0,005238∙10-6 ч-1.
Резистор Rэ1 (МЛТ-1-3,6)
Марка резистора Rэ1 МЛТ-1-3,6; Rэ1 = 3,6 Ом.
Значения интенсивности отказов для проволочных резисторов рассчитывают по зависимости (5): λэ = λбсг∙Kр∙KR∙Kэ∙ Kк.
Значения коэффициентов находят из соответствующих таблиц или зависимостей:
табл. 12 – λбсг=0,008∙10-6 ч-1;
зависимость (6) – Kр = 0,1766;
табл. 14 – KR = 1,5 – относится к типу постоянных проволочных резисторов;
табл. 17 – Kэ = 2,5 – прибор эксплуатируется в наземной стационарной аппаратуре;
табл. 18 – Kк = 1,0 – класс качества I.
Таким образом, получаем:
λэ = λбсг ∙Kр∙KR∙Kэ∙Kк = 0,008∙10-6 ∙0,1766∙1,5∙2,5∙1,0 = 0,005298∙10-6 ч-1.
Резистор Rг (С2-231-0,062-28)
Марка резистора Rг С2-231-0,062-28; Rг = 28 Ом.
Значения интенсивности отказов для проволочных резисторов рассчитывают по зависимости (5): λэ = λбсг∙Kр∙KR∙Kэ∙ Kк.
Значения коэффициентов находят из соответствующих таблиц или зависимостей:
табл. 12 – λбсг=0,008∙10-6 ч-1;
зависимость (6) – Kр = 0,1761;
табл. 14 – KR = 1,5 – относится к типу постоянных проволочных резисторов;
табл. 17 – Kэ = 2,5 – прибор эксплуатируется в наземной стационарной аппаратуре;
табл. 18 – Kк = 1,0 – класс качества I.
Таким образом, получаем:
λэ = λбсг ∙Kр∙KR∙Kэ∙Kк = 0,008∙10-6 ∙0,1761∙1,5∙2,5∙1,0 = 0,005283∙10-6 ч-1.
Трансформатор Tp1
Значения интенсивности отказов для трансформаторов рассчитывают по зависимости (18): λэ=λбсг∙Kр∙Kэ∙ Kк.
Значения коэффициенты находят из соответствующих таблиц или зависимостей:
табл. 36 – λбсг = 2,0∙10-6 ч-1 – относится к типу силовых трансформаторов;
табл. 37 – Кp = 1 ,0- температура среды 25°С;
табл. 38 – Kэ = 5 – прибор эксплуатируется в наземной стационарной аппаратуре;
табл. 39 – Kк = 1,0 – класс качества I.
Таким образом, получаем:
λэ = λбсг∙ Kр ∙ Kэ ∙ Kк = 2,0∙10-6∙1,0∙5∙1,0 = 10-5 ч-1.
Конденсатор Cэ1 (К50-46-6,3)
Марка конденсатора Cэ1 К50-46-6,3.
Значения интенсивности отказов для биполярных керамических конденсаторов рассчитывают по зависимости (7): λэ = λбсг ∙Кp ∙Кc∙Kэ∙Kк.
Значения коэффициентов находят из соответствующих таблиц или зависимостей:
табл. 19 – λбсг = 0,004∙10-6 – для керамических конденсаторов;
зависимость (8) – Kр = 0,4
зависимость (10) – Kc = 0,4∙C0,12 = 0,4∙220,12∙103 = 0,6∙103 – для керамических конденсаторов;
















