дз 2 (1037978)
Текст из файла
37
Исходные данные:
Диаметр поршня:
Ход поршня:
Частота вращения коленчатого вала:
Удельная масса поступательно движущихся деталей:
Удельная масса шатуна, отнесенная к оси шатунной шейки:
Материал коленчатого вала: Сталь 20Х;
Плотность стали:
Предел выносливости при изгибе:
Предел выносливости при кручении:
Из динамического расчета (1 ДЗ) мы определили удельные значения сил
, действующих на шатунную шейку кривошипа:
| α, град | T,н/мм2 | Z,н/мм2 | α, град | T,н/мм2 | Z,н/мм2 | |
| 0 | 0 | -2.008 | 380 | 2.263 | 4.663 | |
| 20 | -0.788 | -1.625 | 400 | 1.243 | 1.002 | |
| 40 | -0.975 | -0.786 | 420 | 0.889 | 0.237 | |
| 60 | -0.475 | -0.126 | 440 | 1.111 | -0.14 | |
| 80 | 0.274 | -0.034 | 460 | 1.281 | -0.657 | |
| 100 | 0.768 | -0.394 | 480 | 1.142 | -1.144 | |
| 120 | 0.833 | -0.834 | 500 | 0.785 | -1.425 | |
| 140 | 0.611 | -1.108 | 520 | 0.381 | -1.518 | |
| 160 | 0.302 | -1.204 | 540 | 0 | -1.531 | |
| 180 | 0 | -1.219 | 560 | -0.307 | -1.224 | |
| 200 | -0.303 | -1.207 | 580 | -0.621 | -1.126 | |
| 220 | -0.616 | -1.118 | 600 | -0.847 | -0.849 | |
| 240 | -0.854 | -0.855 | 620 | -0.786 | -0.404 | |
| 260 | -0.826 | -0.424 | 640 | -0.295 | -0.037 | |
| 280 | -0.413 | -0.052 | 660 | 0.455 | -0.121 | |
| 300 | 0.178 | -0.047 | 680 | 0.96 | -0.774 | |
| 320 | 0.381 | -0.307 | 700 | 0.78 | -1.607 | |
| 340 | -0.181 | 0.374 | 720 | 0 | -1.988 | |
| 360 | 0 | 5.087 |
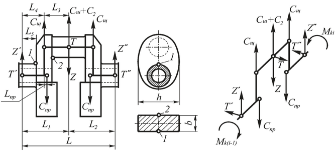
1. Вычисление геометрических и массовых параметров коленчатого вала.
В данном случае рассчитывается коленчатый вал рядного дизельного двигателя. При известных параметрах, таких как ход поршня и диаметр поршня, рассчитываются параметры шатунной и коренной шеек, ширина и толщина щек кривошипа, радиус галтелей сопряжения шатунной шейки и щеки.
Д
иаметр шатунной шейки:
Диаметр коренной шейки:
Длина шатунной шейки:
Длина коренной шейки:
Ширина щеки кривошипа:
Толщина щеки кривошипа:
Р
адиус кривошипа:
Радиус галтели:
Масса шатуна, приведенная к оси шатунной шейки:
Масса шатунной шейки (подсчитано с помощью программного комплекса «Autodesk INVENTOR 2013»):
Масса щеки (подсчитано с помощью программного комплекса «Autodesk INVENTOR 2013»):
Приведенная масса щеки:
где
– расстояние до центра тяжести щеки (подсчитано с помощью программного комплекса «Autodesk INVENTOR 2013»)
Момент сопротивления при кручении поперечного сечения шатунной шейки:
2. Расчет силовых факторов, определяющих напряженное состояние кривошипа:
На шатунную шейку действуют крутящий момент, а также изгибающие моменты в двух плоскостях: в плоскости кривошипа и перпендикулярной ей. Крутящий момент возникает от действия силы T, направленной по касательной к окружности радиуса кривошипа. Изгибающие моменты возникают от действия сил Z и T, а также от сил инерции вращающихся масс. Силы инерции вращающихся масс в данном расчете постоянны и зависят только от частоты вращения двигателя, массы деталей, радиуса кривошипа.
Центробежная сила инерции массы шатуна, отнесенной к оси шатунной шейке:
Центробежная сила инерции шатунной шейки:
Центробежная сила инерции щеки:
Центробежная сила инерции противовеса:
Опорные реакции левого и правого колен вала:
| α, град | T’, T’’,Н | Z’, Z’’,Н | α, град | T’, T’’,Н | Z’, Z’’,Н | |
| 0 | 0 | -14050 | 380 | 19240 | 42650 | |
| 20 | -6705 | -1080 | 400 | 10560 | 11530 | |
| 40 | -8295 | -3676 | 420 | 7562 | 5031 | |
| 60 | -4037 | 1935 | 440 | 9447 | 1822 | |
| 80 | 2336 | 2718 | 460 | 10890 | -2580 | |
| 100 | 6530 | -341 | 480 | 9705 | -6712 | |
| 120 | 7081 | -4083 | 500 | 6679 | -9096 | |
| 140 | 5196 | -6408 | 520 | 3243 | -9887 | |
| 160 | 2574 | -7226 | 540 | 0 | -9997 | |
| 180 | 0 | -7353 | 560 | -2615 | -7391 | |
| 200 | -2579 | -7247 | 580 | -5280 | -6560 | |
| 220 | -5243 | -6492 | 600 | -7205 | -4207 | |
| 240 | -7259 | -4261 | 620 | -6688 | -422 | |
| 260 | -7028 | -596 | 640 | -2513 | 2696 | |
| 280 | -3513 | 2570 | 660 | 3867 | 1980 | |
| 300 | 1518 | 2607 | 680 | 8160 | -3568 | |
| 320 | 3244 | 396 | 700 | 6630 | -10650 | |
| 340 | -1545 | 6196 | 720 | 0 | -13880 | |
| 360 | 0 | 46250 |
Крутящий момент:
Характеристики
Тип файла документ
Документы такого типа открываются такими программами, как Microsoft Office Word на компьютерах Windows, Apple Pages на компьютерах Mac, Open Office - бесплатная альтернатива на различных платформах, в том числе Linux. Наиболее простым и современным решением будут Google документы, так как открываются онлайн без скачивания прямо в браузере на любой платформе. Существуют российские качественные аналоги, например от Яндекса.
Будьте внимательны на мобильных устройствах, так как там используются упрощённый функционал даже в официальном приложении от Microsoft, поэтому для просмотра скачивайте PDF-версию. А если нужно редактировать файл, то используйте оригинальный файл.
Файлы такого типа обычно разбиты на страницы, а текст может быть форматированным (жирный, курсив, выбор шрифта, таблицы и т.п.), а также в него можно добавлять изображения. Формат идеально подходит для рефератов, докладов и РПЗ курсовых проектов, которые необходимо распечатать. Кстати перед печатью также сохраняйте файл в PDF, так как принтер может начудить со шрифтами.















