Газофракционирующие установки (1022742), страница 2
Текст из файла (страница 2)
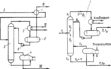
Рисунок 2. Технологическая схема газофракционирующей установки абсорбционно-ректификационного типа: I - жирный газ; II - свежий раствор МЭА; III - сероводород; IV - сухой газ; V - нестабильный бензин; VI - бутан-бутиленовая фракция; VII - стабильный бензин; VIII - пропан-пропиленовая фракция.
Установка, схема которой приведена на рис. 2, предназначена для стабилизации бензина каталитического крекинга, очистки газа каталитического крекинга от сероводорода, извлечения из газа углеводородов С3—С4, разделения смеси этих углеводородов на пропан-пропиленовую и бутан-бутиленовую фракции.Жирный газ с установки каталитического крекинга поступает на очистку моноэтаноламином в абсорбер К-1. Очищенный газ сжимается компрессором ПК-1 до 1,4 МПа, охлаждается и подается во фракционирующий абсорбер К-2, под 22-ю тарелку. На эту же тарелку, но выше ввода газа подается конденсат компрессии.
Во фракционирующий абсорбер вводится также нестабильный бензин, являющийся основным абсорбентом.
Фракционирующий абсорбер, иначе называемый абсорбер-десорбером, отличается от обычного абсорбера тем, что представляет собой комбинированную колонну. В верхней части фракционирующего абсорбера происходит абсорбция, т. е. извлечение из газа целевых компонентов, а в нижней — регенерация абсорбента за счет подводимого тепла. Стекая сверху вниз по тарелкам фракционирующего абсорбера, насыщенный тяжелыми компонентами абсорбент встречается со все более горячими парами, десорбированными из жидкости, которая стекает в нижнюю часть колонны. С верха фракционирующего абсорбера уходит сухой газ, содержащий углеводороды C1—С2, а с низа вместе с тощим абсорбентом выводятся углеводороды С3—С4. В отличие от обычных абсорберов, куда питание подается только в газовой фазе, во фракционирующие абсорберы оно вводится и в виде жидкости, и в виде газа.
Для доабсорбции унесенных с сухим газом бензиновых фракций в верхнюю часть К-2 подается стабильный бензин. Температура в абсорбционной части поддерживается промежуточным охлаждением абсорбента. Насыщенный и деэтанизированный абсорбент из К-2 подается в стабилизатор К-3, верхним продуктом которого является головка стабилизации, а нижним — стабильный бензин. Головка стабилизации поступает на блок очистки, где очищается от сернистых соединений раствором МЭА и щелочью. Затем из очищенной головки в пропановой колонне К-4 выделяется пропан-пропиленовая фракция. Остаток пропановой колонны в бутановой колонне К-5 разделяется на бутан-бутиленовую фракцию и остаток, который объединяется со стабильным бензином.
Технологический режим АГФУ проектной мощности 417 тыс. т/год и характеристика аппаратов:
| Показатели | Абсорбер К-1 | Колонна К-2 | Колонна К-3 | Колонна К-4 |
| Давление, МПа .... | 1,35 | 0,93 | 1,73 | 0,59 |
| Кратность орошения . , | — | 2:1 | 3 : 1 | 3:1 |
| Температура, °С | ||||
| верха | 35 | 78 | 44 | 48 |
| сечения питания | 40 | 150 | 86 | 61 |
| низа | 130 | 218 | 107 | 106 |
| Диаметр, мм | 1800 | 2400 | 1400 | 1800 |
| Расстояние между тарелками, мм | — | 600 | 450 | 500 |
Аппаратурное оформление
Установки АГФУ
Абсорбция и десорбция — массообменные процессы, составляющие основу абсорбционного разделения нефтяных и природных газов. Абсорбционный метод разделения углеводородных газов применяется в промышленности для извлечения газового бензина и жидких газов (пролан-бутановая смесь).
Физическая сущность абсорбции и десорбции заключается в достижении равновесия между взаимодействующими потоками газа и жидкости. Достижение состояния равновесия в системе «газ - жидкость» зависит от диффузии (переноса) вещества из одной фазы в другую. Движущая сила диффузии определяется разностью парциальных давлений извлекаемого компонента в газовой и жидкой фазах. Если парциальное давление компонента в газовой фазе выше, чем в жидкой, то происходит процесс абсорбции (поглощение газа жидкостью) и наоборот, если парциальное давление извлекаемого компонента в газовой фазе ниже, чем в жидкой, то происходит десорбция (выделение газа из жидкости).
При десорбции многокомпонентных смесей жидкость и газ в аппарате (по крайней мере на теоретической тарелке) находятся в состоянии фазового равновесия — в том смысле, что жидкость кипит, а пар является насыщенным. При этом температура жидкости на каждой тарелке или в каждой точке аппарата определяется давлением и составом.
При абсорбции этого нет: температура от давления не зависит и может быть выбрана в некоторых пределах.
На газоперерабатывающих заводах абсорбцию и десорбцию проводят в аппаратах тарельчатого и насадочного типов. При наличии технологического контура «абсорбер — десорбер» поглощение из газа соответствующих компонентов происходит в абсорбере, а выделение их — в десорбере. Извлеченные из насыщенного абсорбента углеводороды получают из верхней части десорбера, а регенерированный абсорбент отводят из его нижней части и подают в абсорбер для повторного использования.
Процесс абсорбции углеводородных газов сопровождается выделением тепла, поэтому температура в нижней части абсорбера несколько выше, чем в верхней. При абсорбции природного газа (с содержанием метана 85-95%) разница между температурами верха и низа абсорбера составляет 5-8 °С. При абсорбции заводских газов эта разница увеличивается в несколько раз.
Регенерация абсорбента в десорбере сопровождается подводом тепла в аппарат, поэтому разница между температурой верха и низа десорбера составляет несколько десятков градусов.
АБСОРБЦИОННО-ДЕСОРБЦИОННАЯ КОЛОННА
Схема материальных потоков абсорбционно-десорбционной колонны показана на рис. 3.
Углеводородное сырье в количестве G поступает в АОК для выделения метан-этановой фракции.
Аппарат состоит из верхней абсорбционной и нижней отпарной (десорбционной) частей.
Рисунок 3. Схема материальных потоков абсорбционно-десорбционной колонны
абсорбционной части из газовой фазы, выделенной из сырья жидким поглотителем, подаваемым в верхнюю часть аппарата в количестве La, абсорбируются преимущественно углеводороды СзН8 и более тяжелые, а также некоторое количество легких углеводородов.В отпарной части из жидкой фазы (за счет подачи в низ аппарата нагретого де- сорбента в количестве W) выпариваются преимущественно легкие углеводороды СН4 и С2Н6, а также некоторое количество тяжелых углеводородов.
Обе части АОК работают сопряженно, чтобы из верха аппарата получить метан-этановую фракцию в количестве V1, а из его низа — абсорбент La, насыщенный пропаном и более тяжелыми углеводородами в количестве ∑lmi.
ХОЛОДИЛЬНИК АБСОРБЕНТА УСТАНОВКИ НИЗКОТЕМПЕРАТУРНОЙ АБСОРБЦИИ
Аппарат предназначен для охлаждения регенерированного абсорбента перед подачей его на верх колонны (см. с. 85). Хладоагентом служит испаряющийся пропан.
В промышленности для охлаждения абсорбента применяют кожухотрубчатые испарители.
Рисунок 4. Схема пропанового испарителя-холодильника: 1 - корпус; 2 - разделительная камера; 3 - трубки.
Схема подачи теплоносителей в аппарат показана на рис. 4.
Регенерированный абсорбент поступает в трубное пространство испарителя в количестве G1 при температуре t'1, а выводится при температуре t"1.
Пропан подается в межтрубное пространство в количестве G2 при температуре t'2 и выводится при температуре t''2.
ПРОЦЕССЫ И АППАРАТЫ РАЗДЕЛЕНИЯ ЛЕГКИХ УГЛЕВОДОРОДОВ РЕКТИФИКАЦИЕЙ
Ректификация — массообменный процесс, применяемый для разделения жидких и паро- или газообразных смесей, компоненты которых различаются по температурам кипения.
Процесс ректификации осуществляется при контактировании потоков пара или газа и жидкости, которые имеют разные составы и температуры: пар (газ) имеет более высокую температуру, чем вступающая с ним в контакт жидкость. Движущими силами процесса ректификации являются разности составов и температур контактирующих потоков пара или газа и жидкости. При достаточной продолжительности контакта пар и жидкость могут достичь состояния равновесия, при котором температуры потоков станут одинаковыми; при этом их составы будут связаны уравнениями равновесия. Составы встречных (но не вступивших в контакт) потоков пара и жидкости связаны уравнениями рабочих линий. Такой схеме контактирования потоков пара и жидкости соответствует понятие «теоретической тарелки», или «теоретической ступени контакта».
Процесс ректификации осуществляется в ректификационных тарельчатых или насадочных аппаратах колонного типа. Для создания разности температур потоков в нижнюю часть колонны подводят тепло, а из ее верхней части тепло отводят.
В реальных условиях ректификационной колонны равновесие уходящих из контактной зоны потоков пара и жидкости может не достигаться, в связи с чем эти потоки будут иметь разные температуры, а их составы определяться не только уравнениями равновесия, но и более сложными зависимостями.
Верхняя часть колонны, служащая для выделения низкокипящих компонентов, называется концентрационной или укрепляющей, а нижняя часть, в которой выделяются высококипящие компоненты, называется исчерпывающей, или отгонной. Между этими частями колонны находится место ввода сырья (секция питания или эвапорационное пространство).
Основными рабочими параметрами процесса ректификации являются давление и температура в системе, соотношение потоков жидкости и пара (флегмовое число), число контактных ступеней. При соответствующем выборе этих параметров обеспечивается разделение исходной смеси на компоненты (фракции), удовлетворяющие определенным требованиям.
Для получения заданной степени разделения исходной смеси требуется определенное число теоретических тарелок.
ЭТАНОВАЯ КОЛОННА УСТАНОВКИ НИЗКОТЕМПЕРАТУРНОЙ РЕКТИФИКАЦИИ ГАЗОЖИДКОСТНОЙ СМЕСИ УГЛЕВОДОРОДОВ
Степень извлечения компонентов от их потенциала в исходном сырье в нестабильный бензин (в мольных долях) равна: для этана φ'2=0,015, для пропана φ'3=0,9.
Схема установки низкотемпературной ректификации попутного газа для его отбензинивания показана на рис. 5.
Целью этого процесса является получение нестабильного бензина, стабилизация которого осуществляется в пропановой ректификационной колонне.
С
хема материальных потоков этановой тарельчатой ректификационной колонны показана на рис. 6.
С
Рисунок 5. Схема установки низкотемпературной ректификации: 1 — теплообменник; 2 — колонна; 3 — пропановый холодильник; 4 — подогреватель; 5 — емкость орошения; 6 — насос; I — сырье; II —дистиллят; III — нестабильный бензин; IV- хладоагент.
ырье подается в аппарат в количестве Fс при температуре tf. Необходимо для ректификации жидкое орошение в количестве g0 и при температуре tD подается на верх колонны. Под нижнюю тарелку аппарата подается паровое орошение в количестве VR.














