ДЗ№2 (1021173), страница 2
Текст из файла (страница 2)
025 Контрольная. На испытательном стенде проводится контроль герметичности насоса. После испытания изделие протирается ветошью для удаления лишней влаги и делается пометка о результатах контроля.
030 Упаковочная. Производится упаковка изделия, причем установочные болты для удобства транспортировки откручиваются от изделия.
2.4 Выбор базовой детали
При выборе базовой детали, как уже рассуждалось, необходимо руководствоваться габаритами, массой, последовательностью сборки (от базовой детали зависит расположение деталей во время сборки). В топливном насосе имеются две детали, которые можно принять в качестве таковых, на которых завязано положение остальных элементов: корпус 1 и юбка 5. Какую из них выбрать целесообразнее?
Юбка – деталь, которой предъявляются повышенные требования к точности, это дает ей определённые преимущества – есть вариант, что детали, ориентированные относительно нее, будут устанавливаться качественнее.
Габариты и масса корпуса в разы больше соответствующих параметров юбки, с корпусом сопрягается большее количество деталей.
На основании приведённых доводов в качестве базовой детали выбирается корпус.
2.5 Анализ последовательности присоединения деталей
При сборке в общем случае возможно варьировать последовательностью присоединения одних деталей к другим. Но выделяются 2 отдельные части последовательности, поменять которые не представляется возможным:
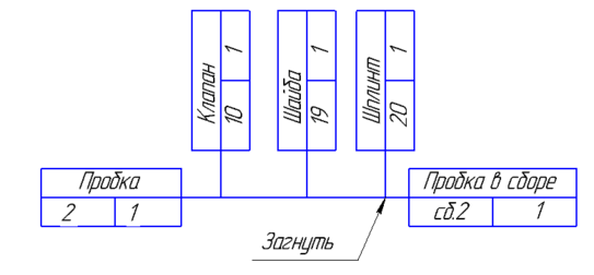
А) Поршень 10, шайба 19, шплинт 20 могут рационально надевать на пробку 2 только перед запрессовкой. Каков будет результат, при несоблюдении данного условия? В связи с небольшими габаритами отверстий в корпусе (диаметры 30 мм) и углубленностью пробок в нем гибка шплинтов непосредственно в корпусе будет представлять трудоемкую работу. Так как шплинт должен загибаться после надевания шайбы и поршня – данная последовательность неизменна.
Так как после этой процедуры пробка в сборе поступает на запрессовку, причем наличие других деталей в корпусе при запрессовке пробки будет доставлять неудобства, рационально выделить ее сборку в отдельную операцию и рассматривать ее как отдельный сборочный узел.
При составлении схемы необходимо сделать пояснение для шплинтов «загнуть». Оно сообщает о том, что соединение фиксируется окончательно, разборки в процессе технологического процесса не будет.
Б) Кольцо 12 надевается на проходник 3, а затем закручивается в корпус 1. Данный этап может быть осуществлен только после процесса запрессовки пробок в корпус, другого варианта быть не может в связи с тем, что отверстие в проходнике слишком мало, для установки в корпус пробок после установки проходников.
Последовательность соединения остальных элементов можно изменять. Рассмотрены два возможных варианта сборки (см. графическую часть домашней работы). После рассмотрения основного преимущества и недостатка каждого из них (также приведены в графической части) выбирается вариант 1.
В технологической схеме сборке используются следующие пояснительные надписи:
-
«застопорить» - сообщает о назначении гайки на штоке
-
«запрессовать» - информирует о том, что для осуществления процесса необходимо использовать прессовое оборудование.
-
«испытать» - обозначает место контрольной операции в технологическом процессе сборки.
3. Техническое нормирование
Нормирование осуществляется с использованием таблиц из справочной литературы [2].
005 Комплектовочная. Штучное время складывается из комплектования 33 деталей:
, протирания деталей
и смазывания 10 деталей
. Тогда:
015 Сборочная. Установка кольца при помощи отвертки (0,28 мин), клапана и шайбы без крепления (по 0,05 мин), шплинтов (0,21 мин) соответственно:
020 Запрессовывание. Штучное время складывается из установки конструкции на пресс (0,35 мин), куда входит время подхода к оборудованию, и непосредственно прессования (1мин).
025 Сборочная. Для соединения резьбовых поверхностей, применяется гайковерт. Для установки резиновых колец – плоская отвертка. В штучное время также входит ориентация и установка корпуса:
Надевание колец на проходники и стакан (по 0,28 мин), завинчивание и затяжка (по 0,42 мин):
Юбка в сборе вставляется в стакан, на шток надевается пружина (по 0,28 мин), завинчивается и затягивается крышка (0,42 мин):
Рукоять завинчивается, затягивается и стопорится:
На винты надеваются стопорные шайбы (по 0,05 мин), винты завинчиваются в корпус (по 0,42 мин):
030 Контрольная. На испытательном стенде проводится контроль герметичности насоса (10 мин). После испытания изделие протирается ветошью для удаления лишней влаги (1 мин) и делается пометка о результатах контроля(0,5 мин).
035 Упаковочная. Производится упаковка изделия (0,5 мин), причем установочные винты для удобства транспортировки откручиваются от изделия (по 0,25 мин на каждый винт, они завинчивались для проведения испытания).
Использованная литература
-
Косилова А.Г., Справочник технолога-машиностроителя, Т2, - М: Машиностроение, 1985, 496 с.
-
Толченов Т.В., Техническое нормирование станочных и слесарно-сборочных работ. – М: МАШГИЗ, 1956, 400 с.
















