rpd000008449 (1008644), страница 2
Текст из файла (страница 2)
Вопросы для подготовки к экзамену/зачету:
1.Определение функционала. Определение вариации функционала по Лагранжу.
2.Простейшая задача классического вариационного вычисления
3.Необходимое условие слабого минимума (максимума)
4.Уравнение Эйлера и естественные граничные условия
5.Изопериметрическая задача
6.Потенциальная энергия деформации упругого тела
7.Принцип наименьшего действия
8.Принцип Кастильяно
9.Принцип наименьшей работы
10.Теорема Кастильяно
11.Принцип Лагранжа
12.Принцип возможных перемещений
13.Формула Лагранжа
14.Метод Релея-Ритца
15.Метод Бубнова-Галеркина
16.Метод сил
-
УЧЕБНО-МЕТОДИЧЕСКОЕ И ИНФОРМАЦИОННОЕ ОБЕСПЕЧЕНИЕ ДИСЦИПЛИНЫ
а)основная литература:
1. Образцов И.Ф. и др. Строительная механика летательных аппаратов. М.: Машиностроение, 1986. 536 с.
2. Рыбаков Л. С., Наринский В. И. Вариационные принципы и методы строительной механики. М.: Изд-во МАИ. 1987, 92 с.
3. Ванько В.И., Ермошина О.В., Кувыркин Г.Н. Вариационное исчисление и оптимальное управление .3-е издание. М.: Изд-во МГТУ им. Н.Э. Баумана 2006. 488 с.
б)дополнительная литература:
1. Ахиезер Н.И. Вариационное исчисление. – Харьков: Изд-во ХГУ, 1981.248 с.
2. Ланцош К. Вариационные принципы механики. М.: Мир, 1965. 408 с.
3. Гельфанд И. М., Фомин С. В. Вариационное исчисление. М.: Физматлит. 1961, 228 с.
4. Васидзу К. Вариационные методы в теории упругости и пластичности. М.: МИР. 1987, 542 с.
в)программное обеспечение, Интернет-ресурсы, электронные библиотечные системы:
-
МАТЕРИАЛЬНО-ТЕХНИЧЕСКОЕ ОБЕСПЕЧЕНИЕ ДИСЦИПЛИНЫ
Для проведения аудиторных занятий используется аудитория, оснащенная презентационной техникой: проектор, экран, компьютер.
Приложение 1
к рабочей программе дисциплины
«Вариационные принципы механики »
Аннотация рабочей программы
Дисциплина Вариационные принципы механики является частью Профессионального цикла дисциплин подготовки студентов по направлению подготовки Ракетные комплексы и космонавтика. Дисциплина реализуется на 6 факультете «Московского авиационного института (национального исследовательского университета)» кафедрой (кафедрами) 603.
Дисциплина нацелена на формирование следующих компетенций: ПК-1 ,ПК-2.
Содержание дисциплины охватывает круг вопросов, связанных с: вариационными принципами механики деформируемого тела.
Преподавание дисциплины предусматривает следующие формы организации учебного процесса: Лекция, мастер-класс, Практическое занятие.
Программой дисциплины предусмотрены следующие виды контроля: промежуточная аттестация в форме Экзамен (4 семестр).
Общая трудоемкость освоения дисциплины составляет 3 зачетных единиц, 108 часов. Программой дисциплины предусмотрены лекционные (16 часов), практические (18 часов), лабораторные (0 часов) занятия и (47 часов) самостоятельной работы студента. В первой части дисциплины излагаются основные понятия и методы вариационного исчисления, затем идет изложение вариационных принципов. Заканчивается изложение курса рассмотрением вариационных методов механики.
Приложение 2
к рабочей программе дисциплины
«Вариационные принципы механики »
Cодержание учебных занятий
-
Лекции
1.1.1. Основная задача вариационного исчисления(АЗ: 2, СРС: 4)
Тип лекции: Информационная лекция
Форма организации: Лекция, мастер-класс
1.1.2. Уравнение Эйлера и естественные граничные условия. Изопериметрическая задача(АЗ: 2, СРС: 4)
Тип лекции: Информационная лекция
Форма организации: Лекция, мастер-класс
1.2.1. Принцип Кастильяно. Принцип наименьшей работы. Теорема Кастильяно.(АЗ: 4, СРС: 4)
Тип лекции: Информационная лекция
Форма организации: Лекция, мастер-класс
1.2.2. Принцип Лагранжа(АЗ: 2, СРС: 2)
Тип лекции: Информационная лекция
Форма организации: Лекция, мастер-класс
1.2.3. Принцип возможных перемещений. Формула Лагранжа(АЗ: 2, СРС: 4)
Тип лекции: Информационная лекция
Форма организации: Лекция, мастер-класс
1.3.1. Метод сил(АЗ: 2, СРС: 2)
Тип лекции: Информационная лекция
Форма организации: Лекция, мастер-класс
1.3.2. Метод Рэлея-Ритца. Метод Бубнова-Галеркина(АЗ: 2, СРС: 4)
Тип лекции: Информационная лекция
Форма организации: Лекция, мастер-класс
-
Практические занятия
1.1.1. Нахождение экстремума для функционалов в виде определенных интегралов(АЗ: 2, СРС: 2)
Форма организации: Практическое занятие
1.1.2. Задача о брахистохроне. Задача Дидоны(АЗ: 2, СРС: 4)
Форма организации: Практическое занятие
1.2.1. Определение усилий в статически неопределимых стержневых системах(АЗ: 4, СРС: 4)
Форма организации: Практическое занятие
1.2.2. Определение перемещений в стержневых системах(АЗ: 2, СРС: 2)
Форма организации: Практическое занятие
1.2.3. Составление уравнений движения механических систем с использованием принципа Лагранжа.(АЗ: 2, СРС: 2)
Форма организации: Практическое занятие
1.2.4. Решение задач механики с использованием принципа возможных перемещений(АЗ: 2, СРС: 2)
Форма организации: Практическое занятие
1.3.1. Расчет ферменных конструкций методом сил(АЗ: 2, СРС: 2)
Форма организации: Практическое занятие
1.3.2. Применение методов Рэлея-Ритца и Бубнова-Галеркина при решении задач об изгибе балки(АЗ: 2, СРС: 5)
Форма организации: Практическое занятие
-
Лабораторные работы
-
Типовые задания
Приложение 3
к рабочей программе дисциплины
«Вариационные принципы механики »
Прикрепленные файлы
Задачи к билетам на экзамене.doc
Задачи к билетам на экзамене
1.
Определить перемещение в точке А по направлению силы X=0
____________________________________________________________________________
2.
Определить перемещение в точке А по направлению силы X=0
____________________________________________________________________________
3.
Определить перемещение в точке А по направлению силы X=0
____________________________________________________________________________
4.
Определить перемещение в точке А по направлению силы X=0
____________________________________________________________________________
5.
Определить перемещение в точке А по направлению силы X=0
____________________________________________________________________________
6.
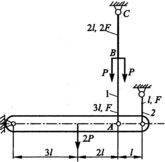
Определить перемещение в точке А по направлению силы P
7.
Определить перемещение в точке А по направлению силы
____________________________________________________________________________
8.
Определить перемещение в точке А по направлению силы
____________________________________________________________________________
9.
Определить перемещение в точке А по направлению силы
____________________________________________________________________________
10.
. Определить усилия в стержнях.
____________________________________________________________________________
11.
Определить усилия в стержнях.
____________________________________________________________________________
12.
Определить усилия в стержнях.
____________________________________________________________________________
13.
Определить усилия в стержнях.
____________________________________________________________________________
14.
Определить усилия в стержнях.
15.
Определить усилия в стержнях.
____________________________________________________________________________
16.
Определить усилия в стержнях.
____________________________________________________________________________
17.
Определить усилия в стержнях.
____________________________________________________________________________
18.
Определить усилия в стержнях.
____________________________________________________________________________
Версия: AAAAAARxTl8 Код: 000008449















