КП (1005877), страница 2
Текст из файла (страница 2)
Синхронность работы будет обеспечиваться централизованной системой управления. Так как заданное изделие изготавливается малой серией, то требуется универсальное оборудование для серийного производства, позволяющее производить переналадку для производства других видов изделий.
Рассмотрим более подробно ГАЛ для сборки и монтажа радиокомпонентов.
Данная линия предназначена для установки и монтажа радиоэлектронных компонентов на печатные платы с последующим контролем качества пайки и установки. Благодаря тому, что данное оборудование является полностью автоматическим, то при необходимости оборудование относительно легко можно перенастроить под другую схему установки элементов и контролем качества пайки.
На данном участке необходимо также предусмотреть устройства для загрузки заготовок и их последующих перемещением, так и для установки в оборудование комплектующих.
Современные технологические возможности предприятий позволяют производить автоматический поверхностный и печатный монтаж сложных компонентов размером до 40мм.
Нанесение паяльной пасты осуществляется с помощью трафарета или автоматического дозатора. Компоненты устанавливаются на автоматическом установщике компонентов MHPSDVF-M. Установщик оснащен двумя оптическими системами технического зрения для бесконтактного центрирования компонентов, считывания реперных знаков, программирования в режиме обучения и оптического контроля, что обеспечивает высокую точность установки компонентов. Система автоматически опознает бракованные печатные модули, что практически до нуля сокращает процент бракованных изделий.
Пайка оплавлением припоя производится в конвейерной конвекционной печи Hotflow 2/12 с несколькими температурными зонами (Рис 1).
Рис. 1
Визуальная проверка ведется на микроэндоскоп ERSASCOPE. Далее вся информация поступает на компьютер, где идет сравнение полученных данных с заданными характеристиками. Результат выводится на монитор к
омпьютера.
Рис.2
Для установки в питатели элементная база должна быть упакована в лентах, со свободными заправочными хвостами в 20-30см (без элементов). Для этого необходимо дополнительно предусмотреть робота для загрузки комплектующий, по мере их необходимости.
Компоновка ГАЛ сборки и монтажа ЭРЭ представлено на рис. 3.
Рис. 3
1 - автоматический установщик компонентов MHPSDVF-M;
2 - конвейерная конвекционная печь Hotflow 2/12;
3 - микро эндоскоп ERSASCOPE;
ТР3 и ТР4 - транспортные средства;
Н1 и Н2 - накопители;
Р1 и Р2 - роботы (загрузки/разгрузки).
3.3 Автоматизированная система управления АЛ
Для формирования автоматизированной системы управления (АСУ) АЛ необходимо подобрать датчики, автоматические регуляторы и вычислительные устройства (ВУ). Запуск АЛ осуществляться – по прибытии партии изделий, датчик считывает маркировку и подает сигнал на ЭВМ на загрузку оборудования ГАЛ соответствующим программным обеспечением.
Для транспортировки изделий между участками будет использоваться роботизированное транспортное средство.
Основные виды вычислительных устройств, которые будут участвовать в осуществлении АСУ в проектируемой АЛ, приведены в таблице 2.
Таблица 2
| Вид ВУ | Особенности | Области применения |
| Программируемый логический контроллер (ПЛК) | Отсутствие ОЗУ, требуется внешний программатор, многократно повторяет записанную программу | Управление несколькими устройствами в неизменном цикле |
| Микро ЭВМ (МЭВМ) | Обладает ОЗУ, не коммутирует питание | Вычисления и управления в ограниченном объеме |
| Управляющая ЭВМ (УЭВМ) | Многопроцессорное ВУ | Вычисления и управления в большем объеме, чем МЭВМ |
| Локальная вычислительная сеть (ЛВС) | Многомашинное ВУ | Управление большими объектами |
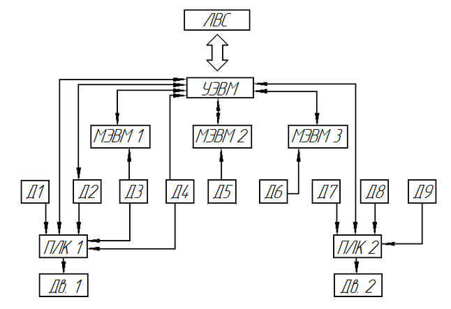
Синтез АСУ АЛ иллюстрируется структурной схемой (рис. 2), включающей различные датчики, ВУ, а также регулируемые АСУ АЛ исполнительные устройства и регуляторы.
Рис. 2.
Д1, Д2, Д3, Д4, Д5, Д6, Д7, Д8, Д9 - датчики;
Дв.1 и Дв.2 - двигатели;
МЭВМ1 - Микро ЭВМ установщика компонентов;
МЭВМ2 - Микро ЭВМ установки пайки;
МЭВМ3 - Микро ЭВМ установки контроля качества;
ПЛК1 и ПЛК2 - контролеры роботов загрузки.
Для пояснения работы АСУ АЛ составляем таблицу функционирования (таблица 3), в которой для каждого шага указывается субъект АСУ.
Таблица 3.
| № | Субъект | Действие |
| 1 | УЭВМ | Через ЛВС (по плану) получает комплект программного обеспечения и загружает соответствующие управляющие программы в МЭВМ установок. В соответствии с координирующей программой отправляется отчет на диспетчерский пост по запросу или в конце цикла изготовления плановой партии. |
| 2 | ПЛК1 | Реализует цикл загрузки/разгрузки накопителя Н1, установки автоматической установки компонентов и включения двигателя робота |
| 3 | ПЛК2 | Реализует цикл загрузки/разгрузки накопителя Н2 и включения двигателя робота. |
| 4 | Д1 | Фотоэлектрический датчик фиксирующий прибытие роботрейлера с платами, передает сигнал УЭВМ и запускает работу ПЛК1. |
| 5 | Д2 | Считывает штрих коды с плат, передает сигнал на ПЛК1 и УЭВМ, где фиксируются все номера плат поступивших на участок. |
| 6 | Д3 | Визирная линия, передающая сигнал на ПЛК1 для запускает робота на загрузку плат в установку 1 |
| 7 | Д4 | Визирная линия, фиксирующая прибытие катушек с элементами для установки 1 и передает сигнал на УЭВМ |
| 8 | Д5, Д6 | Визирные линии, фиксирующие поступление плат и передает сигнал для запуска соответствующих установок 2 и 3 |
| 9 | Д7 | Техническое зрение, считывает штрих коды с плат, передает сигнал УЭВМ, где фиксируются все номера плат прошедших контроль поступивших на отгрузку. |
| 10 | Д8 | Визирная линия, передающая сигнал на ПЛК2 для запускает робота загрузки ТС2 |
| 11 | Д9 | Фотоэлектрический датчик фиксирующий прибытие роботрейлера, передает сигнал УЭВМ и запускает работу ПЛК2. |
-
Анализ структуры автоматизированного модуля
Рис. 3
Рассмотрим структурную схему регулятора температуры. При пайке элементов плате необходимо точно установить температуру плавления припоя. Алгоритм управления конвейерной конвекционной печью Hotflow 2/12 основан на информации датчиков из разных температурных зон. Каждый датчик включен в цепь обратной связи. Температура внутри печи фиксируется датчиком, показания которого передаются в аналого-цифровой преобразователь. После преобразования сигнал передается в вычислительное устройство - программируемый контроллер (ПЛК), где полученная информация сравнивается с заданной в программе. Если есть рассогласование, то формируется сигнал, поступающий в ЦАП. С цифро-аналогового преобразователя сигнал поступает в схему управления питание по току, относящуюся к «силовым цепям». Схема управлением питание по току запитывает нагревательные элементы печи, которые нагревают внутренне пространство печи, и соответственно припой на платах.
Международный стандарт на термопары МЭК 60584 дает следующее определение термопары: Термопара — пара проводников из различных материалов, соединенных на одном конце и формирующих часть устройства, использующего термоэлектрический эффект для измерения температуры.
Принцип действия основан на термоэлектрическом эффекте. Когда концы проводника находятся при разных температурах, между ними возникает разность потенциалов, пропорциональная разности температур. Коэффициент пропорциональности называют коэффициентом термоэдс. У разных металлов коэффициент термоэдс разный и, соответственно, разность потенциалов, возникающая между концами разных проводников, будет различная. Помещая спай из металлов с отличными коэффициентами термоэдс в среду с температурой Т1, мы получим напряжение между противоположными контактами, находящимися при другой температуре Т2, которое будет пропорционально разности температур Т1 и Т2.
Технические требования к термопарам определяются ГОСТ 6616-94.Стандартные таблицы для термоэлектрических термометров (НСХ), классы допуска и диапазоны измерений приведены в стандарте МЭК 60584-1,2 и в ГОСТ Р 8.585-2001.
4. Организационно-экономические аспекты АП
4.1 Организационно-экономические аспекты АП
Целью любого производства является прибыльное удовлетворение всех запросов на его продукцию при условии получения заказчиком или потребителем высокой эффективности при использовании приобретенного изделия. Исходя из этого, производство при переходе на выпуск новой продукции должно ставить перед собой следующие основные задачи (в порядке их важности):
Обеспечение особо высокого качества новой продукции, иначе будет затруднен, сбыт и возможно недопустимое затоваривание;
Создание наилучших производственных условий для всех участников производства (сокращение доли ручного и тяжелого труда, исключение труда вредного и опасного для здоровья, повышение комфортности, а также интеллектуального уровня труда, в том числе творческий, т.д.);
Предельное сокращение сроков задания, запуска в производство и выпуска новой продукции, так как воспользоваться новой, более эффективной в эксплуатации продукцией как можно скорее заинтересованы и отдельный потребитель, и все общество;
Всемирное (на основе экономии всех видов ресурсов) снижение себестоимости новой продукции, а значит, ее цены на рынке (в противном случае затрудняется получение высокой экономической эффективности производства, прибыли, возникает проблема сбыта продукции);
Выпуск заказанного (или требуемого рынком) количества изделий при условии постоянной их модернизации в ходе производства (повышение экономичности, надежности, ресурса) и высоких потребительских свойств (внешнего вида, удобства эксплуатации, простоты ремонта).
Известно, что главным направлением интенсификации, основой повышения эффективности любого производства является его комплексная автоматизация, обеспечивающая достижение максимальной производительности труда. Однако во всех случаях автоматизация должна быть экономически целесообразна. Существуют различные типы производств (единичные, серийные и массовые), и их специфика предопределяет различные методы и средства автоматизации, обеспечивающие наибольшую эффективность. Главным при этом является обеспечение наибольшей производительности оборудования, интенсивности его использования. При серийном и массовом производстве в основном используют высокопроизводительное специальное (с постоянным технологическим процессом) автоматическое оборудование (линии), полная загрузка которого обеспечивается большими объемами выпуска стабильной (устойчивой по конструкции) продукции.
Для более полного экономического обоснования выбранного ГАЛ нет достаточных данных. Для экономического обоснования необходимо иметь такие данные как стоимости основного и дополнительного оборудования и инструментов, материалов, комплектующих, площади производства, габаритов оборудования, затраты на содержание производства, затраты на энергию, воду; и многое другое. Но применение в производстве современных средств и гибкой автоматизированной линии позволят существенно снизить затраты.
С точки зрения организационного обоснования выбора ГАЛ позволяет: уменьшить производственную площадь, уменьшить количество квалифицированных работников до 1 оператора, который будет следить за исправной работой оборудования, уменьшить временные затраты на производство продукции, уменьшить отходы и многое другое.
Комплексные системы (КС) включают САПР, АСТПП, ГАП и функционируют в составе локальной вычислительной сети (ЛВС), требующей информационную и аппаратно-программную совместимость отдельных частей системы. КД, кроме графического представления должно иметь описание, которое позволило бы при контроле внешнего вида с помощью устройства технического зрения оценить соответствие изготовленного изделия техническим требованиям.
4.2. Дополнительные функции информационной системы АП
















