Для представленной цепи - Ответ на вопрос по теоретическим основам электротехники №322214
-42%
Вопрос
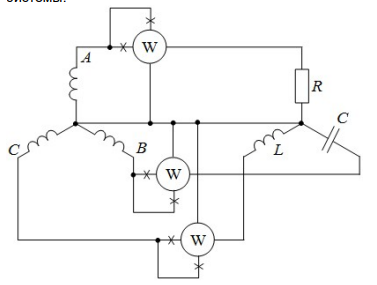
Для представленной цепи задано: действующее значение линейных напряжений 380 В; R=ХL=ХС=110 Ом. Ваттметры включены по схеме измерения активной мощности всей трехфазной системы. Определите активную мощность трехфазной системы (то есть сумму показаний всех ваттметров). Ответ дайте в ваттах с точностью до целого значения
Ответ

Если нужен другой вариант работы или отдельная задача из любой работы, пишите в комментарии














