Для представленной цепи - Ответ на вопрос по теоретическим основам электротехники №322213
-42%
Вопрос
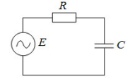
Для представленной цепи задано: e=100sin(314t) В; R=45 Ом; действующее значение напряжения на резисторе 40 В. Определите полную (кажущуюся) мощность цепи. Ответ дайте в вольт-амперах с точностью до целого значения
Ответ

Если нужен другой вариант работы или отдельная задача из любой работы, пишите в комментарии














