Рассчитать термический КПД цикла АЭС с - Ответ на вопрос №327339
Вопрос
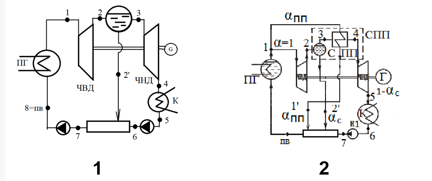
Рассчитать термический КПД цикла АЭС с сепаратором-пароперегревателем (СПП). Дано: p1 = 5,7 МПа, давление в СПП 1 МПа, в конденсаторе 3,8 кПа, температура промежуточного перегрева на 22,2 °C меньше, чем t1. Мощность турбины 300 МВт.Выберете принципиальную схему, отвечающую условию задачи:

Ответ

Гарантия сдачи без лишних хлопот! ✅🎓 Ответы на тесты по любым дисциплинам, базы вопросов, работы и услуги для Синергии, МЭИ и других вузов – всё уже готово! 🚀 🎯📚 Гарантия качества – или возврат денег! 💰✅
meimei1337













