Паротурбинная установка использует водяной пар следующих - Ответ на вопрос по ТТ №325676
Вопрос
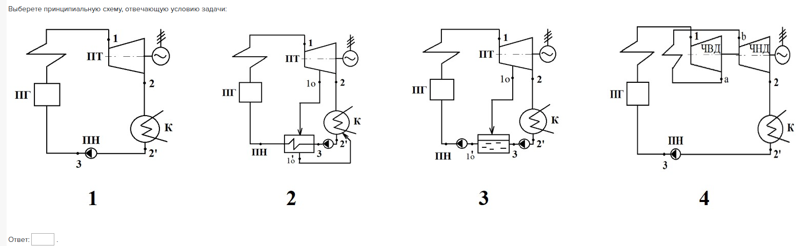
Паротурбинная установка использует водяной пар следующих начальных параметров: p1 = 15 МПа и t1 = 540 ℃. Давление в конденсаторе p2 = 3,6 кПа. При давлении pа = 4,5 МПа производится промежуточный перегрев пара до температуры tb = 530 ℃. Относительные внутренние КПД ηчвдоi = 0,92; ηчндоi = 0,88; ηноi = 0,85.Выберете принципиальную схему, отвечающую условию задачи:

Ответ

🎓 Поможем сдать всё — тесты, практику, экзамены, курсовые, дипломы, отчёты! Закроем долги под ключ 🔑 Ведём от первой сессии до диплома 🏆 Работаем с Синергией, МЭИ и другими вузами 🤝 Гарантия результата или возврат денег 💰 Пиши! 🚀
meimei1337













