На ТЭЦ установлена турбина типа "Т" (с отбором пара на - Ответ на вопрос по ТТ №292381
Вопрос
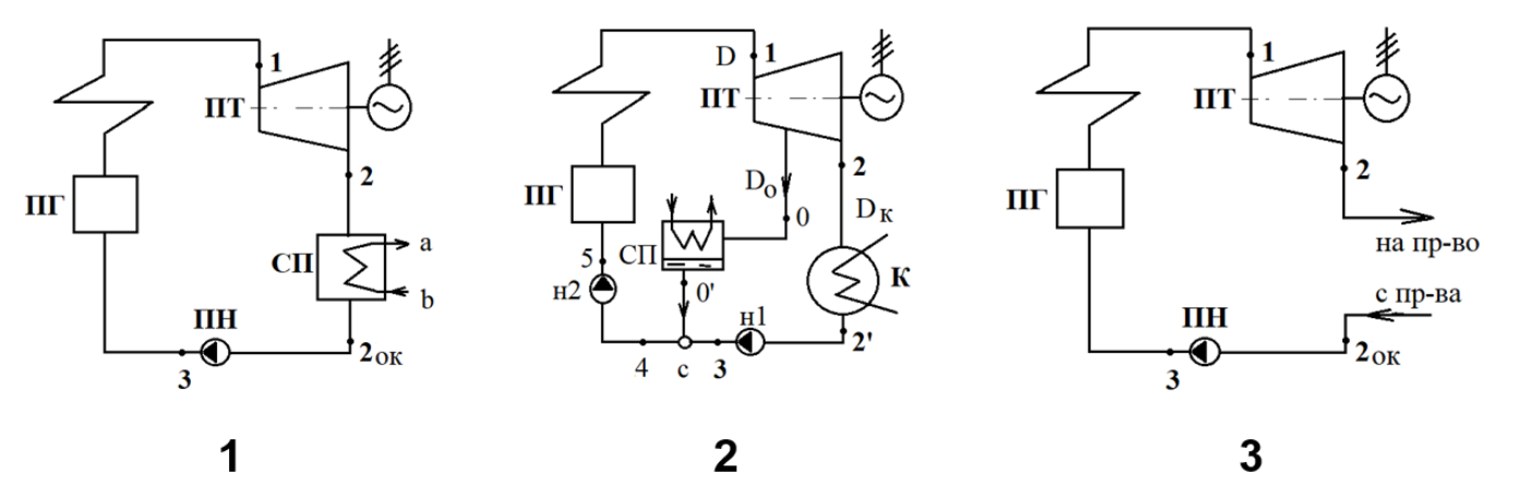
На ТЭЦ установлена турбина типа "Т" (с отбором пара на теплофикацию): p1 = 11 МПа, t1 = 520 °C, давление в отборе 0,5 МПа, в конденсаторе 3,0 кПа. Расход пара на турбину 300 т/час, в отборе 120 т/час.Выберете принципиальную схему, отвечающую условию задачи:

Ответ

🎓 Поможем сдать всё — тесты, практику, экзамены, курсовые, дипломы, отчёты! Закроем долги под ключ 🔑 Ведём от первой сессии до диплома 🏆 Работаем с Синергией, МЭИ и другими вузами 🤝 Гарантия результата или возврат денег 💰 Пиши! 🚀
meimei1337














